Not start with weak and short cracking

Tiny
XJSHEN
  • MEMBER
  • 2003 PONTIAC MONTANA
  • 3.4L
  • 6 CYL
  • 2WD
  • AUTOMATIC
  • 82,000 MILES
When tried to test starter on the car there was a circuit shortage happened with spark. Fuses may be damaged, which fuse maybe broken?
after disconnected negative battery end released starter and tested it in AutoZone, the starter was working. When restore starter I wrongly connected battery positive end to negative ground end of starter. And when l reconnect battery negative end, the starter was running.
this error also can damage fuses and parts?
I replaced old starter with a working starter and connected with correct starter ends. But not start with weak short cracking sound.

Headlight and dashboard lights and radio were all turned on. Battery voltage was 12.40 v after charged with jump wire on other car for 5 minutes, but couldn’t start.
after two days the voltage dropped 11.90. I am so sorry for my mistakes.
Thanks your reviews and instructions and helps!
Monday, August 17th, 2020 AT 4:52 AM

34 Replies

Tiny
ASEMASTER6371
  • MECHANIC
  • 52,796 POSTS
Good morning,

11.9 is way too low. The battery is dead. I would start by replacing the battery itself.

https://www.2carpros.com/articles/car-battery-load-test

https://www.2carpros.com/articles/symptoms-of-a-bad-car-battery

https://www.2carpros.com/articles/how-to-replace-a-car-battery

Low voltage could cause the issues you have.

Can you upload a video of it trying to start?

Roy
Was this
answer
helpful?
Yes
No
+1
Monday, August 17th, 2020 AT 5:07 AM
Tiny
XJSHEN
  • MEMBER
  • 246 POSTS
May I asked a question please? Battery tested in AutoZone that was 460 CCA, 12.47V after charge. And tech said that now it is okay, but recommended replace with new battery.
Was this
answer
helpful?
Yes
No
Monday, August 17th, 2020 AT 7:25 AM
Tiny
XJSHEN
  • MEMBER
  • 246 POSTS
I will replace with new battery but l am afraid of damaging new battery if circuit and fuses had damaged. Thanks!
Was this
answer
helpful?
Yes
No
Monday, August 17th, 2020 AT 7:30 AM
Tiny
ASEMASTER6371
  • MECHANIC
  • 52,796 POSTS
Tech was correct. 470 is way too low. You want a battery with 800 CCA.

No, you will not damage the battery. We need to start with good power to continue.

Roy
Was this
answer
helpful?
Yes
No
+1
Monday, August 17th, 2020 AT 7:50 AM
Tiny
XJSHEN
  • MEMBER
  • 246 POSTS
I replaced new battery (12.70 V) but It could not start, though cracking sound is higher than other old battery (12.11 V this morning). If my mistakes caused fuses or relays damage?
Was this
answer
helpful?
Yes
No
Monday, August 17th, 2020 AT 8:51 AM
Tiny
XJSHEN
  • MEMBER
  • 246 POSTS
New battery is AcDelco Gold with 800CCA, 12.770V.
Was this
answer
helpful?
Yes
No
Monday, August 17th, 2020 AT 8:54 AM
Tiny
ASEMASTER6371
  • MECHANIC
  • 52,796 POSTS
Okay, is it hooked up?

Does it start?

Roy
Was this
answer
helpful?
Yes
No
-1
Monday, August 17th, 2020 AT 8:59 AM
Tiny
XJSHEN
  • MEMBER
  • 246 POSTS
No. It does not start.
Was this
answer
helpful?
Yes
No
Monday, August 17th, 2020 AT 10:58 AM
Tiny
ASEMASTER6371
  • MECHANIC
  • 52,796 POSTS
Okay, does the starter make any noise?

https://www.2carpros.com/articles/starter-not-working-repair

You may need to reset the security for the theft system.

https://www.2carpros.com/articles/how-to-reset-a-security-system

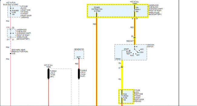
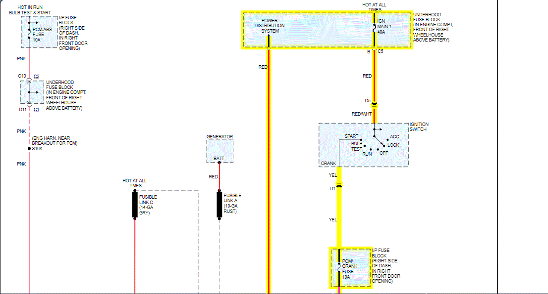
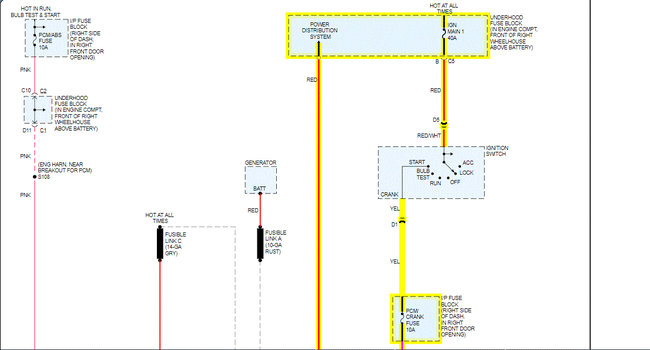
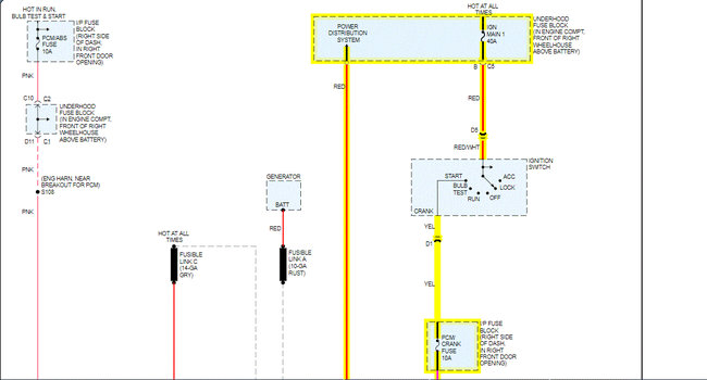
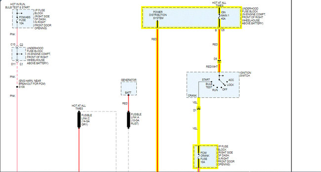
I attached a wiring diagram for you to view.

https://www.2carpros.com/articles/how-to-check-wiring

Do you have a voltmeter or test light to do some checks?

https://www.2carpros.com/articles/how-to-check-an-electrical-relay-and-wiring-control-circuit

https://www.2carpros.com/articles/how-to-check-a-car-fuse

Roy

Was this
answer
helpful?
Yes
No
+1
Monday, August 17th, 2020 AT 11:55 AM
Tiny
XJSHEN
  • MEMBER
  • 246 POSTS
Yes. Start made noise higher than old battery, but could not start. I have multi-meter and light tester. I will check with your sent instructions and document. Thanks a lot!
Was this
answer
helpful?
Yes
No
Monday, August 17th, 2020 AT 11:33 PM
Tiny
ASEMASTER6371
  • MECHANIC
  • 52,796 POSTS
You are welcome.

Keep me updated with the results.

Roy
Was this
answer
helpful?
Yes
No
+1
Tuesday, August 18th, 2020 AT 4:18 AM
Tiny
XJSHEN
  • MEMBER
  • 246 POSTS
Thanks a lot! I do not have high level multi-meter to check problems. So, today, I used a service for “car not start”, and requested a Tech bring his tools and resolve the problems on my car. He told me that battery disconnection caused ECU lock. He released frozen ECU and started engine. But engine could not keep running at idle state. Then he footed high acceleration several times that reached high RPM's to 5,000 rpm's, and soon caused many problems, air flow rate from mass air flow sensor was increased from 18.

With new battery, at beginning by his scanning there was no DTCs remain on the ECU (0/127). But after continuous stop and running, many times, again and over again absolute throttle position increased 12.549 14.388 44.786, (standard 0-14); air flow rate from mass air flow sensor was increased to18.299 -13.550-44.706 385.04; Fuel system 1 status value: OL - Fault. Fuel system 2 status
Oxygen sensor output voltage B1S1 value: 0 (standard value 0-5); Oxygen sensor output voltage B1S2 value: 0.025 (standard value 0.1 -0.9 V).

DTCs: P0131, state: pending, P0300, state: pending, but damaged both sensors.
And new battery also damaged with only 11.4 V while this morning was 12.85 V.

And he recommended replace all ignition module, Idle Control Valve, Mass Airflow Sensor, and throttle body and sensor. I do not know how deal with this misconduct and to fix problems. Your instruction is very important. Thanks!
Was this
answer
helpful?
Yes
No
Tuesday, August 18th, 2020 AT 8:16 PM
Tiny
ASEMASTER6371
  • MECHANIC
  • 52,796 POSTS
Good morning again,

What problems were created by revving to 5,000?

The codes 131 and 300 are not from his high RPM push. That does not damage anything.

I do not understand the battery voltage? You said it is 12.9 this morning. Was that running or with the engine off?

How do you think the battery was damaged? What was damaged?

The 300 is a misfire code. It could be related to plugs and wires. It could also be from low fuel pressure which is most common.

https://www.2carpros.com/articles/engine-misfires-or-runs-rough

https://www.2carpros.com/articles/how-to-check-fuel-system-pressure-and-regulator

The 131 is for an O2 sensor heater circuit. I posted below about the code and attached the flow chart for you.

https://www.2carpros.com/articles/how-an-oxygen-sensor-works

https://www.2carpros.com/articles/how-to-test-an-oxygen-sensor-02-sensor

The one reading I would like to see is the long term trim reading for the O2 sensor.

Roy

CIRCUIT DESCRIPTION
Heated oxygen sensors (HO2S) are used for fuel control and post catalyst monitoring. Each HO2S compares the oxygen content of the surrounding air with the oxygen content of the exhaust stream. When the vehicle is first started, the power-train control module (PCM) operates in an Open Loop mode, ignoring the HO2S signal voltage when calculating the air-to-fuel ratio. The PCM supplies the HO2S with a reference, or bias, voltage of about 450 mV. The HO2S generates a voltage within a range of 0-1,000 mV that fluctuates above and below bias voltage once in Closed Loop. A high HO2S voltage output indicates a rich fuel mixture. A low HO2S voltage output indicates a lean mixture. Heating elements inside the HO2S minimize the time required for the sensors to reach operating temperature, and to provide an accurate voltage signal. If the PCM detects that the HO2S 1 voltage remains below a calibrated amount for an excessive amount of time, DTC P0131 will set.

Each HO2S 1 has the following circuits:
A HO2S 1 high signal circuit
A HO2S 1 low reference circuit
A HO2S 1 heater ignition voltage circuit
A HO2S 1 heater low control circuit
A low reference loop circuit

CONDITIONS FOR RUNNING THE DTC
DTCs P0101, P0102, P0103, P0107, P0108, P0112, P0113, P0116, P0117, P0118, P0121, P0122, P0123, P0125, P0128, P0410, P0440, P0442, P0443, P0446, P0449, P1441 are not set.
The Air Fuel Ratio parameter is between 12:1-16.5:1.
The TP sensor parameter is between 3-35 percent.
The system voltage is between 9-18 volts.

CONDITIONS FOR SETTING THE DTC
The PCM detects that the HO2S 1 voltage is less than 140 mV for more than 30 seconds.

OR

The PCM detects that the HO2S 1 voltage is less than 600 mV during power enrichment (PE) mode for more than 10 seconds.

ACTION TAKEN WHEN THE DTC SETS
The control module illuminates the malfunction indicator lamp (MIL) on the second consecutive ignition cycle that the diagnostic runs and fails.
The control module records the operating conditions at the time the diagnostic fails. The first time the diagnostic fails, the control module stores this information in the Failure Records. If the diagnostic reports a failure on the second consecutive ignition cycle, the control module records the operating conditions at the time of the failure. The control module writes the operating conditions to the Freeze Frame and updates the Failure Records.

CONDITIONS FOR CLEARING THE MIL/DTC
The control module turns OFF the malfunction indicator lamp (MIL) after 3 consecutive ignition cycles that the diagnostic runs and does not fail.
A current DTC, Last Test Failed, clears when the diagnostic runs and passes.
A history DTC clears after 40 consecutive warm-up cycles, if no failures are reported by this or any other emission related diagnostic.
C lear the MIL and the DTC with a scan tool.

300

SYSTEM DESCRIPTION
The power-train control module (PCM) uses information from the ignition control (IC) module and the camshaft position (CMP) sensor in order to determine when an engine misfire is occurring. By monitoring variations in the crankshaft rotation speed for each cylinder, the PCM is able to detect individual misfire events. A misfire rate that is high enough can cause the 3-way catalytic converter (TWC) to overheat under certain driving conditions. The malfunction indicator lamp (MIL) will flash ON and OFF when the conditions for TWC overheating are present. If the PCM detects a misfire rate sufficient to cause emission levels to exceed mandated standards, DTC P0300 will set.

CONDITIONS FOR RUNNING THE DTC
DTCs P0101, P0102, P0103, P0107, P0108, P0116, P0117, P0118, P0121, P0122, P0123, P0125, P0128, P0336, P0341, P0502, P0503, P1106, P1107, P1114, P1115, P1121, P1122, P1336, P1351, P1352, P1361, P1362, P1374 are not set.
The engine speed is between 525-5,900 RPM.
The ignition voltage is between 9-18 volts.
The engine coolant temperature (ECT) is between -7 and +125°C (21-255°F).
The fuel level is more than 10 percent.
The throttle position (TP) sensor angle is steady within 1 percent.
The antilock brake system (ABS) and the traction control system are not active.
The transmission is not changing gears.
The A/C clutch is not changing states.
The PCM is not in fuel shut-off or decel fuel cut-off mode.
The PCM is not receiving a rough road signal.

CONDITIONS FOR SETTING THE DTC
The PCM is detecting a crankshaft rotation speed variation indicating a misfire sufficient to cause emission levels to exceed mandated standards.

ACTION TAKEN WHEN THE DTC SETS
The control module illuminates the malfunction indicator lamp (MIL) on the second consecutive ignition cycle that the diagnostic runs and fails.
The control module records the operating conditions at the time the diagnostic fails. The first time the diagnostic fails, the control module stores this information in the Failure Records. If the diagnostic reports a failure on the second consecutive ignition cycle, the control module records the operating conditions at the time of the failure. The control module writes the operating conditions to the Freeze Frame and updates the Failure Records.

CONDITIONS FOR CLEARING THE MIL/DTC
The control module turns OFF the malfunction indicator lamp (MIL) after 3 consecutive ignition cycles that the diagnostic runs and does not fail.
A current DTC, Last Test Failed, clears when the diagnostic runs and passes.
A history DTC clears after 40 consecutive warm-up cycles, if no failures are reported by this or any other emission related diagnostic.
Clear the MIL and the DTC with a scan tool.

DIAGNOSTIC AIDS
Excessive vibration from sources other than the engine could cause DTC P0300 to set. The following are possible sources of vibration:
Variable thickness brake rotors-Refer to Symptoms - Hydraulic Brakes in Hydraulic Brakes. See: Hydraulic System, Brakes > Symptom Related Diagnostic Procedures
Worn or damaged accessory drive belt-Refer to Symptoms in Engine. See: Engine > Symptom Related Diagnostic Procedures
Spray water on the secondary ignition components using a spray bottle. Look and listen for arcing or misfiring.

Was this
answer
helpful?
Yes
No
+1
Wednesday, August 19th, 2020 AT 4:05 AM
Tiny
XJSHEN
  • MEMBER
  • 246 POSTS
He pressed the accelerator until the engine screamed Up to more than 5,000 rpm's for several time, and many smocks created on the engine hood. I just surprised and shocked. So, there was too much fuel and air burning created too high heat that over oxygen sensor bearable limitation. Thereafter soon cause service engine soon light and code p0131 and p0300. And many parameters became worse and worse.
He should have stopped at early stage, but he continued start - acceleration -stop and turned on lights for more than 40 minutes caused battery without charging voltage decreased from new battery with 12.95 v decreased to 11.40 v. At beginning there was no any DTC stored in PCU.
Thanks!
Was this
answer
helpful?
Yes
No
Wednesday, August 19th, 2020 AT 5:35 AM
Tiny
ASEMASTER6371
  • MECHANIC
  • 52,796 POSTS
Okay, what is the voltage at the battery with the engine running?

https://www.2carpros.com/articles/how-to-check-a-car-alternator

At 11.4, you need to charge the battery back to 12.6 volts.

No, the O2 sensor was not and cannot be damaged from high RPM at all.

Again, can you tell me the long term trim reading for the O2 sensor?

Roy
Was this
answer
helpful?
Yes
No
Wednesday, August 19th, 2020 AT 5:40 AM
Tiny
XJSHEN
  • MEMBER
  • 246 POSTS
I don’t know how to read long term trim reading.

Battery voltage was 12.45 V when he stopping last time yesterday, but dropped to 11.40 V this morning. I think that alternator charged in short time. But battery function decreased a lot.
O2 Sensor Output voltage B1S1value = 0;
O2 Sensor Output voltage B1S2 value = 0.025v
It is showing both sensors were damaged. Standard value was 0 - 5 V and 0.2 - 0.5 v each.
Was this
answer
helpful?
Yes
No
Wednesday, August 19th, 2020 AT 6:42 AM
Tiny
ASEMASTER6371
  • MECHANIC
  • 52,796 POSTS
No, they are not damaged. The 131 code is for the bank 1 sensor. If the heater circuit is not working, the sensor will not read correctly and the result is the voltage you see.

Bank 2 sensor has only 1 function and that is to monitor the cat converter and no control over fuel mapping.

The voltage for the sensors are 0 to 1 volt.

If you have a scan tool, it should list long term trim reading in %.

Roy
Was this
answer
helpful?
Yes
No
Wednesday, August 19th, 2020 AT 6:48 AM
Tiny
XJSHEN
  • MEMBER
  • 246 POSTS
Both oxygen sensors were brand new Item, and have never run until his operation.L can’t do so many works by myself. I will send car to GM dealer to review completely and repair and will charge to the company, and have to report to NCDOT and go to legal action in the court if they don’t responsible for the lost.
Was this
answer
helpful?
Yes
No
Wednesday, August 19th, 2020 AT 7:35 AM
Tiny
ASEMASTER6371
  • MECHANIC
  • 52,796 POSTS
Okay, keep me updated with the results.

Roy
Was this
answer
helpful?
Yes
No
Wednesday, August 19th, 2020 AT 7:44 AM
Tiny
XJSHEN
  • MEMBER
  • 246 POSTS
Hello Roy,

I started to fix the problem by myself. Now ignition is okay, but when start engine the RPM surged 3,200 rpm's, and down to 700 rpm's in idle condition, and up to 1,000 rpm's, and down and up 1,500 rpm's, etc. With vibration, engine running was not steadily. And when changed gear to start running the start is rough with RPM surge over 1,000 rpm's. The gear change is okay, window power, radio, dash board power all on. By short start time and running shortly 5 feet soon triggered codes P0131 and p0300. I just replaced O2 sensor bank1 but got P0131. I recorded power train live data with scanner, Innova 3130Lat+ (power chain live data) (attached first figure) and with Actron RCP9575 (I/M monitors data) data, but I do not know how to explain the data, and what was problem.

TSP value is looked high 27.5% to 30%, and O2 bank1 sensor problem is recognized.
May you provide your professional comment on the data and instruct me how to find the problematic location and parts.
Thanks for your instruction and direction!
Was this
answer
helpful?
Yes
No
Monday, August 31st, 2020 AT 10:54 PM

Please login or register to post a reply.