My engine will not crank over?

Tiny
ATOM469
  • MEMBER
  • 2013 FORD F-150
  • 5.0L
  • V8
  • 4WD
  • AUTOMATIC
  • 70,000 MILES
Battery is five months old, tested and works fine. Electrical light has been coming on for a few months. If I do not start it every few days I need to jump it first to start. I normally drive it everyday, therefore, it has started. I drove it less then twenty four hours ago, now today it is the first time that it took less then twenty four hours for it not to start.I can turn the key forward, when I try to start it, it will try and start (click click click) but will not turn over. As soon as I put the portable charger on it, it starts up no issue. Any thoughts?
Wednesday, October 24th, 2018 AT 3:02 PM

50 Replies

Tiny
CJ MEDEVAC
  • MECHANIC
  • 11,005 POSTS
These guides can help us fix it

https://www.2carpros.com/articles/starter-not-working-repair

and

https://www.2carpros.com/articles/car-battery-load-test

Please run down these guides and report back.

Maybe you have an abnormal parasitic draw on your system, that is if normal draws over a long period time are "normally" sucking your battery out. We may get into that possibility if below does not help.

Ok, lets do the basics 1st before we throw blame elsewhere.

Grab your battery clamps on the battery posts, can you forcibly twist, pull, make it move the clamp on of the battery using your hand?

If you have aftermarket (regular ole) clamps whereas a 2 hole strap holds the cable to the clamp. Let's "left and right" the cable forcibly. Does the copper on the other side of the strap move? (it should not!)

Your starter solenoid (now days called a starter relay) body should be bolted on to a good clean ground (fender)

Now for the good part, I always try to shorten this but get the message through.

Clean the battery posts and inside of the battery clamps. Tap them way down on the battery posts. Tighten well (your clamp should still have a gap when you are done, not the clamp ends touching and the bolt will go no further). (This depends on the type clamp you have)

Now follow the positive and negative cables from the battery and the starter.

Clean (or at least loosen and scooch the ends around) the cable ends and the posts they connect to. (both sides of the Solenoid, the starter connection (These all being the Hot cables) and check the ground from the negative battery cable. Tighten everything well.

Many folks halfheartedly do these things, they'll touch the items but never get in there on them!

Here's a link from our site (repair guides-top right of our pages)

https://www.2carpros.com/articles/everything-goes-dead-when-engine-is-cranked

Here's some pics I made

Keep us posted on progress,

The Medic
Was this
answer
helpful?
Yes
No
Wednesday, October 24th, 2018 AT 5:16 PM
Tiny
BMDOUBLE
  • MECHANIC
  • 1,139 POSTS
By electrical light do you mean the battery light? If so you may have an alternator issue. Another rare issue that I have found with parasitic draw on the battery is faulty wire splice connections near the engine fuse box at the right front radiator support. The last one I had you could hear the relays clicking when I would move the wire harness that goes down from the fuse box. Just something to be aware of.
Was this
answer
helpful?
Yes
No
Tuesday, October 30th, 2018 AT 1:03 PM
Tiny
ATOM469
  • MEMBER
  • 2 POSTS
Thank you for the information. What is the easiest way to tell if the alternator is bad? I bought a new alternator a while back assuming this was the issue.
Was this
answer
helpful?
Yes
No
Tuesday, October 30th, 2018 AT 5:00 PM
Tiny
CJ MEDEVAC
  • MECHANIC
  • 11,005 POSTS
This is from "Repair Guides", top right of our pages.

https://www.2carpros.com/articles/how-to-check-a-car-alternator

Read it all, "Step 2" is going to tell the most.

Let us know if the guide explained it well and your results.

The Medic
Was this
answer
helpful?
Yes
No
Tuesday, October 30th, 2018 AT 5:29 PM
Tiny
BILLYWITCHMD
  • MEMBER
  • 1 POST
  • 2008 FORD F-150
  • 5.4L
  • V8
  • 4WD
  • AUTOMATIC
  • 240,000 MILES
The lights will come on but it won't turn.
Was this
answer
helpful?
Yes
No
Sunday, May 30th, 2021 AT 3:43 PM (Merged)
Tiny
JACOBANDNICKOLAS
  • MECHANIC
  • 110,192 POSTS
Hi,

This could be a couple of things, so I'm going to go through a few checks first.

I attached a couple pics below. The first one is from the starting system wiring schematic. I highlighted two fuses I want you to check. In addition to checking the fuse condition, confirm there is power to them.

The fuses are located in the vehicle under the dash, left side. I highlighted the fuses to check in pic 2.

Here is a link you may find helpful:

https://www.2carpros.com/articles/how-to-check-a-car-fuse

Let me know what you find.

Joe
Was this
answer
helpful?
Yes
No
Sunday, May 30th, 2021 AT 3:43 PM (Merged)
Tiny
STYMIEJAMES
  • MEMBER
  • 2 POSTS
  • 2008 FORD F-150
  • V8
  • 4WD
  • AUTOMATIC
  • 185,000 MILES
Battery, lights, radio, etc, all seem to work fine. When I turn the key, I hear one click then nothing.
Was this
answer
helpful?
Yes
No
+1
Sunday, May 30th, 2021 AT 3:44 PM (Merged)
Tiny
ASEMASTER6371
  • MECHANIC
  • 52,796 POSTS
Good afternoon,

The first thing is to check the battery voltage and the cables. Make sure they are clean and tight. All the other items may work but the starter requires more voltage than the smaller items.

https://www.2carpros.com/articles/car-battery-load-test

https://www.2carpros.com/articles/everything-goes-dead-when-engine-is-cranked

I would start there. You may have a low battery.

Roy
Was this
answer
helpful?
Yes
No
+1
Sunday, May 30th, 2021 AT 3:44 PM (Merged)
Tiny
STYMIEJAMES
  • MEMBER
  • 2 POSTS
It was the battery thank you.
Was this
answer
helpful?
Yes
No
Sunday, May 30th, 2021 AT 3:44 PM (Merged)
Tiny
FRAN16.X
  • MEMBER
  • 3 POSTS
  • 2008 FORD F-150
  • AUTOMATIC
  • 164,000 MILES
My truck won’t start sometimes and I have no light on my dashboard indicating there is a problem with my battery or engine. Also, when it doesn’t turn on there isn’t a noise at all, but everything inside the truck turns on but the engine doesn’t.
Was this
answer
helpful?
Yes
No
Sunday, May 30th, 2021 AT 3:44 PM (Merged)
Tiny
KASEKENNY
  • MECHANIC
  • 18,907 POSTS
Clearly we would need to do some testing to confirm this but I have seen this before on these trucks. This is normally one of a couple things. First and foremost is the digital transmission range sensor. Basically this sensor tells the PCM what position the transmission is in when trying to start the vehicle. Basically it says if in park or neutral it allows voltage to the PCM to show it is ok to start the engine. There are times when this sensor is beginning to fail that it doesn't give the proper voltage and the PCM thinks it is in something other then park or neutral. This is a system that needs to have the correct voltage to start and anything else will be a no start.

If you put the vehicle in Drive and then try to crank the engine does it act the same as when this issue happens? All dash lights come on but the engine doesn't turn over? This is not a confirmation that this is the issue but the PCM doesn't know the difference so if it is acting the same then that is where I would start.

The next most common failure is the starter relay. However, this will normally have a clicking with it. If you hear no clicking then this is most likely not the issue. However, if you want to just swap the relay with another next time it happens and it still does it then that will confirm it is not the issue.

I attached the info about these systems. If it were me, due to this being an intermittent issue, I would just replace the relay and the TRS because they are not that expensive and not that hard of repairs. You will need an alignment tool when installing the TRS but this is explained in the info.

Let me know if you have questions and we can go from there. Thanks
Was this
answer
helpful?
Yes
No
Sunday, May 30th, 2021 AT 3:44 PM (Merged)
Tiny
BRANDONB
  • MEMBER
  • 1 POST
  • 2008 FORD F-150
  • 5.4L
  • V8
  • 4WD
  • AUTOMATIC
  • 152,000 MILES
If I drive my truck for 5 plus minutes then turn it off it won't start. No crank, all electronics come on. Once cooled off it starts just fine. Only happens when it is hot outside I never have issues when temperatures are cooler. I have replaced the starter, checked for corrosion, swapped relays, and checked fuses. Like I said it only happens when hot after driving.
Was this
answer
helpful?
Yes
No
Sunday, May 30th, 2021 AT 3:44 PM (Merged)
Tiny
ASEMASTER6371
  • MECHANIC
  • 52,796 POSTS
Good morning,

I would start with checking the battery and the connections. A weak battery or dirty connections will cause this issue.

https://www.2carpros.com/articles/car-battery-load-test

https://www.2carpros.com/articles/everything-goes-dead-when-engine-is-cranked

I would also check for voltage to the starter solenoid when it does not start to verify the available voltage.

https://www.2carpros.com/articles/how-to-check-wiring

https://www.2carpros.com/articles/how-to-use-a-voltmeter

Roy
Was this
answer
helpful?
Yes
No
Sunday, May 30th, 2021 AT 3:44 PM (Merged)
Tiny
SANDTRAP
  • MEMBER
  • 2 POSTS
  • 2008 FORD F-150
  • 5.4L
  • 6 CYL
  • 2WD
  • AUTOMATIC
  • 98,000 MILES
Son did reverse polarity in the truck listed above (ex). It won't even crank over. Here one click in fuse box. Checked all fuses. They are good after I replaced radio fuse and cigarette lighter fuse. Had friend test battery it is good. Tried switching pm relay with another. Still nothing. Any suggestions?
Was this
answer
helpful?
Yes
No
Sunday, May 30th, 2021 AT 3:44 PM (Merged)
Tiny
DANNY L
  • MECHANIC
  • 5,648 POSTS
Hello, I'm Danny.

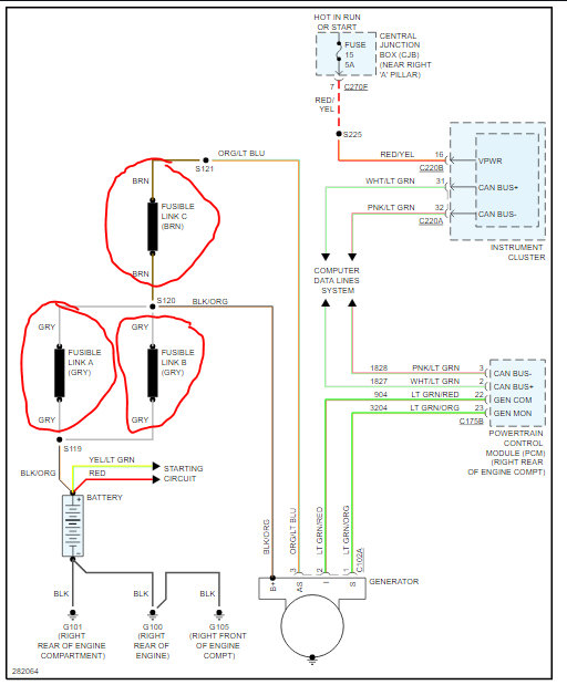
Your truck has 3 fusible links that will melt when the battery is hooked up backwards.I would suspect they melted (doing its job) to prevent damage to the electrical system. The links are in the alternator circuit.Here is a tutorial showing how to test wiring:

https://www.2carpros.com/articles/how-to-check-wiring

I've attached a picture below of the fusible link circuit circled in red and its location.Hope this helps and thanks for using 2CarPros.

Danny-
Was this
answer
helpful?
Yes
No
Sunday, May 30th, 2021 AT 3:44 PM (Merged)
Tiny
SANDTRAP
  • MEMBER
  • 2 POSTS
What is this connector that goes either the fusible links. It showed nothing on amp meter. Is it related to starter?
Was this
answer
helpful?
Yes
No
Sunday, May 30th, 2021 AT 3:44 PM (Merged)
Tiny
DANNY L
  • MECHANIC
  • 5,648 POSTS
Hello again.

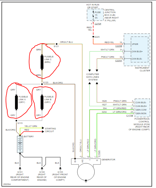
The grey color fusible links will be spliced into the black/orange striped wires coming from the battery and going to the alternator. It will look like similar to the picture I've attached below Hope this helps.
Danny.
Was this
answer
helpful?
Yes
No
Sunday, May 30th, 2021 AT 3:44 PM (Merged)
Tiny
MIKE FLYNN
  • MEMBER
  • 0 POST
  • 2007 FORD F-150
  • 5.4L
  • V8
  • 4WD
  • AUTOMATIC
  • 150,000 MILES
I have a bad connection on the fuse box for the starter and fuel pump relays. The fuse box on the passenger side I have been from time to time had to tap on it to get the truck to start. I think there is some sort of lose connection or a bad connection. Now I can only get the truck to turn over but will not start. That is why I think I may have a problem with the fuse box connection.
Any help would be greatly appreciated.
Was this
answer
helpful?
Yes
No
Sunday, May 30th, 2021 AT 3:44 PM (Merged)
Tiny
DANNY L
  • MECHANIC
  • 5,648 POSTS
Hello, I'm Danny.

These guides can help us fix it

https://www.2carpros.com/articles/starter-not-working-repair

and

https://www.2carpros.com/articles/car-battery-load-test

Please run down these guides and report back.

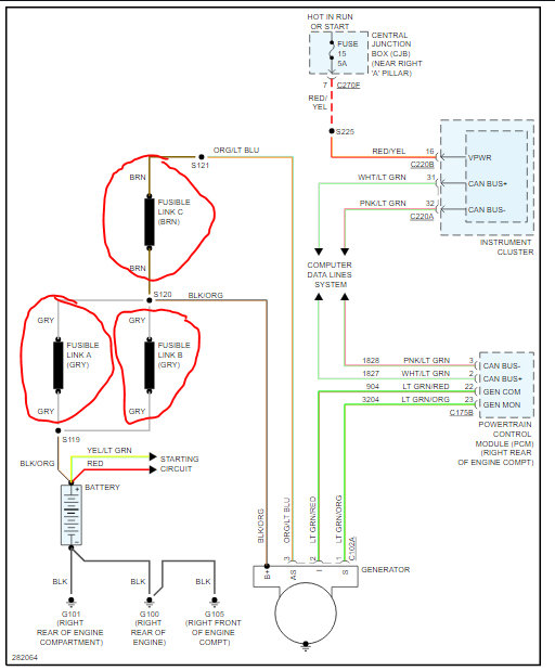
Just to add a little help to your question I've attached a picture below of the under hood power distribution box you've been tapping on. In case of a bad connection , faulty fuse , or faulty relay I've circled in red the possible fault points. Fuse location #9 is the fuel pump relay fuse. Fuse #101 is the starter relay fuse. Relay #01 is the starter solenoid relay.Here is a few tutorials on how to check a fuse and relays:

https://www.2carpros.com/articles/how-to-check-a-car-fuse

https://www.2carpros.com/articles/how-to-check-an-electrical-relay-and-wiring-control-circuit

Check out the diagrams (Below). Please let us know what you find. We are interested to see what it is.
Was this
answer
helpful?
Yes
No
Sunday, May 30th, 2021 AT 3:44 PM (Merged)
Tiny
LOGAN SNYDER
  • MEMBER
  • 1 POST
  • 2006 FORD F-150
  • 5.4L
  • V8
  • 4WD
  • AUTOMATIC
  • 137,700 MILES
My truck will start some days and others it will not. Only way I can get it to crank if it will not is by bridging the 12v constant and the trigger posts on the starter to send electricity to the solenoid. It’s like the trigger wire isn’t receiving any power at all. Replaced the battery, starter, transmission range sensor, and the starter wire.
Was this
answer
helpful?
Yes
No
Sunday, May 30th, 2021 AT 3:44 PM (Merged)

Please login or register to post a reply.