My engine will not crank over?

Tiny
ASEMASTER6371
  • MECHANIC
  • 52,796 POSTS
Good afternoon,

I attached a wiring diagram for you to view. Check the fuse listed for power with the key on.

https://www.2carpros.com/articles/how-to-check-wiring

https://www.2carpros.com/articles/how-to-use-a-voltmeter

I attached the location of the relay for you as well. In the start position, you have power at 86 with the key in the start position.

https://www.2carpros.com/articles/how-to-check-an-electrical-relay-and-wiring-control-circuit

Jump 30 and 87 and see if the truck cranks.

Roy
Was this
answer
helpful?
Yes
No
Sunday, May 30th, 2021 AT 3:44 PM (Merged)
Tiny
ALLISONRAMSAY
  • MEMBER
  • 3 POSTS
  • 2006 FORD F-150
  • 5.4L
  • V8
  • 2WD
  • AUTOMATIC
  • 110,000 MILES
I turn key, nothing. Turn again, one unh sound. Another turn, woodpecker clicking sound under dash. Another turn, unh-pause-unh-pause-unh unh-then it turns over and starts. Sometimes it starts in ten seconds, sometimes thirty seconds. Usually I am nervous if it will start at all. I use the truck to haul horses. First few times it did this, I tried to boost truck because I thought battery was drained. It was not. Thoughts?
Was this
answer
helpful?
Yes
No
Sunday, May 30th, 2021 AT 3:44 PM (Merged)
Tiny
DANNY L
  • MECHANIC
  • 5,648 POSTS
Hi, I am Danny.
It does sound like you are having a battery issue. Have you had the battery load tested? Even though it might seem good they can be defective. You might want to consider having the charging system tested as well, mainly the alternator. The alternator should be putting out 13 to 15 volts with engine running to keep the battery charging. Having those two things working properly will ensure consistent starts/reliability all the time. I have attached a few tutorials for you to view. Hope this helps and let me know if you have any further questions.
Danny-

https://www.2carpros.com/articles/car-battery-load-test

https://www.2carpros.com/articles/how-to-check-a-car-alternator
Was this
answer
helpful?
Yes
No
+1
Sunday, May 30th, 2021 AT 3:44 PM (Merged)
Tiny
ALLISONRAMSAY
  • MEMBER
  • 3 POSTS
Thanks, Danny. I hooked a battery charger to the truck and it shut off and showed full charge after five minutes but truck was again stubborn to start. I am going to video the starting to help and I will post that later today. It is my farm truck for hauling hay, straw, feed and horses and I only put about two to three thousand miles a year on the truck. Would an engine scan help at all or is that mostly for engine issues? It did not pick up compression problems in my last car so I am skeptical. Thanks, again.
Was this
answer
helpful?
Yes
No
Sunday, May 30th, 2021 AT 3:44 PM (Merged)
Tiny
ALLISONRAMSAY
  • MEMBER
  • 3 POSTS
Audio for starting issue attached.
Was this
answer
helpful?
Yes
No
Sunday, May 30th, 2021 AT 3:44 PM (Merged)
Tiny
CJ MEDEVAC
  • MECHANIC
  • 11,005 POSTS
It sounds like the ignition switch is bad
Was this
answer
helpful?
Yes
No
+1
Sunday, May 30th, 2021 AT 3:44 PM (Merged)
Tiny
DKC 326
  • MEMBER
  • 2 POSTS
  • 2005 FORD F-150
  • 5.4L
  • V8
  • 2WD
  • AUTOMATIC
  • 73,000 MILES
When I turn key hear one click at fuse panel and one click back of cab assume is fuel pump. Had battery tested. Good. Checked all fuses and relays, all good. Replaced starter and solenoid. Still no crank no start. Unable to pull any codes using OBD2, says communication error. Any ideas of what to check next?
Was this
answer
helpful?
Yes
No
Sunday, May 30th, 2021 AT 3:45 PM (Merged)
Tiny
JACOBANDNICKOLAS
  • MECHANIC
  • 110,192 POSTS
Hi and thanks for using 2CarPros.com.

Do not laugh, but the most common issue people have (based on your description) is a corroded or loose battery terminal. Basically, they will make contact until a heavy load is placed on them and then the connection fails. This could also include a loose or corroded ground at the engine block or positive at the starter. With that being said, there are two things I want you to check. First, what I have just described. Second, I need to know if there is power to the solenoid (smaller wire) in the starter when the key is in the start position. Here are two links that show how to do it. Do this and let me know the results.

https://www.2carpros.com/articles/everything-goes-dead-when-engine-is-cranked

https://www.2carpros.com/articles/starter-not-working-repair

Let me know what you find.

Take care,
Joe
Was this
answer
helpful?
Yes
No
Sunday, May 30th, 2021 AT 3:45 PM (Merged)
Tiny
DKC 326
  • MEMBER
  • 2 POSTS
Battery post are clean, power to solenoid and starter is good.
Was this
answer
helpful?
Yes
No
+1
Sunday, May 30th, 2021 AT 3:45 PM (Merged)
Tiny
JACOBANDNICKOLAS
  • MECHANIC
  • 110,192 POSTS
Now that the basics are out of the way.
The guide below on testing relays.
https://www.2carpros.com/articles/how-to-check-an-electrical-relay-and-wiring-control-circuit

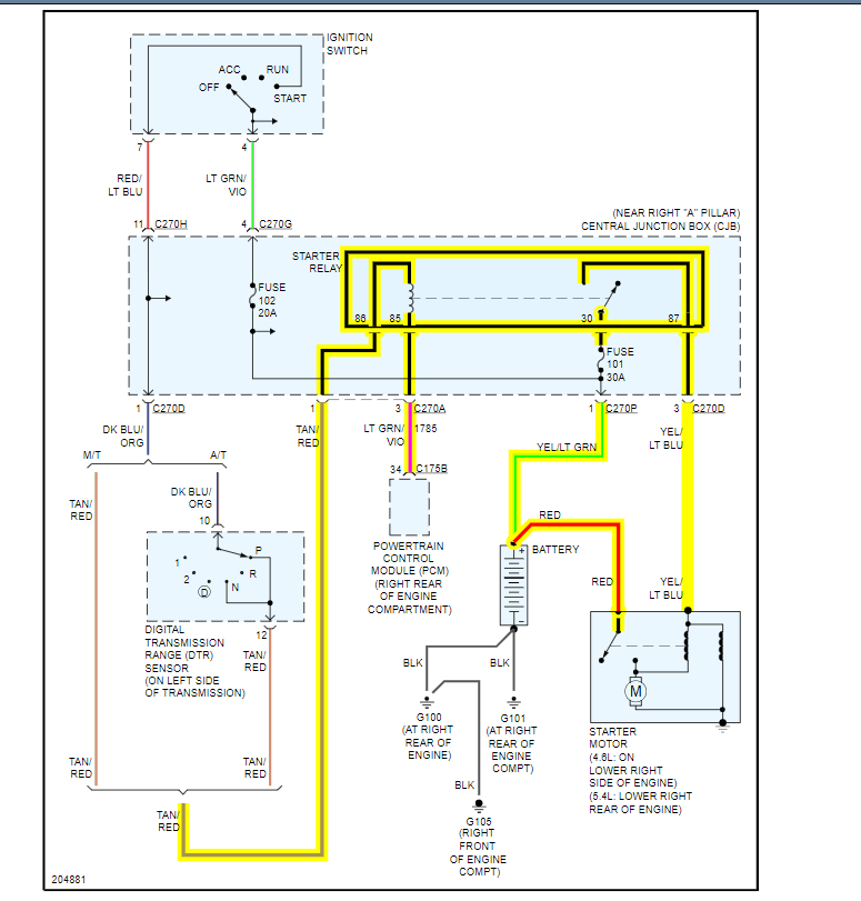
The wiring diagram for the starting circuit in your truck is attached below. Let us know if you need anything else.
Was this
answer
helpful?
Yes
No
+1
Sunday, May 30th, 2021 AT 3:45 PM (Merged)
Tiny
ITCHYFINGER
  • MEMBER
  • 2 POSTS
  • 2005 FORD F-150
  • 4.6L
  • V8
  • 2WD
  • AUTOMATIC
  • 210,000 MILES
The truck randomly will not start. Stick the key in twist and all the lights cone on the dash. Turn it and nothing happens. Lights don’t dim or go away. Other times it starts perfectly. Weather doesn’t seem to be a factor.

The shop I took it to replaced/reprogrammed keys, the halo rfid reader in the column and reprogrammed all of the modules according to them. The also combed through the harness and fuse block and didn’t find any problems. Someone suggested I change the starter so that was done. I have played with the gear selector to see if a park safety switch could be the problem. I even parked it. Started it again in the evening and didn’t touch the shifter, then tried again in the morning and it wouldn’t start. Tried starting it in neutral, this didn’t help either.
I have owned this truck since new in 2005. I have never had issues with the starter.

Some history. It is on its second motor. It’s been in there for about 5 years. It came out of a 2001 Mustang and we had to change the flex plate. The aftermarket ones kept breaking, and we replaced with a junkyard new one that has been fine ever since. Motor runs well, with an oil leak from the pan.
Was this
answer
helpful?
Yes
No
Sunday, May 30th, 2021 AT 3:45 PM (Merged)
Tiny
BMDOUBLE
  • MECHANIC
  • 1,139 POSTS
Go to your central junction box behind the passenger side kick panel, make sure all of the connectors are fully latched! I have had many come into my dealership with unlatched connectors due to the passenger's foot hitting it just right. These guides can help us fix it

https://www.2carpros.com/articles/starter-not-working-repair

and

https://www.2carpros.com/articles/car-battery-load-test

Check out the diagrams (Below). Let us know what happens and please upload pictures or videos of the problem.
Was this
answer
helpful?
Yes
No
Sunday, May 30th, 2021 AT 3:45 PM (Merged)
Tiny
ITCHYFINGER
  • MEMBER
  • 2 POSTS
So just check the seating of the relays?
Was this
answer
helpful?
Yes
No
Sunday, May 30th, 2021 AT 3:45 PM (Merged)
Tiny
BMDOUBLE
  • MECHANIC
  • 1,139 POSTS
No the electrical connectors on the side of the fuse box. I've highlighted the ones that you should look at.
Was this
answer
helpful?
Yes
No
Sunday, May 30th, 2021 AT 3:45 PM (Merged)
Tiny
JOSEPHWINKE
  • MEMBER
  • 1 POST
  • 2005 FORD F-150
  • 4.2L
  • V6
  • 2WD
  • MANUAL
  • 120,000 MILES
Engine will not crank, relay makes no noise when key is turned.
Starter/ignition relay have been swapped, also ignition/starter fuse's have been swapped, all function properly in other spots. When Key is turned from run to start radio/security shuts off, blower motor/lights stay on. But no crank or relay click. Display reads "CHECK GAUGES". Also engine and wrench warning lights are illuminated. Battery reads 13V. Truck didn't go into limp home mode prior to shutdown. What could it be?
Was this
answer
helpful?
Yes
No
Sunday, May 30th, 2021 AT 3:45 PM (Merged)
Tiny
KEN L
  • MASTER CERTIFIED MECHANIC
  • 55,371 POSTS
It sounds like you have a starter motor that has gone out. To confirm the problem lets use a test light on the the big cable going to the starter. When the engine is cranked over the test light should light up. Also we should run the codes

Here is a guide to help you.

https://www.2carpros.com/articles/how-to-use-a-test-light-circuit-tester

This guide will give you an idea of what you are in for when doing the job.

https://www.2carpros.com/articles/how-to-replace-a-starter-motor

and

https://www.2carpros.com/articles/checking-a-service-engine-soon-or-check-engine-light-on-or-flashing

Here is a wiring diagram of the starter circuit check to see where you are loosing power if the starter checks out.

https://www.2carpros.com/articles/how-to-use-a-test-light-circuit-tester

Please let us know what happens.
Was this
answer
helpful?
Yes
No
+1
Sunday, May 30th, 2021 AT 3:45 PM (Merged)
Tiny
JAMES GARCIA
  • MEMBER
  • 1 POST
I am had the exact same issue it was the starter motor
Was this
answer
helpful?
Yes
No
+1
Sunday, May 30th, 2021 AT 3:45 PM (Merged)
Tiny
TONY COX
  • MEMBER
  • 2 POSTS
  • 2005 FORD F-150
  • V8
  • 2WD
  • AUTOMATIC
  • 121,000 MILES
Ford f150 Truck! Not a 500 car. 5.4v8 will not start. Terminals are clean and tight on starter and.. Battery.. All power is on except the starter will not engage and showed no signs of any problem with starting before. Just dead, all electronic working full power. Is there a solnoid for the bendix? Where loocated. Is there a circuit breaker or relay to quit without warning?
Was this
answer
helpful?
Yes
No
Sunday, May 30th, 2021 AT 3:45 PM (Merged)
Tiny
RASMATAZ
  • MECHANIC
  • 75,992 POSTS
Check the starter relay at C2163-see below
Was this
answer
helpful?
Yes
No
Sunday, May 30th, 2021 AT 3:45 PM (Merged)
Tiny
KEYTAY1
  • MEMBER
  • 1 POST
  • 2005 FORD F-150
  • 4.6L
  • 6 CYL
  • 2WD
  • AUTOMATIC
  • 130,000 MILES
Truck just quit running and now it will not restart head lights and flashers work, but radio and turn signals do not and will not come out of park.
Was this
answer
helpful?
Yes
No
Sunday, May 30th, 2021 AT 3:45 PM (Merged)

Please login or register to post a reply.