Engine will stall when driving?

Tiny
TRUCKER88
  • MEMBER
  • 2002 CHEVROLET IMPALA
  • 3.8L
  • V6
  • 2WD
  • AUTOMATIC
  • 275,000 MILES
It will also stall while slowing down when driving. Fuel pressure is 58 psi when priming the pump, and is about 49 psi at idle. It will hold pressure when engine is off. No obd codes to report. Does not sound like it's misfiring. Replaced the fuel filter and swapped out the fuel pump with one from the junkyard, same results. It will start after a stall and will run if I keep giving it gas. Pulled vacuum line off of fuel pressure regulator and it gave me about an extra 10 psi.
Saturday, January 11th, 2020 AT 9:31 AM

50 Replies

Tiny
JACOBANDNICKOLAS
  • MECHANIC
  • 110,194 POSTS
Does this only happen when the engine is warm? Since the fuel pressure doesn't seem to be the issue, it seems more related to an ignition issue. Not uncommon is a bad crankshaft position sensor.

Do me a favor. Look through these links. The first one describes the component and the second discusses symptoms. Let me know if they seem to mirror what you experience.

https://www.2carpros.com/articles/how-a-crank-shaft-angle-sensor-works

https://www.2carpros.com/articles/symptoms-of-a-bad-crankshaft-sensor

Let me know.

Joe
Was this
answer
helpful?
Yes
No
Saturday, January 11th, 2020 AT 5:08 PM
Tiny
TRUCKER88
  • MEMBER
  • 4 POSTS
That pretty much describes what is happening. Is there any simple way to test the sensor? Is it still possible it's a weak fuel pump?
Was this
answer
helpful?
Yes
No
Sunday, January 12th, 2020 AT 12:01 AM
Tiny
JACOBANDNICKOLAS
  • MECHANIC
  • 110,194 POSTS
As far as the pump, the only thing you can do is check fuel pressure to see if it is weak. Here is a link that explains how that is done:

https://www.2carpros.com/articles/how-to-check-fuel-system-pressure-and-regulator.

As far as testing the sensor, it can be done by checking if there is a low reference signal to it, power, and then a signal from the sensor. I have to ask. Have you scanned the computer to see if there is a stored diagnostic trouble code? Under certain conditions, a bad crank sensor won't set a code, but in other conditions, it will. Also, if by chance you have a live data scanner, start the vehicle and watch the RPM signal to the scanner. See if it acts odd just before the engine stalls.

Also, if you drive the vehicle before it stalls, does it do the same thing?

I'm going to add the directions for replacing the crankshaft position sensor in case you decide to change it. At least you will have the directions. The attached pics correlate with the directions.

___________________________________________

2002 Chevrolet Impala V6-3.8L VIN K
Crankshaft Position (CKP) Sensor Replacement
Vehicle Powertrain Management Sensors and Switches - Powertrain Management Sensors and Switches - Computers and Control Systems Crankshaft Position Sensor Service and Repair Procedures Crankshaft Position (CKP) Sensor Replacement
CRANKSHAFT POSITION (CKP) SENSOR REPLACEMENT
REMOVAL PROCEDURE

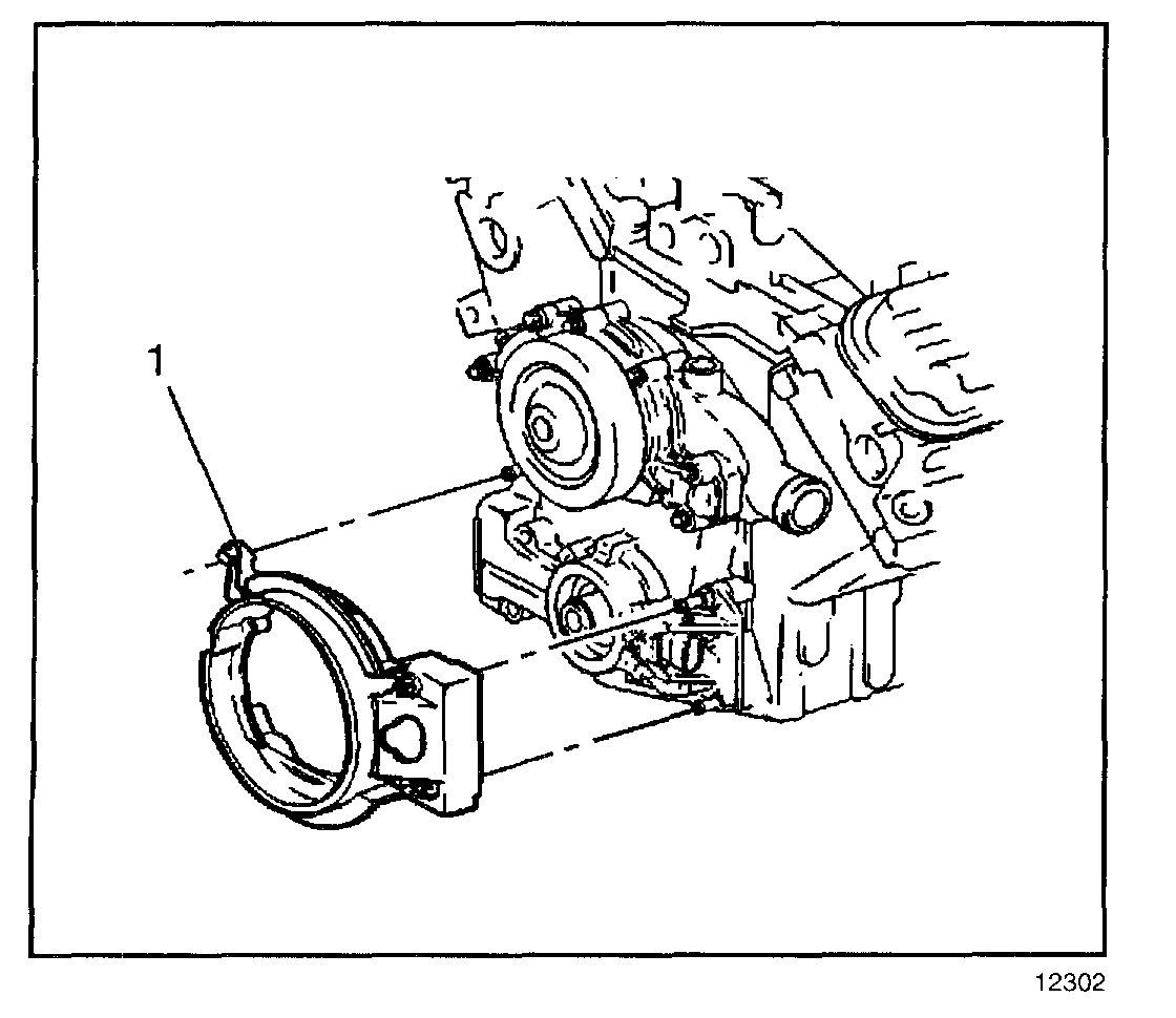
pic 1

1. Disconnect the negative battery cable.
2. Raise and support the vehicle. Refer to Lifting and Jacking the Vehicle.
3. Remove the right splash shield cover.
4. Remove the crankshaft harmonic balancer.
5. Disconnect the sensor electrical connector.
6. Remove the crankshaft position sensor (CKP) shield (1).

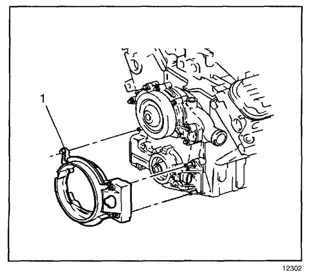
pic 2

7. Remove the CKP sensor bolts.
8. Remove the CKP sensor.

INSTALLATION PROCEDURE

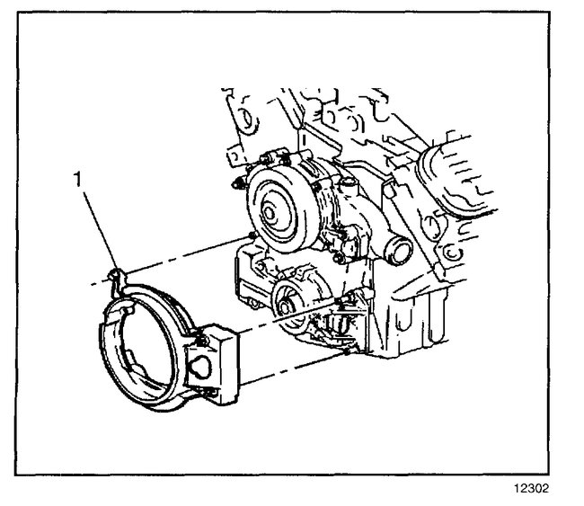
pic 3

1. Position the CKP sensor to the block.

NOTE: Refer to Fastener Notice in Service Precautions.

2. Install the CKP sensor bolts.

Tighten
Tighten the bolts to 30 N.m (22 lb ft).

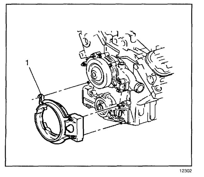
pic 4

3. Install the CKP sensor shield (1).
4. Connect the CKP sensor electrical connector.
5. Install the crankshaft balancer.
6. Install the right splash shield cover.
7. Lower the vehicle.
8. Connect the negative battery cable.
9. Perform the Crankshaft Variation Learn Procedure. See: Vehicle > Programming and Relearning

___________________________________________

I have a couple other questions. When the engine starts and runs, does it just shut down as if you turn the key off or does it slowly die as if it is a fuel related issue? I wonder if you have a fuel pump relay that is failing.

Let me know.

Joe
Was this
answer
helpful?
Yes
No
Sunday, January 12th, 2020 AT 3:57 PM
Tiny
TRUCKER88
  • MEMBER
  • 4 POSTS
When it stalls, it's as if I turned the ignition off. It doesn't sound like it's being starved of fuel.

Like I explained in my original post I did the fuel pressure testing, but I'm unaware of what the exact fuel pressure should be because I'm getting different numbers from different places on the internet.

These are screen shots form live data off of a blue driver that I borrowed a few days ago. Does it tell you anything? And thank you so much for your help!
Was this
answer
helpful?
Yes
No
Sunday, January 12th, 2020 AT 9:06 PM
Tiny
JACOBANDNICKOLAS
  • MECHANIC
  • 110,194 POSTS
Here are the fuel specs right from alldata:

Fuel pressure

2002 Chevrolet Impala V6-3.8L VIN K
Fuel Pump Pressure
Vehicle Power-train Management Fuel Delivery and Air Induction Fuel Pump Fuel Pressure Specifications Pressure, Vacuum and Temperature Fuel Pump Pressure
FUEL PUMP PRESSURE

Fuel System Pressure

Key On Engine Off (KOEO) 53-59 psi

You are within spec. The info isn't helping.

I have to be honest, since it shuts down like you turn the key off, it sounds like an electrical issue. I suspect it is the crankshaft position sensor.

Let me know.

Joe
Was this
answer
helpful?
Yes
No
Sunday, January 12th, 2020 AT 10:24 PM
Tiny
TRUCKER88
  • MEMBER
  • 4 POSTS
So I did some research on testing the crankshaft sensor, and I came across this article:

https://troubleshootmyvehicle.com/gm/3.8L/how-to-test-the-crank-sensor-1

Did the testing, and finally no problem. It must of been a loose wire or something like that.

Thank you for your help!!!
Was this
answer
helpful?
Yes
No
+1
Monday, January 13th, 2020 AT 2:17 PM
Tiny
JACOBANDNICKOLAS
  • MECHANIC
  • 110,194 POSTS
You are very welcome. If I had a nickle every time there was a problem with a crankshaft position sensor, I would be rich! LOL Keep in mind that when they start going bad, the internal wiring in the sensor can expand when it gets hot. The result is loss of a signal and the engine shuts down. Often times, they will restart after cooling, but that isn't always the case.

You take care and let us know if you have questions in the future.

Joe
Was this
answer
helpful?
Yes
No
Monday, January 13th, 2020 AT 6:58 PM
Tiny
KGIZZLE23
  • MEMBER
  • 1 POST
  • 2002 CHEVROLET IMPALA
  • 3.4L
  • 6 CYL
  • 2WD
  • AUTOMATIC
  • 176 MILES
One day I was driving and it suddenly stopped running. Me being novice at best I parked it bought some starter fluid sprayed it and was able to at least drive it home ASAP. So then I tried my best at diagnosing the problem so I replaced the fuel filter and pump still wouldn’t start. It ran for a good ten seconds then it shut off. So then I decided to replace the spark plugs and wires and it still won’t start. So I then bought a new fuel pump relay it still won’t turn over. I don’t know what to look for. I’ve been through YouTube Google can’t find a solid question or answer. I even tried the security 10 three times trick that didn’t work either. Please help. Don’t have a big budget to fix any help would be great. Thank you.
Was this
answer
helpful?
Yes
No
Wednesday, January 20th, 2021 AT 10:43 AM (Merged)
Tiny
JACOBANDNICKOLAS
  • MECHANIC
  • 110,194 POSTS
Welcome to 2CarPros.

Will it still start for a couple seconds if you use starting fluid? If it does, it is a fuel related issue. If it doesn't, then it is ignition related. I am going to provide links and directions for some general testing I need you to do.

First, here is a link that discusses a crank no start condition, which you have. Take a look through it.

https://www.2carpros.com/articles/car-cranks-but-wont-start

Now, I need you to check two things. First, we need to confirm fuel pressure is where it needs to be. Here is a link that shows how to check pressure:

https://www.2carpros.com/articles/how-to-check-fuel-system-pressure-and-regulator

Here are directions for connecting the pressure gauge on your vehicle:

FUEL PRESSURE GAGE INSTALLATION AND REMOVAL
FUEL PRESSURE GAGE INSTALLATION AND REMOVAL

TOOLS REQUIRED
J 34730-1A Fuel Pressure Gage
J 34730-262 Fuel Pressure Gage Fitting

INSTALLATION PROCEDURE

CAUTION: Refer to Gasoline/Gasoline Vapors Caution and Fuel Gage Leak Caution in Service Precautions.

NOTE: Clean all of the following areas before performing any disconnections in order to avoid possible contamination in the system:
The fuel pipe connections
The hose connections
The areas surrounding the connections

IMPORTANT: Position the fuel pressure gage fitting to avoid contact with the belt.

picture 3

1. Install J 34730-1A with J 34730-262 to the fuel pressure service connection, located on the fuel rail.
2. Turn ON the ignition.

CAUTION: Refer to Fuel Storage Caution in Service Precautions.

3. Place the bleed hose of the fuel pressure gage into an approved gasoline container.
4. Open the bleed valve on the fuel pressure gage in order to bleed the air from the fuel pressure gage.
5. Command the fuel pump ON with a scan tool until all of the air is bled out of the gage.
6. Close the bleed valve on the fuel pressure gage.
7. Command the fuel pump ON with a scan tool.
8. Inspect for fuel leaks.

REMOVAL PROCEDURE

picture 3

1. Place the fuel pressure gage bleed hose into an approved container and open the bleed valve to bleed fuel system pressure.
2. Place a shop towel under the fuel pressure gage adaptor fitting to catch any remaining fuel spillage.
3. Remove J 34730-1A from the adaptor fitting.
4. Remove J 34730-262.
5. Drain any fuel remaining in the fuel pressure gage into an approved container.
6. Install the cap on the fuel pressure connection.

__________________

Here are the manufacturer's specs for pressure:

Fuel System Pressure

Key On Engine Off 52-59 psi

__________________

Here is a link showing how to check for ignition spark:

https://www.2carpros.com/articles/how-to-test-an-ignition-system

________________

If you have spark and fuel pressure is correct, I need you to check for an injector pulse. Here is a link showing how that is done:

https://www.2carpros.com/articles/how-to-test-a-fuel-injector

______________

Here are a few links you may find helpful when testing:

https://www.2carpros.com/articles/how-to-use-a-test-light-circuit-tester

https://www.2carpros.com/articles/how-to-use-a-voltmeter

https://www.2carpros.com/articles/how-to-check-wiring

_____________

I also attached two pictures showing fuel injection fuse and the fuse for the fuel pump relay. Check them to make sure there are no problems, but wait till you see if the pressure is good.

https://www.2carpros.com/articles/how-a-car-fuse-works

https://www.2carpros.com/articles/how-to-check-a-car-fuse

Let me know what you find or if you have questions and what you find.

Take care,
Joe
Was this
answer
helpful?
Yes
No
Wednesday, January 20th, 2021 AT 10:43 AM (Merged)
Tiny
HOGAN
  • MEMBER
  • 2 POSTS
  • 2002 CHEVROLET IMPALA
  • 6 CYL
  • FWD
  • AUTOMATIC
  • 12,000 MILES
Have installed new ignition module, new fuel pump and new fuel filter. Car still dies after having ran for a while, in a few minutes it will restart again. What could be the problem. Engine light does not come on and there are no engine codes.
Was this
answer
helpful?
Yes
No
Wednesday, January 20th, 2021 AT 10:43 AM (Merged)
Tiny
JAMES W.
  • MECHANIC
  • 2,394 POSTS
When it stalls, does it not start right up again or do you have to wait? Roughly how long do you have to wait? When it starts after a stall, how does it run, normal or rough then smooths out. Please advise.
Was this
answer
helpful?
Yes
No
Wednesday, January 20th, 2021 AT 10:43 AM (Merged)
Tiny
HOGAN
  • MEMBER
  • 2 POSTS
You usually have to wait 2 to 3 minutes before restarting engine. Then you would have to wait about 1 minute before beginning to drive to get the rpms up. The last time we started the engine it would not rev up over 4000 rpm and ran rough between 3500 and 4000 rpms.
Was this
answer
helpful?
Yes
No
Wednesday, January 20th, 2021 AT 10:43 AM (Merged)
Tiny
JAMES W.
  • MECHANIC
  • 2,394 POSTS
Check your fuel pressure at the fuel rail. If possible, leave the gauge attached to the rail so you can check the fuel pressure when the stall condition exists. Keep me posted.
Was this
answer
helpful?
Yes
No
Wednesday, January 20th, 2021 AT 10:43 AM (Merged)
Tiny
TAKECHARGESARGE
  • MECHANIC
  • 92 POSTS
Hogan,
Have you checked the Crankshsft Position Sensor?
It can shut off power to the ignition system.

My car had a problem very similar to yours. Engine stalled, could restart in 5-15 minutes, no check engine light, no malfunction codes from the computer. The only indication was that the Battery would show in the message center. The problem went away when the ssensor was replaced.

TakeChargeSarge
Was this
answer
helpful?
Yes
No
Wednesday, January 20th, 2021 AT 10:43 AM (Merged)
Tiny
MARTELG1001
  • MEMBER
  • 1 POST
  • 2002 CHEVROLET IMPALA
  • 6 CYL
  • FWD
  • AUTOMATIC
  • 140,000 MILES
My 2002 Impala will intermitently die and turn back on while driving. It seems like the entire electrical system shuts off. The message board then begins to give us every error message in the book. We have taken it into the dealership and they said that they couldn't diagnose the problem. We did have a recall on a part that was connected with engine compartment fire, we had that replaced and ever since then we have had this problem.
Was this
answer
helpful?
Yes
No
Wednesday, January 20th, 2021 AT 10:44 AM (Merged)
Tiny
ELLEN H
  • MEMBER
  • 4 POSTS
I have the same problem on my 2002 Impala. The dash lights all flash for a second. No engine shut off, just the lights and the RPM goes down and up. Just a split second. I don't think I would notice it if the lights didn't all flash. Started about 5 years ago. Mine happens when driving in warmer (over 70degree) weather only at highway speeds. Dealer can't help either.
Was this
answer
helpful?
Yes
No
Wednesday, January 20th, 2021 AT 10:44 AM (Merged)
Tiny
ALEXSANDOVAL91
  • MEMBER
  • 9 POSTS
  • 2001 CHEVROLET IMPALA
  • 6 CYL
  • FWD
  • AUTOMATIC
  • 95,000 MILES
My car stalls / seems like it doesnt have pressure when I change from first to second gear but its only when I accelerate slow when I accelerate hard u dont feel the problem occuring it feels like the car is jerking me its only on the first to second gear but the jerks draggs for 5 seconds just 5 seconds of jerking before it changes the gear
Was this
answer
helpful?
Yes
No
Wednesday, January 20th, 2021 AT 10:44 AM (Merged)
Tiny
MMPRINCE4000
  • MECHANIC
  • 8,548 POSTS
Is your check engine light on?
Was this
answer
helpful?
Yes
No
Wednesday, January 20th, 2021 AT 10:44 AM (Merged)
Tiny
MMPRINCE4000
  • MECHANIC
  • 8,548 POSTS
I would change fuel filter and if problem persists, have ignition module tested.
Was this
answer
helpful?
Yes
No
Wednesday, January 20th, 2021 AT 10:44 AM (Merged)
Tiny
ALEXSANDOVAL91
  • MEMBER
  • 9 POSTS
I already had changed the fuel filter still jerking now the jerk is like stretching for like 5 seconds
Was this
answer
helpful?
Yes
No
Wednesday, January 20th, 2021 AT 10:44 AM (Merged)

Please login or register to post a reply.