Cruise control not working?

Tiny
STEPHEN FONDRIEST
  • MEMBER
  • 2010 CHEVROLET SILVERADO
  • 4.8L
  • V8
  • 4WD
  • AUTOMATIC
  • 71,000 MILES
I want my truck to have a cruise control but it doesn't work should I check the fuse first? Thank you in advance!
Tuesday, March 12th, 2019 AT 5:55 PM

41 Replies

Tiny
CARADIODOC
  • MECHANIC
  • 34,468 POSTS
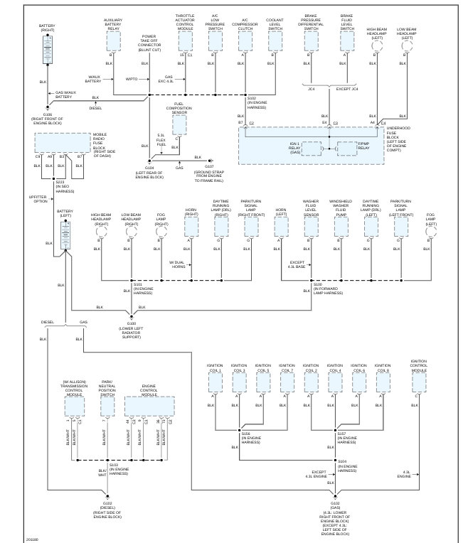
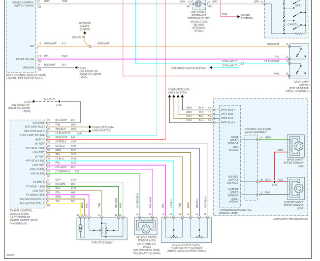
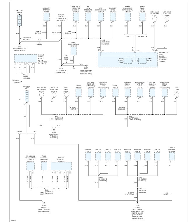
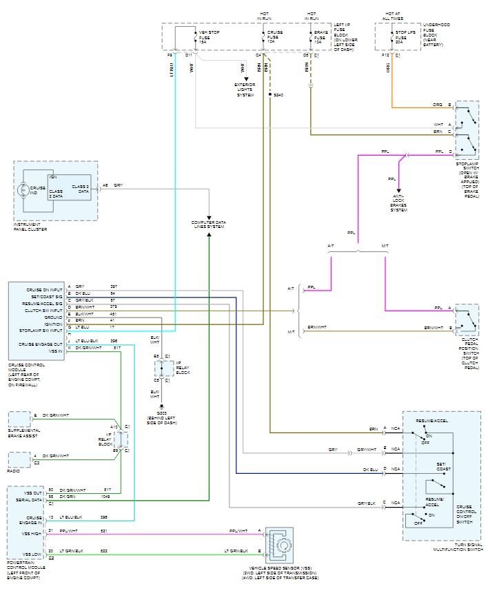
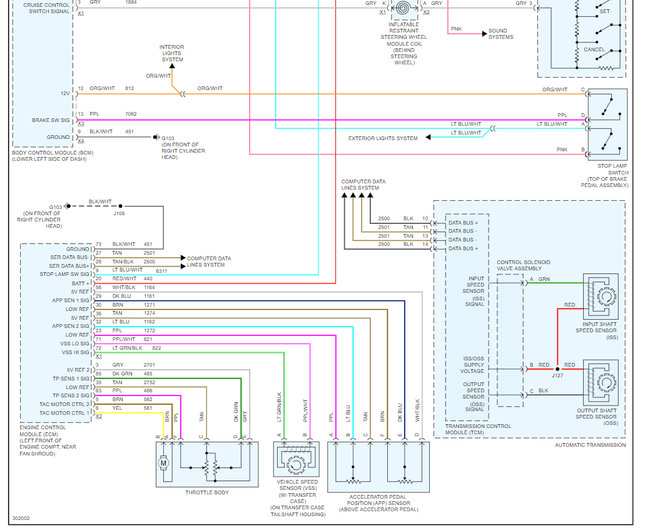
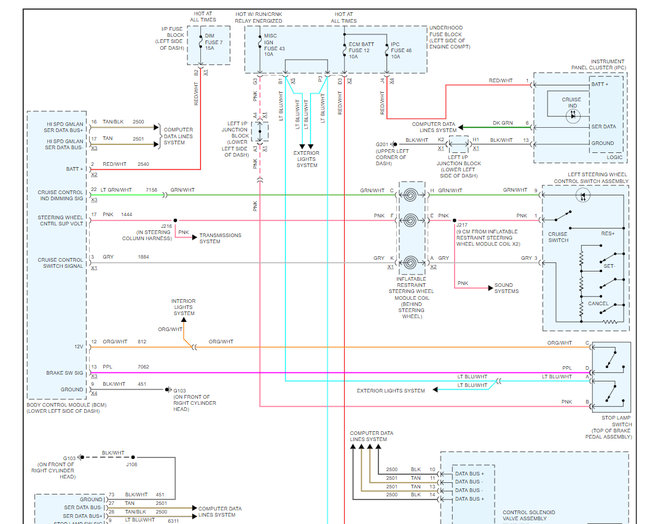
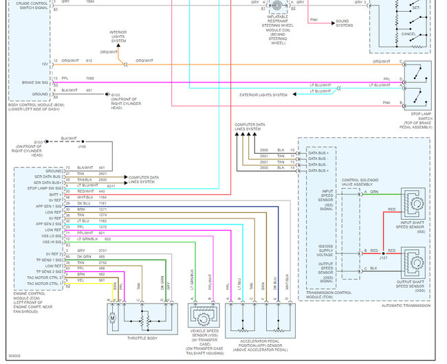
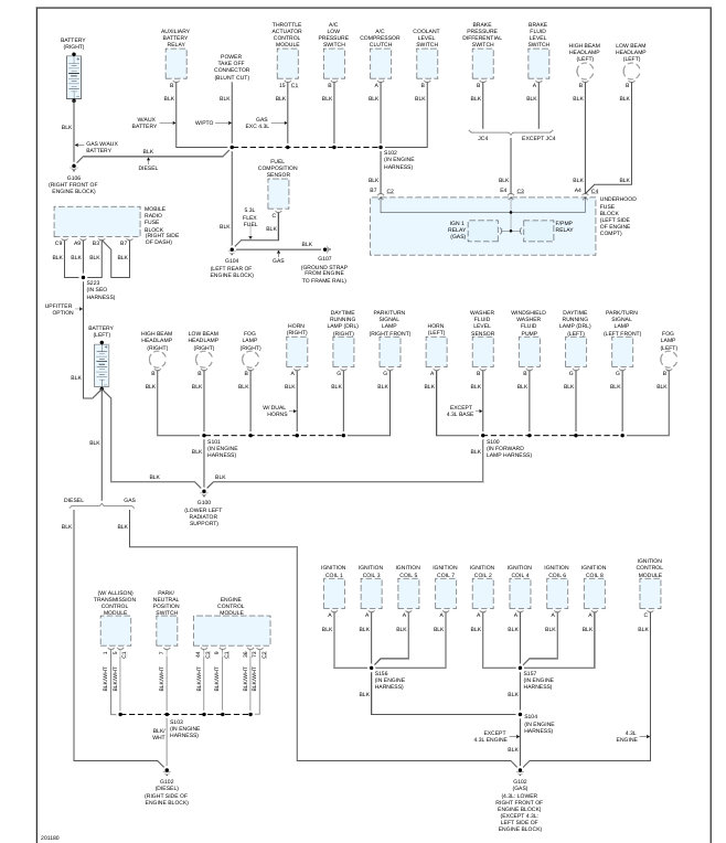
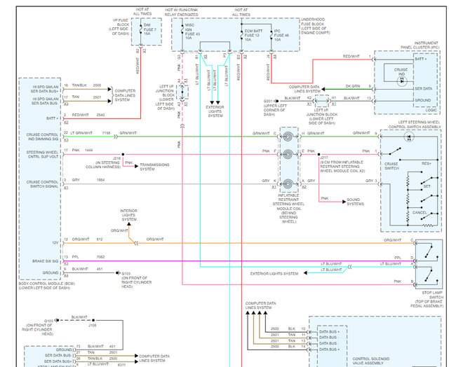
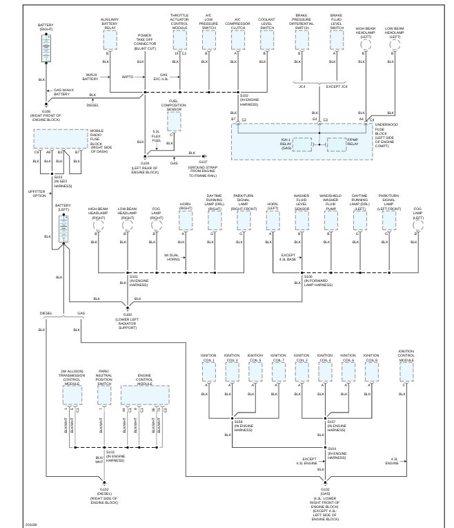
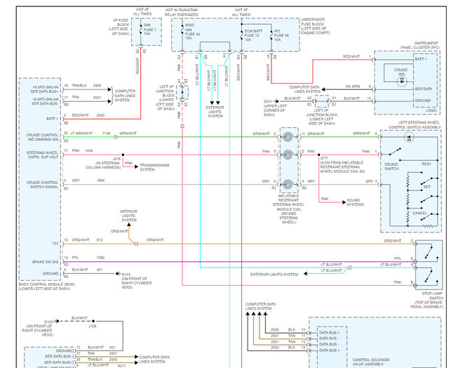
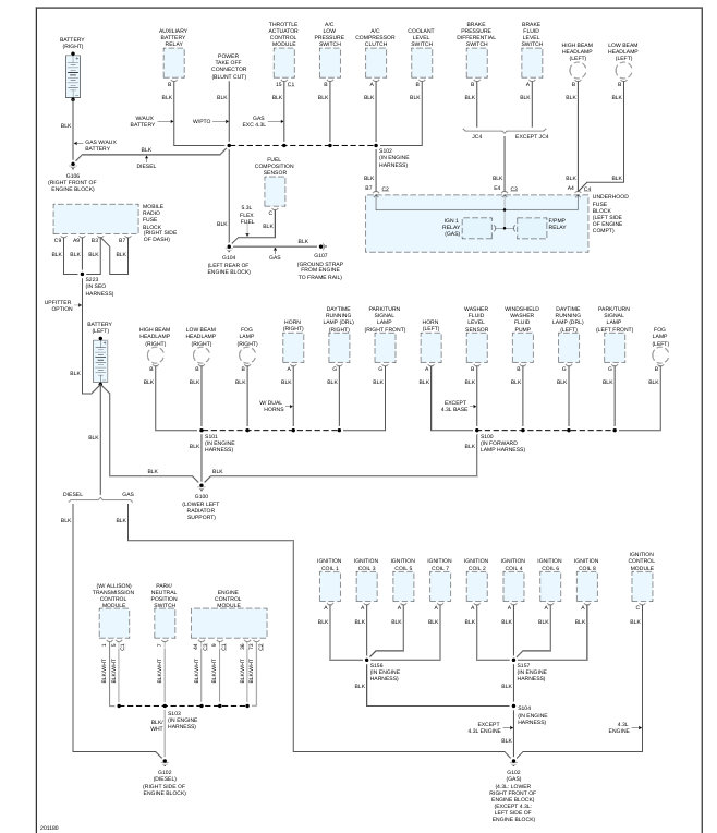
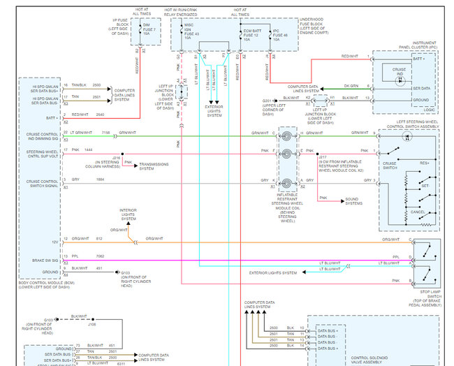
I would start by making sure the brake light work and then check the fuse this guide can help with the fuse locations in the diagrams below. ( DIM, MISC ENG, ECM BATT and IPC)

https://www.2carpros.com/articles/how-to-check-a-car-fuse

Check out the diagrams (Below). Please let us know what you find. We are interested to see what it is.
Was this
answer
helpful?
Yes
No
+1
Wednesday, March 13th, 2019 AT 9:57 PM
Tiny
2CP-ARCHIVES
  • MEMBER
  • 4,540 POSTS
  • 2009 CHEVROLET SILVERADO
  • 51,000 MILES
Sometimes cruise control works, a lot of times it doesn't. What could be wrong with the cruise control?
Was this
answer
helpful?
Yes
No
+5
Wednesday, May 5th, 2021 AT 1:35 PM (Merged)
Tiny
JDL
  • MECHANIC
  • 16,098 POSTS
There are 5 fuses ( IPC, ECM BATT, MISC ENG and DIM) that run the system here is a guide to help check them and the cruise control wiring diagrams so you can see how the system works.

https://www.2carpros.com/articles/how-to-check-a-car-fuse

Check out the diagrams (Below). Let us know what happens and please upload pictures or videos of the problem.
Was this
answer
helpful?
Yes
No
-2
Wednesday, May 5th, 2021 AT 1:35 PM (Merged)
Tiny
CHEV6.0
  • MEMBER
  • 1 POST
  • 2009 CHEVROLET SILVERADO
  • 152,000 MILES
Cruise control stop working, check 2 codes P0700 & P182e need to get fix. What is the problem, an how much will it cost me.
Was this
answer
helpful?
Yes
No
Wednesday, May 5th, 2021 AT 1:35 PM (Merged)
Tiny
ASEMASTER6371
  • MECHANIC
  • 52,796 POSTS
DTC P0700

Diagnostic Instructions

Perform theDiagnostic System Check - Vehicle (See: Testing and Inspection Initial Inspection and Diagnostic Overview) prior to using this diagnostic procedure.
ReviewStrategy Based Diagnosis (See: Testing and Inspection Initial Inspection and Diagnostic Overview) for an overview of the diagnostic approach.
Diagnostic Procedure Instructions (See: Testing and Inspection Initial Inspection and Diagnostic Overview) provides an overview of each diagnostic category.

DTC Descriptor
DTC P0700

Transmission Control Module (TCM) Requested MIL Illumination

Circuit/System Description

The transmission control module (TCM) uses the (GMLAN) to signal the engine control module (ECM) that the TCM is requesting malfunction indicator lamp (MIL) illumination. This happens when the TCM has determined that a failure affecting emissions has occurred in transmission control system. When the ECM receives the a message from the TCM, DTC P0700 will set.

Conditions for Running the DTC

DTC P182A, P182C-P182F, or P1915

Diagnostic Instructions

Perform theDiagnostic System Check - Vehicle (See: Testing and Inspection Initial Inspection and Diagnostic Overview) prior to using this diagnostic procedure.
ReviewStrategy Based Diagnosis (See: Testing and Inspection Initial Inspection and Diagnostic Overview) for an overview of the diagnostic approach.
Diagnostic Procedure Instructions (See: Testing and Inspection Initial Inspection and Diagnostic Overview)provides an overview of each diagnostic category.

DTC Descriptor
DTC P182A

Internal Mode Switch A Circuit Low Voltage

DTC P182C

Internal Mode Switch B Circuit High Voltage

DTC P182D

Internal Mode Switch P Circuit Low Voltage

DTC P182E

Internal Mode Switch - Invalid Range

once you have the diag completed and the failed part determined then and only then can an estimate be given. A code never identifies a bad part, just a failed system

Roy
Was this
answer
helpful?
Yes
No
Wednesday, May 5th, 2021 AT 1:35 PM (Merged)
Tiny
ANON2
  • MEMBER
  • 3 POSTS
Got these codes (P0700 AND P0182E) on my brand new 2015 Silverado LTZ.
Diagnosis: "Trans shift cable out of adjustment".
They adjusted the shift cable linkage. Nothing replaced.
Was this
answer
helpful?
Yes
No
+3
Wednesday, May 5th, 2021 AT 1:36 PM (Merged)
Tiny
TIM DAVIS4
  • MEMBER
  • 15 POSTS
  • 2005 CHEVROLET SILVERADO
  • 5.3L
  • V8
  • 2WD
  • AUTOMATIC
  • 110,000 MILES
I recently changed to all LED lights which is the only thing i've done. But my truck (listed above) crew LT cruise control just stopped working while it was engaged going down the road. I've pulled every fuse in the under hood block and checked them as well as every fuse on the inside panel and checked them. None of them are blown.
I was told that it probably was the brake switch under the dash that was bad so I have ordered one of them to replace it with. I just want to make sure I am not missing something else somewhere.
Thanks for your input and help. I know i'm going to replace that switch because I have already bought it and I know from many forums people say they go bad all the time. I just don't understand, and wonder if the LED's might have caused the switch to go bad because it already was on its way out.
Was this
answer
helpful?
Yes
No
Wednesday, May 5th, 2021 AT 1:36 PM (Merged)
Tiny
KEN L
  • MASTER CERTIFIED MECHANIC
  • 55,322 POSTS
Hello,

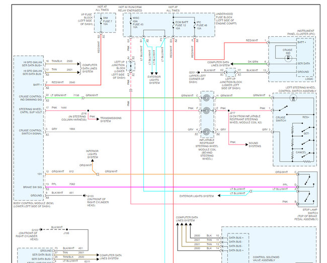
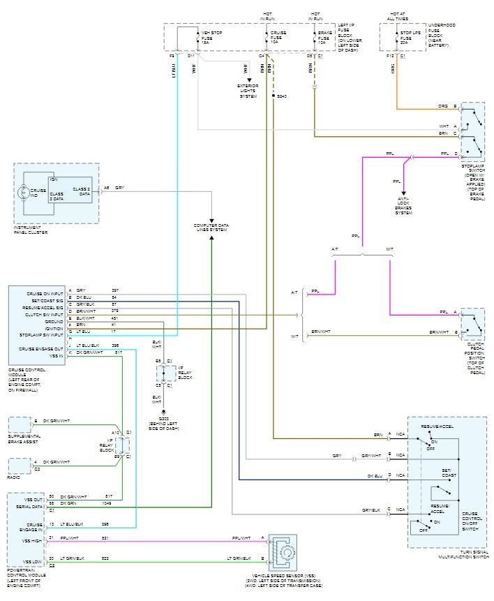
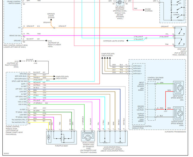
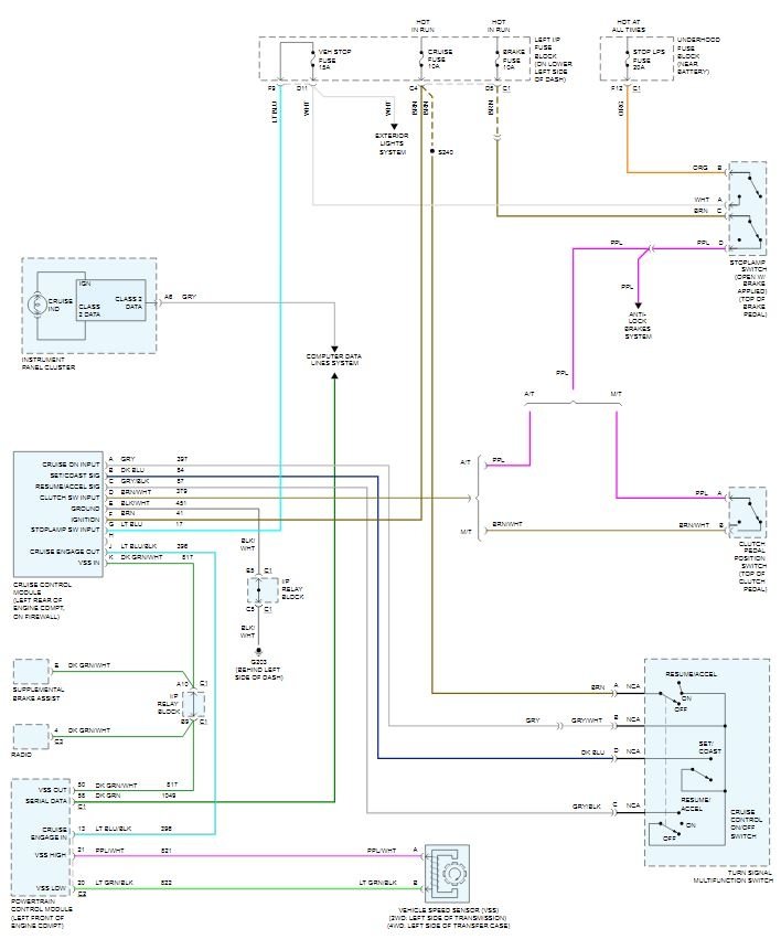
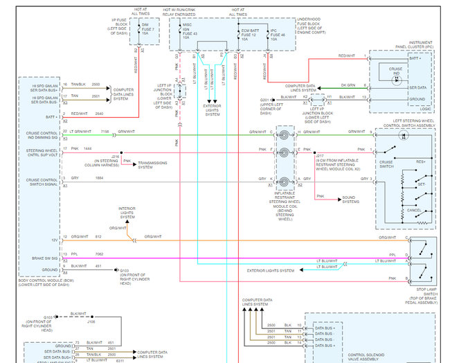
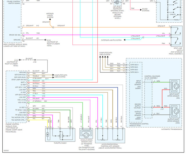
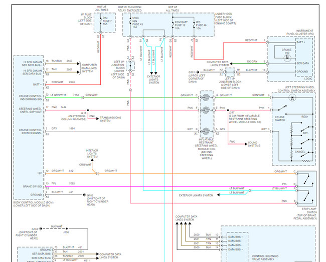
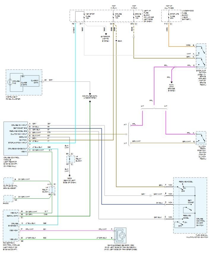
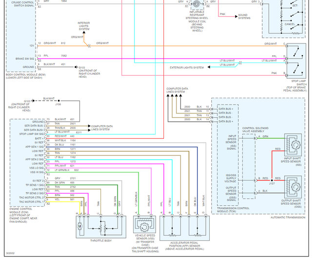
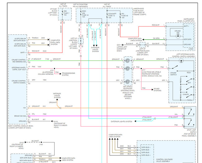
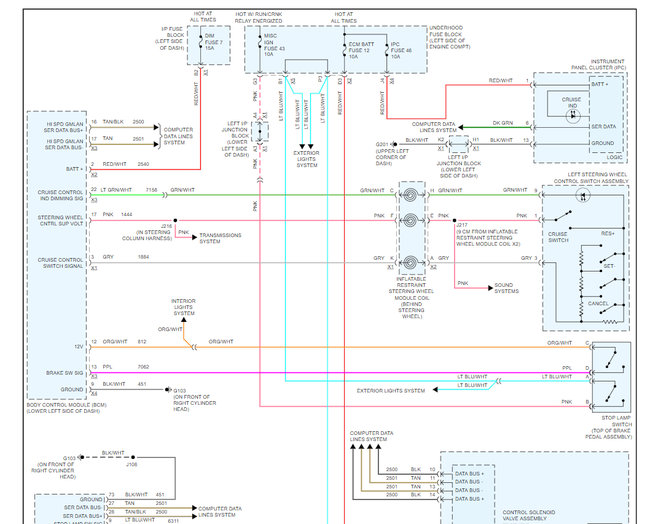
The switch may cause it. but can I ask if the brake lights are working? If they are the switch is probably okay. What happens on these is the clock spring behind the steering wheel goes out. but to be sure here is a guide to help check the wiring connection and a cruise control wiring diagram so you can see how it works:

https://www.2carpros.com/articles/how-to-check-wiring

Check out the diagrams (below). Please let us know what you find. We are interested to see what it is.
Was this
answer
helpful?
Yes
No
Wednesday, May 5th, 2021 AT 1:36 PM (Merged)
Tiny
TIM DAVIS4
  • MEMBER
  • 15 POSTS
Thanks, Ken.
An update to this issue is while driving earlier today I was able to activate cruise but it wouldn't stay on when a bump in the road hit. I don't know if it's the clock spring or brake pedal as both shook. I know when I pulled the pedal up the last time as I mentioned it worked until I released it. My brake lights work fine but the pedal does make a squeaking sound when pressed and released so if nothing else the brake switch was only $20.00 on Amazon and it's an AC Delco part, not aftermarket Dorman or the like. So i'm going to change it anyway just so I have an excuse to have that pedal area greased/oiled and try that. I hope it's not the switch on the steering wheel as I know that is quite an extensive task to replace, at a nice price at a dealership or repair shop anywhere. I was just wanting to make sure I wasn't missing anything fuse wise or something else I might have overlooked.
Thanks again. I'll let you know after the brake switch is replaced whether that got it or not.
Tim
Was this
answer
helpful?
Yes
No
Wednesday, May 5th, 2021 AT 1:36 PM (Merged)
Tiny
KEN L
  • MASTER CERTIFIED MECHANIC
  • 55,322 POSTS
Please let us know what happens.
Was this
answer
helpful?
Yes
No
Wednesday, May 5th, 2021 AT 1:36 PM (Merged)
Tiny
TIM DAVIS4
  • MEMBER
  • 15 POSTS
  • 2005 CHEVROLET SILVERADO
  • 5.3L
  • V8
  • 2WD
  • AUTOMATIC
  • 120,000 MILES
Basically, when i'm driving, cruise is set it works fine. But if I push the button to let down or raise my windows, any of the 4, it doesn't matter the cruise control will shut itself off. It just started doing this for some reason. It's as if it's getting low voltage with the windows activated but from a test of the alternator it's putting out correctly (about 14.2v) and the battery is good.
Any ideas?
Was this
answer
helpful?
Yes
No
Wednesday, May 5th, 2021 AT 1:36 PM (Merged)
Tiny
TOUGHDIVER
  • MECHANIC
  • 224 POSTS
Hi,

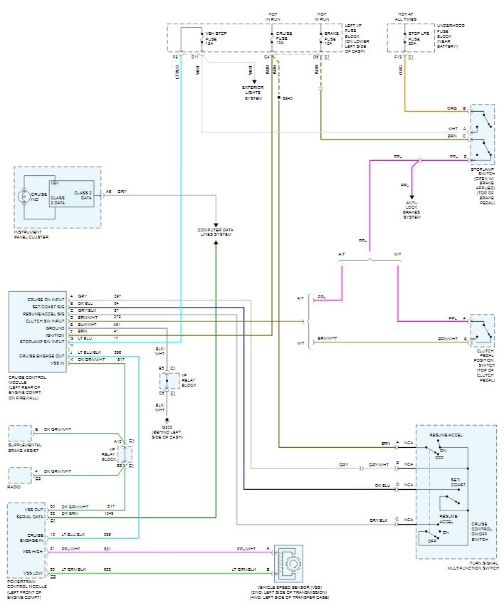
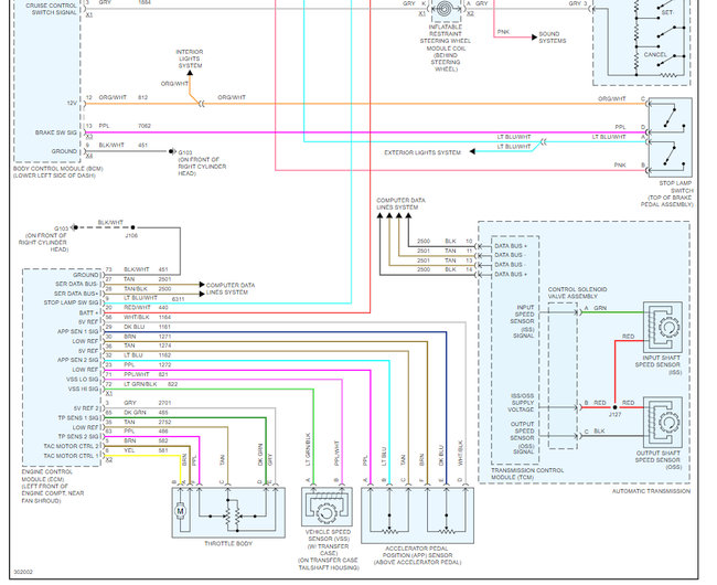
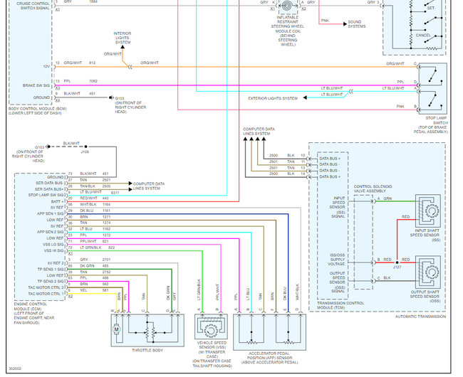
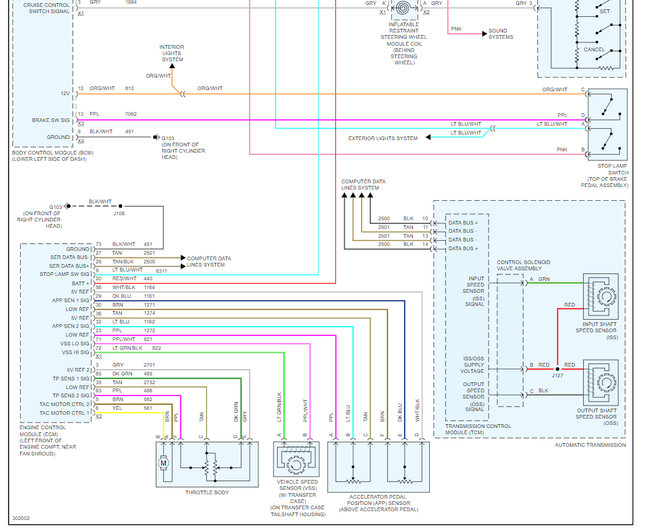
Tim the vehicle might have a grounding problem. This can also cause a voltage drop and stop the cruise control. Pay special attention to the grounds under the hood right front of engine block, left rear of engine usually on the back of the cylinder head to the body and from the engine to the frame. (Check the High Mount brake lamp fuse) and all fuses this can cause a circuit to change grounds. I'm attaching repair guides and wiring diagram of the ground circuit. Let us know if this was helpful and please let us know what repaired the vehicle.

https://www.2carpros.com/articles/everything-goes-dead-when-engine-is-cranked

https://www.2carpros.com/articles/car-battery-load-test

https://www.2carpros.com/articles/how-to-check-wiring

Thank you
Joe T.
Was this
answer
helpful?
Yes
No
Wednesday, May 5th, 2021 AT 1:36 PM (Merged)
Tiny
TIM DAVIS4
  • MEMBER
  • 15 POSTS
Thanks, Joe T.

I checked the grounds and all of them were fine except one; the one at the brake switch itself, which, also needs replaced. The wire there was loose but connected so when the voltage change happens and the little delay time you get before the alternator kicks it back up was just enough to cause the switch ground to shut off cruise control as if I had pressed or touched the brake pedal itself. Since I already have to replace that switch due to squeaking and inability to adjust it correctly I will get two jobs done instead of just the one.
Thanks again. Find 1 issue and now I get "motivated" to actually fix the other. Lol
Tim D
Alabama
Was this
answer
helpful?
Yes
No
Wednesday, May 5th, 2021 AT 1:36 PM (Merged)
Tiny
TOUGHDIVER
  • MECHANIC
  • 224 POSTS
That's awesome Tim. Customers like you make our job gratifying. I really enjoyed working with you on this repair. We're always here to help. Thanks for choosing 2CarPros.

Joe T.
Was this
answer
helpful?
Yes
No
Wednesday, May 5th, 2021 AT 1:36 PM (Merged)
Tiny
COLTON THOMAS
  • MEMBER
  • 1 POST
  • 2005 CHEVROLET SILVERADO
  • 4.3L
  • V6
  • 2WD
  • AUTOMATIC
  • 219,592 MILES
I have the truck listed above 1500 4.3l lu3 v6 and the cruise control has not worked ever since I got it. The guy before me had a trailer brake booster and took it out. I have looked at all the wires to make sure that they are still in one piece. I've changed the fuses and relays and cruise control is still not working. I've gone to Google but it's not helping me at all.
Was this
answer
helpful?
Yes
No
Wednesday, May 5th, 2021 AT 1:36 PM (Merged)
Tiny
STEVE W.
  • MECHANIC
  • 15,679 POSTS
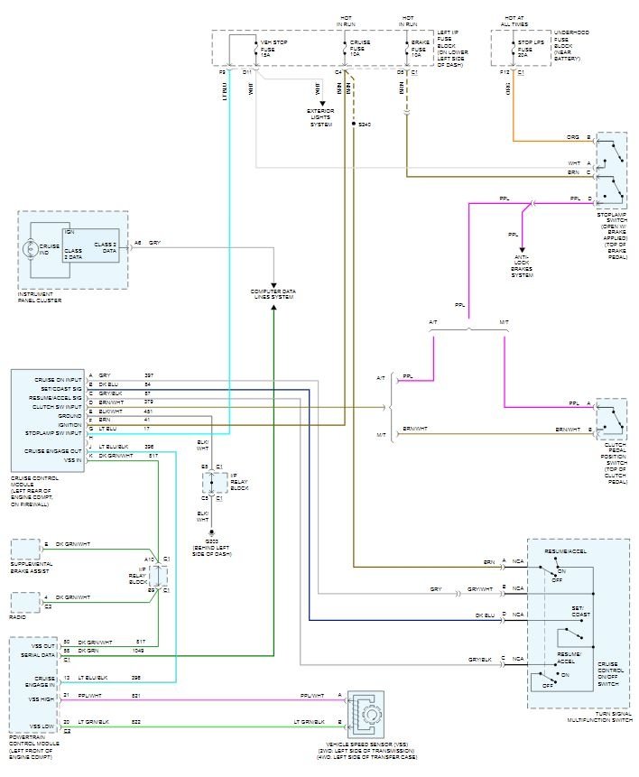
The previous owner may have tapped into the brake switch wiring on the wrong wire and it broke when removed, happens if they used the scotch loc type connectors. I would first test the fuses in the cruise to be sure they have power. For those connect a test light to a good ground and with the key on, check for battery voltage on the top points of the cruise fuse and the brake fuse in the fuse panel in the dash. Next go to the brake switch and find the Brown wire, with the key on there should be voltage on it. Then check the Purple wire for power, be sure the pedal is fully up.

If you have power at both of those the next thing would be to find the cruise module on the drivers side firewall under the hood. Unplug it and check the connector for corrosion or damaged pins, somewhat common for that and then for battery voltage on the Light Blue wire (G) while the brake pedal is pressed and the brake lights are on.
Then with the key on but pedal not pressed check for battery voltage on the Brown wire (F) and the Brown wire with white stripe (D)
If they all test OK then the next step would be to check that the ground is good, it is the Black wire with a White stripe (E), put the test light onto a battery feed and see if the ground makes it light.
If those all check out the cruise module is getting power and ground.
The next testing will test the cruise switch functions. Now connect the test light to a ground. Go to the plug on the module again and have someone move the switch as you test. Do each test and while doing them move the turn signal stalk into both left and right positions, just in case there is a broken wire.
Testing - First turn the cruise switch to on, Test for battery power on the Gray (may have a white stripe) wire (A). Now with that switch on have them select and hold the set button. Check for voltage on the Dark Blue wire (B) and lastly, do the same with the resume button, this time looking for voltage on the Gray wire with Black stripe. If they all test good the switch isn't the problem.
Next you need to know if the VSS is okay, if the speedometer is working that signal is good.

The last test requires a scan tool that can access the cruise control module. That is because you need to see if it is responding to the various signals. I'm betting that you have already found a bad power, ground or switch by this point so you may not need the scan tool. That would be a good thing.

If you haven't used a test light to test fuses or even to test voltages this may help. Any of the cheap incandescent units will work for this testing.

https://www.2carpros.com/articles/how-to-use-a-test-light-circuit-tester
Was this
answer
helpful?
Yes
No
+1
Wednesday, May 5th, 2021 AT 1:36 PM (Merged)
Tiny
CHRISTIANOLSON
  • MEMBER
  • 1 POST
  • 2004 CHEVROLET SILVERADO
  • 140,000 MILES
I have a 2004 chevy silverado 1500 4x4 with the 5.3 engine that is throwing a P1574 code and the cruise control quit working. I checked to make sure my brake lights work and they do. Any ideas what could be causing this (I checked the fuse for cruise also).
Was this
answer
helpful?
Yes
No
Wednesday, May 5th, 2021 AT 1:36 PM (Merged)
Tiny
ASEMASTER6371
  • MECHANIC
  • 52,796 POSTS
DTC P1574

CIRCUIT DESCRIPTION
This diagnostic test functions on the assumption that a sudden decrease in vehicle speed is caused by a brake pedal application. When the powertrain control module (PCM) detects that there is a 4.2 km/h (2.6 mph) or greater decrease in vehicle speed within 0.25 seconds and a transition of the torque converter clutch (TCC) brake switch without a transition of the stop lamp switch, the PCM sets DTC P1574.

CONDITIONS FOR RUNNING THE DTC

DTCs P0502, P0503, P0719, and P0724 are not set.
The engine speed is greater than 700 RPM.
The traction control system or the antilock brake system are not active and have not failed.
The vehicle speed is greater than 48 km/h (30 mph) in order to enable the diagnostic. The diagnostic will disable when the wheel speed is less than 16 km/h (10 mph).

CONDITIONS FOR SETTING THE DTC

The vehicle speed decreases by at least 4.2 km/h (2.6 mph) within 0.25 seconds.
The PCM detects a TCC brake transition.
The PCM does not detect a stop lamp switch transition.

ACTION TAKEN WHEN THE DTC SETS

The PCM sets the stop lamp switch status to released.
The PCM disables the operation of the cruise control system.

CONDITIONS FOR CLEARING THE DTC

A history DTC will clear after 40 malfunction free warm-up cycles.
The PCM receives a clear code command from the scan tool.
Was this
answer
helpful?
Yes
No
Wednesday, May 5th, 2021 AT 1:37 PM (Merged)
Tiny
DARRELL DAVIS2
  • MEMBER
  • 2 POSTS
  • 2004 CHEVROLET SILVERADO
  • 5.3L
  • V8
  • 4WD
  • AUTOMATIC
  • 200,000 MILES
Cruise control doesn’t even try to turn in much less set. I’ve checked every fuse under hood and dash. Brake lights work. Everything I’ve read to check is all good. The only thing I haven’t been able to find has to do with the Bose amplifier. I replaced the entire sound system including the head unit. I ran the power from a second battery I added with battery isolated. Then I removed the Bose amp. And extra wiring. Does the amp have something to do with the cruise or am I looking at a different issue?
Was this
answer
helpful?
Yes
No
Wednesday, May 5th, 2021 AT 1:37 PM (Merged)
Tiny
JACOBANDNICKOLAS
  • MECHANIC
  • 110,192 POSTS
Hi,

If you ran a separate battery, I don't see how that would affect this. Do me a favor. The cruise control fuse is located in the vehicle (under the dash). I need you to recheck it. In addition to just checking the fuse, confirm there is power to and from it.

Here is a link you may find helpful:

https://www.2carpros.com/articles/how-to-check-a-car-fuse

I attached a couple of pics below showing the fuse I'm referring to. Check that and let me know what you find.

Take care,
Joe
Was this
answer
helpful?
Yes
No
Wednesday, May 5th, 2021 AT 1:37 PM (Merged)

Please login or register to post a reply.