Cruise control not working?

Tiny
DARRELL DAVIS2
  • MEMBER
  • 2 POSTS
Yes, I have power on both sides even popped in a new fuse while after checking. Then checked again.
Was this
answer
helpful?
Yes
No
Wednesday, May 5th, 2021 AT 1:37 PM (Merged)
Tiny
JACOBANDNICKOLAS
  • MECHANIC
  • 110,192 POSTS
Okay, if power is getting to it, then it's time to start diagnosing. Here is the diagnostics related to an inoperative CC. The attached pics are the actual diagnostics. Take a look through them and let me know if you are comfortable following them.

_________________________

2004 Chevy Truck Silverado 1500 4WD V8-5.3L VIN T
Cruise Control - Inoperative/Malfunctioning
Vehicle Cruise Control Testing and Inspection Symptom Related Diagnostic Procedures Cruise Control - Inoperative/Malfunctioning
CRUISE CONTROL - INOPERATIVE/MALFUNCTIONING
CRUISE CONTROL INOPERATIVE/MALFUNCTIONING

DIAGNOSTIC AIDS
Perform the following in order to avoid a misdiagnosis:
- Inspect for proper operation of the brake lamps. Refer to Exterior Lighting Systems Description and Operation in Lighting Systems.
- Electromagnetic interference (EMI) on the vehicle speed sensor signal circuit may cause erratic cruise control operation.

CONDITIONS FOR ENABLING CRUISE CONTROL
- The vehicle speed is greater than 40 km/h (25 mph).
- The vehicle is not in PARK, REVERSE, NEUTRAL, or 1st gear.
- The system voltage is within 12-16 volts.

TEST DESCRIPTION

Steps 1-4

see pic 1

Steps 5-9

see pic 2

Steps 10-13

see pic 3

Steps 14-19

see pic 4

Steps 20-26

see pic 5

Steps 27-29

see pic 6

The numbers below refer to the step numbers on the diagnostic table.
8. This step tests the center high mounted stop lamp (CHMSL) supply voltage/stop lamp supply voltage circuit for an open or for a high resistance between the stop lamp switch and the throttle actuator control (TAC) module.
9. This step tests the cruise control set/coast switch signal circuit for an open or for a high resistance.
10. This step tests the cruise control resume/accel switch signal circuit for an open or for a high resistance.
11. This step tests the ignition 3 voltage circuit for an open, for a short to ground, or for a high resistance.
29. DTCs will set in the powertrain control module (PCM) when you perform this table.

_________________

Let me know if this helps.

Joe
Was this
answer
helpful?
Yes
No
Wednesday, May 5th, 2021 AT 1:37 PM (Merged)
Tiny
ULTRAMAGMAN1
  • MEMBER
  • 1 POST
  • 2004 CHEVROLET SILVERADO
  • V8
  • 4WD
  • AUTOMATIC
  • 91,000 MILES
My cruise control recently stopped working after I washed the engine and I dont know if a plug got wet or the switch went out and if I got a plug wet were would it be located. Also when I push the button the light in the gauge cluster flashes but it wont stay on.
Was this
answer
helpful?
Yes
No
Wednesday, May 5th, 2021 AT 1:37 PM (Merged)
Tiny
WALTERGWYN
  • MEMBER
  • 1 POST
My cruise control (CC) worked sporadically after I installed my LED tail lights. I replaced the turn signal/CC assembly, replaced the stop light brake switch, and Light control module signal flasher (LM487). None of those worked. I finally read on this site to check the 3rd stop light bulbs (cargo stop light). That was the right answer. Both bulbs were burned out and then replaced. The CC began working as the result. Thanks.
Was this
answer
helpful?
Yes
No
+1
Wednesday, May 5th, 2021 AT 1:37 PM (Merged)
Tiny
BWIGGAND
  • MEMBER
  • 1 POST
  • 2003 CHEVROLET SILVERADO
  • 71,000 MILES
Installed led brakkelights high mount and taillights and now cruise dosent work at all no indicator or function at all some told me just coinsidence all fuses I could identify for cruise appear good and all brakelights turn and backups work fine
Was this
answer
helpful?
Yes
No
Wednesday, May 5th, 2021 AT 1:37 PM (Merged)
Tiny
CARADIODOC
  • MECHANIC
  • 34,468 POSTS
Part of the cruise control circuitry is grounded through the brake light bulbs. When 12 volts appears on that circuit from pressing the brake pedal is when it kicks out. You removed that ground when you removed the bulbs. You can prove that by putting the bulbs back in. You'll have to figure out a way to wire in the old bulbs and hide them if you want the cruise to work.
Was this
answer
helpful?
Yes
No
+2
Wednesday, May 5th, 2021 AT 1:37 PM (Merged)
Tiny
CUJOMO
  • MEMBER
  • 1 POST
  • 2003 CHEVROLET SILVERADO
  • V8
  • 2WD
  • AUTOMATIC
  • 48,000 MILES
Cruise control stopped working. I was highway driving and turned the switch to on. I pushed the button to set the speed. I noticed the indicator light on the dashboard lit momentarily and then went out. The cruise doesn't work. I replaced the fuse in the fuse block left driver side of the dashboard. That didn't fix it. An inspection of the old fuse showed it not to be blown. Where do I go from here to troubleshoot the problem?
Was this
answer
helpful?
Yes
No
Wednesday, May 5th, 2021 AT 1:38 PM (Merged)
Tiny
JDL
  • MECHANIC
  • 16,098 POSTS
Hello,

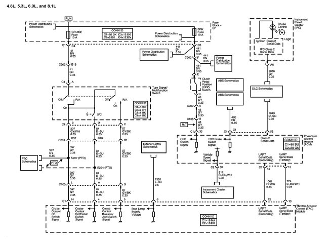
There are 4 fuses that run the system that needs to be checks here is a guide to help you with the fuse location and cruise control wiring diagrams below so you can see how the system works and which fuses to check.

https://www.2carpros.com/articles/how-to-check-a-car-fuse

Check out the diagrams (Below). Please let us know what you find.
Was this
answer
helpful?
Yes
No
+6
Wednesday, May 5th, 2021 AT 1:38 PM (Merged)
Tiny
BROWNN
  • MEMBER
  • 1 POST
I had this problem and used the guide to find out my brake light switch was bad, I got a new one $34.00 all good now
Was this
answer
helpful?
Yes
No
+1
Wednesday, May 5th, 2021 AT 1:38 PM (Merged)
Tiny
DARRELL ALAN SOSS
  • MEMBER
  • 1 POST
  • 2002 CHEVROLET SILVERADO
  • 5.3L
  • V8
  • 2WD
  • AUTOMATIC
  • 160,000 MILES
When I turn on the cruise control and attempt to set it, the cruise light indicator comes on and then turns off when released. I recently connected a trailer brake controller and connected it to the white wire on the brake pedal switch. Trailer brakes work fine.
Was this
answer
helpful?
Yes
No
Wednesday, May 5th, 2021 AT 1:38 PM (Merged)
Tiny
KEN L
  • MASTER CERTIFIED MECHANIC
  • 55,322 POSTS
Hello,

The trailer brake could back feeding voltage into the throttle actuator controller which will not allow the cruise to work because it thinks you are on the brakes. Here is a wiring diagrams so you can see what I am talking about.

Remove the wire and recheck please. Check out the diagrams (below). Please let us know what happens.

Cheers, Ken
Was this
answer
helpful?
Yes
No
Wednesday, May 5th, 2021 AT 1:38 PM (Merged)
Tiny
PRINCESSTRUCKER
  • MEMBER
  • 1 POST
  • 2000 CHEVROLET SILVERADO
  • 4.8L
  • V8
  • 2WD
  • AUTOMATIC
  • 250,000 MILES
Truck listed above is the base model 1500. He's not fancy but he's paid off and normally runs like a champ. Everything worked normally except I had no heat and smelled coolant. I had the heater core replaced. Yeah! I have heat. Bad news I learn a few weeks later my cruise control doesn't work. I do a lot of in town driving so cruise isn't necessary. Well I hit the interstate, flipped the switch, pushed the button and nothing. No light, no cruise. Is there something I can check?
Was this
answer
helpful?
Yes
No
Wednesday, May 5th, 2021 AT 1:38 PM (Merged)
Tiny
DANNY L
  • MECHANIC
  • 5,648 POSTS
Hello, I'm Danny.

The first thing I would check is the cruise control module. It's located on the left side of the firewall under hood. I've attached a picture below of its location and description. Hope this helps and thanks for using 2CarPros.
Was this
answer
helpful?
Yes
No
Wednesday, May 5th, 2021 AT 1:38 PM (Merged)
Tiny
IBHOMELESS
  • MEMBER
  • 5 POSTS
  • 1999 CHEVROLET SILVERADO
  • 5.8L
  • V8
  • 4WD
  • AUTOMATIC
  • 150,000 MILES
A little background. This truck is a one owner and has been maintained very well by me. No rust, very good condition overall and garage kept until about five years ago.

The problem, sorry but this will be a bit lengthy but the following information is relevant.

Back a couple months ago, I went to the garage to get the truck and run some errands. I was puzzled when I opened the door to the garage and heard the radio playing. I thought "oh great the battery will be dead).

I started the truck and backed out of the garage and turned the key to the off position. The truck was still running and the headlights were still on. To make a long story short, I chased wires and voltage for a couple hours. I also pulled the power center and looked for corrosion underneath which is pretty common. I saw no problems and re installed it.

I "pecked" around with a screwdriver handle in the power center and could make it malfunction so I pulled all the relays and reseated them and the problem went away. Not sure if it would return or not but so far it has not.

About two weeks ago, I noticed my cruise control no longer worked. I hoped it was a fuse but it was not. I kept driving it until I had time to work on it. Last week I happened to be at the rear of the truck while it was idling and I noticed the hi mount brake light was on but dim.

A couple years back, I replaced the stock hi mount unit with an after market LED unit which has been working fine.

I worked on it today and the following is what I have found.

The hi mount brake light is on but dim (sometimes flickers a little but mainly lit about half of normal) anytime the key is on. It doesn't matter if the headlights are on or not.

All three brake lights work as they should
I am assuming the cruise not working is because of this issue. I hope.

I have replaced the brake light switch.
I also replaced the entire power center under the hood with a brand new OEM unit ordered from GM. (It came with all fused and relays installed so everything there is new).

I did this just to eliminate that as a possible issue (and the problem with it not turning off a couple months ago).

I also unplugged the trailer harness under the dash in case it was a problem with the wiring but it was not.

It was suggested that I look at the multi function switch next but I am not sure the hi mount stop light runs through it or not.

My next step is to chase and clean all the engine bay grounds and remove the hi mount light and take a look.

It could be a defective hi mount light assy but there should be no power to the unit unless I push the brake pedal or light up the cargo lights. Somehow there is some voltage feedback getting to the lamp between the brake switch and the hi mount stop light.

It has been a real head scratcher so I am hoping to get some guidance here.

Thanks in advance for any assistance.
Dan
Was this
answer
helpful?
Yes
No
Wednesday, May 5th, 2021 AT 1:39 PM (Merged)
Tiny
CARADIODOC
  • MECHANIC
  • 34,468 POSTS
Why would the high-mount brake light turn on with the cargo light? Is there another light built into the assembly besides the red brake light? This gets a little tricky when working with LED lights. Regular bulbs vary in brightness according to how much voltage is applied. LED's basically turn on when a very specific voltage is reached, then only get slightly brighter as the voltage increases. Even that is a bit of a generalization, but it boils down to the symptoms and observations will be different than with regular bubs.

To add to the confusion, there has to be some circuitry inside the LED assembly, and there is no way to predict what you will see with low voltage. You may want to consider reinstalling the original assembly while this is being diagnosed.

The less-than-full-brightness observation suggests the voltage applied is too low, and the way that happens is when the current is also going through some other load. That occurs when the current going through, lets say the cargo lamp, cannot find its path to ground, but it finds an alternate path doubling back through the red part of assembly, then over to the rear brake lights, then to ground there. If you had all incandescent bulbs, all of them would be lit up very dimly, and possibly even too dim to see in a well-lit shop.

Another approach is to disassemble the high-mount light enough or get to a connector where you can measure the voltages. Tell me what you find on the supply wire, the ground wire, and the second supply wire if you have one. Also, observe what has to be turned on for those voltage to be there, and do they change when the brake pedal is pressed. You may also want to measure the voltages on the rear brake light bulbs. They can falsely appear to be full brightness when in fact a poor ground connection is limiting the amount of current flowing through them.
Was this
answer
helpful?
Yes
No
Wednesday, May 5th, 2021 AT 1:39 PM (Merged)
Tiny
IBHOMELESS
  • MEMBER
  • 5 POSTS
Thank you for your reply

The cargo light does not affect this issue. I mentioned that along with brake light voltage when the brakes are applied, or the cargo light is on would be the only time voltage should be present on that light.

If the ignition switch is on, the led's do light up dimly. I do understand there could be some issues with feedback through the LED assembly, but there should not be any voltage there for the lights to light up when the key is on.

I no longer have the OEM light as it was deformed and was allowing water to leak inside the cab. I chose the LED due to the high cost of another GM OEM replacement.

Even when they are lit dimly, when the brake is on, the lights get full bright as they should.
I will check all the items you suggested and get back to you with the results.
Was this
answer
helpful?
Yes
No
Wednesday, May 5th, 2021 AT 1:39 PM (Merged)
Tiny
IBHOMELESS
  • MEMBER
  • 5 POSTS
Update:

I removed the hi mount light and tested the voltage to the brake light. The blue wire (which is the one that supplies twelve volts when the brake is pressed) has a constant four volts DC on it when the key is on. I broke the connection to the light assembly to eliminate it and with no load, it still has four volts on it. When the brake is applied, it goes to twelve volts. I need to find out where this stray four volts is coming from.

I am attaching a diagram to illustrate. Since I severed the wire at the light, the only other connection is from/to the cruise control. I have that diagram but they are from different sites and I am not sure where the blue wire comes in yet.

By the way, the cruise worked this afternoon.

More as I find it :)
Was this
answer
helpful?
Yes
No
+1
Wednesday, May 5th, 2021 AT 1:39 PM (Merged)
Tiny
IBHOMELESS
  • MEMBER
  • 5 POSTS
Update #2:

I started looking for the four volt bleed and started with the VECHMSL fuse and the TRCHMSL fuse. Here is what I found with my testing.

With the key off, there is no voltage across either fuse, normal.
With the key on there is the four volts I also found at the high mount light.

I then activated the brake pedal with a bar and then re checked the fuses mentioned above. They now have twelve volts on them and the brake lights are on full bright.

I unplugged the new brake light switch but it did not change anything.

Looking at the diagram, it appears my next step would be the hi mount relay (CHMSL). It was getting dark and I was not able to locate it yet.

Got to be there or possibly the multi-function switch?

Anyway, I think I am getting close, hopefully.
Was this
answer
helpful?
Yes
No
Wednesday, May 5th, 2021 AT 1:39 PM (Merged)
Tiny
CARADIODOC
  • MECHANIC
  • 34,468 POSTS
Without contacting a GM trainer, I think I know what's going on, and I have a solution. If you had the original assembly in there, with its incandescent bulbs, you would not see a problem. I am pretty sure the four volts is normal, thanks to the addition of all kinds of computer circuitry. (This goes back to when I used to install aftermarket cruise control systems in the 1980s). Four volts is being applied to the circuit, then the current flow is monitored to test the bulbs. Actually, the computer is using the bulb circuit as a ground circuit. Applying 12 volts to it removes the ground and is the first backup strategy in cancelling the cruise control operation.

At the same time, the cruise control system gets at least part of its power source from the same circuit that feeds the brake light switch. That is done because it needs to cut the cruise control operation when the brake pedal is tapped. If the brake light fuse is blown, there would never be 12 volts on that line, and no "cancel" signal for the cruise control. You'd keep flying down the highway. When that fuse is blown, the cruise control won't work, so there's no danger from not getting the cancel signal.

If I'm right, the four volts will be gone when the ignition switch is off. The way I would solve this is to take that light blue wire with the four volts, cut it, and connect the two ends to the contacts of a relay. Also attach the end with the four volts to one of the relay's coil terminals. Ground the other coil terminal. Four volts is not enough to turn the relay on, so the brake light will be fully-off. The relay will turn on when it gets the full 12 volts, and that will switch on the light. I can draw a diagram if necessary.

Be aware that if you use a common relay with five terminals, (one isn't used), there is a damping diode across the coil to kill the voltage spikes it creates when it turns off. You must connect the 12 volt and ground terminals in the right order. If you use a square four-terminal GM relay, most of those use a damping resistor. Resistors don't have a polarity, so you can connect either coil terminal to ground and 12 volts.
Was this
answer
helpful?
Yes
No
Wednesday, May 5th, 2021 AT 1:39 PM (Merged)
Tiny
IBHOMELESS
  • MEMBER
  • 5 POSTS
Thanks

You are correct that the 4 volts is gone when the key is off.

What puzzles me is that these lights just started coming on dim as described. It has been a couple years that they have not with this LED light. Something has changed

I understand that 4 volts is not enough to see using the regular bulbs and I also understand what you are saying regarding the relay.

Everything you describe above make a lot of sense and it is new info for me. Thank you!

I guess my OCD will not let me give up *grin* If it started doing this right away when it was first installed, I wouldn't worry about it but since it is a new problem, it is hard to let it go.

Do you know where the hi mount relay is located? I saw somewhere that it was under the hood on the passenger side but that makes no sense

Thanks again, I really do appreciate all your input
Was this
answer
helpful?
Yes
No
Wednesday, May 5th, 2021 AT 1:39 PM (Merged)

Please login or register to post a reply.