Cranks but no spark after shutting off while driving

Tiny
DENNIS WRIGHT
  • MEMBER
  • 1993 SUBARU LEGACY
  • 2.2L
  • 4 CYL
  • 4WD
  • MANUAL
  • 160,000 MILES
Car stopped in middle of road on way home. Would not re-start. Swapped out 1) coil pack, 2) igniter, 3) camshaft position sensor, and 4) crankshaft position sensor from my son's same model car that runs fine. No spark condition persists. We left his good parts in the non-working car while swapping additional parts. Also disconnected negative battery terminal for several minutes to allow car computers to reset but no spark condition remains. Battery is strong and easily turns over car engine. Fuel pump comes on when ignition is turned to "on".
When the parts were returned to my son's car, it started right up.
Any suggestions will be greatly appreciated.
Wednesday, September 25th, 2019 AT 7:58 PM

22 Replies

Tiny
EDUARDO PESANTE
  • MEMBER
  • 2 POSTS
I am going to suggest something that you said you tried but a little different way. Disconnect the positive and negative terminals on the battery. Touch the negative cable to the positive cable for like 5 seconds. Some computers will not reset by simply disconnecting the battery and require this procedure to reset the computer. I have run into this before on older cars. Do not touch the positive and negative terminals on the battery together just the 2 disconnected cables.
Was this
answer
helpful?
Yes
No
Wednesday, September 25th, 2019 AT 9:10 PM
Tiny
DENNIS WRIGHT
  • MEMBER
  • 4 POSTS
I appreciate the suggestion. I just tried disconnecting and touching the positive and negative battery cables for about 10 seconds and reconnected them to the battery. Still have a no spark condition.
Was this
answer
helpful?
Yes
No
Wednesday, September 25th, 2019 AT 10:07 PM
Tiny
HMAC300
  • MECHANIC
  • 113 POSTS
Check to see if you have a fuse for ECM under hood or inside car if it's blown replace that then scan for codes. this is an obd 1 car follow this link on how to get a code:
https://www.2carpros.com/articles/subaru-diagnostic-trouble-code-definitions-1987-1994-obd1-with-code-gathering. then check fuses for ignition fuse as well if blown replace it.
Was this
answer
helpful?
Yes
No
Thursday, September 26th, 2019 AT 3:43 PM
Tiny
94 TRANSAM
  • MECHANIC
  • 680 POSTS
Hi Dennis welcome to 2CarPros.

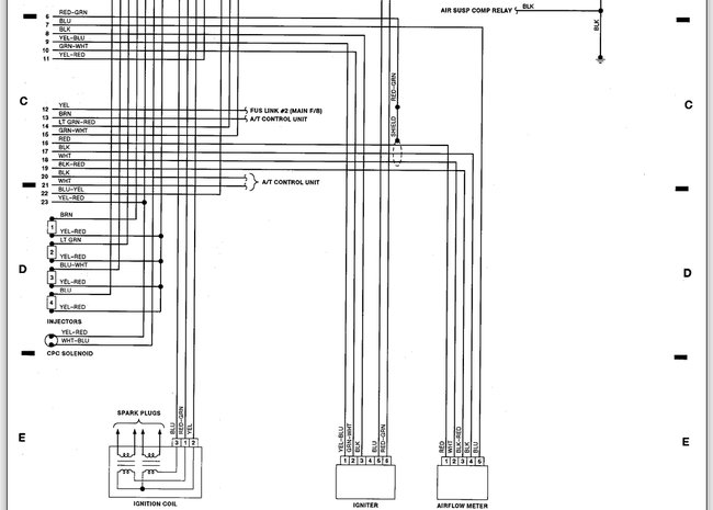
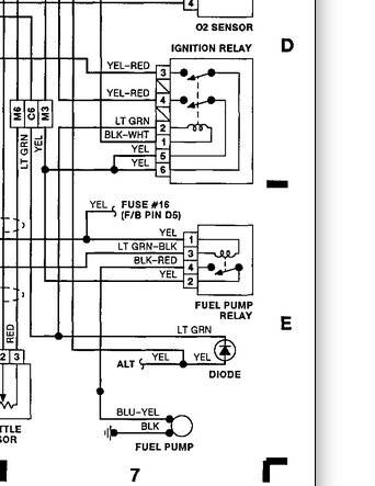
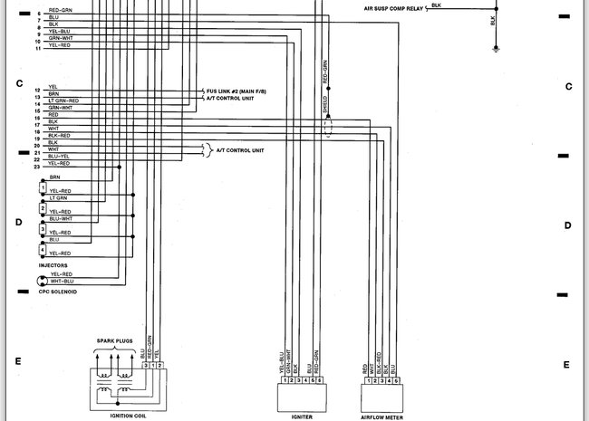
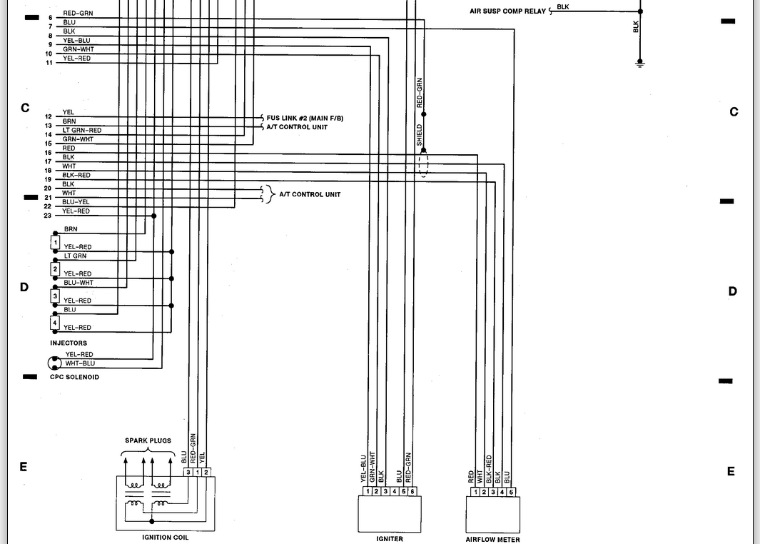
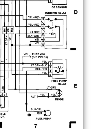
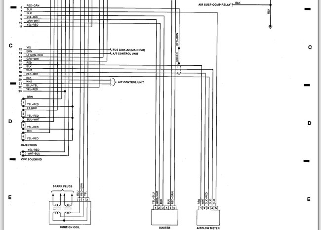
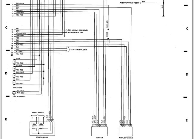
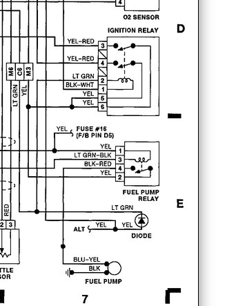
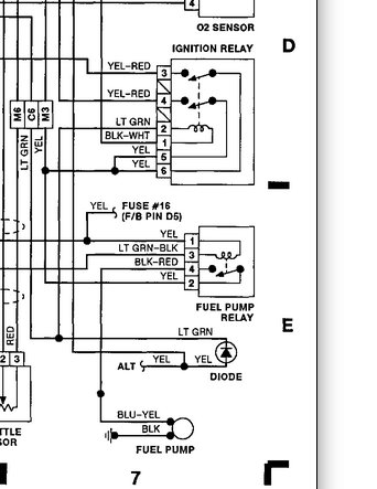
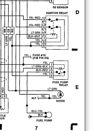
Here are some things to check. In addition to checking your fuses Your ignition coil runs through the ignition relay. Please see wiring diagrams below. The 4th diagram is the location of the relay.

It also looks like one leg of your coil goes through a diode in the alternator.

I would like you to turn the key to run and first test the 3 wires on the coil. One of them should have 12 volts on it. Once you have found the wire with 12 volts, crank it over and test the remaining 2 for a 12 volt pulse signal. You can do this with a multi-meter or a test light. The 3rd wire left should be the pulse signal to the computer.

Also please do check to see if you have any codes stored.

You may want to start with swapping the relay and see if it fires up to save some time.

Also here are a few guides that may help you out if you would like to give them a read:

https://www.2carpros.com/articles/car-cranks-but-wont-start
https://www.2carpros.com/articles/how-to-test-an-ignition-system
https://www.2carpros.com/articles/how-to-use-a-test-light-circuit-tester
https://www.2carpros.com/articles/how-to-use-a-voltmeter
https://www.2carpros.com/articles/how-to-check-wiring

Let us know what you find out.

Rich
Was this
answer
helpful?
Yes
No
Thursday, September 26th, 2019 AT 6:48 PM
Tiny
DENNIS WRIGHT
  • MEMBER
  • 4 POSTS
Thanks for your thoughtful and helpful response. I connected with a site called JustAnswer. Com and their mechanic suggested that the timing belt might be broken which has turned out to be the case. I sincerely appreciate your taking the time to consider the situation I posed and sharing your expertise with me.
Was this
answer
helpful?
Yes
No
Sunday, September 29th, 2019 AT 8:20 AM
Tiny
94 TRANSAM
  • MECHANIC
  • 680 POSTS
Glad you got it figured out. Take care, we are here if you need us.

Rich
Was this
answer
helpful?
Yes
No
Sunday, September 29th, 2019 AT 9:36 AM
Tiny
DON33
  • MEMBER
  • 11 POSTS
  • 1990 SUBARU LEGACY
  • 75,000 MILES
The car stays running when I shut off key and remove from ignition. Changed ignition switch. The dash lights stay on. Can also take ignition switch off and start with screw driver. Dont know please help
Was this
answer
helpful?
Yes
No
Sunday, September 29th, 2019 AT 11:02 AM (Merged)
Tiny
RASMATAZ
  • MECHANIC
  • 75,992 POSTS
Sounds like the main power feed to the ignition switch is shorted to a power source-disconnect the coil battery post terminal and see what happens
Was this
answer
helpful?
Yes
No
Sunday, September 29th, 2019 AT 11:02 AM (Merged)
Tiny
HEMIFREAK
  • MEMBER
  • 2 POSTS
  • 1991 SUBARU LEGACY
  • 4 CYL
  • 4WD
  • AUTOMATIC
  • 160,000 MILES
I have a '91 Subaru Legacy Wagon flat 4, auto, a/c, 4wd with 160K of which I have put 10k over the last couple years. It is RHD Postal off of a route. I sub on a VERY small route 20-25 days yearly and use this. It recently has developed a problem I'm puzzled on and so is everyone I've ask. It has to run approx. 4 1/2 hours pretty much non-stop on the route, after 2-2 1/2 it gets a slight miss which develops into a worse miss until it begins to sputter pop jump rev like in neutral under a strain then when you let off the gas it will sometimes begin to pull again or possibly grab and lunge. If you pull over and shut off the engine for 2-3 minutes then restart it will drive okay a few minutes and start again. Each time you shut off the engine and restart the duration until it pitches another fit is shorter. If you shut down for a 20-30 minute period it's back to normal. What's going on? Thanks!
Was this
answer
helpful?
Yes
No
Sunday, September 29th, 2019 AT 11:02 AM (Merged)
Tiny
HMAC300
  • MECHANIC
  • 48,601 POSTS
Check fuel pressure and run a scan on the engine. You may have a bad cranks or cam sensor. They can go bad draw to many ohoms, get hot and dontwork right. Also check fuel pressure it should be 36 psi. Your fuel pupm can get hot and not work right and give you low fuel pressure.
Was this
answer
helpful?
Yes
No
Sunday, September 29th, 2019 AT 11:02 AM (Merged)
Tiny
HEMIFREAK
  • MEMBER
  • 2 POSTS
I had suggested the fuel pump getting hot and was told that does not happen. I live in a small 1 horse town and that horse is lame and blind, no one can scan a 1991, I'm told the scanners available will only scan certain vehicles prior to 1997 (I think was the year), is there another way to tell about the crank or cam sensors?
Was this
answer
helpful?
Yes
No
Sunday, September 29th, 2019 AT 11:02 AM (Merged)
Tiny
HMAC300
  • MECHANIC
  • 48,601 POSTS
You would have to check resistance on those which unfortunately I dono have access to. You might seeif an auto parts store has one and check that and then check yours. Or you might check on the internet for similar problems on your vehicleas that might be there as far as a spec for resistance.
Was this
answer
helpful?
Yes
No
Sunday, September 29th, 2019 AT 11:02 AM (Merged)
Tiny
PALLMAN
  • MEMBER
  • 1 POST
  • 1992 SUBARU LEGACY
  • 4 CYL
  • 4WD
  • 180,000 MILES
Car will idle fine, but when put into gear it will sputter and die
Was this
answer
helpful?
Yes
No
Sunday, September 29th, 2019 AT 11:02 AM (Merged)
Tiny
SIXPACK SUBARU
  • MEMBER
  • 22 POSTS
I'm assuming it's an auto. :)
There are many possible causes for this fault. If the car is well serviced and maintained I would be looking at the ISC, (Idle speed controller). Try putting the aircon on at idle in Neutral, does the idle rpm drop? Does it stall? Also, try turning the steering while idling for a simmilar test of the ISC. If the car's idle drops during these tests.I would remove and clean the ISC.
Was this
answer
helpful?
Yes
No
Sunday, September 29th, 2019 AT 11:02 AM (Merged)
Tiny
FIXITMR
  • MECHANIC
  • 9,990 POSTS
Did you solve it?
Was this
answer
helpful?
Yes
No
Sunday, September 29th, 2019 AT 11:02 AM (Merged)
Tiny
TURBOTAIL
  • MEMBER
  • 30 POSTS
  • 1992 SUBARU LEGACY
  • 2.2L
  • 4 CYL
  • AWD
  • AUTOMATIC
  • 199,000 MILES
I just bought a Subaru 1992 199k Legacy. When it is at idle like at a light, it seems like the idle is just a little low. It acts like it wants to die. How do I tweak the idle up just a bit? Also, I found a receipt for 4 replacement struts. Why would someone replace all 4 at once? I don't know if they just wore out or if the car was involved in an accident, or? Be gentle.I know nothing about cars. Other than the low idle, it runs great. So far : )
Was this
answer
helpful?
Yes
No
Sunday, September 29th, 2019 AT 11:02 AM (Merged)
Tiny
WRENCHTECH
  • MECHANIC
  • 20,761 POSTS
The idle speed is entirely controlled by the computer and is not adjustable.

That being said, try this.

First eliminate all vacuum or air leaks in the system (very important)

. You may have a bad IAC ( idle air control) but try cleaning the throttle body first. Remove the intake snorkel, have someone hold the throttle wide open for you and scrub the back side of the throttle plate and surrounding bore with an old tooth brush and some carb cleaner. Be sure to spray some into the small holes next to the throttle plate. That should help stabilize the idle. If it still has a problem, replace the IAC.
Was this
answer
helpful?
Yes
No
Sunday, September 29th, 2019 AT 11:02 AM (Merged)
Tiny
RAYMO12743
  • MEMBER
  • 4 POSTS
  • 1991 SUBARU LEGACY
  • 4 CYL
  • AWD
  • AUTOMATIC
Power Indicator light flashed after engine shut off. What's wrong?
Was this
answer
helpful?
Yes
No
Sunday, September 29th, 2019 AT 11:03 AM (Merged)
Tiny
JACOBANDNICKOLAS
  • MECHANIC
  • 110,192 POSTS
It could be several things. What I recommend is that you have the computer scanned to see if there are any trouble codes. That will direct you to the problem area. Most parts stores will scan the computer for free, so at leat that won't be money out of pocket.
Was this
answer
helpful?
Yes
No
Sunday, September 29th, 2019 AT 11:03 AM (Merged)
Tiny
LIDIANNA
  • MEMBER
  • 1 POST
  • 1991 SUBARU LEGACY
  • 195,000 MILES
Feels like it is going to stall, shaking the whole car, like the engine is choking for either oxygen or gas. Had this same problem when it was cold last year, but the problem went away until now.
Was this
answer
helpful?
Yes
No
Sunday, September 29th, 2019 AT 11:03 AM (Merged)

Please login or register to post a reply.