Will not start the fuel pump was not getting power?

Tiny
JPEEZY2980
  • MEMBER
  • 2007 HONDA ACCORD
  • 2.4L
  • 4 CYL
  • 2WD
  • AUTOMATIC
  • 205,000 MILES
I have the car listed above LX model. Occasionally it was giving some issues starting like the fuel pump wasn't getting power replace the fuel pump vehicle still wouldn't start and went from starting occasionally to not starting at all. I thought it may possibly be the fuel pump relays replaced those, still no luck. Then realized that there was a blown ECU fuse under the hood replaced that realize the Green Key light was flashing on the dashboard. I had locksmith come out key is still programmed ignition reader is still reading the key when I plug a code reader into it it's not reading anything from the vehicle also only half of the fuse box underneath the hood seems to be showing the correct voltage.
Thursday, May 29th, 2025 AT 11:28 AM

77 Replies

Tiny
AL514
  • MECHANIC
  • 5,596 POSTS
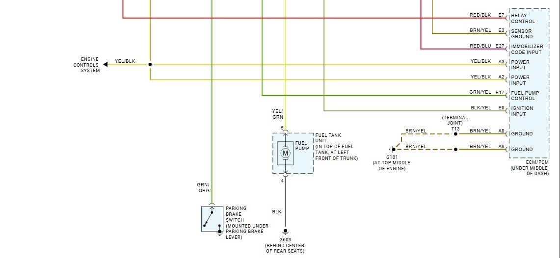
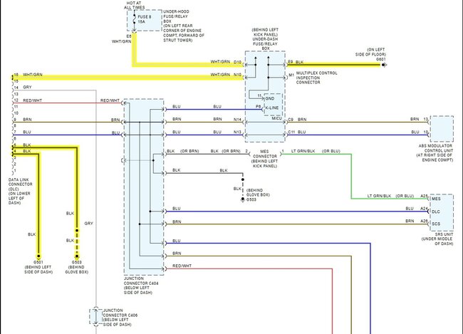
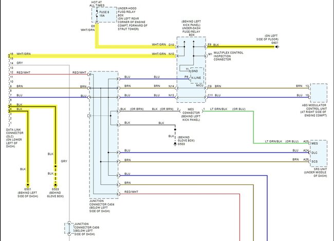
Hello, are you able to get a voltage reading at the fuel pump connector? And what sort of voltage readings are you getting in the fuse box? If you had low voltage or no voltage to the fuel pump, you probably still have the same issue if there was no resolution to that voltage problem. And with the scan tool, if there is no voltage on pin 16 of the data link connector the scan tool is not going to be able to read anything at all, and you won't even get it to read the vin # to begin with. So, pin 16 is B+ and pins 4 and 5 should be Grounds, Ill post some wiring diagrams for you to do some electrical checks at, and it would be good to have a test light along with a multimeter when checking for power.
Was this
answer
helpful?
Yes
No
Thursday, May 29th, 2025 AT 12:35 PM
Tiny
JPEEZY2980
  • MEMBER
  • 38 POSTS
Awaiting the images you said you would post so that I know I'm looking at the right things.
Was this
answer
helpful?
Yes
No
Thursday, May 29th, 2025 AT 1:28 PM
Tiny
AL514
  • MECHANIC
  • 5,596 POSTS
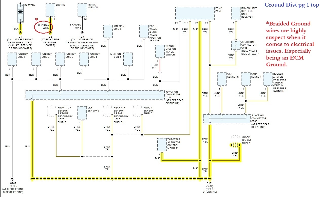
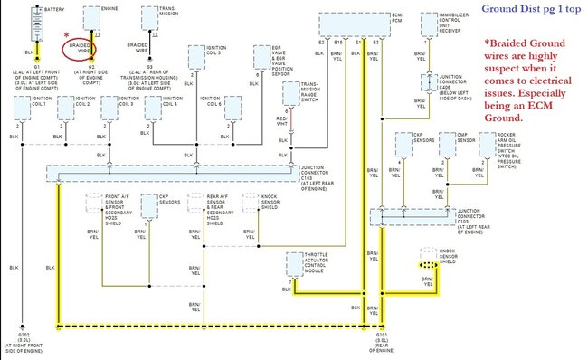
They're coming, I was just labelling some wires, fuse boxes and the relay feeding the fuel pump. With a couple of guides to help. Since you're dealing with electrical issues and the fuel pump is a pretty high current circuit, I would use a turn signal or head lamp bulb when checking for power across the two wires that feed the fuel pump's power and ground. You don't need to leave these higher amperage bulbs on the circuit for long, you just need to know that wire can carry enough current to power the pump. Load testing the circuit is important in this case, since it sounds intermittent. A corroded wire will sometimes carry current and other times it won't. I would go through and check all the ground wires that attach to the body or engine block as well. Even if they look okay, Grounds can be very tricky, looking all pretty, but not able to carry enough current.
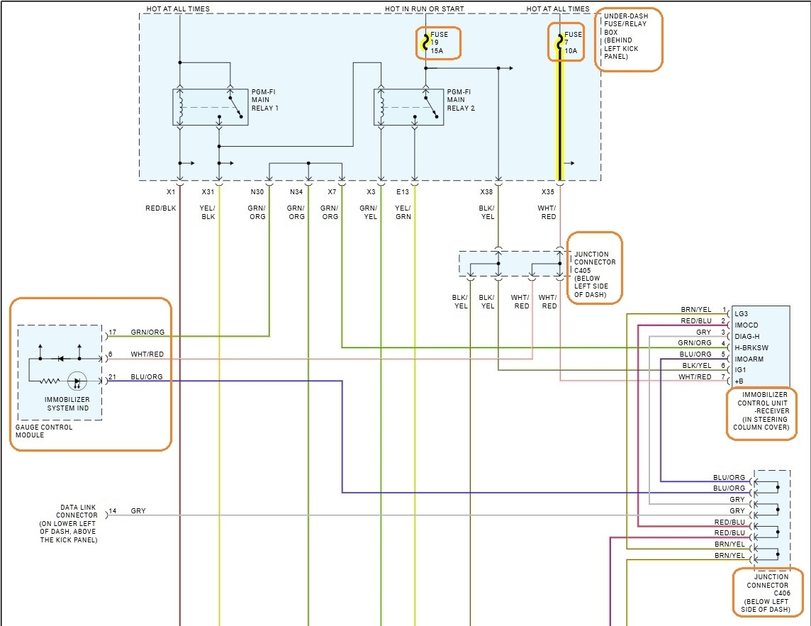
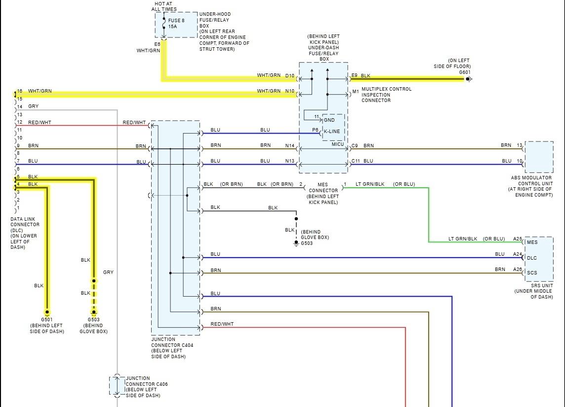
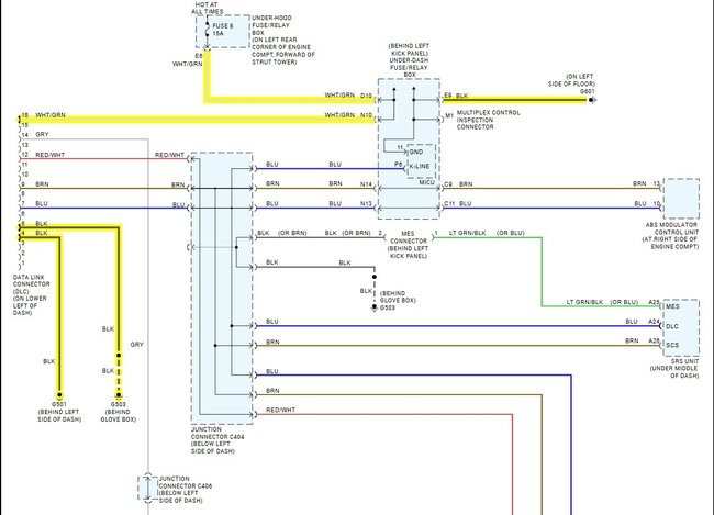
The first 3 diagrams are for the Data link connector power and grounds.

https://www.2carpros.com/articles/how-to-use-a-test-light-circuit-tester

https://www.2carpros.com/articles/how-to-check-wiring
Was this
answer
helpful?
Yes
No
Thursday, May 29th, 2025 AT 1:38 PM
Tiny
AL514
  • MECHANIC
  • 5,596 POSTS
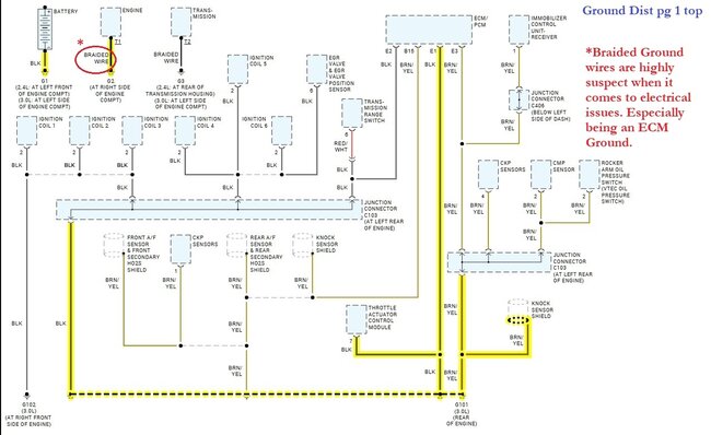
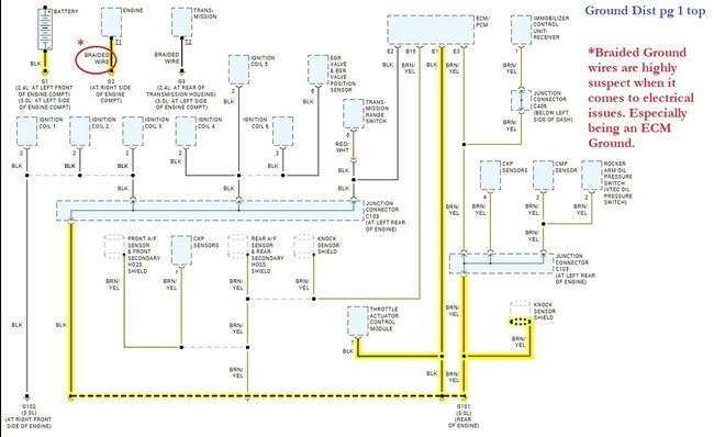
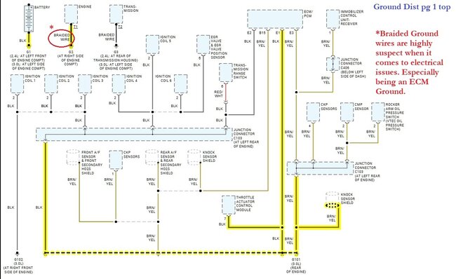
These are the Grounds I would check as well, it's even labelled as a Braided wire, which are terrible grounds. They can look fine and have a lot of voltage drop across them. Id replaces this with a solid high gauge ground wire and clean the location it bolts to, so there's no paint or corrosion under its bolt down location. You can hook a test light to B+ and use this location as its ground and also put a meter on it at the same time if you want to see if there is any voltage drop on the wire itself. The load test should expose voltage drop. Just don't use a high amperage test bulb on a power wire that comes through a module such as the PCM/ECM, some power-controlled actuators don't pull much amperage and you don't want to damage a PCM/ECM doing that.
Was this
answer
helpful?
Yes
No
Thursday, May 29th, 2025 AT 1:54 PM
Tiny
JPEEZY2980
  • MEMBER
  • 38 POSTS
Please forgive the delayed response was waiting on a voltage meter and a test light to come in while I appreciate the diagrams you uploaded they are kind of Greek To Me I thought I was going to have some help from someone with some experience moving forward and looking through this but it appears I'm on my own is there any way you can break at least one of these diagrams down for me and to simpler terms and help me figure out what I'm looking for and looking at so that I can begin to go through and try to find the problem I need to get my car back on the road. Thank you so much.
Was this
answer
helpful?
Yes
No
Saturday, June 7th, 2025 AT 8:01 AM
Tiny
AL514
  • MECHANIC
  • 5,596 POSTS
Yes I'd be glad to help you diagnose this. Sorry, most of time folks just want service information and wiring diagrams. But did you get to replace the ECU fuse, and if so, did the fuse blow again? If it did not, is the Green Key light (security light) still flashing on the cluster?
The ECU fuse blowing is concerning, with an older vehicle like this the wiring harnesses can rub through just from years of engine vibrations and wires will make contact with either the engine block or the body of the vehicle causing fuses to pop.

So let me know about the ECU fuse and the security light first. As well as the Check Engine light coming on when you turn the key to just on the on position, not starting the vehicle, just to the first on position. The Check engine light should come on for a few seconds or stay on until you start the engine.
Was this
answer
helpful?
Yes
No
Saturday, June 7th, 2025 AT 8:16 AM
Tiny
JPEEZY2980
  • MEMBER
  • 38 POSTS
The check engine light does not come on and stay on. Just the green key light. And the ecu fuse didn't blow again. But one note. The fuse for the overhead light on the headliner inside the car, it blows as soon as you put a fuse in it even without the car on.
Was this
answer
helpful?
Yes
No
Saturday, June 7th, 2025 AT 8:21 AM
Tiny
AL514
  • MECHANIC
  • 5,596 POSTS
It looks like #8 fuse in the under-hood fuse box is for the ECM, is that the fuse that was blown?
Was this
answer
helpful?
Yes
No
Saturday, June 7th, 2025 AT 8:24 AM
Tiny
AL514
  • MECHANIC
  • 5,596 POSTS
Okay, so the Check Engine light does not come on at all with just the Key On? This is important, because if the light doesn't come on at all, the ECM might not even be powering up.
Was this
answer
helpful?
Yes
No
Saturday, June 7th, 2025 AT 8:25 AM
Tiny
JPEEZY2980
  • MEMBER
  • 38 POSTS
I'll have to check just to be certain. I'll do it as soon as I return home and let you know.
Was this
answer
helpful?
Yes
No
Saturday, June 7th, 2025 AT 8:35 AM
Tiny
AL514
  • MECHANIC
  • 5,596 POSTS
For this immobilizer/security system when you put the key in and turn it to the On position, not Start, the security indicator should come on for 2 seconds then turn off.
If it starts to blink instead of going off, I would try a different key, but I'll look up the over light circuit as well.
Was this
answer
helpful?
Yes
No
Saturday, June 7th, 2025 AT 8:47 AM
Tiny
JPEEZY2980
  • MEMBER
  • 38 POSTS
Okay, yes it was the number 8 fuse that had blown. I'm adding a video of what happens when I try to start the car. Had a locksmith come out he checked the key and the reader at the ignition with some device he had and said both were communicating properly.
Was this
answer
helpful?
Yes
No
Saturday, June 7th, 2025 AT 8:55 AM
Tiny
JPEEZY2980
  • MEMBER
  • 38 POSTS
Did you get the video?
Was this
answer
helpful?
Yes
No
Saturday, June 7th, 2025 AT 9:34 AM
Tiny
AL514
  • MECHANIC
  • 5,596 POSTS
Okay, the vehicle is not starting because the Immobilizer security system is active, do you have another key to try? I know the locksmith said everything was ok, but he should have seen the Key blinking.
So, try another key if you have one, also try turning the key to the Lock position, remove it and put it back in and turn it to the on position to see if the Key Light goes out.

The immobilizer issue here can be a wiring issue, fuse issue or the immobilizer has failed which I don't think is the issue, since you are having other electrical issues. Most likely there is a section of the wiring harness that is either shorted out, or there can also be a connector will corrosion inside causing some of the pins in the connector to short together. Let me go through some wiring diagrams and see if there are any related circuits or connectors we can check. With the overhead light not working and the blown ECU fuse, there's going to be a wiring issue somewhere here. Check for blown fuses in the fuse box under the dash.

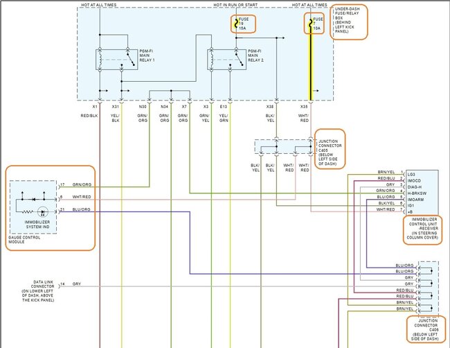
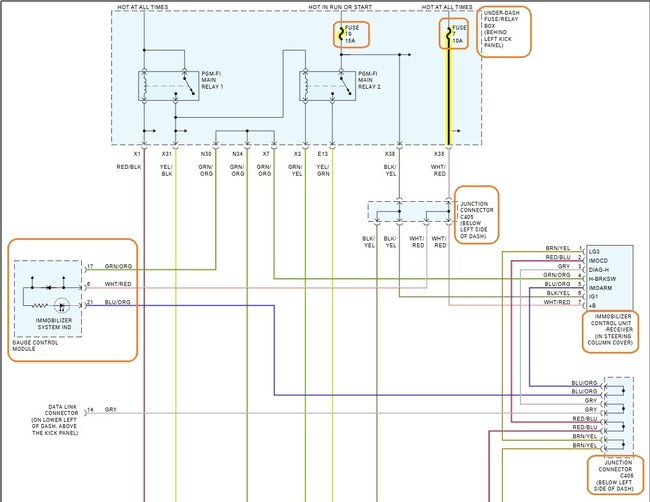
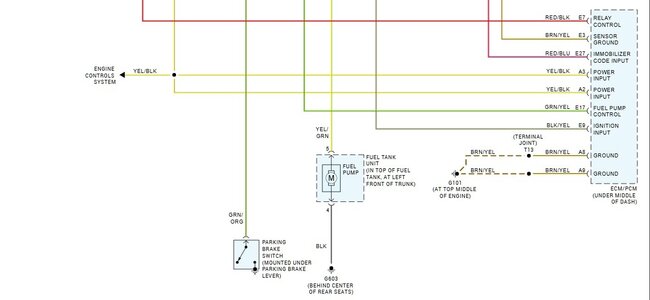
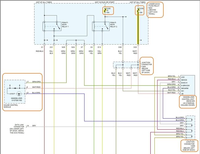
I know wiring diagrams are difficult for you, but I just wanted to show what's included in the Immobilizer circuit. Diagrams 4,5 top & bottom, you can see the two fuses (#7 and #19) are for that circuit, along with a few joint connectors where wires branch out to other components, depending on where they are located, they can become corroded due to water getting in them. Or if you find any other fuses blown in the dash fuse box, there can be a wire(s) that have rubbed through on some metal bracket and shorted out.

Did you check to see if the overhead lamp bulb was okay, it's not just burned out. With a test light hooked to a ground in the car, some metal bracket, you can check that bulb for power, just make sure the test light has a good ground, which can be verified when checking the dash fuses.
I'm still going through diagrams for the overhead light.

https://www.2carpros.com/articles/how-to-use-a-test-light-circuit-tester

https://www.2carpros.com/articles/how-to-check-a-car-fuse
Was this
answer
helpful?
Yes
No
Saturday, June 7th, 2025 AT 9:46 AM
Tiny
AL514
  • MECHANIC
  • 5,596 POSTS
Yes I saw the video.
Was this
answer
helpful?
Yes
No
Saturday, June 7th, 2025 AT 9:47 AM
Tiny
AL514
  • MECHANIC
  • 5,596 POSTS
Sorry I just reread about the interior light fuse blowing.
Was this
answer
helpful?
Yes
No
Saturday, June 7th, 2025 AT 9:49 AM
Tiny
AL514
  • MECHANIC
  • 5,596 POSTS
The locksmith didn't find any trouble codes stored in any modules at all? I would think there would be at least one code.
Was this
answer
helpful?
Yes
No
Saturday, June 7th, 2025 AT 10:14 AM
Tiny
JPEEZY2980
  • MEMBER
  • 38 POSTS
Prior to the security light coming on it was throwing no codes whatsoever when you plugged it in to a standard scanner it didn't throw any codes when the locksmith came it did take a couple different attempts and a couple different devices before he was able to get one of his machines to connect with the car but since the security light has come on no scanners whatsoever as far as scanners that scan for things related to check engine light has been able to pick up the vin or connect with the car at all.
Was this
answer
helpful?
Yes
No
Saturday, June 7th, 2025 AT 10:25 AM
Tiny
AL514
  • MECHANIC
  • 5,596 POSTS
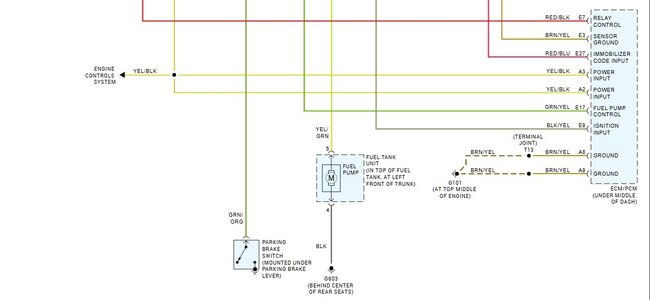
And this is with a new fuse in the #8 position? Did it blow the fuse again after trying to start the engine? That we need to know, because if it's blowing the fuse after the PGM-FI relay 1 turns on, (which power from fuse 8 goes through) the short could be further down the line from the relay.

Usually Hondas are really easy to get into, so if he was having a no communications issue with a number of scan tools, I'm wondering about a potential issue with the ECM getting power, and if the ECM is not being powered up completely it cannot send and receive the correct codes from the Immobilizer to start the engine.
We need to unplug some connectors from the dash fuse box and check that circuit from fuse 8 for any shorts to ground.
Do you have the codes for the Radio in case we need to unhook the battery?
Was this
answer
helpful?
Yes
No
Saturday, June 7th, 2025 AT 10:57 AM
Tiny
JPEEZY2980
  • MEMBER
  • 38 POSTS
No there is no fuse in the eight position the first time it was changed in the process of doing this work to the car the individual who changed it put a 20 instead of a 7.5 in that place and smoke started coming from overhead ever since then as soon as you put a fuse in it, it blows so there is currently no fuse in the eight position whatsoever.
Was this
answer
helpful?
Yes
No
Saturday, June 7th, 2025 AT 11:02 AM

Please login or register to post a reply.