Will not start the fuel pump was not getting power?

Tiny
JPEEZY2980
  • MEMBER
  • 38 POSTS
It's a key not a key fob. I actually have a diagnostic scanner at my disposal now and another thing that my old lady pointed out to me that I hadn't noticed until now is it for whatever reason her dash lights are on all the time. The car is off there's no key anywhere near the car and her dash lights are on constantly not sure what could be causing this.
Was this
answer
helpful?
Yes
No
Tuesday, June 10th, 2025 AT 6:51 PM
Tiny
JPEEZY2980
  • MEMBER
  • 38 POSTS
Also the radio is in code mode if there was something we were going to try with that I just remember you mentioning needing the radio code also the scanner was unable to communicate.
Was this
answer
helpful?
Yes
No
Tuesday, June 10th, 2025 AT 6:58 PM
Tiny
JPEEZY2980
  • MEMBER
  • 38 POSTS
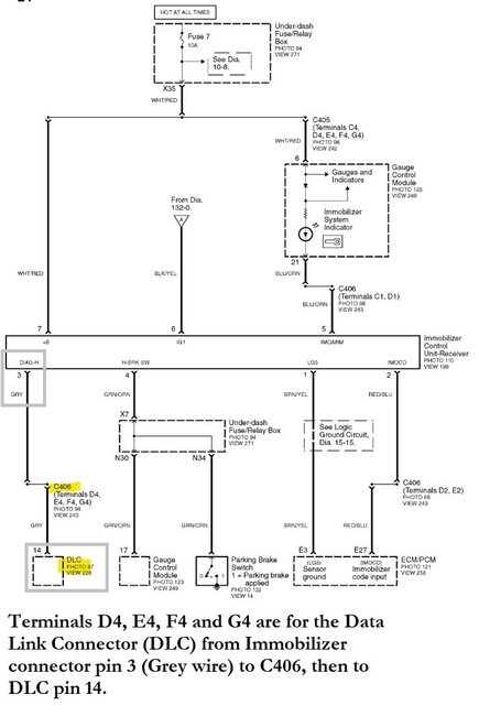
Also when I checked the 7 and 14 on the data plug or whatever it's called, the 7 read 10.86, the 14 read less than 5 when I used the 4or the 5 as ground there was no change.
Was this
answer
helpful?
Yes
No
Wednesday, June 11th, 2025 AT 8:21 AM
Tiny
JPEEZY2980
  • MEMBER
  • 38 POSTS
When I disconnected the ECM and immobilizer and checked for continuity there was none. My understanding is correct that means the ECM and the immobilizer at the ignition need to be replaced. I understand that they need to be replaced together so that they're paired around to pay someone extra to pair them together. I also going to have to replace the keys and do I need keys that have never been programmed before this is my last and final question thank you so much for your help I will be sure to donate to your GoFundMe and recommend you to everyone I know that has vehicle problems and needs assistance.
Was this
answer
helpful?
Yes
No
Wednesday, June 11th, 2025 AT 9:19 AM
Tiny
AL514
  • MECHANIC
  • 5,596 POSTS
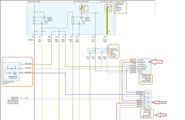
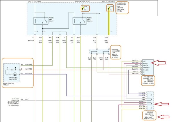
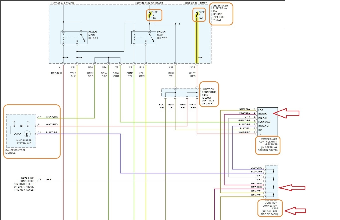
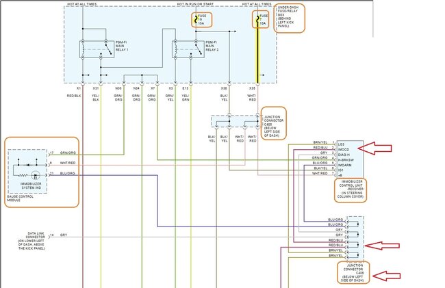
Before you go replacing anything yet. When you unplugged the Immobilizer and ECM, then checked for continuity from the Immobilizer connector pin 2 and the ECM connector E pin 27, it's a red/blue wire you had no continuity? If you read OL on your meter when checking the resistance between these two pins, then there is an open circuit between the Immobilizer and ECM. You don't need to replace modules for an open wire. Replacing modules is the last thing you want to do, always verify your test results first, what if you go replace those modules, reprogram everything, along with new keys and the same issues still exists. This is the test where you need to have a resistance reading (continuity). Technically less than 5 ohms. If this circuit is open, more than likely there are other wires damaged as well.
Was this
answer
helpful?
Yes
No
Wednesday, June 11th, 2025 AT 12:38 PM
Tiny
JPEEZY2980
  • MEMBER
  • 38 POSTS
Okay, so yes it read ol so that means there is a short somewhere we need to find?
Was this
answer
helpful?
Yes
No
Wednesday, June 11th, 2025 AT 12:41 PM
Tiny
AL514
  • MECHANIC
  • 5,596 POSTS
No there is an open circuit, a broken wire. You're checking on the red wire with a blue stripe, correct?
Was this
answer
helpful?
Yes
No
Wednesday, June 11th, 2025 AT 12:52 PM
Tiny
JPEEZY2980
  • MEMBER
  • 38 POSTS
Yes.
Was this
answer
helpful?
Yes
No
Wednesday, June 11th, 2025 AT 12:54 PM
Tiny
AL514
  • MECHANIC
  • 5,596 POSTS
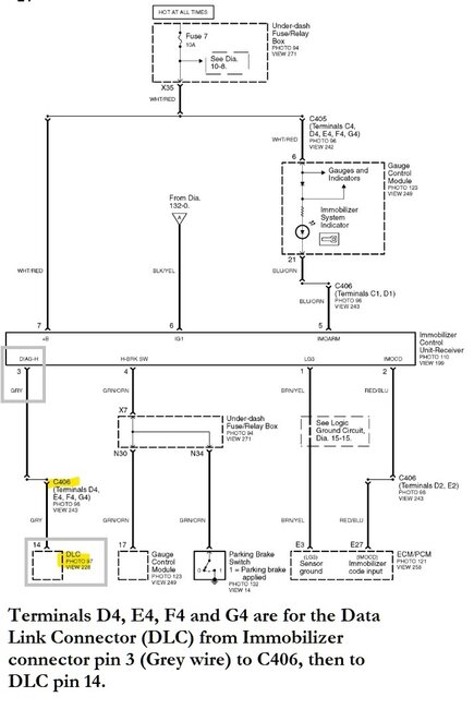
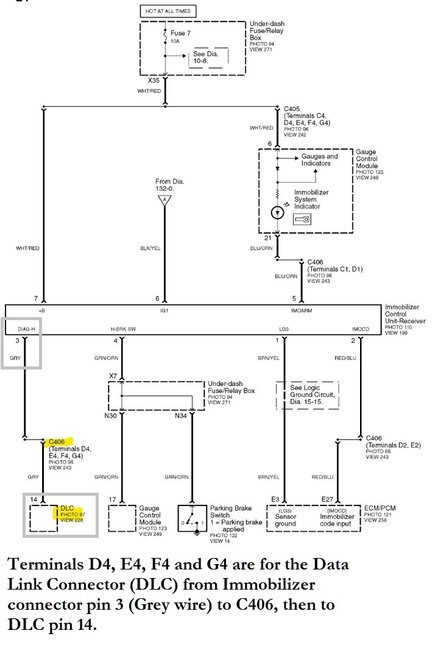
So in between the Immobilizer and ECM is this junction connector C406, that's where you need to go next, check continuity from the Immobilizer connector pin 2 to C406, it's still going to be the same color wire going in and coming out of the connector. Check both. Let me see if there's any procedure for removing the knee panel there below that vent, in some cases there is an air bag located there.
Was this
answer
helpful?
Yes
No
Wednesday, June 11th, 2025 AT 1:05 PM
Tiny
AL514
  • MECHANIC
  • 5,596 POSTS
If the battery has been disconnected for a while already then, you're okay, I don't see any airbag in that location, but disconnecting the battery and letting the system discharge only takes about 3-5 minutes. But C406 looks to just be a junction bus bar type connector, where it simply connects the two wires when the two connectors are plugged in. If you have any water leaks it looks to be a location where water intrusion might be an issue, but you'll have to check it. You should have continuity from one red/blue wire D2 to the other E2. And also check for continuity from the Immobilizer connector to C406 as well. We're basically tracing the circuit back to locate the open.
Was this
answer
helpful?
Yes
No
Wednesday, June 11th, 2025 AT 1:26 PM
Tiny
AL514
  • MECHANIC
  • 5,596 POSTS
I just realized the Data Link connector "DIAG" wire runs through C406 as well, I'm wondering if that's why there are issues with the scan tool as well.
Was this
answer
helpful?
Yes
No
Wednesday, June 11th, 2025 AT 1:34 PM
Tiny
AL514
  • MECHANIC
  • 5,596 POSTS
The 10.86volts on pin 7 might be correct, it could be an 11volt signal, or the multimeter is not fast enough to read the signal so it's just giving an average of voltage its reading, since pin 7 looks to be the K-Line which would be scan tool communications.
You weren't able to manually put the VIN in either?
Was this
answer
helpful?
Yes
No
Wednesday, June 11th, 2025 AT 1:40 PM
Tiny
JPEEZY2980
  • MEMBER
  • 38 POSTS
But when I manually input the van, it told me what kind of vehicle it was, but it still wouldn't scan or give me any kind of other information unless there was something else, I could have done that I didn't do.
Was this
answer
helpful?
Yes
No
Wednesday, June 11th, 2025 AT 1:47 PM
Tiny
AL514
  • MECHANIC
  • 5,596 POSTS
What scan tool are you using? It should have read the VIN pretty quick and give you access to scan at least the ECM if it's a basic OBD2 scan tool.
Was this
answer
helpful?
Yes
No
Wednesday, June 11th, 2025 AT 1:49 PM
Tiny
JPEEZY2980
  • MEMBER
  • 38 POSTS
Still would not connect to the car.
Was this
answer
helpful?
Yes
No
Wednesday, June 11th, 2025 AT 2:14 PM
Tiny
AL514
  • MECHANIC
  • 5,596 POSTS
Did you check pin 16 of the data link connector for power yet? It's the pin that powers up a scan tool.
Was this
answer
helpful?
Yes
No
Wednesday, June 11th, 2025 AT 8:00 PM
Tiny
AL514
  • MECHANIC
  • 5,596 POSTS
You obviously have a wiring issue, go check C406 for any issues. Forget the scan tool until you find the wiring issue between the Immobilizer and ECM.
Was this
answer
helpful?
Yes
No
Wednesday, June 11th, 2025 AT 8:01 PM
Tiny
JPEEZY2980
  • MEMBER
  • 38 POSTS
I went back through I went back through and retested there is.5 ohms of continuity between the immobilizer and ecu and there is.3 ohms between the c406 and the immobilizer and between the D2 and E2 there is.3 ohms.
Was this
answer
helpful?
Yes
No
Thursday, June 19th, 2025 AT 5:20 PM
Tiny
JPEEZY2980
  • MEMBER
  • 38 POSTS
I went back and retested the continuity because I wasn't sure if I had done it right. And apparently, I hadn't, so what now?
Was this
answer
helpful?
Yes
No
Thursday, June 19th, 2025 AT 5:22 PM
Tiny
AL514
  • MECHANIC
  • 5,596 POSTS
Okay, I had to go back and see where you are at by this point, so with the meter set on Ohms (resistance) setting, you have continuity between the ECM E27 connector/pin and the Immobilizer connector pin 2 red/blue wire? This would run through the C406 connector plugged in.
I did see the very low voltage readings on the video with the test light, I saw 7 and 8 volts at some points, then 11 at some other fuses. That low voltage is going to be an issue that needs to be resolved first and will most likely take care of the starting issue. With the immobilizer flashing, the ECM is disabling the injectors from firing as a security measure. And I would get the battery charged up, testing with the key on is only going to cause it to drop lower and not help with getting accurate readings. I keep a battery maintainer on when doing diagnostics that require the key to be On for long periods such as this.
The static (at rest) battery voltage should be at least 12.6v when testing. This is because by the time the voltage gets to the ECM going through connectors it will drop lower due to voltage drop on connectors which is normal.

***But you want to see what fuses are reading that low 7 and 8 volts in that under hood fuse box to start with, write down which fuses have low voltage, so we know what circuits to focus our attention on. Once we know the fuses that are low, we can go through the power distribution wiring diagrams and see where the power for those specific fuses comes from and start to track down their trouble areas. Also make sure the battery terminals are clean and tight. You would be surprised by the amount of voltage drop that can happen from the battery post itself and the harness terminal its connected to.

Another issue here you mentioned is the cluster being on all the time, I didn't see it on in the video where you turned the key On, and then cranked it. I did see the wrench light (check engine light) come on for a few seconds there, but also the flashing Key. So has the cluster issue gone away? If it's still staying on now, that will run the battery down even faster when trying to test these fuses. I'd say that low voltage is most likely going to be the problem here, modules can't fully turn on and communicate with voltage that low.
Was this
answer
helpful?
Yes
No
Friday, June 20th, 2025 AT 6:50 AM

Please login or register to post a reply.