Will not start the fuel pump was not getting power?

Tiny
JPEEZY2980
  • MEMBER
  • 38 POSTS
Cluster issue not a problem now. I will put battery on charge this am and once it is charged go back and check voltage on all fuses under the hood and write down what the low ones belong too and post it when finished.
Was this
answer
helpful?
Yes
No
Friday, June 20th, 2025 AT 6:56 AM
Tiny
AL514
  • MECHANIC
  • 5,596 POSTS
Okay, sounds good. You will probably find some fuses in the dash fuse panel have low voltage too, but that is most likely just going to be from the under-hood fuses being low feeding the interior fuse panel.
These are the Power Distribution diagrams, just pages 1(top and bottom) and 3 for now since they have the Under Hood fuse box fuses and relays, so you can see where the low voltage fuses go to.
Was this
answer
helpful?
Yes
No
Friday, June 20th, 2025 AT 8:07 AM
Tiny
AL514
  • MECHANIC
  • 5,596 POSTS
What happened that the cluster is not an issue now?
Was this
answer
helpful?
Yes
No
Friday, June 20th, 2025 AT 8:08 AM
Tiny
JPEEZY2980
  • MEMBER
  • 38 POSTS
Not sure I only witnessed it the time it was brought to my attention and since then I haven't seen it happen again.
Was this
answer
helpful?
Yes
No
Saturday, June 21st, 2025 AT 1:46 PM
Tiny
JPEEZY2980
  • MEMBER
  • 38 POSTS
I'm attaching the video of the fuses under the hood that showed no voltage and the corresponding label for them on the diagram underneath the lid.
Was this
answer
helpful?
Yes
No
Saturday, June 21st, 2025 AT 1:50 PM
Tiny
JPEEZY2980
  • MEMBER
  • 38 POSTS
So working from left to right the first 10amp is labeled- L-H/L LO
The second 10 amp is labeled L-H/L HI followed by the 15-amp fuse showing 12.5v and then two more 10 amps the first labeled R-H/L HI & the next and final fuse showing 0v labeled as R-H/L LO. Also, I am a novice when it comes to some of this how would I go about testing the relays for
Was this
answer
helpful?
Yes
No
Saturday, June 21st, 2025 AT 2:04 PM
Tiny
JPEEZY2980
  • MEMBER
  • 38 POSTS
So working from left to right the first 10amp is labeled- L-H/L LO
the second 10 amp is labeled L-H/L HI followed by the 15 amp fuse showing 12.5v and then two more 10 amps the first labeled R-H/L HI & the next and final fuse showing 0v labeled as R-H/L LO. Also I am a novice when it comes to some of this how would I go about testing the relays for
Was this
answer
helpful?
Yes
No
Saturday, June 21st, 2025 AT 2:04 PM
Tiny
JPEEZY2980
  • MEMBER
  • 38 POSTS
The video isn't uploading for some reason.
Was this
answer
helpful?
Yes
No
Saturday, June 21st, 2025 AT 2:06 PM
Tiny
AL514
  • MECHANIC
  • 5,596 POSTS
Did you check the fuses with the key On? Im going to just post a diagram of the under hood fuse box for you and you can explain which have low voltage by that. Which fuses were showing the low 7 or 8volt readings I saw on the other video, those are the ones we should be concerned with.
Was this
answer
helpful?
Yes
No
Saturday, June 21st, 2025 AT 4:09 PM
Tiny
AL514
  • MECHANIC
  • 5,596 POSTS
This is the Under Hood fuse box and its fuse/relay labels, you can see most of the ones you referred to were for the Head lamps. Left and Right (high beam) or (low beam).
Was this
answer
helpful?
Yes
No
Saturday, June 21st, 2025 AT 4:14 PM
Tiny
AL514
  • MECHANIC
  • 5,596 POSTS
I can't see which fuses you are on in the video that are reading 8 volts.
Correct me if I'm wrong, but it appears that you move to the 15amp fuse in the video and it's the first one to read low voltage, below 9 volts, and that 15amp blue fuse (#4) is for some interior lamps. The #8 fuse 15Amp and the #15 40Amp, along with fuses #22 and #23 are going to be the ones that feed the ECM and Under Dash fuse box,
The 40Amp fuse, which is a higher amperage fuse and is going to have a plastic clear cover on it will need to be inspected by eye since you cant get a meter on it. You should be able to see if its blown. And also take it out and check for power on at least one of the pins where it is located.
Fuse #22 is a bar type fuse which you should be able to check for power on.
The fuses which have a clear cover on them can be more difficult to check obviously, but we're looking for low voltage here which will most likely be a corroded connection somewhere in between that fuse box and the battery. Possibly internal to the fuse box itself or the connectors plugged into that fuse box. If you pull any of those fuses and see green crust under it, that will be internal to the fuse box, check them all for that.
Was this
answer
helpful?
Yes
No
Saturday, June 21st, 2025 AT 4:17 PM
Tiny
AL514
  • MECHANIC
  • 5,596 POSTS
These are for the Under Dash fuse/relay box, check these fuses for power. But concentrate on the ones highlighted in Red, these are for Power that goes back to the under-hood fuse box, the Immobilizer unit and the Multiplex Integrated Control (which is Hondas name for their Data Bus network).
I have also saved all the diagrams for the connectors which are on the bottoms of both fuse boxes in case we need to check for wiring issues there. Which I suspect might be the issue here. But voltage anywhere in the dash fuse box comes from the under hood fuse box to begin with. So, check both fuse boxes now that you have a reference for fuse numbers, that will make things a little easier when identifying them.
Was this
answer
helpful?
Yes
No
Saturday, June 21st, 2025 AT 5:49 PM
Tiny
AL514
  • MECHANIC
  • 5,596 POSTS
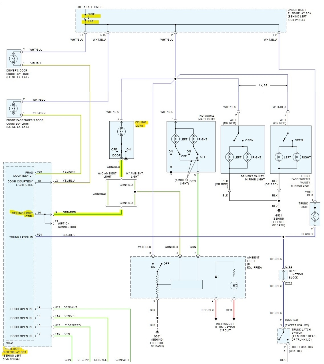
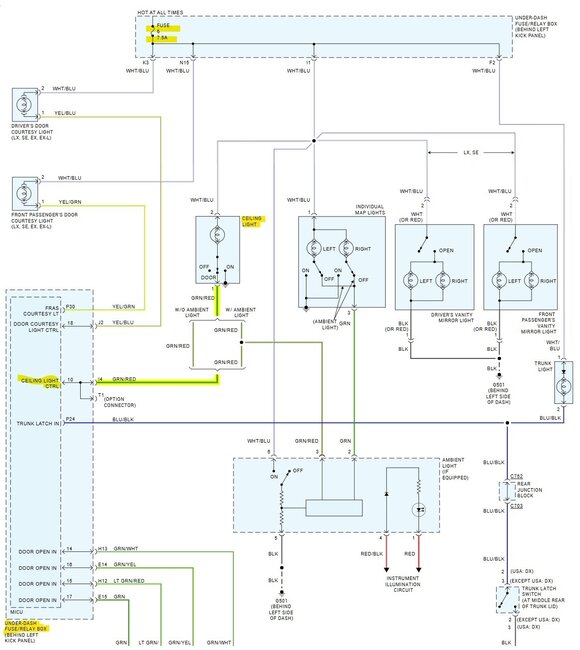
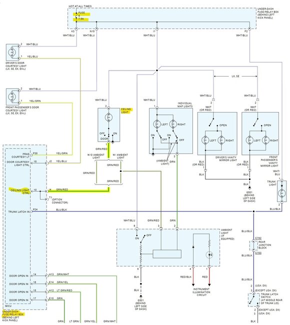
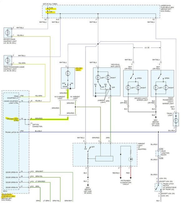
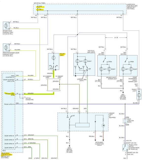
Something that is very noteworthy, if you read through this, it is for troubleshooting without the HDS (Hondas factory scan tool), but the important part is they have you put a jumper wire in at the service connector in the dash fuse box and the over head ceiling light is supposed to flash a number of times to indicate any trouble codes stored, so that means the ceiling light which you said had been burned out by someone putting a fuse in that was too high of amperage is integrated into the network somehow to flash these trouble codes (DTCs). The fact that the ceiling was smoking due to that first issue is very concerning. The module in charge of flashing that light for codes is part of the Dash fuse box, so if it burned out that would be a major problem.
Diagram 6 shows the circuit layout, the transistor that controls the Ceiling lamp is built into the Dash fuse box, so if it burned up the circuit board in that fuse box, that might be the issue here. Check the two fuses on that diagram, fuse #21 and fuse #7. Both fuse boxes are part of the vehicles data network.
Was this
answer
helpful?
Yes
No
Saturday, June 21st, 2025 AT 6:31 PM
Tiny
JPEEZY2980
  • MEMBER
  • 38 POSTS
To the diagram there should be a 40 amp in that spot, but I noticed it says option. Is that potentially an option this car doesn't have or should there be a fuse there?
Was this
answer
helpful?
Yes
No
Tuesday, June 24th, 2025 AT 1:38 PM
Tiny
AL514
  • MECHANIC
  • 5,596 POSTS
Looks like Fuse 19 is missing; it feeds the Under-dash fuses 1-4. You can check for power on one of those pins for that fuse location, along with a possible short to ground on the opposite pin. I can't think of another reason why it would be missing. There seems to be quite a few electrical problems here. The low voltage of 8 volts in the video is still an issue.
Was this
answer
helpful?
Yes
No
Tuesday, June 24th, 2025 AT 3:32 PM
Tiny
JPEEZY2980
  • MEMBER
  • 38 POSTS
So I found the break in the wires in the overhead lamp circuit fixed it and replaced the 7.5 fuse. Still no power making it to the lights and the key situation is still not bypassed and allowing the car to start. Wondering where in the circuit I should look now to try to find the main source of the problem apparently.
Was this
answer
helpful?
Yes
No
Tuesday, July 1st, 2025 AT 12:25 PM
Tiny
AL514
  • MECHANIC
  • 5,596 POSTS
I assume the Map or doors lights are not working either? The Ceiling lamp is provided ground through the dash fuse box which is controlled by a solid state transistor, which is probably burned out. What fuses have full battery power in the dash fuse panel? And whats the situation with the missing fuse in the Under hood fuse box? That 40Amp? Did you check the pins where the fuse sits with a test light and see if theres power on one pin at least? And check the other pin for a short to ground.
Was this
answer
helpful?
Yes
No
Wednesday, July 2nd, 2025 AT 6:48 PM

Please login or register to post a reply.