Engine will not start up and run?

Tiny
HEYMAN4YOU
  • MEMBER
  • 1998 HONDA ACCORD
  • FWD
  • 131,000 MILES
Car will not start, it is not firing, will turn over, all light, horns, radio, etc, seem to be working. I have changed out the coil, and igniter lighter in the distributor, with Honda parts. I have checked the 15A coil fuse and all other fuses that I could find. I checked the electric current to the distributor at the plug and it is getting power. Really do not know where to go from here.

Help!

Thanks
Saturday, July 30th, 2011 AT 4:47 PM

17 Replies

Tiny
HMAC300
  • MECHANIC
  • 48,601 POSTS
First get your engine scanned to see if thereare any codes. you may have a bad crank or cam sensor. don't just start replacing parts. most auto parts store do the engine scan for free. it can also be your ignition control module. and is this a 2.3L w/ultra low emissions or a 3.0L they are wired different, When you turn the key to the on position without cranking the engine over can you hear the fuel pump run in the tank for 5 seconds?

https://www.2carpros.com/articles/car-cranks-but-wont-start

Please run down this guide and report back.
Was this
answer
helpful?
Yes
No
Saturday, July 30th, 2011 AT 5:38 PM
Tiny
HEYMAN4YOU
  • MEMBER
  • 15 POSTS
These 2 parts were put in because 2 honda mech at the dealship suggested. Ist one said it was more then likely a coil, 2nd one said the control mod, which is the ignition lighter (ICM)in honda parts diagram. The manual code said 62, which my book shows no such code. I do not think a code still exist after pulling fuses and checking them. My car is a 3.0L.
Was this
answer
helpful?
Yes
No
+1
Saturday, July 30th, 2011 AT 6:20 PM
Tiny
HMAC300
  • MECHANIC
  • 48,601 POSTS
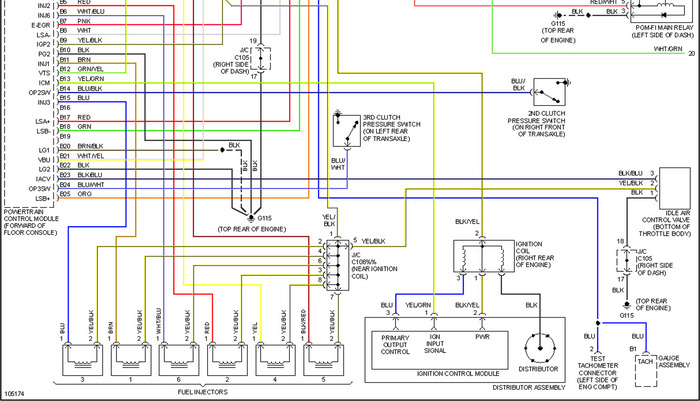
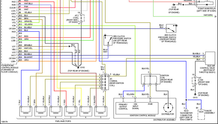
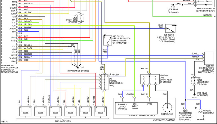
Fuse 11 on the drivers side relay fuse box is for the coil. The coil has a blue yellow wire- seeif power is reaching the coil and then the same color wire to the ignition module seeif that gets power. Then check to see if the yellow green wire at the ignition module is getting a signal from the pcm. If it's not your car won't start.I'm sending a diagram for check ign module it's in two parts. This could also be a crank sensor that is bad but not showing up as well as your anti theft not allowing you to start.
Was this
answer
helpful?
Yes
No
+10
Saturday, July 30th, 2011 AT 7:53 PM
Tiny
HEYMAN4YOU
  • MEMBER
  • 15 POSTS
The # 11 fuse is good, I even changed it out with a new one.
At the coil harness I ran a test 12v light to all 3 wires. Only the middle one is hot, color looks to be y/black or green, the two ends are not hot. Should only one be hot?

Then I tested the IM at the dist. It also has 3 wires, the blue is hot, the middle y/bl is hot and the y/on the end is NOT hot.
I take it is getting a signal with these being hot?
The radio works and I have the security code,

Am I missing something? Crank sensor, not sure where that is. Is there a way to tell if the PCM is bad?
Was this
answer
helpful?
Yes
No
+3
Saturday, July 30th, 2011 AT 10:12 PM
Tiny
HMAC300
  • MECHANIC
  • 48,601 POSTS
The blue wire comes form the coil. The green/yellow wire comes from the pcm to gieve the module the signal to run. The yellow/black wire comes from the fuse to the coil and then to the module. That one should be hot you should check it at the coil first and then the module. If it loses power someplace inbetween that is your problem. Here is another schematic. You must also havecontinuity between the dist on the black wire.
Was this
answer
helpful?
Yes
No
+4
Saturday, July 30th, 2011 AT 10:48 PM
Tiny
HEYMAN4YOU
  • MEMBER
  • 15 POSTS
Thanks for your help. I just want to go over my last checks you gave me to do.
. The yellow/Black wire from the fuse #11 to the the coil is hot, then when I plug the harness back together and check it at the Module, yellow/black wire is not HOT, but the other 2 are hot, one blue going to the Primary output control, and the one Black/green going to the icn input signal. So I should have power on all 3? Or just the one going to pwr (which is yellow /blk)?

I do have conunity between the dist on the black wire.
Was this
answer
helpful?
Yes
No
Sunday, July 31st, 2011 AT 4:06 PM
Tiny
HMAC300
  • MECHANIC
  • 48,601 POSTS
Ifyou have power going into the coil on the yellow/blk then it should go through to the module as well. See if the power is going through the coil, it should to power up the module. The pcm wire may be low voltage which would be ok.
Was this
answer
helpful?
Yes
No
+1
Sunday, July 31st, 2011 AT 5:09 PM
Tiny
HEYMAN4YOU
  • MEMBER
  • 15 POSTS
I do have power going to the coil on the yellow/blk wire, then at the module yellow/black, NO Power, I even stuck a needle into the wire below the harness just to see if it was getting to that point and NO. Now my book does not give me a test to see if power is going throught the coil, only how to check the resistance anyway it brand new. I tried turning the engine over and holding a light checker at the ciol to see if any spark was comming out and nothing happened, not sure if this is a good way to check this, but I am at my ends. Seems as though something is keeping the power from getting to the power side on the ignition control module. While the other 2 positions are getting power.
Was this
answer
helpful?
Yes
No
Sunday, July 31st, 2011 AT 9:24 PM
Tiny
HMAC300
  • MECHANIC
  • 48,601 POSTS
If there is no power then check to see ifyou have the coil wires hooked correctly they may be reversed. You need to ground the coil wire to a good ground or block. You must get power going tothe module from the yellow/blk wire. It may be a bad connection or bad wire. This is hard for me to diagnose not having it near if you have a test light or vom you can test the powergoing through the coil try testing it with the engine cranking, it may only work like that. Follow the chart is sent to test the ignition module in a previous message.
Was this
answer
helpful?
Yes
No
-1
Sunday, July 31st, 2011 AT 11:20 PM
Tiny
HEYMAN4YOU
  • MEMBER
  • 15 POSTS
I went back over everything this morning. I do have power to the coil on the yellow/Black wire and I DO HAVE Power the module on the yellow/Blk wire and also on the blue one. I check resitence of the coil wire to the dist, its OK. I have a new module and a new coil, I still do not have fire to the plugs, I also tested for a spark from the coil by cranking it and looking for a blue spark at the dist. No spark, no spark at the plugs. I checked conunity from the wireing harness from the bule wire to the blue wire at the module, it ok.
I made sure the wire harness was on real good and all wires in place. They will only hook up one way.

Any more ideas would be appreciated at this point. I am trying to get a honda mech to come out and give it a look, but this has been a difficult process since I live out from the city. I will share all the info if I can get someone out here. Would be nice to drive it in under its own power and have they check it out after me.

Again thanks for all your help, this is a bad one.
Was this
answer
helpful?
Yes
No
Monday, August 1st, 2011 AT 4:35 PM
Tiny
HMAC300
  • MECHANIC
  • 48,601 POSTS
Sorry I can't think of anything else to advise you on.
Was this
answer
helpful?
Yes
No
+2
Monday, August 1st, 2011 AT 5:14 PM
Tiny
HEYMAN4YOU
  • MEMBER
  • 15 POSTS
Just want to ask one more thing.
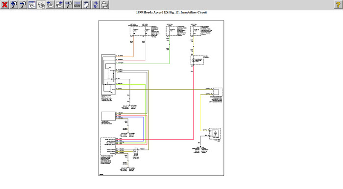
I was told the anti theft and locking system could could cause the car not to start. I cannot find anything about this. Although my radiao works and I have the code. The red light at the radio stays blinking if the doors are lock are unlocked. Could something here be stuck or not working prpoerly.
Was this
answer
helpful?
Yes
No
Tuesday, August 2nd, 2011 AT 1:41 PM
Tiny
HMAC300
  • MECHANIC
  • 48,601 POSTS
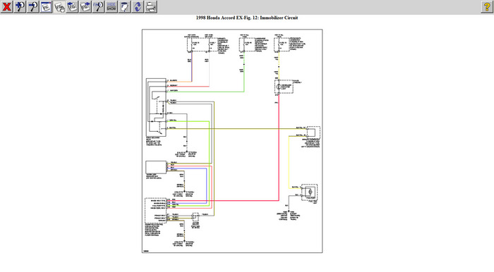
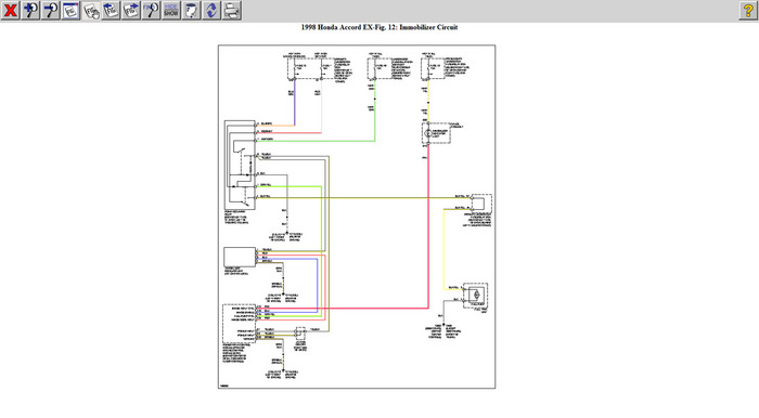
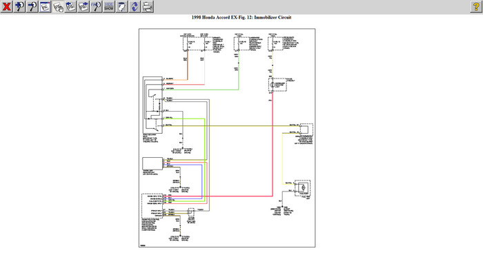
On the second answer I said to make sure the anti theft isn't causing this answer. Here is the circuit for immobilizer.
Was this
answer
helpful?
Yes
No
+4
Tuesday, August 2nd, 2011 AT 1:47 PM
Tiny
HEYMAN4YOU
  • MEMBER
  • 15 POSTS
I want to think you for all the help and support you gave me. I just could not figure the deal out and had the honda towed to the shop this afternoon. I will let you know the results. Thanks again

Chip Townsend
Eads, Tn
Was this
answer
helpful?
Yes
No
+1
Tuesday, August 2nd, 2011 AT 10:15 PM
Tiny
DUSTINT
  • MEMBER
  • 1 POST
Hi Chip, I'm wondering what you learned from honda shop about this problem? I seem to be having the same issue. I took the ICM and coil to AutoZone and the ICM tested bad, the coil tested good. I actually took both the ICM and coil to two different Autozones and both said the ICM was bad.I replaced it. I get power (12.3) on both the coil wires and all 3 of the ICM wires, as well as power to the part of the coil that touches the spring in the cap. But NO spark at any of the plugs. Any ideas, suggestions?
THANKS in advance for any help!
Was this
answer
helpful?
Yes
No
+2
Monday, February 13th, 2012 AT 1:36 AM
Tiny
HEYMAN4YOU
  • MEMBER
  • 15 POSTS
Dustin, After having it towed to Honda I knew a mechanic that worked there. Several day later he went over the car. The problem was a 15Amp fuse burned out that was located under the hood. This fuse did not show on the electrical diagram to prevent the car from starting, and some how I missed it going through all of the fuses. It is located near the large fuses in that electrical panel box near the front windshield. There are only a couple small fusess in that box. The mechanic said it had a 10 amp instead of a 15 amp, which indicated to him someone before me had changed it. That fuse must have something to do with the on board computer, but the computer was alright. I'm still not sure about all, but its fixed for a few dollars and after I almost went nuts trying to figure it out.

Chip t
Was this
answer
helpful?
Yes
No
+2
Monday, February 13th, 2012 AT 2:36 PM
Tiny
RIVERMIKERAT
  • MECHANIC
  • 6,110 POSTS
Dustin, let us know if Chip's fix works for you or if we need to try some other diagnostics.
Was this
answer
helpful?
Yes
No
Thursday, February 16th, 2012 AT 1:57 AM

Please login or register to post a reply.