Ran out of gas now will not run

Tiny
JAMES MCPHERSON
  • MEMBER
  • 2002 KIA SPORTAGE
  • 2.0L
  • 4 CYL
  • 4WD
  • AUTOMATIC
  • 220,000 MILES
Fuel pump pressure = 0
Checked all fuses good.
Installed new fuel pump.
Installed a new fuel filter.
The engine fires when fuel is sprayed in the air intake.
I do not know how to check the fuel pressure regulator or where the regulator is located.
I do not know what else to check, I need advice.
Thanks, James
Thursday, June 23rd, 2022 AT 5:13 PM

46 Replies

Tiny
KEN L
  • MASTER CERTIFIED MECHANIC
  • 55,322 POSTS
Can you hear the pump run in the tank when you turn the key on without cranking the engine over? If not, I would check the fuel pump relay #19. Here is a guide to help and the fuel pump relay location in the diagrams below:

https://www.2carpros.com/articles/how-to-check-an-electrical-relay-and-wiring-control-circuit

Also, we should run the codes.

https://www.2carpros.com/articles/checking-a-service-engine-soon-or-check-engine-light-on-or-flashing

Check out the diagrams (below). Let us know what happens and please upload pictures or videos of the problem.
Was this
answer
helpful?
Yes
No
Friday, June 24th, 2022 AT 10:08 AM
Tiny
JAMES MCPHERSON
  • MEMBER
  • 5 POSTS
The car illustrated is a Toyota, mine is a Kia?
Was this
answer
helpful?
Yes
No
Friday, June 24th, 2022 AT 8:04 PM
Tiny
KASEKENNY
  • MECHANIC
  • 18,907 POSTS
Hi James,

Just to jump in but are you saying that the vehicle illustrated in the links that Ken provided above is a Toyota and does not match your vehicle? If this is the case, then we understand that this is different and sorry for the confusion.

Unfortunately, we don't have the time or ability to create a guide like these on all vehicles so while the vehicle is different, the process is the same as a relay is a relay.

So, take a look at the diagram that Ken attached and let us know if you have a fuse issue with the pump but if you have 0 PSI fuel pressure then the pump is not running or if it is running it has failed.

So, you just need to make sure you have power to the pump and if you do then you will need to replace it even if it is running as it is not building pressure.

I understand it is a new pump but if you have power and ground for the pump, no restriction in the line but still no pressure then you either have no fuel in the tank or the new pump is faulty. This has happened before so don't assume that the replacement part is a good part.

If everything points to a pump as everything else checks out, then I would replace the pump again.
Was this
answer
helpful?
Yes
No
Saturday, June 25th, 2022 AT 9:32 AM
Tiny
JIMMY MCPHERSON II
  • MEMBER
  • 26 POSTS
Can I just run a hot wire from the battery to the pump to see if it runs? It is a new pump. Cost $230.00 at AutoZone.
Was this
answer
helpful?
Yes
No
Saturday, June 25th, 2022 AT 9:49 AM
Tiny
KASEKENNY
  • MECHANIC
  • 18,907 POSTS
Sure can. If you turn the key on and the pump doesn't run, then running 12 volts to it will tell you if the pump is the issue or you are not getting power to it.

Keep in mind that this could be a ground issue too, so if you run power to it and it doesn't run then just rule that out by applying your own ground as well. If it still does not run, then you have a pump issue.
Was this
answer
helpful?
Yes
No
+1
Saturday, June 25th, 2022 AT 9:51 AM
Tiny
JIMMY MCPHERSON II
  • MEMBER
  • 26 POSTS
I will do that this afternoon. Does the fuel pressure regulator have input to the pump running or not? How about the throttle position sensor? The MAS air flow sensor?
Was this
answer
helpful?
Yes
No
Saturday, June 25th, 2022 AT 9:54 AM
Tiny
KASEKENNY
  • MECHANIC
  • 18,907 POSTS
Okay. No, none of that will prevent the pump from running. The regulator just regulates the pressure once the pump is running so if the pump is good then we need to find out why it is not being commanded on.
Was this
answer
helpful?
Yes
No
+1
Saturday, June 25th, 2022 AT 9:57 AM
Tiny
JIMMY MCPHERSON II
  • MEMBER
  • 26 POSTS
Pump runs when I jump it with B+ and the pumps ground. So, I guess that means the pump is good? So, what do I check now?
Was this
answer
helpful?
Yes
No
Saturday, June 25th, 2022 AT 11:12 AM
Tiny
KASEKENNY
  • MECHANIC
  • 18,907 POSTS
Okay. That is great. Now we need to go back and find out why the pump is not getting power. Ken covered this in the first response, but we need to check 2 fuses and a relay to find out why we have no power.

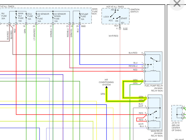
I am attaching the wiring diagrams below and the diagram that Ken attached but I circled the fuses and relay.

Please check these and make sure they are not blown. If they are not, I would check the power at the relay or just replace the relay.

https://www.2carpros.com/articles/how-to-check-a-car-fuse

https://www.2carpros.com/articles/how-to-check-an-electrical-relay-and-wiring-control-circuit

https://www.2carpros.com/articles/how-to-check-wiring

Run through this and let us know what you find.

Thanks
Was this
answer
helpful?
Yes
No
+1
Saturday, June 25th, 2022 AT 11:46 AM
Tiny
JIMMY MCPHERSON II
  • MEMBER
  • 26 POSTS
15-amp burnt for the second time. I changed it before because it was burnt. When I first checked them. So now I suspect it must have burnt again after I put the new pump in and tried it. And found it did not work. But now we know (?) The fuel pump does work but something is burning the 15-amp main fuse. How do we find out what?
Was this
answer
helpful?
Yes
No
Saturday, June 25th, 2022 AT 12:35 PM
Tiny
KASEKENNY
  • MECHANIC
  • 18,907 POSTS
Have you confirmed it is blown again or are you assuming it is?

There are a couple ways to figure this out but that fuse is for the main relay so that means if this is blowing then that can disable the fuel pump relay as well.

This means that something that this fuse and then relay are feeding are drawing too much current.

So, the way to figure this out is to either measure the current that is being drawn on this circuit, but you need an amp meter to do this and then disconnect the components until the amperage drops to an acceptable limit.

The way to do it without any tools is to buy about 10 fuses and then disconnect the components on this circuit one at a time until the fuse doesn't blow anymore.

Clearly if you disconnect one and it blows again then this was not the issue.

One thing I will point out is the main fuse and relay fee the compressor so does this only blow when the AC is on?

If so, this is a compressor failure.

If not, then move onto the other components on the highlighted circuits below.
Was this
answer
helpful?
Yes
No
+1
Saturday, June 25th, 2022 AT 1:51 PM
Tiny
JIMMY MCPHERSON II
  • MEMBER
  • 26 POSTS
I do not assume. It is the 10-amp fuse label on the box top as ECU. I checked it three times. I. E 3 blown 15-amp main fuses. Removed the 10 ECU fuse and the 15-amp main did not burn. Three times. Turned ign on and engaged starter. What is that fuse? Engine control unit? Or what? Is that the unit that sends the 2 seconds fuel pump power to the fuel pump when the ign key is first turned on? What now? Thank you, James
Was this
answer
helpful?
Yes
No
Saturday, June 25th, 2022 AT 2:49 PM
Tiny
KASEKENNY
  • MECHANIC
  • 18,907 POSTS
Okay. That may be what we call a false positive clue. The reason is, that fuse is powering the ECM so if the ECM has no power, then the issue could be the ECM or more than likely it is just not allowing what the issue is to get power either.

So, what we want to do is take the wiring diagrams that I attached above in the last post and follow it to the relay and then when the relay is engaged the fuse blows. So, this means something that is on the black white wire leaving the relay or the green wire leaving the relay has a component on it that is drawing too much amperage.

So, before we condemn the ECM, we need to remove each of these items one at a time and find out if this fuse blows again.
Was this
answer
helpful?
Yes
No
+1
Saturday, June 25th, 2022 AT 5:20 PM
Tiny
JIMMY MCPHERSON II
  • MEMBER
  • 26 POSTS
Oh I see, that makes sense. Tomorrow I will begin that, thank you. Jmc
Was this
answer
helpful?
Yes
No
Saturday, June 25th, 2022 AT 6:08 PM
Tiny
JIMMY MCPHERSON II
  • MEMBER
  • 26 POSTS
I see green going to starter control, black/white going to MAF sensor, fuel tank pressure sensor, etc are these the components to disconnect one at a time and check if the fuse blows?
Was this
answer
helpful?
Yes
No
Saturday, June 25th, 2022 AT 7:22 PM
Tiny
KASEKENNY
  • MECHANIC
  • 18,907 POSTS
That is correct. I highlighted that black/white wire below and the few items it goes to. These are what you unplug and then the same for the green wire.

Basically this fuse is blowing when this circuit is powered. So that means when that relay is closing there is something that starts drawing too much current and pops the fuse.
Was this
answer
helpful?
Yes
No
+1
Saturday, June 25th, 2022 AT 7:31 PM
Tiny
JIMMY MCPHERSON II
  • MEMBER
  • 26 POSTS
Okay, I get it. I will make a list and check the blown fuse unplugging them one at a time.
Thank you, jmc
Was this
answer
helpful?
Yes
No
+1
Saturday, June 25th, 2022 AT 7:44 PM
Tiny
JIMMY MCPHERSON II
  • MEMBER
  • 26 POSTS
Now I have tried disconnecting some of the components of the black-white wire family. I did not reach any conclusions until I unplugged the 30-amp tall fuse marked inj. That enabled the key switch to be turned on without blowing the 15-amp main fuse. I am confused now are the injectors part of the black/white or green wire groups affected by the main relay? I plugged it back in and turned on the key and the 15-amp main fuse burned open.
Now I am out of 1r amp fuses so I will go to the parts store and get more. I will continue testing when I return. Can you give me some advice? What is the 30-amp inj fuse doing? Jmc
Was this
answer
helpful?
Yes
No
Sunday, June 26th, 2022 AT 11:32 AM
Tiny
JIMMY MCPHERSON II
  • MEMBER
  • 26 POSTS
I have now burnt 2 15 amp fuses with the 30 amp inj fuse in but not with it out. I am confused. Because I do not see inj on the wire diagrams you sent. So what now?
Was this
answer
helpful?
Yes
No
Sunday, June 26th, 2022 AT 12:34 PM
Tiny
KASEKENNY
  • MECHANIC
  • 18,907 POSTS
Try unplugging all your injectors and put all other connectors back in place and change the fuses again. Install all fuses and turn the ignition back to run with the injectors unplugged.

If the fuse does not blow again then turn the ignition off, plug them back in one at a time. Then turn the ignition back on each time.

If all this started when you ran out of fuel, then maybe one of the injectors ran dry and shorted to ground somehow.

Basically, what is happening is there is a short to ground somewhere that is blowing this fuse. When you are unplugging different parts of the system you are removing the power or ground to the short circuit and the fuse stops blowing.

So, if I am correct and an injector is causing this then when you disabled the ECM, you were removing the ground side of the circuit to the injectors.

Then when you remove the injector fuse, you are removing the power to the injectors. So, unplugging them should keep the fuse from blowing and then we just need to find which one. Keep in mind, it may be more than one so each time you plug one back in and the fuse blows, you will need to leave that one unplugged and test the rest just to be sure you get them all.

These types of repairs take a little while to sort out unless it is a simple circuit. This is a very complex circuit so we just need to narrow it down.
Was this
answer
helpful?
Yes
No
+1
Sunday, June 26th, 2022 AT 1:51 PM

Please login or register to post a reply.