Ran out of gas now will not run

Tiny
JIMMY MCPHERSON II
  • MEMBER
  • 26 POSTS
I do not know where the injector "plugs" are? Do I need to remove any of the intake manifold, fuel rail, or air intake to get to them? Thanks, jmc
Was this
answer
helpful?
Yes
No
Sunday, June 26th, 2022 AT 2:11 PM
Tiny
JIMMY MCPHERSON II
  • MEMBER
  • 26 POSTS
I found the 4 injectors with the plug wire on top. I unplugged the one at a time and turned on the key all the way to the starter turning the engine. Did it twice. I started with the injector closest to the front of the car and the front of the engine. #1 unplugged fuse still burnt, left it unplugged inserted new 15 amp main fuse, unplugged #2 fuse burnt fuse again, new 15 amp, unplugged #3 fuse burnt again, new fuse unplugged #4 fuse burnt again. New fuse. All injectors unplugged, removed 30 amp INJ fuse key on crank, 15 amp fuse did not burn, plugged in 30 amp INJ fuse all injectors unplugged, key on crank, 15 amp fuse burnt. What else is on that circuit? What do I do npow? Thanks, jmc
Was this
answer
helpful?
Yes
No
Sunday, June 26th, 2022 AT 3:54 PM
Tiny
KASEKENNY
  • MECHANIC
  • 18,907 POSTS
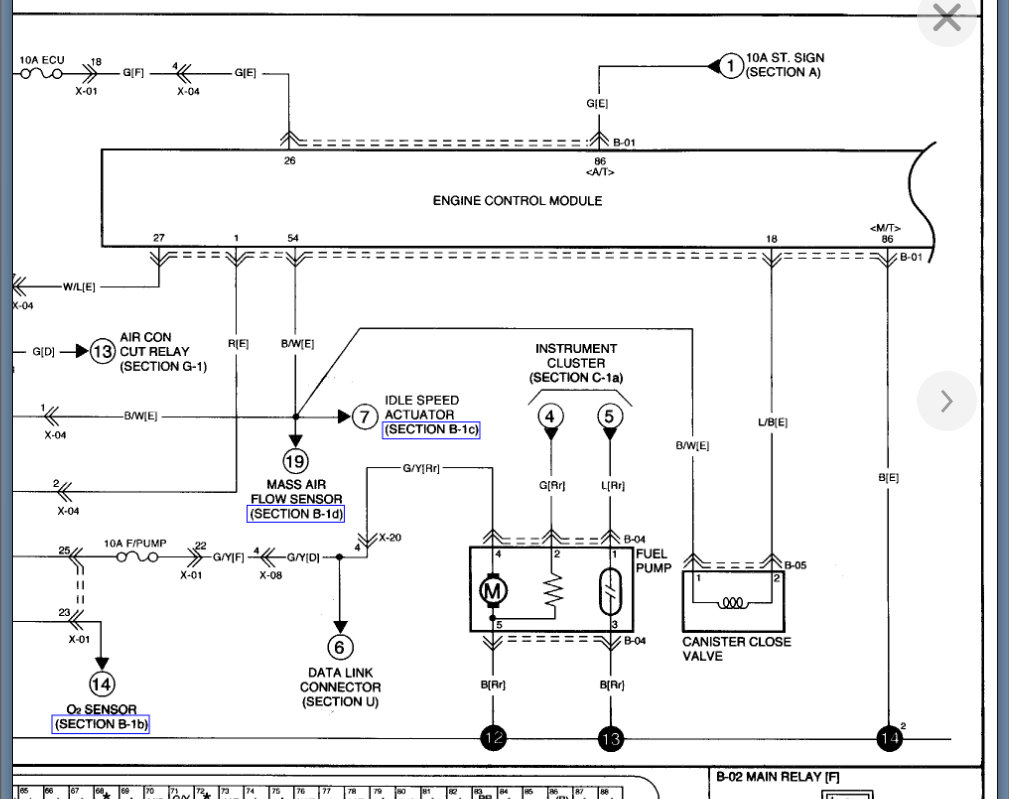
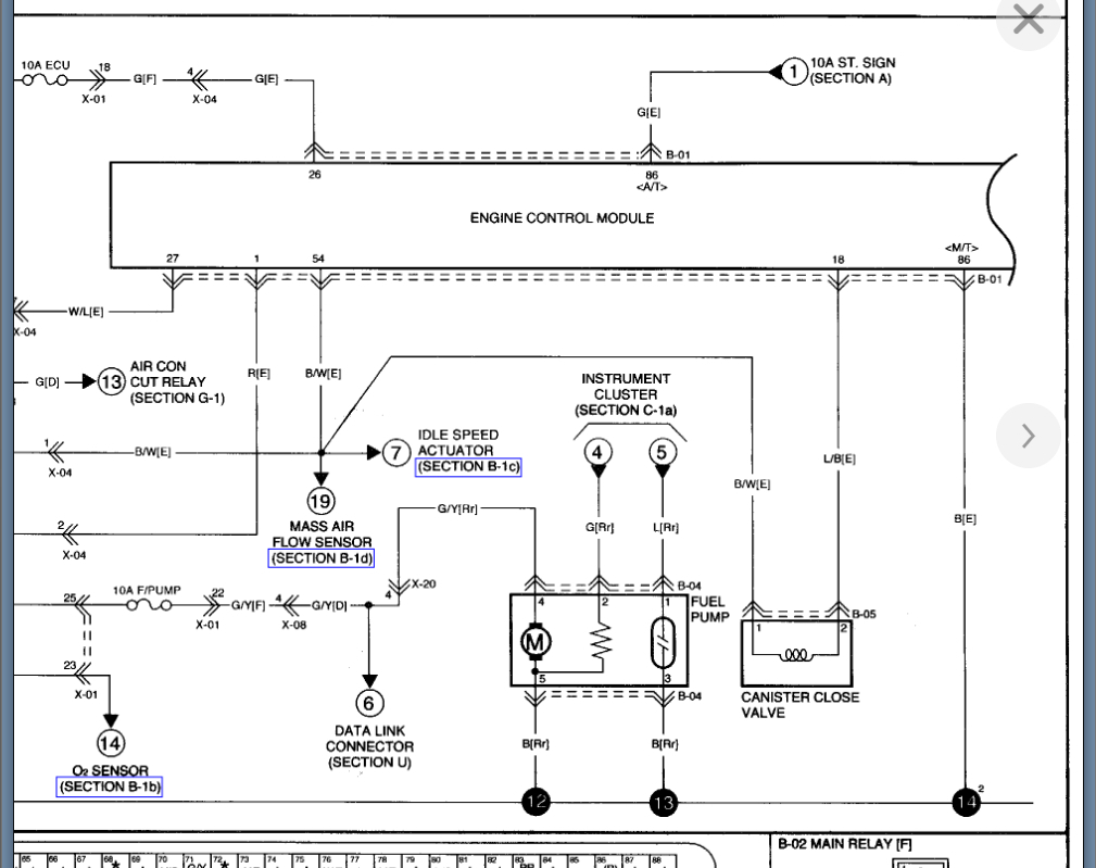
Okay. Take a look at this wiring diagram. There are a couple things that this fuse feeds so we need to move onto the next likely thing which would be the ignition coil or the compressor.

Basically, if this main relay fuse is blowing then we just have to keep moving until we find what it is. Like I said, this is a large circuit so just stay patient and you will find it.

Take a look at the diagrams below and I would focus on the second one because this shows both fuses so the smaller 15amp is what is blowing so we have something downstream of this circuit.
Was this
answer
helpful?
Yes
No
Monday, June 27th, 2022 AT 7:14 PM
Tiny
JIMMY MCPHERSON II
  • MEMBER
  • 26 POSTS
The air con is off always, I double-checked it. Are there two ignition coils? I will check it (them) in the morning. Thank you, James.
Was this
answer
helpful?
Yes
No
Monday, June 27th, 2022 AT 8:32 PM
Tiny
KASEKENNY
  • MECHANIC
  • 18,907 POSTS
I understand the A/C is always off but if it is shorted it will still have a path to ground so I would still unplug the compressor just to make sure.

I attached the info on the coils below. Thanks
Was this
answer
helpful?
Yes
No
+1
Tuesday, June 28th, 2022 AT 10:25 AM
Tiny
JIMMY MCPHERSON II
  • MEMBER
  • 26 POSTS
I unplugged the wires going into the coils under the cover on the firewall end of the motor. Turn the key on and the 15-amp fuse burned again. I will go back out and unplug the A/C compressor. Brb.
Was this
answer
helpful?
Yes
No
Tuesday, June 28th, 2022 AT 11:31 AM
Tiny
JIMMY MCPHERSON II
  • MEMBER
  • 26 POSTS
Okay removed. Key on 15-amp fuse burned again. Now what? Thanks, jmc
Was this
answer
helpful?
Yes
No
Tuesday, June 28th, 2022 AT 12:04 PM
Tiny
JIMMY MCPHERSON II
  • MEMBER
  • 26 POSTS
Now the A/C compressor fuse removed also. 15-amp main fuse burnt. That was the last fuse in the 10 pack so I must go to the auto parts store to get more. Now what? Thanks, jmc
Was this
answer
helpful?
Yes
No
Tuesday, June 28th, 2022 AT 12:06 PM
Tiny
KASEKENNY
  • MECHANIC
  • 18,907 POSTS
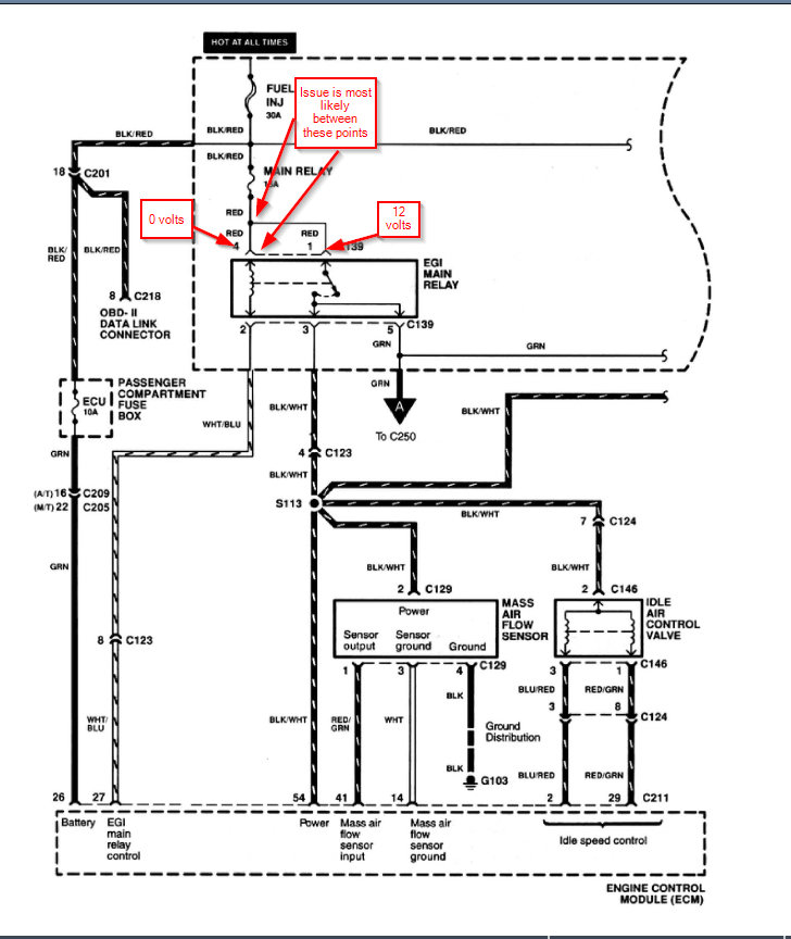
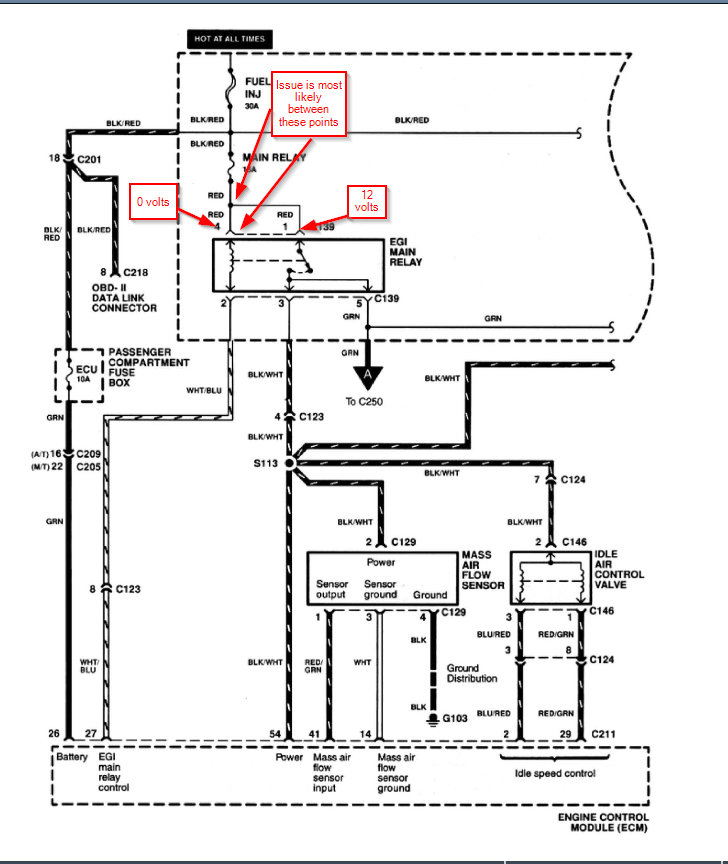
Next thing is to pull the main relay. Take a look at the diagram above and you will see the main fuse goes to the main relay. Let's see if the short is in front of the relay.
Was this
answer
helpful?
Yes
No
+1
Tuesday, June 28th, 2022 AT 4:59 PM
Tiny
JIMMY MCPHERSON II
  • MEMBER
  • 26 POSTS
Yes, the 15-amp main fuse burned. I then pulled the main relay out and measured VDC of the socket where the relay plugs in with vom. 85 and 86 almost 8 volts, the battery has a full charge. I had the charger on it. Then 85 to 87 & 87a same almost 8 volts in socket, 85 to 30 = 0. Should I have pulled all other fuses, so I was testing just the main relay?
Was this
answer
helpful?
Yes
No
Tuesday, June 28th, 2022 AT 5:57 PM
Tiny
KASEKENNY
  • MECHANIC
  • 18,907 POSTS
So, with the relay removed the fuse did not blow? Or it did with the relay out?

The 8 volts is wrong. It should have 12 volts, so we need to find out why.

I assume you were checking the voltage between the terminals so let's use an outside source and check these voltages.

Basically, you are going to be looking for a short to ground. So, on pin 4 and 1 you should have no continuity to ground.

2 and 3 should have ground with the key on.

So, the other way would be to check pin 1 and 4 using a known good ground and not the other relay terminal.

Then 2 and 3 put your meter on battery positive and then touch these pins with the key on with your black lead on these terminals. You should have 12 volts.

We are looking for where it shows 8 volts, and that leg will be the issue.
Was this
answer
helpful?
Yes
No
Tuesday, June 28th, 2022 AT 7:54 PM
Tiny
JIMMY MCPHERSON II
  • MEMBER
  • 26 POSTS
This is what I did at each step on your instructions and the results. Please review and advise what next? Kenny K, this is to make sure we are talking about the same things.
**** = my reply
So, with the relay removed the fuse did not blow? Or it did with the relay out?
**** relay removed = did not blow.
The 8 volts is wrong. It should have 12 volts so we need to find out why.
****7.6 volts was measured in the sockets with the relay removed in the fuse/relay box ****mounted in the right side of engine compartment on the relay itself these sockets are ****numbered 85 your supplied schematic pin number 4 and relay numbered 86 your schematic ****number 2
I assume you were checking the voltage between the terminals so let's use an outside source and check these voltages.
***** I was checking voltages in the socket with the relay removed in the fuse/relay box mounted in the right side of engine compartment
_ 85 0
*****on the relay itself the pins are numbered = M _30 12.18 |87a |87.02 -.25
**** E 12.18 0. 02 _ 86 12.18
.25
_4
**** on your schematic the pins are numbered _ 1 |3 |5
**** this is my interpretation of the schematic _2

Basically, you are going to be looking for a short to ground. So on pin 4 and 1 you should have no continuity to ground. **** M; 4 = 0 ; 1 = 0 ; k off

2 and 3 should have ground with the key on. **** M; 2 = 0; 3 = 10

So the other way would be to check pin 1 and 4 using a known good ground and not the other relay terminal. **** M = 1 o ; 4 = o
****k off; E = 1 = o ; 4 = 1.0 k on ; 1 = o; 4 = 9.4
Then 2 and 3 put your meter on battery positive and then touch these pins with the key on with your black lead on these terminals. You should have 12 volts.
****E; k on ; 2 = 12.15; 3 =.01 ; 5 = 12.18 M ; k on; 2 = 0 ; 3 = 12.15 ; 5 = 11.8 ; 4 = 11.6 ; 1 = 0
We are looking for where it shows 8 volts and that leg will be the issue.
Was this
answer
helpful?
Yes
No
Wednesday, June 29th, 2022 AT 8:25 AM
Tiny
KASEKENNY
  • MECHANIC
  • 18,907 POSTS
Okay. That is good. We are getting closer. Let me know if you did this and what the voltage reading is because I don't think I see it in the above response.

Turn the key on.

Remove the relay and check the voltage on pin 4 with your red meter lead and then the black meter lead on a known good ground.

Then the red meter lead on pin 1 and the black on a known good ground.

Try to use the battery post as the known good ground.
Was this
answer
helpful?
Yes
No
+1
Wednesday, June 29th, 2022 AT 11:28 AM
Tiny
JIMMY MCPHERSON II
  • MEMBER
  • 26 POSTS
Key on red on 4 = 0
on 1 =12.1 black lead on battery ground
Was this
answer
helpful?
Yes
No
Wednesday, June 29th, 2022 AT 11:52 AM
Tiny
KASEKENNY
  • MECHANIC
  • 18,907 POSTS
Okay. Pin 4 and 1 are both fed by the same fuses and circuit so they should have identical voltage.

If they don't then there has to be a short to ground after the splice for pin 1 and pin 4.

Also, this makes sense as to why the 15-amp fuse is blowing and not the injector fuse because it is a 30 amp. So, the 15 pops first because it is smaller.

If the 15-amp fuse is removed and a 45 amp is put in, the 30 would blow first.

So here is how we confirm this:

Turn the key off.

Remove the relay, and let's check resistance to ground on pin 4.

You do this by putting your meter on ohms then put the red lead on terminal 4 and then the black on battery negative. It should read OL or infinite resistance. Get a picture of the meter because depending on what meter you have, it could be different.

However, if you have a reading then you have a path to ground and with the relay removed, there should be no path to ground.
Was this
answer
helpful?
Yes
No
Wednesday, June 29th, 2022 AT 12:45 PM
Tiny
JIMMY MCPHERSON II
  • MEMBER
  • 26 POSTS
Ohm meter set on 200 range.
Was this
answer
helpful?
Yes
No
Wednesday, June 29th, 2022 AT 1:15 PM
Tiny
KASEKENNY
  • MECHANIC
  • 18,907 POSTS
We are narrowing in on it. We have a short, but it appears this is not a wire but instead a circuit board that is connecting these fuses and relay.

So, if it were me, I would source a new fuse box or take this one apart and see if you can find any signs of water intrusion as that is likely what caused this.

I don't have any info on how to take it apart so you would have to look and see if there are tabs to separate it and access the circuit board.
Was this
answer
helpful?
Yes
No
+1
Wednesday, June 29th, 2022 AT 1:27 PM
Tiny
JIMMY MCPHERSON II
  • MEMBER
  • 26 POSTS
I do not see anyway. I do not think it has a circuit board. There are wires connecting the various sockets where fuses are plugged.
Was this
answer
helpful?
Yes
No
Wednesday, June 29th, 2022 AT 2:39 PM
Tiny
JIMMY MCPHERSON II
  • MEMBER
  • 26 POSTS
Maybe I identified the pin numbers wrong?
Was this
answer
helpful?
Yes
No
Wednesday, June 29th, 2022 AT 2:41 PM
Tiny
JIMMY MCPHERSON II
  • MEMBER
  • 26 POSTS
I do see a wire connecting the relay to the 15 amp fuse.
Was this
answer
helpful?
Yes
No
Wednesday, June 29th, 2022 AT 2:42 PM

Please login or register to post a reply.