Key will not start car

Tiny
JESSICCA313
  • MEMBER
  • 2010 MAZDA 3
  • 4 CYL
  • 2WD
  • AUTOMATIC
  • 160,000 MILES
Key will unlock car. Will turn all dash lights on but won't crank car.
Tuesday, April 7th, 2020 AT 8:11 PM

3 Replies

Tiny
JACOBANDNICKOLAS
  • MECHANIC
  • 110,194 POSTS
Hi,

When you turn it to the start position, does anything happen? For example, do any lights dim, do you hear a click or anything?

If nothing is happening, first make sure the battery terminals are clean and tight. Next, do a load test on the battery which is very easy. Here is a link to help with that:

https://www.2carpros.com/articles/car-battery-load-test

If the battery checks good, check all fuses in the under hood fuse box. There will be a high amperage fuse for the starter. Here are links to help with that:

https://www.2carpros.com/articles/how-a-car-fuse-works

https://www.2carpros.com/articles/how-to-check-a-car-fuse

If the fuses are good, check the starter relay. See pic 1 for location. (under hood fuse box).

https://www.2carpros.com/articles/how-to-check-an-electrical-relay-and-wiring-control-circuit

If the relay is good, we need to check at the starter. Here is a link that explains how to do it:

https://www.2carpros.com/articles/starter-not-working-repair

Here are a few links you may find helpful when testing:

https://www.2carpros.com/articles/how-to-use-a-test-light-circuit-tester

https://www.2carpros.com/articles/how-to-use-a-voltmeter

https://www.2carpros.com/articles/how-to-check-wiring

_________________________________________

I realize this is a lot. Do your best and let me know if you have questions or need help.

Take care,
Joe
Was this
answer
helpful?
Yes
No
Tuesday, April 7th, 2020 AT 8:51 PM
Tiny
JESSICCA313
  • MEMBER
  • 2 POSTS
Checked all fuses; all good. Starter is good too. Even had locksmith out to check key. Still won't crank. Dash lights and radio come on, and when turn key to crank, dash lights stay on and doesn't make a sound.
Was this
answer
helpful?
Yes
No
Wednesday, April 8th, 2020 AT 2:14 PM
Tiny
JACOBANDNICKOLAS
  • MECHANIC
  • 110,194 POSTS
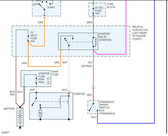
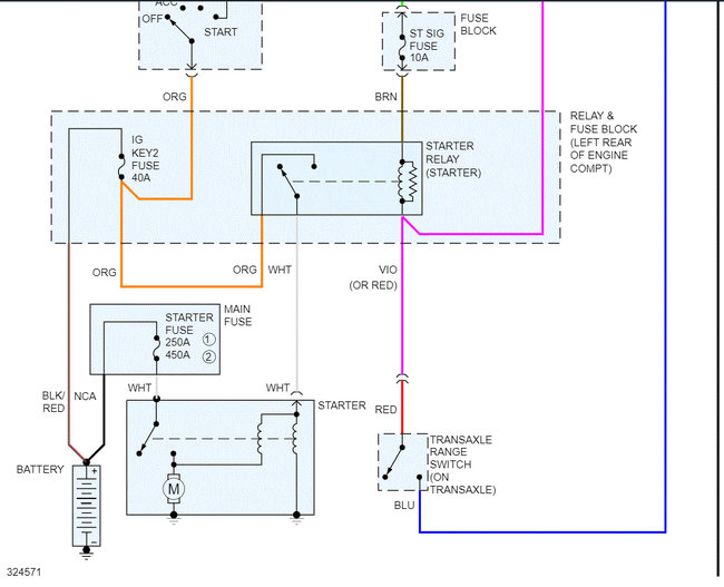
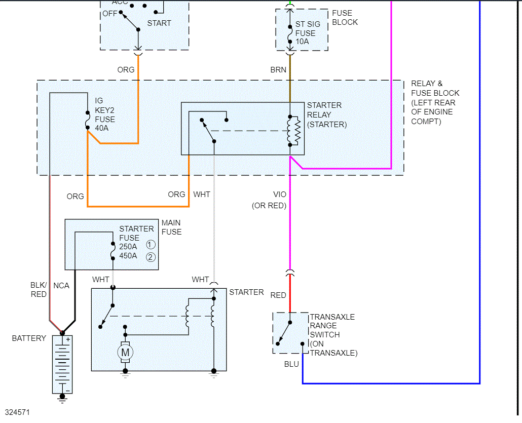
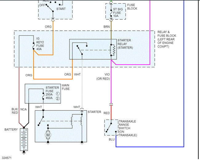
Okay, then we need to check if there is power to the smaller wire on the starter (s-terminal). That should only get 12v when the key is in the start position. If it does get power and the starter does nothing, it is a starter issue. If there is no power, then we need to work back to the relay, fuse, and see where power is lost.

Even if the anti theft is engaged, the starter should still engage.

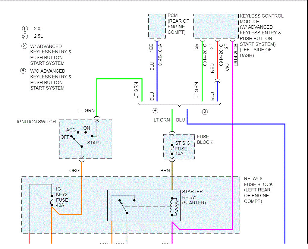
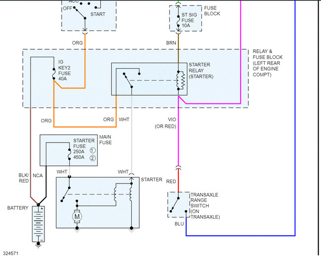
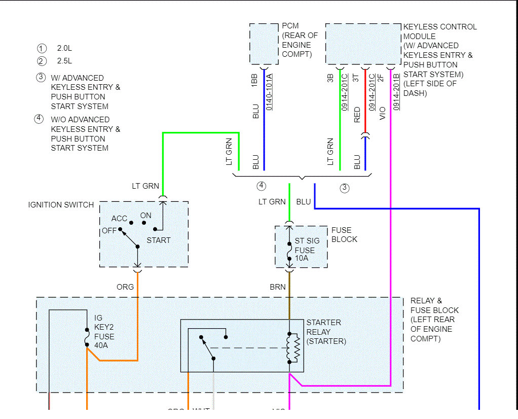
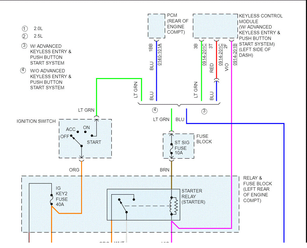
I attached two pics of the wiring schematic specific to this vehicle Note the white wire going to the starter is the one that only gets power in the start position. Please recheck all the fuses in this diagram. Not only the fuse should be checked, but also make sure there is power both into the fuse and out. That is important.

The schematic is broken into two pics. I had to do that so they were readable. I did, however, overlap them so you could easily follow from one to the other.

Check these things and let me know. Note that I would also confirm the relay is good.

Take care and let me know what you find. Also, if you could let me know how the starter was checked may help me.

Joe
Was this
answer
helpful?
Yes
No
Wednesday, April 8th, 2020 AT 6:35 PM

Please login or register to post a reply.