Wednesday, April 5th, 2017 AT 11:09 AM
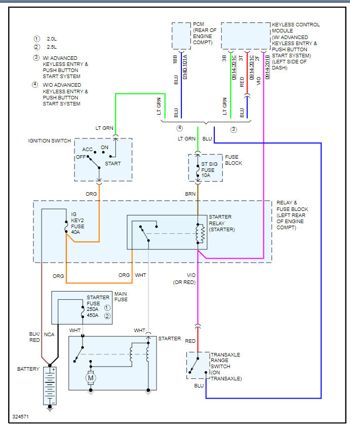
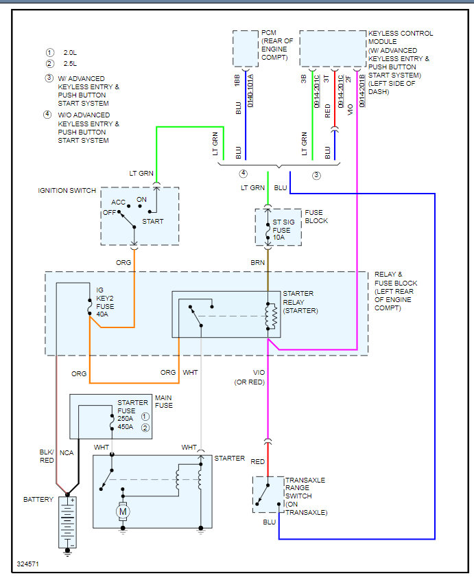
One day the car wouldn't start. Does not make a sound when turn the key. The battery is 1.5 months old. Jumped the battery, it started. Since then, has not started even with a jump. Tested the battery, still good. Replaced the starter. Nothing. Windows, radio, and interior lights not working. Headlights work. All fuses checked and fine.



