Car will not start

Tiny
HENRYDG
  • MEMBER
  • 2007 CADILLAC CTS
  • 6 CYL
  • 2WD
  • AUTOMATIC
  • 48,700 MILES
When you try to start it, it cranks but does not start. It acts as if it is flooded. I didn't think you could flooded a fuel injected engine.
Friday, January 14th, 2011 AT 1:34 AM

60 Replies

Tiny
RASMATAZ
  • MECHANIC
  • 75,992 POSTS
Please turn the key to the on position without cranking the engine over to see if you can here the fuel pump int he tank come on for 5 seconds? This guide will help us see whats going on.

https://www.2carpros.com/articles/car-cranks-but-wont-start

Please run down this guide and report back.
Was this
answer
helpful?
Yes
No
+9
Friday, January 14th, 2011 AT 1:36 AM
Tiny
CTSUE
  • MEMBER
  • 1 POST
  • 2007 CADILLAC CTS
  • 2.8L
  • 6 CYL
  • 2WD
  • AUTOMATIC
  • 108,000 MILES
Car was running fine. Went to start it and it turns over will not start. Have checked security system seems fine. Battery shows twelve volts. What could be wrong?
Was this
answer
helpful?
Yes
No
+34
Monday, April 29th, 2019 AT 5:59 PM (Merged)
Tiny
JOHNNY G.JR
  • MECHANIC
  • 320 POSTS
Turn key to on in a quiet environment to hear if fuel pump is energizing, usually a few seconds. If not check fuses.
Was this
answer
helpful?
Yes
No
+6
Monday, April 29th, 2019 AT 5:59 PM (Merged)
Tiny
KEN L
  • MASTER CERTIFIED MECHANIC
  • 55,469 POSTS
Hey CTSUE

Here is a great guide on what to look for when you car does not start.

https://www.2carpros.com/articles/car-cranks-but-wont-start

Please let us know happens so it will help others.

Best, Ken
Was this
answer
helpful?
Yes
No
Monday, April 29th, 2019 AT 5:59 PM (Merged)
Tiny
AHERNANDEZ336
  • MEMBER
  • 1 POST
  • 2007 CADILLAC CTS
  • 6 CYL
  • 2WD
  • AUTOMATIC
  • 56,000 MILES
The car turns on, all the lights work, radio. Etc. The car just won't start. It sounds like its about to turn over but doesn't. The engine light comes on though. What can the possible problems be?
Was this
answer
helpful?
Yes
No
+8
Monday, April 29th, 2019 AT 5:59 PM (Merged)
Tiny
RASMATAZ
  • MECHANIC
  • 75,992 POSTS
It sounds like you have a weak battery but to be sure here is a guide to help you test it.

https://www.2carpros.com/articles/car-battery-load-test

let me know please

Was this
answer
helpful?
Yes
No
+3
Monday, April 29th, 2019 AT 5:59 PM (Merged)
Tiny
ITCHY386
  • MEMBER
  • 1 POST
  • 2007 CADILLAC CTS
  • 6 CYL
  • AUTOMATIC
Car refuses to start after I fill it up with gas, but if I push the gas pedal down and then crank it then it starts. (Starts without a problem normal). Hope you guys can help.
Was this
answer
helpful?
Yes
No
+3
Monday, April 29th, 2019 AT 5:59 PM (Merged)
Tiny
PROTECH1980
  • MEMBER
  • 901 POSTS
Do you know if there are any Diagnostic Trouble Codes/check engine light stored in the ecm? I have not personally seen this, but I did some research and have come across a few Cadillacs with same problem, more than likely this is going to be your Evaporative emmissions (EVAP) canister purge solenoid/valve malfunctioning. The EVAP purge solenoid controls the flow of vapors from the EVAP system to the intake manifold. This normally closed solenoid is pulse width modulated (PWM) by the control module to precisely control the flow of fuel vapor to the engine. The solenoid will also be opened during some portions of the EVAP testing, allowing engine vacuum to enter the EVAP system. If yours is staying open while fueling it is letting more than ussaul gas fumes into the intake creating a hard start condition. Hope this helps.
Was this
answer
helpful?
Yes
No
+10
Monday, April 29th, 2019 AT 5:59 PM (Merged)
Tiny
PETEY20
  • MEMBER
  • 3 POSTS
  • 2005 CADILLAC CTS
  • 82,250 MILES
05 Cadillac CTS I would like an experts opinion on what may be the cause w/ the info I found so far. First off I want to say hello and thanks for any help in diagnosing my problem.

My car is 2005 CTS 2.8L w/manual transmission which had been dormant for about 2.5 years. When first returning to the car the battery was completely dead. I tried to recharge it and discovered it wouldn't hold a charge. Using this battery with the charge it could hold, after trying to start it a few times it finally made it though the starter relay and I could get the sloenoid to push resulting in the "Click, Click, Click", figured the battery just didn't have enough juice. I then replaced the battery and after installing the new battery the car does nothing when trying to start. The security light on the dash and a message "service security system" shows only after the key is in the ignition for 60 seconds.

When I insert the key and turn once the security light turns on for 5 sec. Then disappears, 60 sec. Later it turns back on and that's when the message appears on the DIC. The exact same sequence of events occurs when turning the key twice to the ON position. The "service security system" error was also present on the old battery.
I discovered the Accessory Relay in the underhood fusebox is clicking (not the same click described in my first post) and gets hot when trying to crank, the relay itself is not bad (resistance reading 80 ohms). I checked all other fuses and relays and found no faults. I did notice that the ECM housing including the grounds connected to it is covered in a white residue. Also, Looking in the underhood fusebox I noticed the wires in the Engine W/H Connector looked "messy", have you seen issues with single wires pulling slightly out of the connector?

DTCs:
U1000 (All computers throw the code)
C0244 (From ABS computer)
C0243 (From ABS Computer)

Problems Onstar diagnostic tech reported to me:
-Traction Control/Stabilitrack error (TC light always illuminated)
-ABS error
-Airbag error (Onstar's auto. Crash detect/notify system is unresponsive)
-Onstar system error (a little humor in hearing Onstar tell me that)
-ECM communication error
-Transmission error
-Security system detected
Was this
answer
helpful?
Yes
No
Monday, April 29th, 2019 AT 6:00 PM (Merged)
Tiny
ASEMASTER6371
  • MECHANIC
  • 52,796 POSTS
Was this a flood car? I sounds like you have an ABS or BCM module that is out but to be sure lets check all fuses to see if there is a computer power fuse out.

https://www.2carpros.com/articles/how-to-check-a-car-fuse

Here are the fuse panel location and description.

Roy
Was this
answer
helpful?
Yes
No
Monday, April 29th, 2019 AT 6:00 PM (Merged)
Tiny
PETEY20
  • MEMBER
  • 3 POSTS
No, but the car was stored outside while I was overseas. Also, prior to leaving the exhaust fell off. It cracked right behind the plate which bolts to the exhaust manifold and I didn't have time to fix it before I left. I found another possible issue when cleaning the interior, under the drivers seat near the wires there was white & blue dust build up on the floor which appeared to be from corrosion. Also, under the wires I found a quarter which was covered in blue/white corrosion and a penny which was so corroded it crumbled like a cracker. This was the only place inside the car which showed any signs of corrosion, weathering or wear.
Was this
answer
helpful?
Yes
No
-1
Monday, April 29th, 2019 AT 6:00 PM (Merged)
Tiny
ASEMASTER6371
  • MECHANIC
  • 52,796 POSTS
Yep I bet the BCM is out which is subject to moisture inside the car. The ABS module is weatherproof.

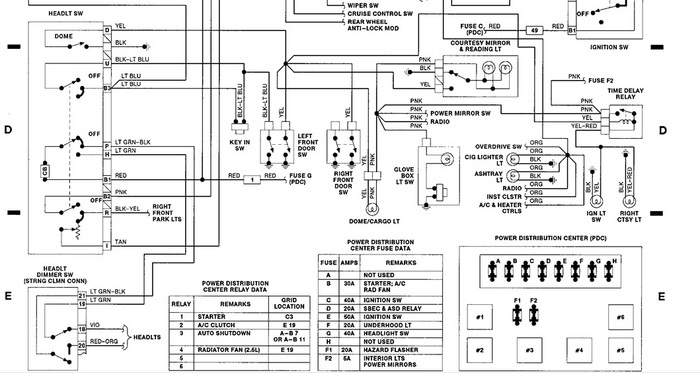
You will need to have it programmed in for about $130.00. Here is the location.

Check out the diagrams (Below)

Please let us know what you find.

Cheers, Roy
Was this
answer
helpful?
Yes
No
Monday, April 29th, 2019 AT 6:00 PM (Merged)
Tiny
PETEY20
  • MEMBER
  • 3 POSTS
Thanks, I also have recalls that need to be completed (one recall that as to do with the brake line, possibly the ABS/TC issue), do you think the dealer would attempt to do the recalls/diagnose any problems since the car wont start without any charges? Ok, I got it started by trying to crank the engine and letting the key return to the ON position, leaving the key in the ON position I reset the ECM connection by pulling the top connector slightly on and off about 8 times (each time the relays in the fuse box clicked) and then on the 8th time I heard a click (Believe is the throttle body) along with a long loud beep (lasted for about 5 sec) and then without hesitation she started up perfectly. But then it stalled and would not restart. So I did what you said and had the BCM replaced and that did the trick all fixed. Nice work guys!
Was this
answer
helpful?
Yes
No
+2
Monday, April 29th, 2019 AT 6:00 PM (Merged)
Tiny
OKCOPIER
  • MEMBER
  • 10 POSTS
  • 2006 CADILLAC CTS
Thank you for responding to my question. After checking all of the suggested items, automobile still will not start. After trying to start the vehicle, I noticed oil in the tube of the air filter vent. Have anyone seen this happen or what ccould this mean? Once again thanks.
Was this
answer
helpful?
Yes
No
Monday, April 29th, 2019 AT 6:00 PM (Merged)
Tiny
JACOBANDNICKOLAS
  • MECHANIC
  • 110,194 POSTS
If it isn't too excessice, don't worry about it. It is coiming through the PCV system. I don't know how many miles are on the vehicle, but wear can cause excessive crankcase pressure pushing oil up. As far as it not running, can you tell me what you have already done? Is the engine getting spark and fuel? Is the fuel pressure within spec?
Was this
answer
helpful?
Yes
No
Monday, April 29th, 2019 AT 6:00 PM (Merged)
Tiny
OKCOPIER
  • MEMBER
  • 10 POSTS
So far I have changed all spark plugs plus the coils, the fuel filter and pump, pvc valve, and air filter. After replacing the fuel pump, I could hear the fuel pump turn on when turning the key, so I disconnected the fuel filter to see if the pump was pumping gas out of the tank to the filter and it was. I gapped the spark plugs at 50. So far this is all I have done. All of this occurred when I was driving and turned the car off and tried to turn it back on and the car would not start which had happended before but after sitting and letting the car cool it would start back up but this time it did not. Thanks in advance.
Was this
answer
helpful?
Yes
No
Monday, April 29th, 2019 AT 6:00 PM (Merged)
Tiny
JACOBANDNICKOLAS
  • MECHANIC
  • 110,194 POSTS
I want you to try something. See if the engine will start for a few seconds with starting fluid and let me know what happens.
Was this
answer
helpful?
Yes
No
Monday, April 29th, 2019 AT 6:00 PM (Merged)
Tiny
OKCOPIER
  • MEMBER
  • 10 POSTS
It try to start but will not cacth.
Was this
answer
helpful?
Yes
No
Monday, April 29th, 2019 AT 6:00 PM (Merged)
Tiny
RICKYSH11
  • MEMBER
  • 75 POSTS
  • 2005 CADILLAC CTS
  • 6 CYL
  • 2WD
  • AUTOMATIC
For the past couple of days I have been experiencing some starting problems with my car. At first it seemed to only happen when the car has not been used for several hours when the temperature has dropped, but now it happens every time the engine has been turned off. The problem is that when I try to start the car it sounds as if it were trying to turn over but doesn't. The radio, lights, and the mirrors are also affected. The headlights blink on and off and the radio won't turn on. The interior lights get dim and the mirrors move very slowly. Also there is a clicking noise when turning the key. I thought that maybe its the battery but after it finally starts after 10 or 15 minutes of trying the DIC shows the battery is fine with 14 volts but the time, trip, timer, etc. Is reset. Could this be a battery problem or maybe the starter or alternator problem? FYI- I have had a check engine scan done and the codes that came up are P0430, P0496, U1016, and B0561(which I can't seem to find much info on this particular code, but it shows system disabled, infor stored invalid, serial data, received) would these have anything to do with the no start issue?
Was this
answer
helpful?
Yes
No
+1
Monday, April 29th, 2019 AT 6:00 PM (Merged)
Tiny
JACOBANDNICKOLAS
  • MECHANIC
  • 110,194 POSTS
If it is firing, then my guess it is a fuel related issue. Check to make sure the fuel pressure is within the manufacturer's specs. Also, make sure you are getting a good hot blue snapping spark at the plugs. Let me know how many miles are on the engine too.
Was this
answer
helpful?
Yes
No
Monday, April 29th, 2019 AT 6:00 PM (Merged)

Please login or register to post a reply.