Car will not start

Tiny
OKCOPIER
  • MEMBER
  • 10 POSTS
Ok do thinh I have a bougth bad fuel pump? If so let me knowe and Thank's for your support. Have a Goodnight!
Was this
answer
helpful?
Yes
No
Monday, April 29th, 2019 AT 6:00 PM (Merged)
Tiny
ALEXXTHEGREAT
  • MEMBER
  • 5 POSTS
The engine size is a 3.2 V6: iT IS POSSIBLE IT IS A BATTERY CONNECTION, BUT THERE IS NO CORRISION AND THE CABLES LOOK LIKE THEY ARE IN GOOD SHAPE. THE STARTER IS NEW AND HAS BEEN TESTED.

Thanks
Was this
answer
helpful?
Yes
No
+1
Monday, April 29th, 2019 AT 6:00 PM (Merged)
Tiny
JACOBANDNICKOLAS
  • MECHANIC
  • 110,192 POSTS
If you have good spark and it still won't start even with starting fluid, either you have a broken timing chain or for some reason there is a major loss of compression.

At this point, I recommend a compression test. If you find cylinders with compression and others with no compression, most likely the chain is broken and you have valves stuck open.
Was this
answer
helpful?
Yes
No
+1
Monday, April 29th, 2019 AT 6:00 PM (Merged)
Tiny
JACOBANDNICKOLAS
  • MECHANIC
  • 110,192 POSTS
It could be bad, you could have a bad regulator, or there could be a block in the supply line. What to do is check the fuel pressure before the fuel filter. That way we can eliminate the filter as an issue.
Was this
answer
helpful?
Yes
No
Monday, April 29th, 2019 AT 6:00 PM (Merged)
Tiny
RIVERMIKERAT
  • MECHANIC
  • 6,110 POSTS
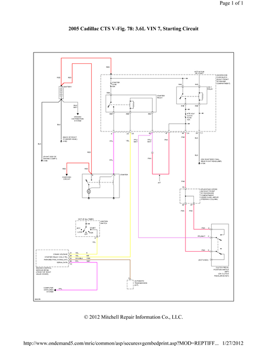
Our reference doesn't show a 3.2-liter for a 2005 Cadillac CTS. The options for a V-6 engine are 2.8-liter and 3.6-liter.

Here is the starting schematic for the 3.6-liter.
Was this
answer
helpful?
Yes
No
+1
Monday, April 29th, 2019 AT 6:00 PM (Merged)
Tiny
ABREWER00
  • MEMBER
  • 10 POSTS
The engine has compression so I am kind of stumped here. It had two codes a p0121 and p0221 tps sensor. Could a faulty tps cause it not to start, I would think it would just cause erratic rpms and overall rough running but would still start. What's your thoughts?
Was this
answer
helpful?
Yes
No
+3
Monday, April 29th, 2019 AT 6:00 PM (Merged)
Tiny
CADIEMAN
  • MECHANIC
  • 3,544 POSTS
Click click click is a low or bad battery. Just charge the battery to see if it passes a load test. Then let them check your altenator and that it has no draw on the battery.
Was this
answer
helpful?
Yes
No
-1
Monday, April 29th, 2019 AT 6:00 PM (Merged)
Tiny
JACOBANDNICKOLAS
  • MECHANIC
  • 110,192 POSTS
It could, but it's unlikely. I would think it would have started a couple seconds with starting fluid. That is what is leading me to think the crankshaft sensor is shorting out under load.
Was this
answer
helpful?
Yes
No
+2
Monday, April 29th, 2019 AT 6:00 PM (Merged)
Tiny
ALEXXTHEGREAT
  • MEMBER
  • 5 POSTS
The vehicle is a 2003 CTS. The battery is under warranty at Batteries plus. I had them check and watched. I went to autozone and had checked it
with there tester. I went to Advance and they checked it. I tried to
recreate the situation thinking it might be the batterry connection.
I turn the car on and wiggled the cables going to the battery to see if
I could verify there was a loose or broken connection. I could not.
I would think it could be the starter, but the problem was there before
I put the new starter on. Like I say it is intermittent and occurs when
the car is shut off and then I try to recrank without letting it sit to cool. This is why I changed the starter relay. My guess it has to be an electrical connection or the crankshaft position sensor. I did not see
any loose wires or frayed wires when I took the covering off the key ignition in the interior. The only code I have is for an O2 sensor.
Was this
answer
helpful?
Yes
No
+1
Monday, April 29th, 2019 AT 6:00 PM (Merged)
Tiny
ABREWER00
  • MEMBER
  • 10 POSTS
Thanks for your response I should be able to recheck compression tomorrow along with the timing belt. I also am going to verify that I have injector pulse while I am there. Tps sensor doesn't make sense to me either just wanted to let you know what codes were on history of computer.
Was this
answer
helpful?
Yes
No
+3
Monday, April 29th, 2019 AT 6:00 PM (Merged)
Tiny
CADIEMAN
  • MECHANIC
  • 3,544 POSTS
Have u checked the voltage at the starter yet?
Was this
answer
helpful?
Yes
No
-1
Monday, April 29th, 2019 AT 6:00 PM (Merged)
Tiny
ABREWER00
  • MEMBER
  • 10 POSTS
Well I had a chance to check compression and it was good numbers on cylinder were 145 155 180 175 150 and 135. I removed drivers side valve cover and checked timing links on chain in reference to cam sprocket and the flat spots on rear of cam that the book said. So I decided to remove front cover and see if it slipped. After I got cover off I lined up crank reference points and noticed the marks lined up.

The camshafts were lined up correctly on top so I proceeded to the other chain on right side and links also in right place and camshafts were in right position. So what I concluded was someone must have put a chain on this car before and timed cams to crank and just replaced the chains. I understand that this will work since a link is a link but it made it very confusing for the next guy which is me to work on. So long story short I still have a no start I can't figure out thanks.
Was this
answer
helpful?
Yes
No
+2
Monday, April 29th, 2019 AT 6:00 PM (Merged)
Tiny
RIVERMIKERAT
  • MECHANIC
  • 6,110 POSTS
And had a starter draw test performed?
Was this
answer
helpful?
Yes
No
Monday, April 29th, 2019 AT 6:00 PM (Merged)
Tiny
JACOBANDNICKOLAS
  • MECHANIC
  • 110,192 POSTS
If you are 100% sure it is correct, my guess is either bad computer or bad crankshaft sensor. Here are some diagrams to help you get the problem fixed. (Below)
Was this
answer
helpful?
Yes
No
+4
Monday, April 29th, 2019 AT 6:00 PM (Merged)
Tiny
ABREWER00
  • MEMBER
  • 10 POSTS
I was using a Chilton book and all data as references for diagrams. I am pretty sure at this point that timing is correct. I will try the crankshaft sensor, I guess its the only thing left that's easy.
Was this
answer
helpful?
Yes
No
Monday, April 29th, 2019 AT 6:00 PM (Merged)
Tiny
JACOBANDNICKOLAS
  • MECHANIC
  • 110,192 POSTS
I have to be honest, I would think it would be the problem becasue the spark comes and goes like the sensor is having a hard time.
Was this
answer
helpful?
Yes
No
Monday, April 29th, 2019 AT 6:00 PM (Merged)
Tiny
ABREWER00
  • MEMBER
  • 10 POSTS
I have GREAT NEWS! The sensor fixed it, I cant believe it after everything I have been through. :) I love this site
Was this
answer
helpful?
Yes
No
Monday, April 29th, 2019 AT 6:00 PM (Merged)
Tiny
JACOBANDNICKOLAS
  • MECHANIC
  • 110,192 POSTS
Good to hear, please use 2CarPros anytime we are here to help.

Cheers
Was this
answer
helpful?
Yes
No
+1
Monday, April 29th, 2019 AT 6:00 PM (Merged)
Tiny
ABREWER00
  • MEMBER
  • 10 POSTS
Thanks again!
Was this
answer
helpful?
Yes
No
Monday, April 29th, 2019 AT 6:00 PM (Merged)
Tiny
ABREWER00
  • MEMBER
  • 10 POSTS
Where can I send a Donation to help this site?
Was this
answer
helpful?
Yes
No
Monday, April 29th, 2019 AT 6:00 PM (Merged)

Please login or register to post a reply.