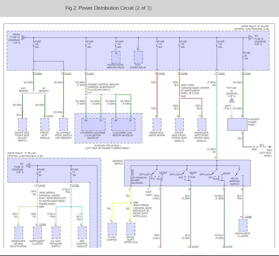
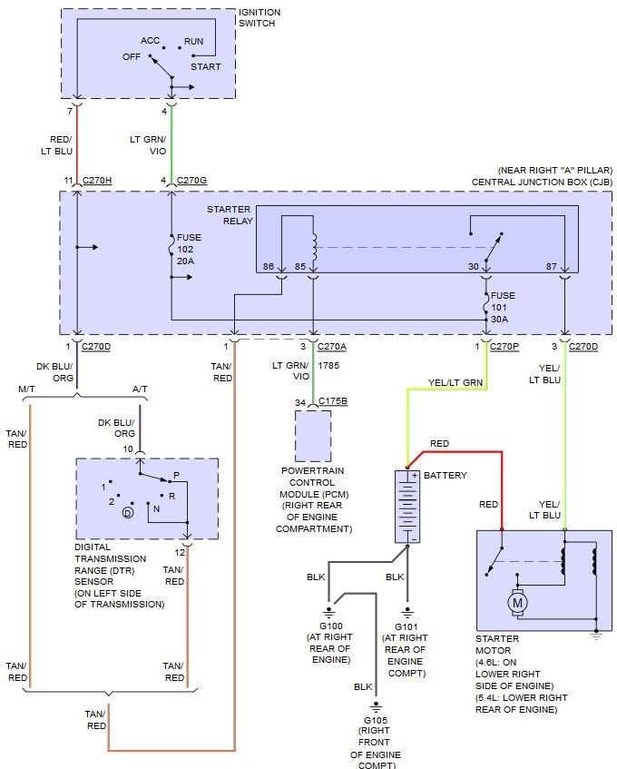
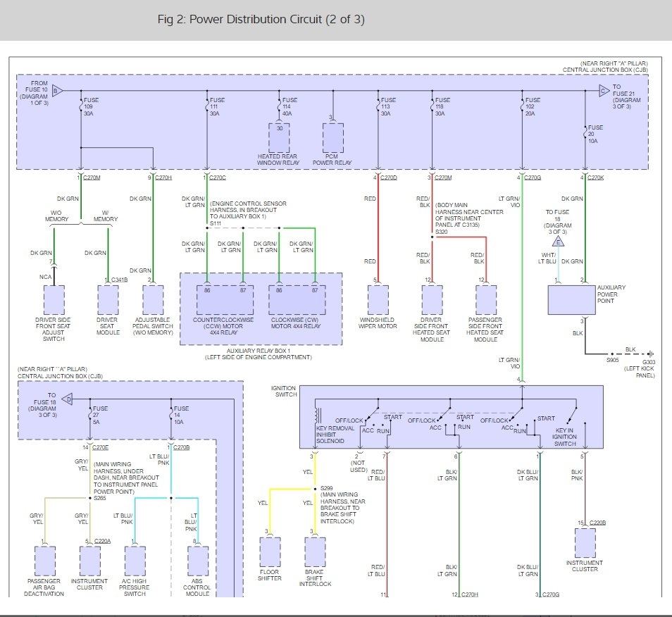
I did some checking and it looks like you may have an ignition switch that has gone out, here is a wiring diagram and a guide to help you confirm the problem. See how the radio and turn signals come off of the one terminal?
https://www.2carpros.com/articles/how-to-use-a-test-light-circuit-tester
and
https://www.2carpros.com/articles/car-cranks-but-wont-start
This could be why the engine stopped as well.
Please run some tests and get back to us so we can continue helping you.
Was this helpful?
Yes
No
Sunday, May 30th, 2021 AT 3:45 PM
(Merged)








