suddenly the engine it will crank but not start up ?

1994 FORD RANGER
15,000 MILES • 4.0L • V6 • 2WD • AUTOMATIC
Avatar
BYSTANDER
  • MEMBER
  • 5 POSTS
The engine has never failed to start. After attempting to activate fuel pump to drain tank for evap system repair, suddenly with no warning, it refused to start. Checked secondary system with spark tester, there was no spark.
Oct 2, 2019 at 10:47 PM
Repair Safety Notice: This information is for general instructional purposes only. Vehicle repair can be dangerous. Verify all information, follow manufacturer service procedures, use proper tools and safety equipment, and consult a qualified repair shop when needed.
Advertisement
Avatar
STRAILER
  • AUTOMOTIVE REPAIR CONTRIBUTOR
  • 54,162 POSTS
Hello,

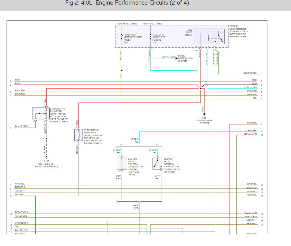
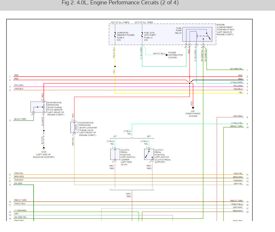
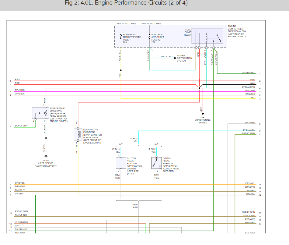
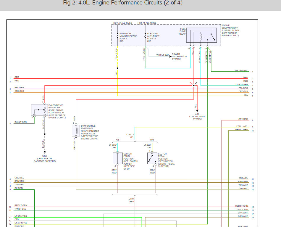
Lets check fuses #34 and 19 with the PCM power relay. Here are guides to help you with the engine wiring diagrams below so you can see how the system works as well as the fuse and relay locations:

https://www.2carpros.com/articles/how-to-check-a-car-fuse

and

https://www.2carpros.com/articles/how-to-check-an-electrical-relay-and-wiring-control-circuit

This can help as well:

https://www.2carpros.com/articles/car-cranks-but-wont-start

Check out the diagrams (below). Please run some tests and get back to us. Check out the diagrams (below). Please let us know what you find. We are interested to see what it is.
Oct 4, 2019 at 1:57 PM
Advertisement
Avatar
BYSTANDER
  • MEMBER
  • 5 POSTS
Wow! I'm impressed with the response--thank you.The information was excellent, but it applies to an OBD2 system. This, of course, is a 1994 truck; OBD1 --quite a bit different. Might you be able to send the same set for the 1994? Even the fuse box layouts are very different. It would be most appreciated since I don't even have an owner's manual. As soon as I can complete the Evap system repairs, I'll be ready to work on the no start problem.
Again---thank you so much for your willingness to help.
Oct 10, 2019 at 8:56 PM
Avatar
MASTERWRENCH
  • AUTOMOTIVE REPAIR CONTRIBUTOR
  • 258 POSTS
Hello,

Just thought I'd jump in here. I know you said you currently have no spark, however I'm curious about the other evap system repairs you mentioned. In your initial post, you indicated the engine started and ran fine prior to activating the fuel pump to drain the system for an evap repair. Can you elaborate?
Oct 14, 2019 at 3:54 PM
Avatar
BYSTANDER
  • MEMBER
  • 5 POSTS
Masterwrench:
I should have said that a little differently: This situation began when I discovered there was a failure to hold pressure somewhere in the EVAP system---( It turned out to be a failed filler neck hose thanks to California continually reformulating the gas, disregarding rubber compatibility of fuel system parts.) Thanks EPA, thanks carburetor!
Draining the fuel tank was done in case it needed to come out for cleaning.
Up to that point, anytime the engine needed to be running for any reason it never failed to start the entire time it has lived here. When the no start happened, relays checked okay, but spark was a no show. That triggered my mayday.
There may be a clue, the jumper technique used to pump out the fuel didn't work as advertised with key on, fuel pump relay jumpered it would pump for 2-4 seconds then stop instead of continuing to run. Didn't seem right, so turned to good ole' siphon hose which did the job, but still no spark. So, that job's done. Everything seems okay. So, did I miss something? Did I burn something out? I have a feeling it'll be something really embarrassing! Hope not.
Oct 20, 2019 at 5:49 PM
Avatar
MASTERWRENCH
  • AUTOMOTIVE REPAIR CONTRIBUTOR
  • 258 POSTS
Bystander,

Okay, that makes sense. From the sounds of it, since your jumper didn't give you the desired results (running the fuel pump), my guess is whatever you jumped somehow caused the current condition. I would start by checking the power supply to the ignition control module and the coil (see attached diagrams). On the ignition control module, check pin 8 (red wire) with the key in Run or Start. You should see battery voltage here. Also, check the red/light green wire at the ignition coil. This circuit should also have battery voltage with the key in Run or Start.
Oct 21, 2019 at 7:16 PM
Avatar
BEN ZINTEL
  • MEMBER
  • 2 POSTS
The Ranger will turn over and will start with starting fluid. but will only run with the starting fluid. There is fuel pressure at the test port. I have not gotten a fuel pressure gauge yet to see how much pressure.
Mar 2, 2021 at 6:58 PM (Merged)
Avatar
STRAILER
  • AUTOMOTIVE REPAIR CONTRIBUTOR
  • 54,162 POSTS
Yes you will need one an auto parts store will rent it to you, but check the fuel pump safety switch by the passengers foot well kick panel to see if it has been tripped. Here is a guide to test the fuel pressure.

https://www.2carpros.com/articles/how-to-check-fuel-system-pressure-and-regulator

Please let us know what you find so it will help others.

Best, Ken
Mar 2, 2021 at 6:58 PM (Merged)
Avatar
BEN ZINTEL
  • MEMBER
  • 2 POSTS
Hello the fuel pump is working and the pressure is 40 psi. When I try to start the truck it almost gives you hope that it will start. But of course it does not unless I spray starting fluid in the throttle body. And it will only stay running as long as I keep spraying starting fluid. I looked at the fuel pressure regulator and pulled off the vacuumed line I did not see or smell any gas. I bought a new regulator anyway I think I am going to try that next. I will keep you posted.
Thank you, Ben
Mar 2, 2021 at 6:58 PM (Merged)
Avatar
STRAILER
  • AUTOMOTIVE REPAIR CONTRIBUTOR
  • 54,162 POSTS
Does the injector have pulse? here is a guide that can help you.

https://www.2carpros.com/articles/how-to-test-a-fuel-injector
Mar 2, 2021 at 6:58 PM (Merged)
Avatar
JACOB ALEXANDER
  • MEMBER
  • 1 POST
I just put all new gaskets on my motor and once back together. I am having crank no start. It was throwing trouble codes 114 and 116 so I replaced both the coolant temperature sensor and intake air temperature sensor after which it still shows those codes and also 513 now. I checked the wires to these sensors and I was showing over 6.3 volts . I also believe it is getting flooded when I attempt to start because I can smell gas pretty strongly and spark plugs are wet. I am not sure if I need a new PCM, ignition module, or if it’s a wiring problem. I got an engine wiring harness off another truck same model and year in hopes it is a wiring issue. But need some direction as it is my daily and got to get going. Thanks
Mar 2, 2021 at 6:59 PM (Merged)
Avatar
SCGRANTURISMO
  • AUTOMOTIVE REPAIR CONTRIBUTOR
  • 4,897 POSTS
Hello,

This sounds to me like you have an ignition issue going on. I have included a link that will help you figure out what is going on below:

https://www.2carpros.com/articles/how-to-test-an-ignition-system

I have also included a rundown on how your ignition system specifically works in your truck in the diagrams below. Check it out and let us know what you find.

Thanks,
Alrx,
2CarPros
Mar 2, 2021 at 6:59 PM (Merged)
Avatar
STRAILER
  • AUTOMOTIVE REPAIR CONTRIBUTOR
  • 54,162 POSTS
Hello,

If I can jump in here, please check the engine grounds it sounds like one is disconnected. This guide can help as well:

https://www.2carpros.com/articles/car-cranks-but-wont-start

Please run down this guide and report back.

Mar 2, 2021 at 6:59 PM (Merged)
Avatar
DIANNA ALLEN
  • MEMBER
  • 1 POST
Used it and parked in my driveway unloaded it and went to park in side drive and it didn't start. just cranks over but no start. when to check on the spark but have tried so much the battery now is on the charger. so right now i can't check to see if it is getting spark, the plug looks good. i need help, can't get it to shop to get it fixed. it is on me to get it fixed.
Mar 2, 2021 at 6:59 PM (Merged)
Avatar
ASEMASTER6371
  • AUTOMOTIVE REPAIR CONTRIBUTOR
  • 52,796 POSTS
Good afternoon,

Can you hear the fuel pump run when you turn on the key? Can you check the pressure?

https://www.2carpros.com/articles/how-to-check-fuel-system-pressure-and-regulator

When the battery gets charges, test again for spark.

https://www.2carpros.com/articles/how-to-test-an-ignition-system

It could be the fuel pump.

https://www.2carpros.com/articles/car-cranks-but-wont-start

Roy
Mar 2, 2021 at 6:59 PM (Merged)
Avatar
CLIFFCARLA
  • MEMBER
  • 6 POSTS
Every now and then I can go to start it and it won’t start, just cranks and cranks, won’t start until I pop the hood and shake the fuse box and it starts. could someone please help?
Mar 2, 2021 at 6:59 PM (Merged)
Avatar
KASEKENNY
  • AUTOMOTIVE REPAIR CONTRIBUTOR
  • 18,907 POSTS
More then likely this is a relay issue. I would think the fuel pump relay is the issue so next time this happens, let's not shake the fuse box, let's open the hood and wiggle each relay one at a time and then try and start the engine. We want to try and narrow this down to one relay so that we can address either the relay or the wiring issue for that relay.

https://www.2carpros.com/articles/how-to-check-an-electrical-relay-and-wiring-control-circuit

Below is the fuse box for your review. Let us know what happens. Thanks
Mar 2, 2021 at 6:59 PM (Merged)
Avatar
BROWNBOYZ77
  • MEMBER
  • 1 POST
I have the truck listed above XLT model. I bought it a couple days ago and the guy said it would run sometimes and sometimes it does not want to start. I got it to start after a couple tries of cranking. Ran fine but had an idle that seemed to have a misfire but ran great driving. I let it sit overnight and it did the same thing. I hooked a battery charger to it cause battery was getting low. After a little while it fired up and idled but still had that misfire like idle. The rpm's bounce from 900 to 1,000. Engine light is on so I attempted to read the codes with a $6,800.00 Snap On scanner and got a communication error. The plugs and coil are new. I also checked the ECC fuses and they are all good. Anyone have any idea?
Mar 2, 2021 at 7:00 PM (Merged)
Avatar
ASEMASTER6371
  • AUTOMOTIVE REPAIR CONTRIBUTOR
  • 52,796 POSTS
Good morning.

You need to do some basic checks to see what condition the engine is in.Start with a compression test to verify it can produce power.Then check the fuel pressure to be sure the fuel pump is providing the required pressure to the fuel system.
As far as the scan tool,is there power to the connector?

https://www.2carpros.com/articles/how-to-test-engine-compression

https://www.2carpros.com/articles/how-to-check-fuel-system-pressure-and-regulator

let me know
Mar 2, 2021 at 7:00 PM (Merged)
Avatar
CPT_HOSER
  • MEMBER
  • 2 POSTS
This is a 1993 ford ranger. 180,000 miles. It normally starts ok. Occasionally it will turn over but won't start. If you keep turning it ever min or so for a few seconds, it will start after about 20 min. ??? I have had the starter replaced. No error codes show on the computer. Happens occasionally when engine is cold or warm. What do I look at next?
Mar 2, 2021 at 7:00 PM (Merged)
Avatar
LOSONE
  • AUTOMOTIVE REPAIR CONTRIBUTOR
  • 1,616 POSTS
Back to basics! Check for spark and fuel. No spark probably the ignition modiule. No fuel; fuse, relay, fuel filter or the fuel pump.

Here are a few guides to read, they will help you figure this one out

https://www.2carpros.com/articles/car-cranks-but-wont-start

https://www.2carpros.com/articles/how-to-test-an-ignition-system

https://www.2carpros.com/articles/how-to-check-fuel-system-pressure-and-regulator
Mar 2, 2021 at 7:00 PM (Merged)
Avatar
CPT_HOSER
  • MEMBER
  • 2 POSTS
I am thinking right now that it may be the fuel pump. I am now waiting for it to fail again to do further troubleshooting. It doesn't happen all the time. (Hard to fix something that works most of the time.)
Mar 2, 2021 at 7:00 PM (Merged)
Avatar
LOSONE
  • AUTOMOTIVE REPAIR CONTRIBUTOR
  • 1,616 POSTS
Change your fuel filter---
Mar 2, 2021 at 7:00 PM (Merged)
Avatar
DANIELLE35
  • MEMBER
  • 2 POSTS
I don't have fire to some of the spark plugs brand new coil pack was put on one coil pack has fire the other don't will turn over just wont start
Mar 2, 2021 at 7:00 PM (Merged)
Avatar
HMAC300
  • AUTOMOTIVE REPAIR CONTRIBUTOR
  • 48,601 POSTS
When you turn the key to the on position without cranking the engine over can you hear the fuel pump run in the tank for 5 seconds?

https://www.2carpros.com/articles/car-cranks-but-wont-start

Please run down this guide and report back. scan for codes first see pics for diagnosing
Mar 2, 2021 at 7:00 PM (Merged)
Avatar
DANIELLE35
  • MEMBER
  • 2 POSTS
We did it didn't have any
Mar 2, 2021 at 7:00 PM (Merged)
Avatar
HMAC300
  • AUTOMOTIVE REPAIR CONTRIBUTOR
  • 48,601 POSTS
then do the testing which I sent in last reply
Mar 2, 2021 at 7:00 PM (Merged)
Avatar
HMDFARM
  • MEMBER
  • 1 POST
1992 ranger no start, cranks, seems to have low voltage; has spark from boot, fuel
Mar 2, 2021 at 7:00 PM (Merged)
Avatar
RONSON
  • MEMBER
  • 77 POSTS
You basically only need two things.Spark and fuel. If you have spark you can try a shot of WD-40 into the intake and see if it fires, if so you can check you fuel system. If not check your upper cam pulley to be sure it's turning when you crank it. If it does not turn you may have broke a timing belt.
Mar 2, 2021 at 7:00 PM (Merged)
Avatar
MELINDA.BOWLIN
  • MEMBER
  • 1 POST
Car won't start cranks over but won't start. Shuts off at stop signs and going down the road.
Mar 2, 2021 at 7:00 PM (Merged)
Avatar
SCGRANTURISMO
  • AUTOMOTIVE REPAIR CONTRIBUTOR
  • 4,897 POSTS
Hello,

This could be from a couple of different things, your vehicle's Profile Ignition Pickup[PIP] or the Idle Air Control valve [IAC]. First let's start with the PIP which the Power-train Control Module [PCM] uses for ignition timing through the SPOUT. In the diagrams down below I have included the description and instructions on how to replace the PIP in your vehicle. Please go through these guides and get back to us with how everything turns out. We can go from there if necessary.

Thanks,
Alex
2CarPros
Mar 2, 2021 at 7:01 PM (Merged)
Avatar
MAXWALLACE
  • MEMBER
  • 1 POST
What first happened is my car would only idle as I drove down the street. It would sputter. That was over a month ago. It's like I wasn't getting any fuel. Now my vehicle doesn't want to run. It turns over, and sputters and then cuts out. Any idea of what this would be?

Thanks!
Mar 2, 2021 at 7:01 PM (Merged)
Avatar
JEFFERYSG
  • MEMBER
  • 2 POSTS
your fuel filter could be clogged, which is the cheap and easy fix, mine is located on the left hand side of my truck mounted onto the frame, it might take a special tool thats only about 15 bucks and the fuel filter is very inexpensive. Or your fuel pump has gone out...you can get a pump for less than $100 but you will probably have to drop your fuel tank to replace because some genius thought it would be better to put the pumps inside the tank. Hope this helps you.
Mar 2, 2021 at 7:01 PM (Merged)
Avatar
FORD RANGER 123
  • MEMBER
  • 1 POST
Engine will crank but not start sometimes like it’s not getting fuel. Fuel pressure is good, pump is new,new fuel pressure regulator,, new coil, plugs and wires also new battery. If the fuel pump continues to run with key on it will not start .if fuel pump primed then shuts off will start on its own and run fine. It’s sort of a quirky thing where if it doesn’t run right check engine is on ,surges ,then eventually high jump in rpms and then runs fine And check engine light goes out.I usually only have to use starting fluid when it does this and engine is cold ,otherwise when it’s warm and I shut it off it will turn back on. If check engine is on and running rough when I turn it off if I start it right back up it will start but check and is still on and runs rough until it does the RPM jump I think it may be the computer whatever it is it’s making me crazy Any help is appreciated thanks.
Mar 2, 2021 at 7:01 PM (Merged)
Avatar
ASEMASTER6371
  • AUTOMOTIVE REPAIR CONTRIBUTOR
  • 52,796 POSTS
Good morning.

the fuel pump should only run 2 seconds for priming.

It sounds like you have an issue with the ECM. The scan tools for the old systems did not give a lot of information for diagnostics.

Based on these results, it sounds like you need an ECM.

It is located in the right lower kick panel. I attached a picture for you.

Roy

The Electronic Control Assembly (ECA) stores information about vehicle operating conditions and uses this information to compensate for component tolerances. When an emission related component is replaced, Keep Alive Memory (KAM) should be cleared to erase the information stored by the processor from the original component.

To clear the KAM, disconnect the battery negative terminal for five minutes or more. Drive the the vehicle for at least ten miles to allow the ECA to relearn the values for optimum performance.
NOTE: During the ten mile relearn drive, the vehicle may exhibit some driveability symptoms. These should be eliminated when the KAM has relearned the operating values.
Mar 2, 2021 at 7:01 PM (Merged)