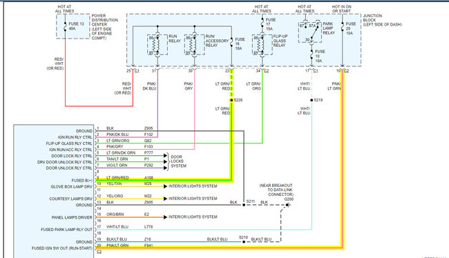
Wednesday, May 12th, 2021 AT 12:41 PM
When I turn the key to the on position Mil didn't light at all? I checked code there is no code and high beam light on and turn right light and turn left light on all at same time and car didn't start. I checked starter relay and it work when I make jump the engine want to start Put car didn't start.







