Why is my engine not firing?

Tiny
96ZJJLW
  • MEMBER
  • 1996 JEEP GRAND CHEROKEE
  • 285 MILES
Two days ago my 96 Grand Cherokee's anti theft was triggered. I disabled it by unlocking the passenger door. After disarming the system my vehicle will not start. It will turn over but not start. I have determined that it is getting no spark and the fuel pump will not kick on so it isn't getting fuel either. What is the problem here and is it something I can remedy myself?
Sunday, February 19th, 2012 AT 10:17 PM

29 Replies

Tiny
RIVERMIKERAT
  • MECHANIC
  • 6,110 POSTS
Were you able to start it after unlocking the passenger door? Normally it is the driver door that controls the anti-theft systems on vehicles. Did you use the remote or a key? When you turn the key to the on position without cranking the engine over can you hear the fuel pump run in the tank for 5 seconds?

https://www.2carpros.com/articles/car-cranks-but-wont-start

Please run down this guide and report back.
Was this
answer
helpful?
Yes
No
Monday, December 19th, 2016 AT 7:30 PM
Tiny
96ZJJLW
  • MEMBER
  • 3 POSTS
The remote no longer works and no I was unable to start the vehicle after the alarm was disabled.
Was this
answer
helpful?
Yes
No
Monday, December 19th, 2016 AT 7:30 PM
Tiny
96ZJJLW
  • MEMBER
  • 3 POSTS
The lock cylinder on the driver side is damaged and I am unable to lock or unlock the door with my key.
Was this
answer
helpful?
Yes
No
Monday, December 19th, 2016 AT 7:30 PM
Tiny
RIVERMIKERAT
  • MECHANIC
  • 6,110 POSTS
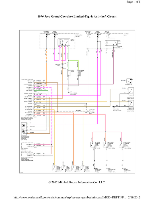
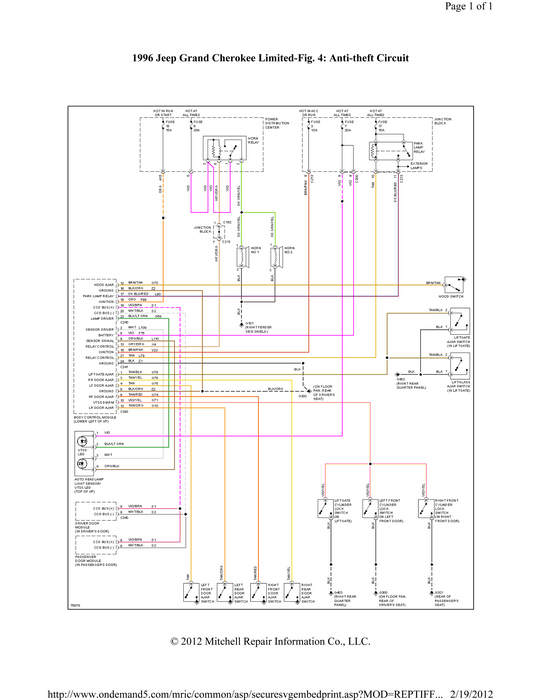
See if you can get it scanned for trouble codes. Soft and hard. Anti-theft system schematic attached.
Was this
answer
helpful?
Yes
No
Monday, December 19th, 2016 AT 7:30 PM
Tiny
DOBOY
  • MEMBER
  • 1 POST
  • 1996 JEEP GRAND CHEROKEE
  • 4.0L
  • 6 CYL
  • 4WD
  • AUTOMATIC
  • 335,000 MILES
Ignition failure with fifteen to thirty minutes. I wait to restart and increasing frequency of failure. Now I have no spark; no restart and after idiot lights go off, when key is turned on, and I he check gauges. Alarm sounds the voltmeter drops to zero ; however there is full power everywhere.
Was this
answer
helpful?
Yes
No
Sunday, August 30th, 2020 AT 11:07 AM (Merged)
Tiny
HMAC300
  • MECHANIC
  • 48,601 POSTS
Try resetting security system on car I think on yours it is lock drivers door with key then unlock. See link.
https://www.2carpros.com/articles/how-to-reset-a-security-system
Was this
answer
helpful?
Yes
No
+1
Sunday, August 30th, 2020 AT 11:07 AM (Merged)
Tiny
LANCE71
  • MEMBER
  • 2 POSTS
  • 1996 JEEP GRAND CHEROKEE
  • 211,000 MILES
96 grand cherokee laredo 4.0 2wd with 211k miles. Since buying this vehicle a few months ago it has died on me about once a day when it gets up to temp. It wont start again from a few seconds to 10 mins or more. Then it will run fine until it gets cold again. It dies like it had the key turned off, just instant off. Sometimes it sounds like its dieseling after the engine cuts out before it dies out completely. Will do it at high rpms but mostly happens when coming to a stop or at a stoplight while idling. Usually has a window of this happening, anywhere from it happening once and being fine for rest of day(with generally no more than 2 hours being turned off) to it both not starting and starting and dying a few seconds later for about ten minutes or more. Had a code for bad coil. Replaced it, still have problem, and seems to have gotten worse since changing coil or due to lower outside temps happening at same time. Mechanics were saying the coil that was replaced wasn't getting a spark while it wasn't starting. They want to try crank position sensor next. But after hearing them wondering what was wrong without a code, I lost my faith in their diagnosing skills. It has also started backfiring lately, just a couple times.
Was this
answer
helpful?
Yes
No
Sunday, August 30th, 2020 AT 11:08 AM (Merged)
Tiny
JACOBANDNICKOLAS
  • MECHANIC
  • 110,192 POSTS
When it won't start, have you checked for spark and fuel to the engine?
Was this
answer
helpful?
Yes
No
Sunday, August 30th, 2020 AT 11:08 AM (Merged)
Tiny
LANCE71
  • MEMBER
  • 2 POSTS
No spark to coil that was replaced. Gets fuel.
Was this
answer
helpful?
Yes
No
Sunday, August 30th, 2020 AT 11:08 AM (Merged)
Tiny
JACOBANDNICKOLAS
  • MECHANIC
  • 110,192 POSTS
The crank sensor could be an issue. However, it becomes a guessing game without the CEL.
Was this
answer
helpful?
Yes
No
Sunday, August 30th, 2020 AT 11:08 AM (Merged)
Tiny
C_RIVERA1990
  • MEMBER
  • 4 POSTS
  • 1996 JEEP GRAND CHEROKEE
  • 6 CYL
  • 4WD
  • AUTOMATIC
  • 145,000 MILES
Engine started one morning and stayed running for about 5 to 7 seconds, then the engine shutoff completely. Tried starting the car again. Will not turn on. Tried changing the ignition coil the car still does not turn on. Asked around and heard I might need a new PCM but I dont want to change it until I know its not anything else.
Was this
answer
helpful?
Yes
No
Sunday, August 30th, 2020 AT 11:08 AM (Merged)
Tiny
JACOBANDNICKOLAS
  • MECHANIC
  • 110,192 POSTS
Have you checked fuel pump pressure? Are you getting a good hot blue snapping spark at the plugs? Has the check engine light come on?
Was this
answer
helpful?
Yes
No
Sunday, August 30th, 2020 AT 11:08 AM (Merged)
Tiny
C_RIVERA1990
  • MEMBER
  • 4 POSTS
Fuel pump is workin properly. No spark at the plugs, thats why I changed the ignition coil. No check engine light.
Was this
answer
helpful?
Yes
No
Sunday, August 30th, 2020 AT 11:08 AM (Merged)
Tiny
JACOBANDNICKOLAS
  • MECHANIC
  • 110,192 POSTS
Is the power to the coil? Have you checked the crank sensor?
Was this
answer
helpful?
Yes
No
Sunday, August 30th, 2020 AT 11:08 AM (Merged)
Tiny
C_RIVERA1990
  • MEMBER
  • 4 POSTS
Have not checked the crank sensor. There is power to the coil.
Was this
answer
helpful?
Yes
No
Sunday, August 30th, 2020 AT 11:08 AM (Merged)
Tiny
C_RIVERA1990
  • MEMBER
  • 4 POSTS
There is power to the coil. Have not checked the crank sensor.
Was this
answer
helpful?
Yes
No
Sunday, August 30th, 2020 AT 11:08 AM (Merged)
Tiny
JERRYMILLER
  • MEMBER
  • 2 POSTS
  • 1996 JEEP GRAND CHEROKEE
  • 200 MILES
My 1996 Jeep grand Cherokee stalled at a stop sign. Tried to start it back up and it wont start. It turns over but it will not fire. It was running good yesterday.
Was this
answer
helpful?
Yes
No
Sunday, August 30th, 2020 AT 11:08 AM (Merged)
Tiny
RACEFAN966
  • MECHANIC
  • 5,029 POSTS
I would check the crank position sensor it on the back of the block. What engine is does it have?
Was this
answer
helpful?
Yes
No
Sunday, August 30th, 2020 AT 11:08 AM (Merged)
Tiny
JERRYMILLER
  • MEMBER
  • 2 POSTS
Its a v8. 5.0
Was this
answer
helpful?
Yes
No
Sunday, August 30th, 2020 AT 11:08 AM (Merged)
Tiny
RACEFAN966
  • MECHANIC
  • 5,029 POSTS
So its the 5.2 ltr 318? Do you have a digital multi meter so I walk you through some tests?
Was this
answer
helpful?
Yes
No
Sunday, August 30th, 2020 AT 11:08 AM (Merged)

Please login or register to post a reply.