HVAC temperature blend door not moving after replacing actuator

Tiny
MCKAYABROWN
  • MEMBER
  • 2001 GMC YUKON
  • 5.3L
  • V8
  • 4WD
  • AUTOMATIC
  • 247,000 MILES
The front HVAC in my vehicle only blows cold air. I've replaced the actuator under the dash on the passenger side of the center console and it doesn't seem to move the blend door at all when I change the temperature on the control panel. I can move the blend door by hand when the actuator is not in place and have verified I'm getting plenty of hot air.

The read HVAC is working fine.

What should I look at next to solve this? I'm getting desperate as this morning was cold and snow (already!) And my feet were frozen by the time I got to work. I included a picture of the control panel in case that helps to see which HVAC I'm dealing with.
Tuesday, September 8th, 2020 AT 9:45 AM

39 Replies

Tiny
ASEMASTER6371
  • MECHANIC
  • 52,796 POSTS
Good afternoon,

Did you calibrate the new actuator?

https://www.2carpros.com/articles/replace-blend-door-motor

I posted the procedure below. Give that a try to see if that fixes it.

Roy

Actuator Re-calibration

The HVAC control module will relearn the actuator limits whenever power is disconnected and re-connected to the module.

Use the following steps to perform the calibration update:

1. Turn OFF the ignition.
2. Remove the battery positive voltage circuit fuse of the HVAC Control Module.

Important: The scan tool must be disconnected from the vehicle to properly perform the calibration procedure. If a scan tool is connected before this procedure is completed, then new calibration values will not be stored.

Important: Failure to wait 60 seconds will not allow the HVAC control module sufficient time to clear the old calibration values.

3. Wait 60 seconds.
4. Install the fuse.
5. Turn "on" the ignition.
6. Wait 60 seconds before installing a scan tool.
Was this
answer
helpful?
Yes
No
+1
Tuesday, September 8th, 2020 AT 10:50 AM
Tiny
MCKAYABROWN
  • MEMBER
  • 21 POSTS
Well, I think I followed the steps. Here's what I did:
Turned off car.
Disconnected the car battery.
Removed the fuse in the picture.
Reconnected battery.
Reinstalled fuse.
Turned car to on position.

I heard actuators moving but there is no change. The blend door still does not open.

Did I pull the right fuse? It's from the box left of the steering column.

Thanks for your help and patience.
Was this
answer
helpful?
Yes
No
+2
Tuesday, September 8th, 2020 AT 7:10 PM
Tiny
ASEMASTER6371
  • MECHANIC
  • 52,796 POSTS
Okay, yes you did.

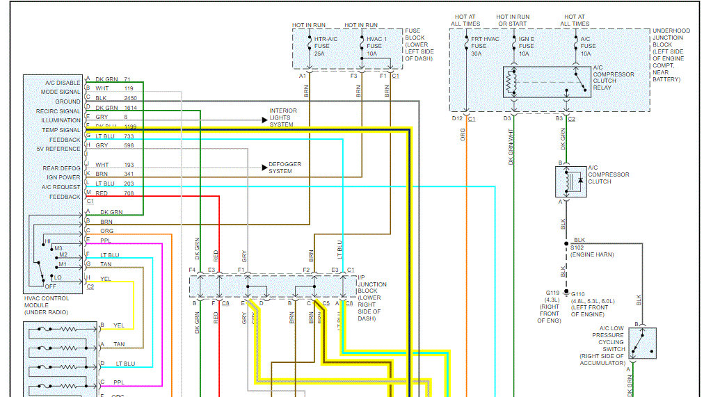
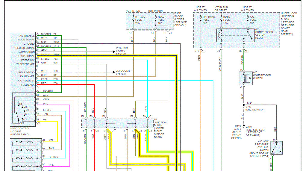
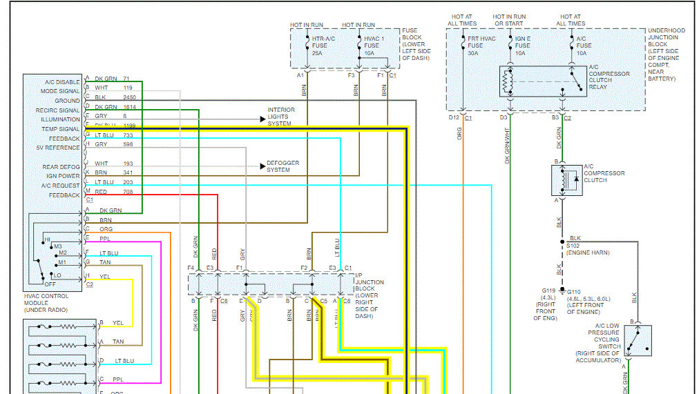
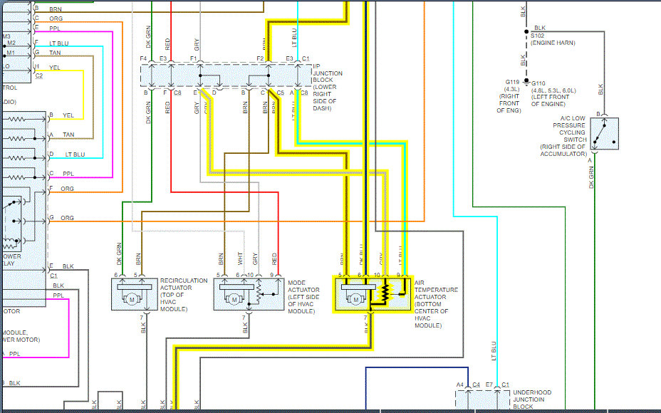
We need to test the voltages at the actuator to see if it is a wiring issue or a control head issue.

https://www.2carpros.com/articles/how-to-check-wiring

https://www.2carpros.com/articles/how-to-use-a-voltmeter

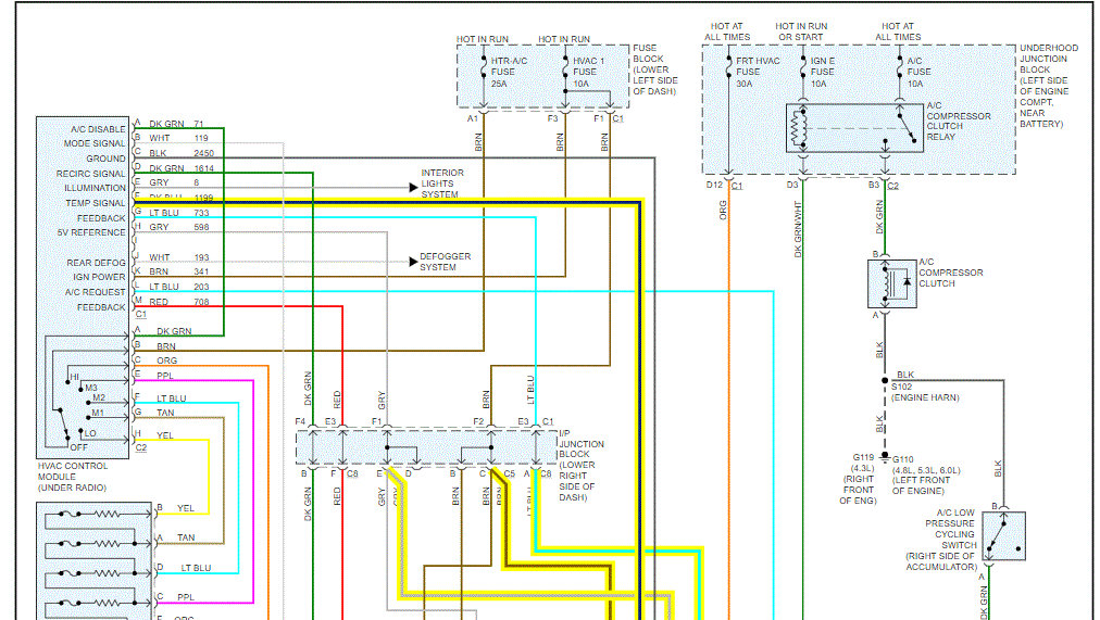
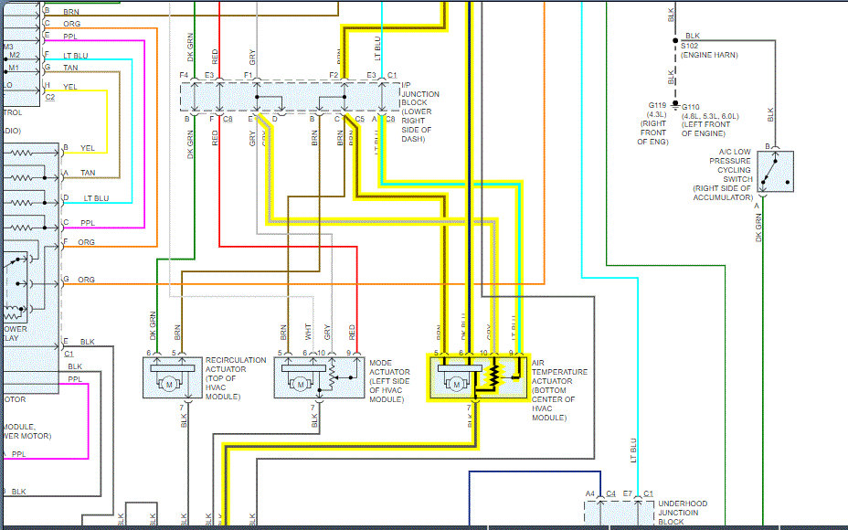
I attached the wiring diagram below.

Roy
Was this
answer
helpful?
Yes
No
+1
Wednesday, September 9th, 2020 AT 4:13 AM
Tiny
MCKAYABROWN
  • MEMBER
  • 21 POSTS
Roy,
I do have a voltmeter but must admit, I've not used it much. I'm not sure what I am supposed to check or how to use the diagrams you sent. Sorry to be so inexperienced. I appreciate your patience.

Do I need to pull the HVAC controls out of the dash to get the what needs to be tested?
Was this
answer
helpful?
Yes
No
Wednesday, September 9th, 2020 AT 4:57 PM
Tiny
ASEMASTER6371
  • MECHANIC
  • 52,796 POSTS
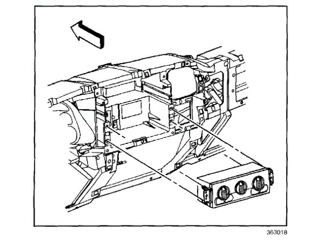
No, this needs to be done right at the actuator connector.

Roy
Was this
answer
helpful?
Yes
No
Wednesday, September 9th, 2020 AT 4:58 PM
Tiny
MCKAYABROWN
  • MEMBER
  • 21 POSTS
I removed the actuator and can see that the actuator has moved.
Was this
answer
helpful?
Yes
No
-1
Wednesday, September 9th, 2020 AT 5:15 PM
Tiny
ASEMASTER6371
  • MECHANIC
  • 52,796 POSTS
Does the door it is attached to move freely?

Roy
Was this
answer
helpful?
Yes
No
Thursday, September 10th, 2020 AT 3:49 AM
Tiny
MCKAYABROWN
  • MEMBER
  • 21 POSTS
After removing the actuator, I can move the door by rotating the part that was in the actuator. When I move it to the left it provides cold air. When I rotate it to the right I get hot air.
Was this
answer
helpful?
Yes
No
Thursday, September 10th, 2020 AT 8:29 AM
Tiny
ASEMASTER6371
  • MECHANIC
  • 52,796 POSTS
Okay, when you command heat and cold with the actuator off and the wires connected, does the actuator move or does the motor work in the actuator?

Roy
Was this
answer
helpful?
Yes
No
-1
Thursday, September 10th, 2020 AT 8:34 AM
Tiny
MCKAYABROWN
  • MEMBER
  • 21 POSTS
I have not tried that yet. So plug in the actuator and then turn the temperature control. I should have thought of that. I'll try it and get back to you. Thanks.
Was this
answer
helpful?
Yes
No
Thursday, September 10th, 2020 AT 8:55 AM
Tiny
ASEMASTER6371
  • MECHANIC
  • 52,796 POSTS
You are welcome.

Roy
Was this
answer
helpful?
Yes
No
Thursday, September 10th, 2020 AT 9:23 AM
Tiny
MCKAYABROWN
  • MEMBER
  • 21 POSTS
When I plug it in and then turn the car on it only goes one direction. It does not go the opposite. I’m guessing it’s not reacting to The setting but simply to bring plugged in and that the problem is elsewhere. I have nit iced the back lighting on the HVAC controls are only working on half of each dial. Could this be a clue? Could it be a bad control module?
Was this
answer
helpful?
Yes
No
Thursday, September 10th, 2020 AT 3:45 PM
Tiny
MCKAYABROWN
  • MEMBER
  • 21 POSTS
This arrow shows the only direction of travel.
Was this
answer
helpful?
Yes
No
Thursday, September 10th, 2020 AT 3:49 PM
Tiny
ASEMASTER6371
  • MECHANIC
  • 52,796 POSTS
Yes, this sounds like the control head.

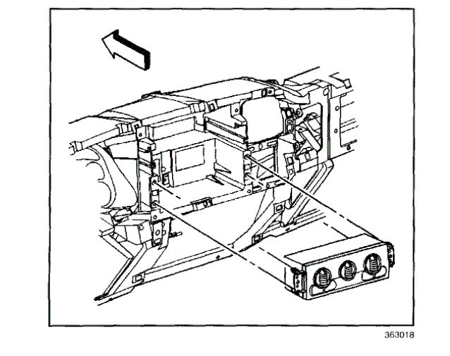
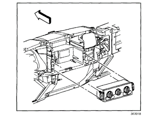
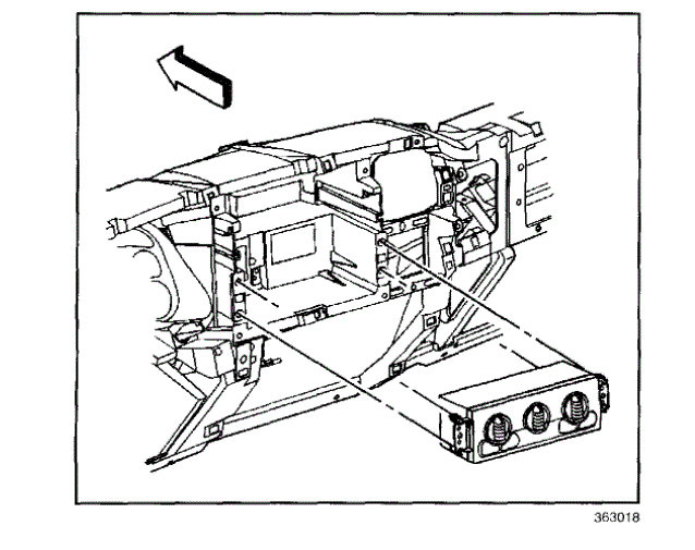
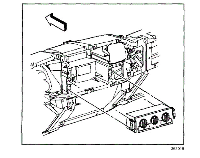
I attached a picture and the procedure for you.

I also attached a picture of the part for you as well.

Roy

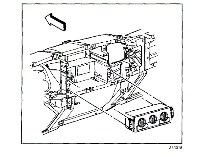
1. Remove the instrument cluster trim plate bezel.
2. Remove the instrument panel storage tray.
3. Remove the inflatable restraint module switch from the instrument panel. Refer to Inflatable Restraint Instrument Panel Module Replacement in Restraint Systems.
4. Remove the HVAC control assembly.
4.1. Release the retaining tabs.
4.2. Pull the control head out of the instrument panel carrier.
5. Disconnect the electrical connectors from the HVAC control assembly.
Was this
answer
helpful?
Yes
No
Thursday, September 10th, 2020 AT 4:10 PM
Tiny
MCKAYABROWN
  • MEMBER
  • 21 POSTS
I replaced the control module and the lights on it are working. I see now though that the lights on the stereo are now not fully illuminating. And the door does not open even with a new actuator. Any other ideas? Is the stereo an indicator of sorts?
Was this
answer
helpful?
Yes
No
Friday, September 11th, 2020 AT 12:18 PM
Tiny
ASEMASTER6371
  • MECHANIC
  • 52,796 POSTS
Okay, you are going to need some help with the voltmeter to do some voltage checks.

Let me know when you are ready.

Roy
Was this
answer
helpful?
Yes
No
Friday, September 11th, 2020 AT 12:32 PM
Tiny
MCKAYABROWN
  • MEMBER
  • 21 POSTS
I’m ready.
Was this
answer
helpful?
Yes
No
Friday, September 11th, 2020 AT 12:41 PM
Tiny
ASEMASTER6371
  • MECHANIC
  • 52,796 POSTS
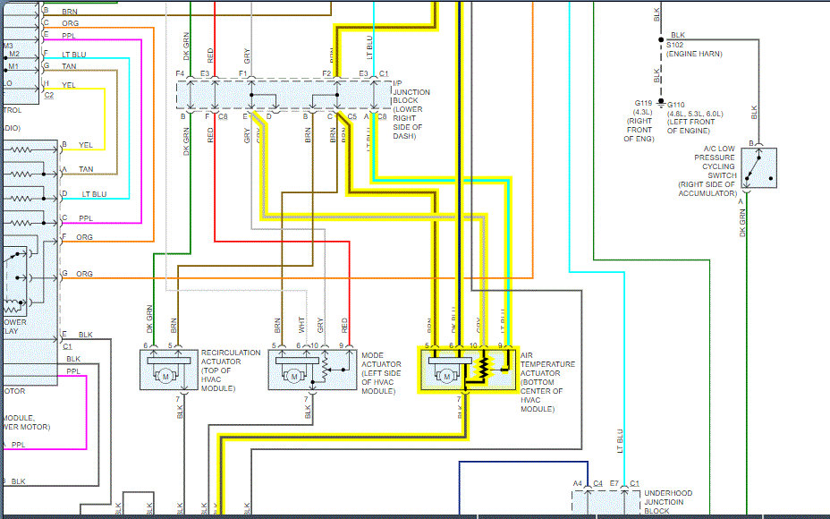
Okay, turn the key to the on position and remove the connector at the actuator.

Check the brown wire for battery voltage.

Roy
Was this
answer
helpful?
Yes
No
Friday, September 11th, 2020 AT 12:49 PM
Tiny
MCKAYABROWN
  • MEMBER
  • 21 POSTS
How exactly do I do that? What setting should I have on the voltmeter? This is how I had it set. When I touch the red probe to the brown wire the volt meter goes to.4 and the drops back to zero.
Was this
answer
helpful?
Yes
No
-1
Friday, September 11th, 2020 AT 1:02 PM
Tiny
ASEMASTER6371
  • MECHANIC
  • 52,796 POSTS
Put the setting on 20.

Black lead to a good steel body ground and the red lead to the brown wire.

I posted a guide for you a ways back on how to use a voltmeter. You should take a little time to read the guide.

Roy
Was this
answer
helpful?
Yes
No
+1
Friday, September 11th, 2020 AT 1:16 PM

Please login or register to post a reply.