My engine does not start up and run?

Tiny
FREDO SARMIENTO HABON
  • MEMBER
  • 2010 KIA RIO
  • 4WD
  • MANUAL
  • 166,468 MILES
When the ignition key is turned on, the check engine light does not appear, the engine cranks but does not start.
Saturday, August 1st, 2020 AT 11:54 PM

37 Replies

Tiny
PACIFICISLANDER
  • MEMBER
  • 240 POSTS
This sounds like a fuel pump or the crankshaft angle sensor has gone out. When you turn the key to the on position without cranking the engine over can you hear the fuel pump run in the tank for 5 seconds?

https://www.2carpros.com/articles/car-cranks-but-wont-start

Please run down this guide and report back.
Was this
answer
helpful?
Yes
No
+1
Sunday, August 2nd, 2020 AT 12:48 AM
Tiny
ASEMASTER6371
  • MECHANIC
  • 52,796 POSTS
Good morning,

The guide is a good start but if the check engine light does not come on, it could either be the ECM or a blown fuse.

https://www.2carpros.com/articles/how-to-check-a-car-fuse

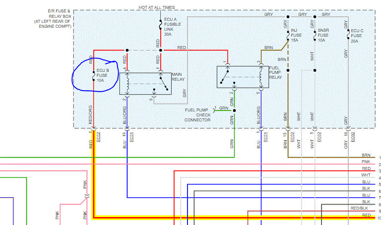
I attached the diagram of the powers to the ECM. I also attached the fuse box diagram and the fuses to test for power.

https://www.2carpros.com/articles/how-to-check-wiring

https://www.2carpros.com/articles/how-to-check-an-electrical-relay-and-wiring-control-circuit

Roy
Was this
answer
helpful?
Yes
No
+1
Sunday, August 2nd, 2020 AT 8:14 AM
Tiny
FREDO SARMIENTO HABON
  • MEMBER
  • 2 POSTS
Thank you very much for the responses. Would like to ask again. Car cranks and starts normally only when the positive battery is disconnected and reconnected and the CEL appears and goes off at once when car had started. God bless!
Was this
answer
helpful?
Yes
No
Tuesday, August 4th, 2020 AT 11:43 PM
Tiny
ASEMASTER6371
  • MECHANIC
  • 52,796 POSTS
Okay, first, never remove the positive cable. The negative cable is always the first one off and the last one on. The arc from the positive can damage modules from a voltage surge.

In your case, you may have an ECM issue and this could have contributed to that failure.

I need the code when the light comes on. That will give me a direction of the area of failure.

I would also check for fuel pressure and spark when it does not start.

https://www.2carpros.com/articles/how-to-test-an-ignition-system

Can you hear the fuel pump run when it does not start?

https://www.2carpros.com/articles/how-to-check-fuel-system-pressure-and-regulator

Roy
Was this
answer
helpful?
Yes
No
Wednesday, August 5th, 2020 AT 4:47 AM
Tiny
TYLER SCHAFER
  • MEMBER
  • 1 POST
It was the crank shaft sensor btw thank for your help. I love this site.
Was this
answer
helpful?
Yes
No
Monday, February 1st, 2021 AT 11:32 AM
Tiny
WIZZARD4ANGELS
  • MEMBER
  • 1 POST
  • 2007 KIA RIO
  • 4.0L
  • 4 CYL
  • 2WD
  • AUTOMATIC
  • 140,000 MILES
When it runs for a few minutes, it suddenly shuts off and will not start. It is like there is no gas reaching the cylinders.
Was this
answer
helpful?
Yes
No
Monday, February 1st, 2021 AT 11:35 AM (Merged)
Tiny
KHLOW2008
  • MECHANIC
  • 41,814 POSTS
Hi Wizzard,

Engine operation requires, fuel, electrical control and mechanical components functioning. You need to find out which is the cause and proceed to rectification. Below is a link explaining how to go about with initial checks if you are a DIY person.

https://www.2carpros.com/articles/car-cranks-but-wont-start

Before you start, ensure that the gas in tank has not run dry.
Was this
answer
helpful?
Yes
No
+1
Monday, February 1st, 2021 AT 11:35 AM (Merged)
Tiny
SISEKO
  • MEMBER
  • 3 POSTS
  • 2007 KIA RIO
  • 16,700 MILES
The car doesn't show engine light when you switch ignition on so it doesn't start. It has no spark and fuel. The car was put on a diagnostic tool but could find nothing.
Was this
answer
helpful?
Yes
No
+1
Monday, February 1st, 2021 AT 11:35 AM (Merged)
Tiny
SCGRANTURISMO
  • MECHANIC
  • 4,897 POSTS
Hello,

This could be a problem with your vehicle's Crankshaft Position sensor (CKP). Your vehicle's CKP is responsible for keeping track of the number one cylinder. More specifically when the number one piston is at Top Dead Center (TDC) of the compression stroke. It does this by reading a toothed wheel that is attached to the crankshaft. It has a missing tooth that passes by the sensor when number one piston is at TDC. By keeping track of number one piston it can also keep track of where the rest of the engine is at in it's four stroke cycle. The Power-train Control Module (PCM) a.k.a."computer" uses this information to send sparks to the spark plugs and when to open fuel injectors. If there is no signal from the CKP the engine will have no spark or fuel injector duty cycle and it will not start. I have included a few links down below for you to go to:

https://www.2carpros.com/articles/how-a-crank-shaft-angle-sensor-works
https://www.2carpros.com/articles/symptoms-of-a-bad-crankshaft-sensor
https://www.2carpros.com/articles/crankshaft-angle-sensor-replacement

I have also included a CKP location picture in the diagrams down below. Please go through these guides and get back to us with what you find out.

Thanks,
Alex
2CarPros

Was this
answer
helpful?
Yes
No
Monday, February 1st, 2021 AT 11:35 AM (Merged)
Tiny
SISEKO
  • MEMBER
  • 3 POSTS
Hi, the crankshaft position sensor was replaced or could it be faulty?
Was this
answer
helpful?
Yes
No
Monday, February 1st, 2021 AT 11:36 AM (Merged)
Tiny
SCGRANTURISMO
  • MECHANIC
  • 4,897 POSTS
Hello again,

When was the CKP sensor replaced?

Thanks,
Alex
2CarPros
Was this
answer
helpful?
Yes
No
Monday, February 1st, 2021 AT 11:36 AM (Merged)
Tiny
SISEKO
  • MEMBER
  • 3 POSTS
Yesterday.
Was this
answer
helpful?
Yes
No
Monday, February 1st, 2021 AT 11:36 AM (Merged)
Tiny
SCGRANTURISMO
  • MECHANIC
  • 4,897 POSTS
Hello again,

Okay, lets make sure that the signal is getting to the PCM. This is going to require you to use a multi-meter. If you are not familiar with how to use one I have included a link below.

https://www.2carpros.com/articles/how-to-use-a-voltmeter

Okay, can you please double check the connector for the CKP sensor. Make sure that it not damaged, clean, and making good connections to the pins when connected. Next we are going to have check to make sure that the signal is getting to the PCM. A couple of things that will make this a lot easier to do is a couple of safety pins, and a couple of long jumper wires with alligator clips attached to both ends.
Pierce both the wires coming from the CKP connector a couple of inches from the connector with a safety pin. I pin, one wire. Clip a jumper wire to each of the safety pins securely. Attach the other ends of the jumper wires to a lead from the multi-meter. red test lead should hook up to brown wire, black to white wire. Turn your multi-meter to AC Voltage. Have an assistant crank the vehicle. Watch the multi-meter. You should get a reading from 7 volts - 14 volts.
I have included some information for you in the diagrams below as well. Please get back to us with what you find out please.
Was this
answer
helpful?
Yes
No
Monday, February 1st, 2021 AT 11:36 AM (Merged)
Tiny
GILALMARTINEZ73
  • MEMBER
  • 1 POST
  • 2007 KIA RIO
  • 1.4L
  • 4 CYL
  • 2WD
  • AUTOMATIC
  • 150,000 MILES
LX model. Cranks but wont start. I checked battery cables and charged battery but no go.I changed out the fuel pump and no start.I changed the crankshaft sensor and nothing.I cleaned the throttle body and nothing. After charging battery I put the key to on position and heard the fuel pump go on but when I tried it again, nothing.I charged the battery again and started to check fuses. Under the dash I found one fuse that was good but no power going to it. It is the start fuse? How do I go about my problem?
Was this
answer
helpful?
Yes
No
Monday, February 1st, 2021 AT 11:36 AM (Merged)
Tiny
SCGRANTURISMO
  • MECHANIC
  • 4,897 POSTS
Hello,

This could be a problem with your ignition system. I have included a few links below for you to go through. I have also included vehicle specific troubleshooting for the starting system as well in the diagrams below. Let us know what you find out.

https://www.2carpros.com/articles/car-cranks-but-wont-start
https://www.2carpros.com/articles/engine-cranks-excessively-before-starting

Thanks ,
Alex
2CarPros
Was this
answer
helpful?
Yes
No
Monday, February 1st, 2021 AT 11:36 AM (Merged)
Tiny
CUDDLER1
  • MEMBER
  • 3 POSTS
  • 2005 KIA RIO
  • 4 CYL
  • FWD
  • MANUAL
  • 70,000 MILES
My son has a 2005 Kia Rio, manual transmission. He went out to start it and it just turned over but won't start. When I tried it later, it turned over a couple times, and then went dead. I tried to boost it, but nothing. Now when you turn the key to start it, it just kinda bangs, and then is dead. Any ideas?
Was this
answer
helpful?
Yes
No
Monday, February 1st, 2021 AT 11:36 AM (Merged)
Tiny
RASMATAZ
  • MECHANIC
  • 75,992 POSTS
Start by checking the fuel pressure to rule out the fuel filter and fuel pump
Was this
answer
helpful?
Yes
No
-2
Monday, February 1st, 2021 AT 11:36 AM (Merged)
Tiny
CUDDLER1
  • MEMBER
  • 3 POSTS
How do I check the fuel pressure. Sorry, I am not a mechanic, but I do know a bit about them. Thanks.
Was this
answer
helpful?
Yes
No
-2
Monday, February 1st, 2021 AT 11:36 AM (Merged)
Tiny
RASMATAZ
  • MECHANIC
  • 75,992 POSTS
You need to use a fuel pressure tester and hook it up to the fuel test port and turn the key On and read off and start it up and then read off again-refer to fuel pressure specs in repair manual.
Was this
answer
helpful?
Yes
No
-1
Monday, February 1st, 2021 AT 11:36 AM (Merged)
Tiny
CUDDLER1
  • MEMBER
  • 3 POSTS
Thank you. I will try to round one up. Not sure how to start it and check as it won't start.I will give it a try. Thanks again.
Was this
answer
helpful?
Yes
No
-1
Monday, February 1st, 2021 AT 11:36 AM (Merged)

Please login or register to post a reply.