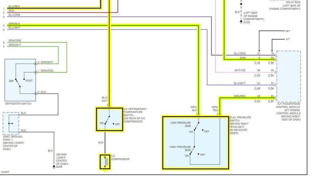
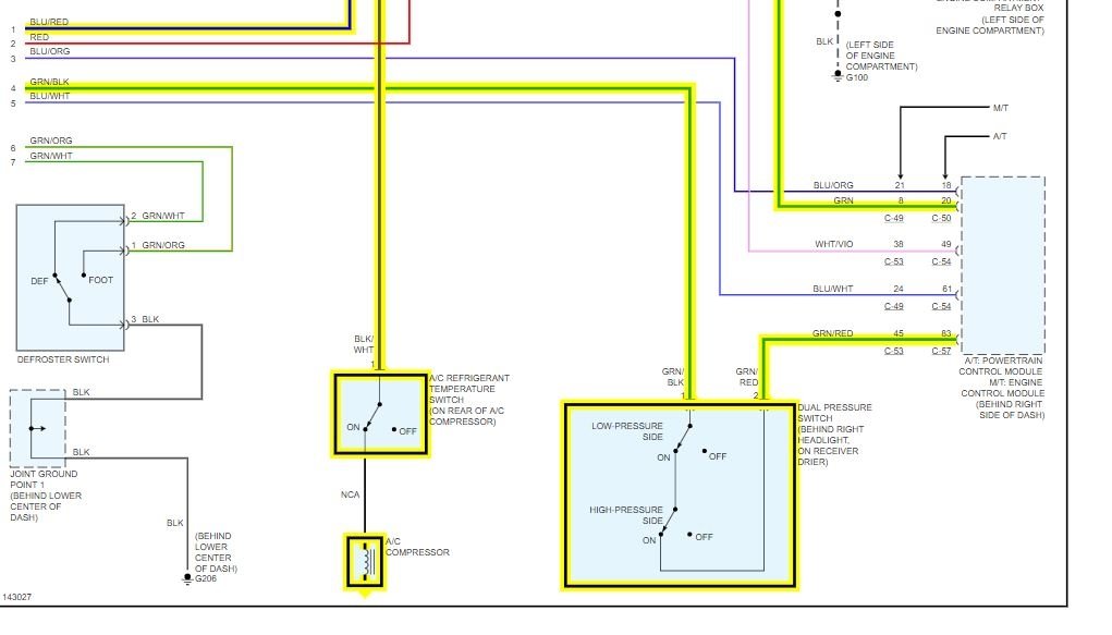
BTW I've been having a very slight overheating issue cropping up while idling or slow moving driving with lots of stops and starts. The thermostat will hover slightly above halfway, then go back down eventually as the fan kicks on I guess. After this happened, the gauge is now filling up a lot more in these circumstances to more like 75%, then coming back down eventually. My question is, does my A/C compressor pulley also run my water pump, and thus the issues could be related? My experience here is I had an A/C compressor go out on my old Saturn years ago (which had lots of noise when the A/C compressor was on BTW, which my current car doesn't have). When it finally stopped working completely, I lost power steering and my car started overheating because the A/C compressor belt ran the power steering and water pump. So I'm curious if they're connected in my car as well.
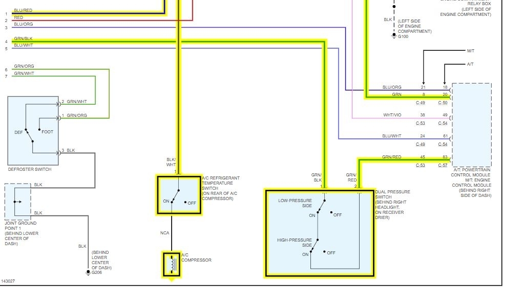
I'll reiterate here that there are no loud noises, it seems now that the A/C compressor is not engaging at all. I will have to check it and report back tomorrow whether it's spinning or not.
Saturday, May 30th, 2020 AT 11:02 PM







