Wednesday, July 30th, 2014 AT 6:05 PM
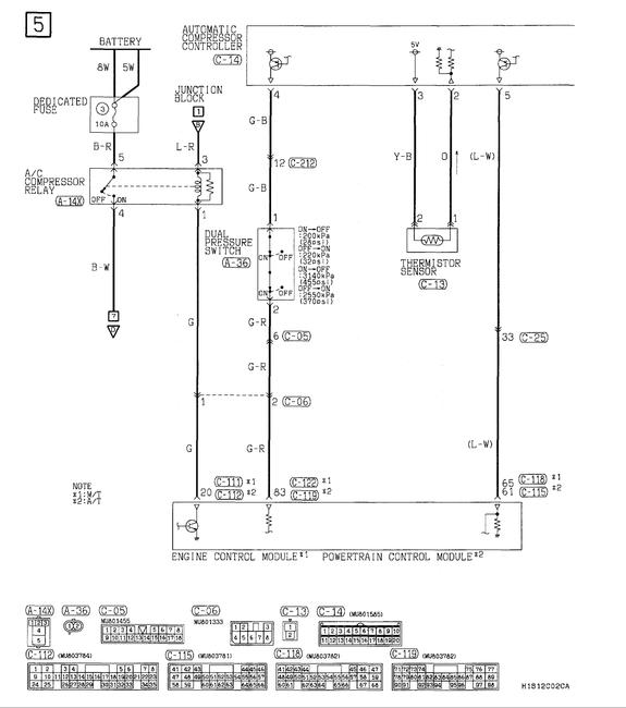
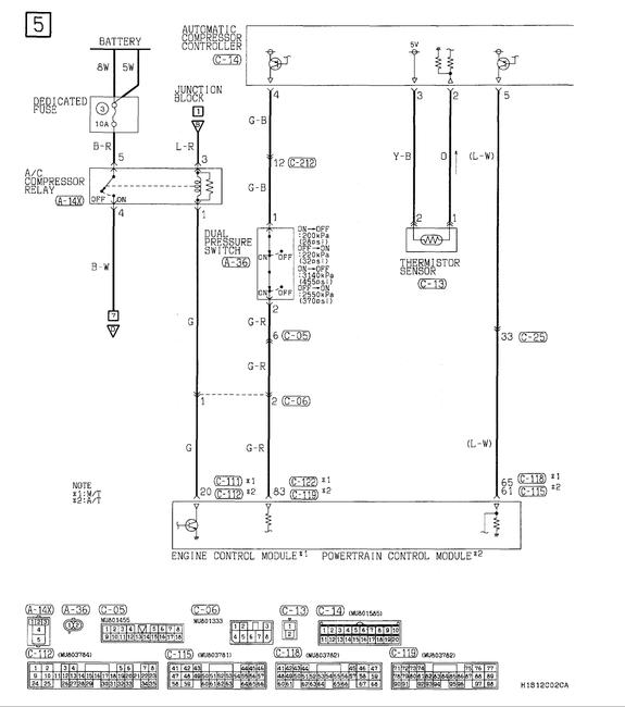
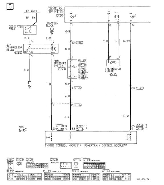
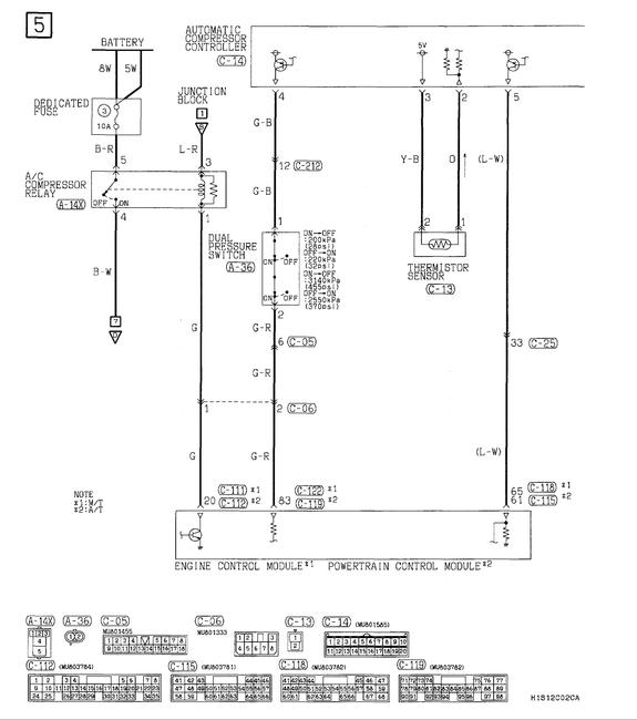
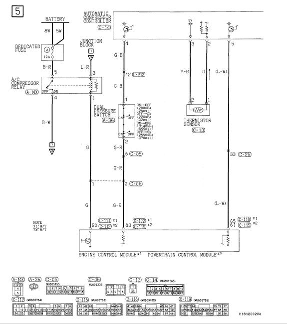
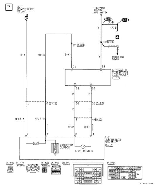
The car is titled as a 2001 Chrysler Sebring with a 3.0 liter engine. The reason I list it as a Mitsubishi eclipse is that it was made by Mitsubishi for Chrysler in 2001 so it is basically an eclipse. The problem I am having is that the compressor cycles on but will not cycle off, this causes issues because as rpms increase pressure decreases on low side and increases on high side. At 2000 RPMs the low side is at 20 PSI and the high side is climbing above normal operating range way past 350 psi. With this issue the car cools until you drive it and then it starts pumping down. I have changed the cycling switch and this did not do anything to help issue. I am EPA certified for home air conditioning and have a well rounded knowledge of car a/c and how it works but I am at my wits end with this problem. Any help would greatly be appreciated by the way did I mention this is my wife's car and she hates the heat living in Florida does not help.







