No starter operation?

Tiny
CODY GRUBE
  • MEMBER
  • 4 POSTS
The previous owner either took the under the hood fuse box out or the truck never had one.
Was this
answer
helpful?
Yes
No
Thursday, September 3rd, 2020 AT 5:30 PM (Merged)
Tiny
CARADIODOC
  • MECHANIC
  • 34,420 POSTS
The original diagram is almost impossible to interpret due to the bizarre way the ignition switch is drawn. I cannot find any reference to the neutral safety switch on the wiring diagram, but it is listed as being in one of two locations, either at the base of the steering column, or on the side of the transmission.

As best I can tell, if you go to the ignition switch, you should see a purple wire and two red wires. The purple goes to the starter solenoid. One of the red wires comes from or goes to the fuse box. Check if you have twelve volts on those red wires. I am still looking for where the neutral safety switch is in the circuit.
Was this
answer
helpful?
Yes
No
Thursday, September 3rd, 2020 AT 5:30 PM (Merged)
Tiny
CODY GRUBE
  • MEMBER
  • 4 POSTS
Okay I have seen the a switch on the base of the column but, it only has two prongs and the auto parts stores only have either five or four prong switches.
Was this
answer
helpful?
Yes
No
Thursday, September 3rd, 2020 AT 5:30 PM (Merged)
Tiny
CARADIODOC
  • MECHANIC
  • 34,420 POSTS
You do have an automatic transmission, right? I will be back tomorrow to see how you are doing. I am going to try to find a different diagram. I do not see this on the diagram I have now, but from memory, a lot of wiring harnesses are made for use with an automatic or manual transmission. When a manual is used, there is usually a clutch switch so that pedal has to be pressed before the starter will work. When an automatic is used, a short jumper harness is plugged in, in place of that switch. Look in front of where the clutch pedal would be and see if there is a two-wire connector with a short loop of wire in it. If you see that, tell me the colors of the wires going to it.
Was this
answer
helpful?
Yes
No
Thursday, September 3rd, 2020 AT 5:30 PM (Merged)
Tiny
CODY GRUBE
  • MEMBER
  • 4 POSTS
I have a automatic transmission.
Was this
answer
helpful?
Yes
No
Thursday, September 3rd, 2020 AT 5:30 PM (Merged)
Tiny
KEN L
  • MASTER CERTIFIED MECHANIC
  • 54,929 POSTS
Hi Cody,

I found this wiring diagram for you, please use a test light to see if you are losing power somewhere.

https://www.2carpros.com/articles/how-to-use-a-test-light-circuit-tester

and

https://www.2carpros.com/articles/how-a-neutral-safety-switch-works

Please run some tests and get back to us so we can continue helping you.

Best, Ken
Was this
answer
helpful?
Yes
No
Thursday, September 3rd, 2020 AT 5:30 PM (Merged)
Tiny
TRINITY CASSELLS
  • MEMBER
  • 1 POST
  • 1986 CHEVROLET SILVERADO
  • 5.0L
  • V8
  • 2WD
  • AUTOMATIC
  • 200,000 MILES
So I did quite a bit of work to my Chevrolet c20 because it blew a head gasket. So I replaced a bunch of stuff on it since I had it torn apart. It has new spark plugs, new spark plug wires, new exhaust, new head and a new intake and a new starter. Whenever I went to go hook up my starter hooked it up to the alternator and tried turning it over and it just clicked once. So one up online and was like well maybe I connected it wrong. So I saw that the positive cable supposed to run to the starter so I ran it through the starter tried cranking it and no crank no start not even a click. So I have two questions, one is does the positive cable from the battery go to the alternator or to the starter? Second question is, what else can cause it to not turn over?
Was this
answer
helpful?
Yes
No
Thursday, September 3rd, 2020 AT 5:30 PM (Merged)
Tiny
JACOBANDNICKOLAS
  • MECHANIC
  • 110,192 POSTS
Welcome to 2CarPros.

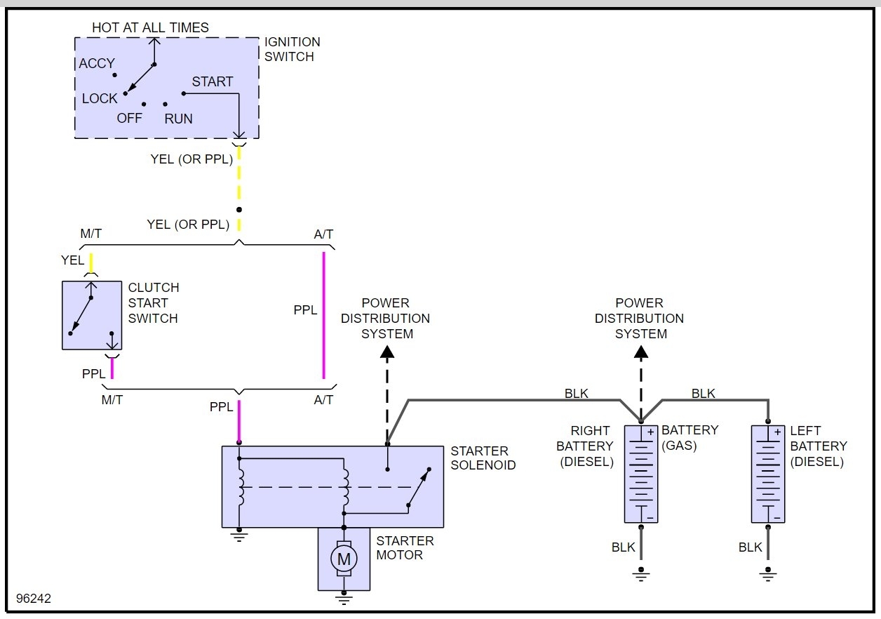
The positive on the battery runs to the starter (The larger bolt). From there, power is run via a fusible link to the alternator. There should be another smaller wire running to the starter solenoid which only gets power when the key is in the start position.

First, the schematics I have attached are for both a gas and diesel model and show variations based on what you have. However, if you look at picture 1, it shows power going from the battery to the starter and then there is a broken line that takes it to the alternator. Follow the black wire from battery to the starter and then the dash line to a red fusible link which goes to the alternator.

The second picture shows the starter. Power goes to the larger bolt from the battery. It is hot at all times. The small purple wire goes to the solenoid also, but to the smaller bolt. That is hot only when the key is in the start position.

With all of that in mind, if you ran power only to the alternator, power would have gone through a fusible link between the starter and alternator. I can almost guarantee that is fried, so you will have to check it for continuity. If there isn't continuity, replace it with another fusible link of the same gauge.

Here are a few links you may find helpful. One discusses how to replace a starter. I realize you have already done that, but it shows how the wires are installed. The next discusses if the starter won't engage. It shows how to check it. The remaining are related to electrical testing.

https://www.2carpros.com/articles/how-to-replace-a-starter-motor

https://www.2carpros.com/articles/starter-not-working-repair

https://www.2carpros.com/articles/how-to-check-wiring

https://www.2carpros.com/articles/how-to-use-a-voltmeter

https://www.2carpros.com/articles/how-to-use-a-test-light-circuit-tester

Let me know if this helps. Also, if you have questions about the pics, let me know. The one showing the alternator is confusing because it shows both set ups.

Take care,
Joe

Was this
answer
helpful?
Yes
No
Thursday, September 3rd, 2020 AT 5:30 PM (Merged)
Tiny
CHARLES ZACHARY BRYAN
  • MEMBER
  • 2 POSTS
  • 1985 CHEVROLET SILVERADO
  • 5.7L
  • V8
  • 4WD
  • AUTOMATIC
  • 450,000 MILES
So, one day I decided to replace my intake manifold on my 350 small block (keep in mind it worked fine before this) and after I got it installed and every things it would crank but I could hear the belt moving the fan until that noise slowly shuts off into a lot of loud ticking sounds.
Was this
answer
helpful?
Yes
No
Thursday, September 3rd, 2020 AT 5:30 PM (Merged)
Tiny
JACOBANDNICKOLAS
  • MECHANIC
  • 110,192 POSTS
Hi,

If the engine turns and doesn't start, we need to see if there is ignition spark as well as fuel to the engine. Interestingly, you mentioned the fan turns until you hear a clicking. That simply means the battery is getting extremely weak. However, if it turns the engine properly when charged, it should start.

So, the first thing I want you to do is check to see if there are diagnostic trouble codes. This has an OBD1 system which doesn't require a scan tool. All that is needed is a short jumper wire or even a paper clip.

Here is a link that shows how to retrieve codes:

https://www.2carpros.com/articles/buick-cadillac-chevy-gmc-oldsmobile-pontiac-gm-1983-1995-obd1-code-definitions-and-retrieval-method

If you are unable to get codes, then we need to check for spark and fuel to the engine. The easiest thing to do is see if it starts with starting fluid for a couple seconds. If it does, then we know the issue is related to the fuel system. If it still doesn't even try to start, we have to inspect the ignition system.

If you feel uncomfortable using starting fluid, here are two links that will explain how to check fuel pressure and for spark:

https://www.2carpros.com/articles/how-to-check-fuel-system-pressure-and-regulator

https://www.2carpros.com/articles/how-to-test-an-ignition-system

________________________________

Here are the manufacturer's specs for pressure:

1985 Chevy Truck K 10 P/U 4WD V8-350 5.7L
Fuel System Pressure Specifications
Vehicle Powertrain Management Fuel Delivery and Air Induction Fuel Pump Fuel Pressure Specifications Pressure, Vacuum and Temperature Fuel System Pressure Specifications
FUEL SYSTEM PRESSURE SPECIFICATIONS
Fuel Pressure .................... 27.5 to 44.8 kPa (4 to 6.5 psi)
Fuel Pump Vacuum .................... 50.6 kPa (15 inches Hg)

_________________________________

Let me know what you find or if you have other questions.

Take care,
Joe
Was this
answer
helpful?
Yes
No
Thursday, September 3rd, 2020 AT 5:30 PM (Merged)

Please login or register to post a reply.