Will not start after starter replacement

Tiny
VEGASCHICK702
  • MEMBER
  • 1998 NISSAN PATHFINDER
  • 3.6L
  • 6 CYL
  • 2WD
  • AUTOMATIC
  • 19,800 MILES
Starter went out. I replaced it and it still will not start I checked and replaced any and all fuses and relays and still nothing. I did lose my key and had to replace it the car does crank over no problem but will not start I can hear the fuel pump come on. When starter fluid was used it kinda sputters a little bit but no start. Please help
Saturday, January 29th, 2022 AT 8:46 PM

4 Replies

Tiny
JACOBANDNICKOLAS
  • MECHANIC
  • 110,194 POSTS
Hi,

The idea that it sputters with starting fluid leads me to believe it has spark to the plugs. However, I need you to confirm that. Here is a link that explains how to test for spark. Do this first.

https://www.2carpros.com/articles/how-to-test-an-ignition-system

If you find there is spark, I need you to next check for power to the fuel injectors. If you look at the pic below, note that each fuel injector has a white wire with a red tracer. That is the power wire for each injector, and it should have power when the key is in the run position. Check any of the injectors' white wire/red tracer for power. If there is power, then we need to move to the PCM. The PCM is what provides the ground path to complete the circuit and actuate the injector at specific times and lengths.

Here is a link you may find helpful when checking the wiring:

https://www.2carpros.com/articles/how-to-check-wiring

Let me know what you find.

Take care,

Joe

See pic below.
Was this
answer
helpful?
Yes
No
Saturday, January 29th, 2022 AT 9:29 PM
Tiny
VEGASCHICK702
  • MEMBER
  • 12 POSTS
Okay, I did do what you said to do. I am getting spark but I'm not getting any power to the injectors when the key is in the on position. Or do they only get power when cranking?
Was this
answer
helpful?
Yes
No
Monday, January 31st, 2022 AT 5:16 PM
Tiny
VEGASCHICK702
  • MEMBER
  • 12 POSTS
And also was missing a relay for ATP and did have a code P1605 could that have and part in what's going on with why it won't start?
Was this
answer
helpful?
Yes
No
Monday, January 31st, 2022 AT 5:21 PM
Tiny
JACOBANDNICKOLAS
  • MECHANIC
  • 110,194 POSTS
The ATP is what indicates it is in park. Is the ATP light on? It would prevent the starter from engaging but that doesn't seem like the issue. Let me know.

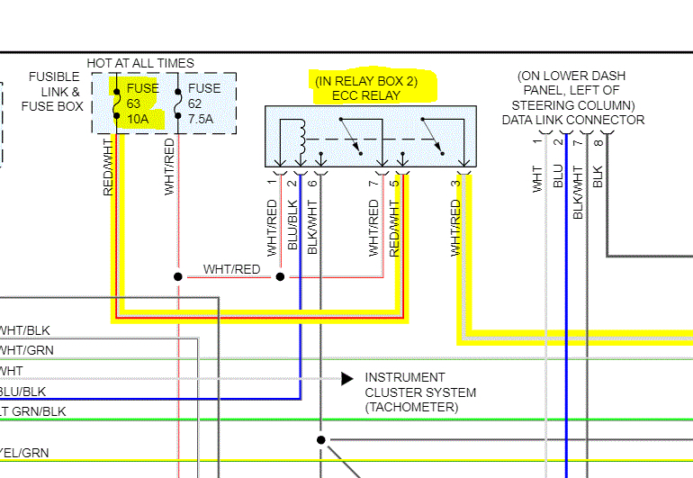
As far as the injectors, when the key is in the run or start position, the injectors should have power. Go to the fusible link box under the hood and confirm fuses 62 and 63 are both good and have power to and from them. Since you have spark, I assume fuse 62 is good. However, please confirm it for me. Additionally, make sure there is power available to both with the key on.

https://www.2carpros.com/articles/how-to-check-a-car-fuse

If they are good, I need you to check the ECCS relay.

https://www.2carpros.com/articles/how-to-check-an-electrical-relay-and-wiring-control-circuit

Let me know. I need to know that power is where it should be. If it is, then we need to determine where the break is after the supply.

Take care,

Joe

See pics below.

Was this
answer
helpful?
Yes
No
Monday, January 31st, 2022 AT 6:55 PM

Please login or register to post a reply.