Cranks but will not start intermittently

Tiny
PATHFINDERRS
  • MEMBER
  • NISSAN PATHFINDER
I have a SE with 245,000 km, V6 3.3L and all of a sudden it would not start, only intermittently.

When I just turn the key it cranks but will not start.
When I press the pedal down full and then try to start. It cranks and seems to want to start but then does not.

I checked:
- spark plugs and there is a good spark.
- for two to three seconds of whining of fuel pump when key is turned 3/4 prior to trying to start.
- fuel tank is full.
- fuel lines seem to be pressurized?

Any idea what it could be?
Tuesday, May 22nd, 2007 AT 9:25 PM

36 Replies

Tiny
DATSUNRAISED
  • MEMBER
  • 37 POSTS
You need to check to see if there is injector pulse. I have a feeling you may have an ECM that is out or a fuse that is blown. Here is a guide to help you with checking the injector pulse:

https://www.2carpros.com/articles/how-to-test-a-fuel-injector

Here is a guide to check the fuses. There is an injector fuse # 55

Plus a load of others including# 1, 14, 48, 52, 53, 54

https://www.2carpros.com/articles/how-to-check-a-car-fuse

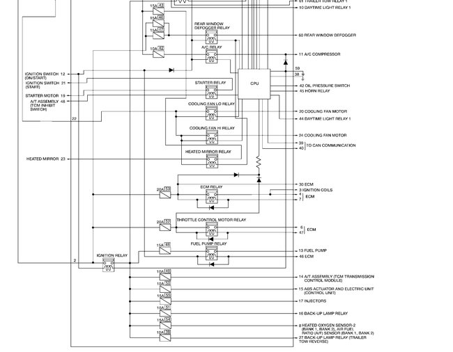
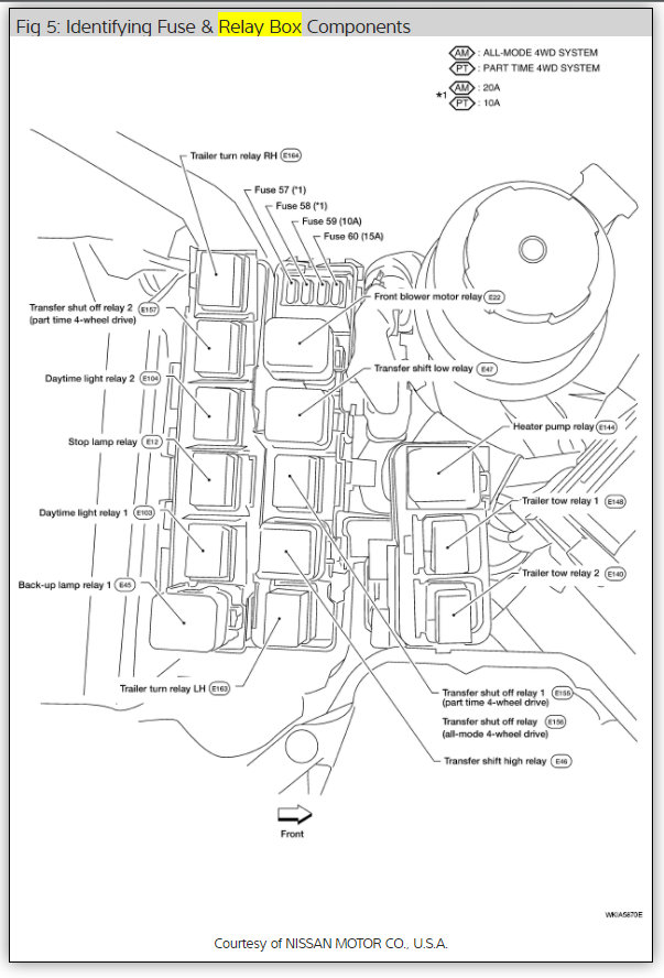
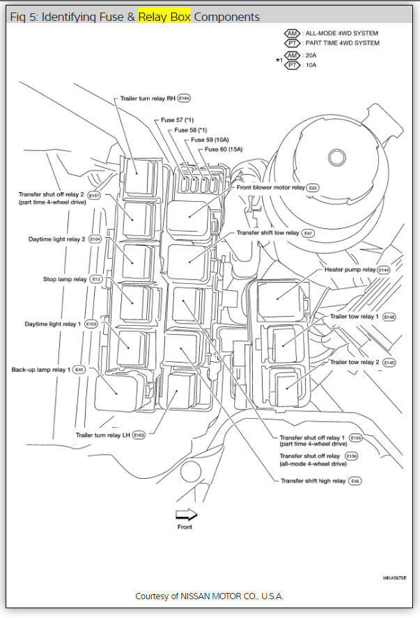
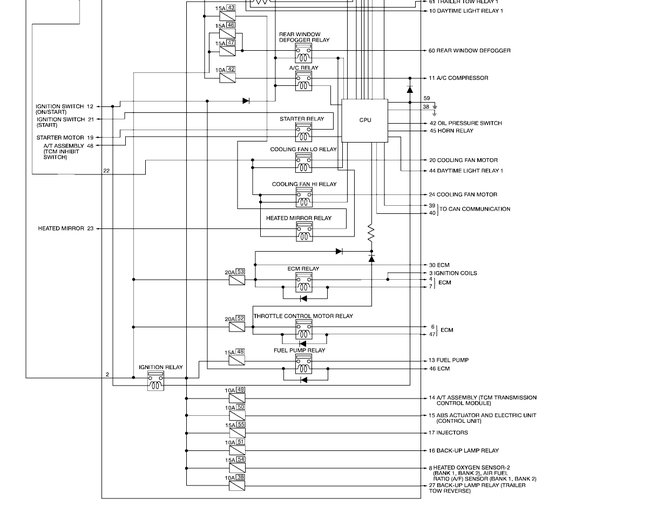
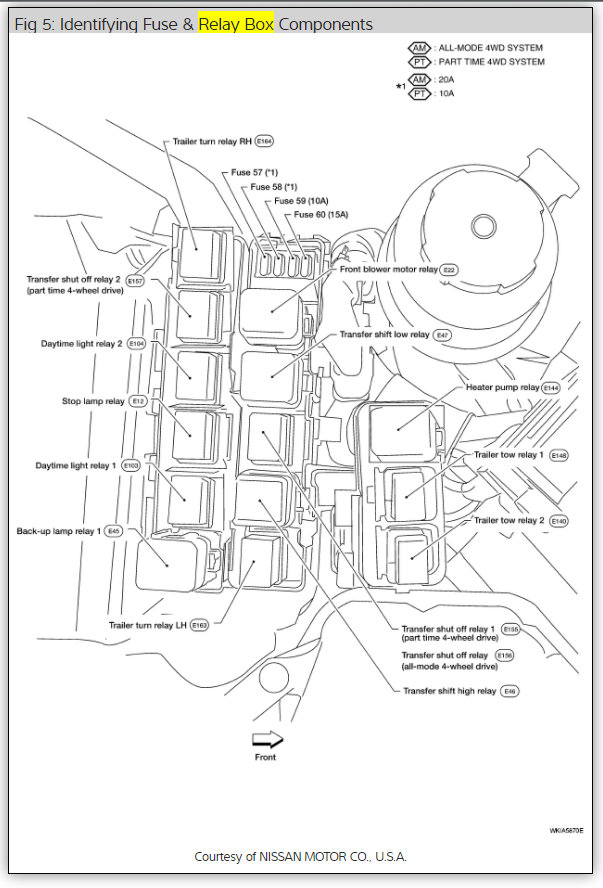
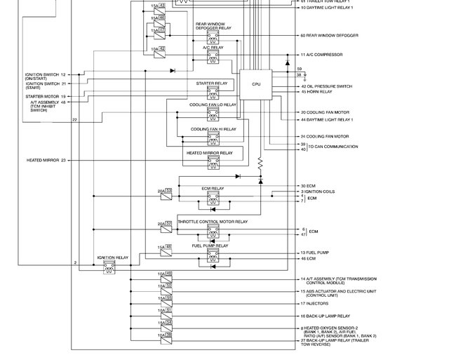
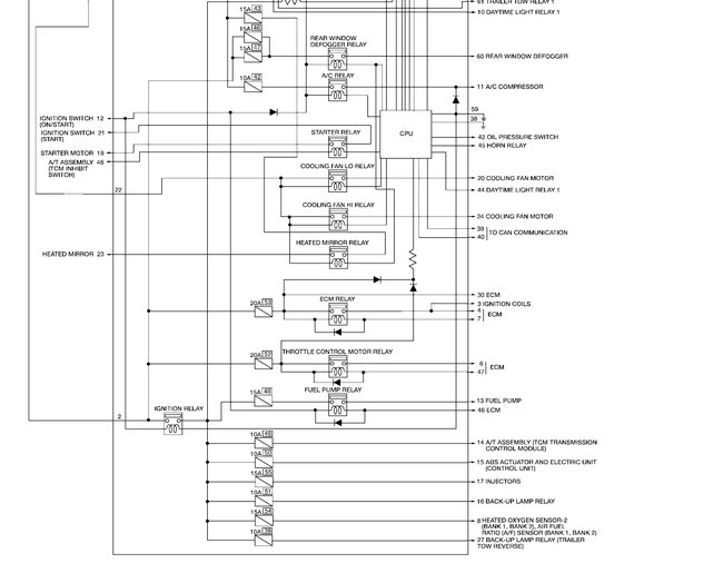
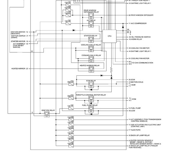
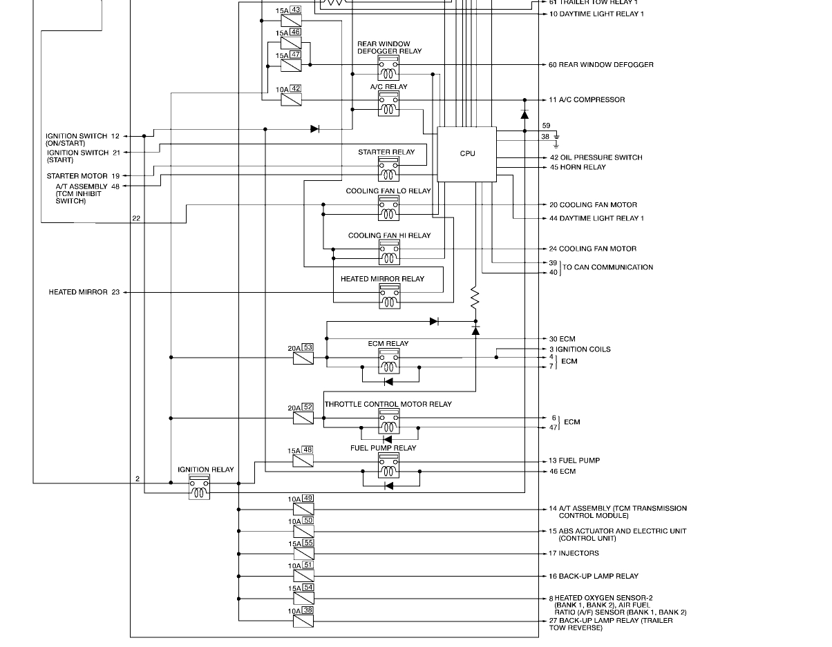
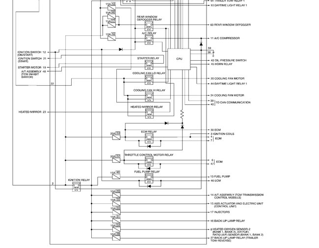
Check out the diagrams (below) I have found the engine wiring so you can see from yourself the fuse configuration.

Please run this test and get back to us so we can keep helping you.

Cheers

Was this
answer
helpful?
Yes
No
Saturday, June 2nd, 2007 AT 10:31 AM
Tiny
PATHFINDERRS
  • MEMBER
  • 8 POSTS
Today I took it out a long drive and when I came back and stopped the truck, I was able to restart it a few times no problem, even checked it an hour later and it started?

It would not do this if the fuel pump was not working or the distributor was not working? Maybe the crank sensor? Or an injector(s) got stuck?
Was this
answer
helpful?
Yes
No
-1
Sunday, June 3rd, 2007 AT 9:51 PM
Tiny
DATSUNRAISED
  • MEMBER
  • 37 POSTS
It would no be a crank sensor because yo would have no spark. Should not be just one injector, because as soon as it hit a good one it would still turn over. But to make sure your getting fuel to all cylinders, disconnect your spark plugs, leaving the holes open. Then crank the car a couple of times. You should be able to smell gas coming out of all your cylinders. To then clear the gas out, reconnect your spark plugs and pull the fuse for your fuel pump. Crank again to get the gas out.
Was this
answer
helpful?
Yes
No
+2
Thursday, June 7th, 2007 AT 11:39 AM
Tiny
PATHFINDERRS
  • MEMBER
  • 8 POSTS
If I hear the fuel pump and the fuel filter is okay. Then what could be the problem if fuel is not getting to the engine?

I still will pull out the plugs and check for fuel and check the injector pulse.

I will let you know. Thanks for the input.
Was this
answer
helpful?
Yes
No
+3
Friday, June 8th, 2007 AT 7:45 PM
Tiny
KIN CHAN
  • MEMBER
  • 453 POSTS
Let me take a shot at this. Spray heavy dose of starting fluid and see if the engine will turn over with combustion. If it does you can pretty much conclude is a fuel control problem. If it does not then it is a timing problem and I mean ignition, cam, injectors, whatever that is not correctly timed.

When you plug a wire out in open air to verify spark on a cold start if you put your injector pulse through a scope your computer get a signal as starting it length at least four times on injector pulse to richen up the system in order to start so if you do not have a signal and get extra fuel to kick start, guess what it is not happening?

If this is an intermediate problem on this guy then we can pretty much rule out compression, if you have bad mechanical problem it is not happening no matter what.

Service writer maybe right on coolant temperature sensor which is another form of fuel control. As a mechanic who makes a living on commission no time for that research and development spray and it does not work then I do not have to pull scope, scanner and move on to something else. What do you think guys?
Was this
answer
helpful?
Yes
No
+5
Sunday, June 10th, 2007 AT 10:39 AM
Tiny
RASMATAZ
  • MECHANIC
  • 75,992 POSTS
Starter signal takes the place of the cold start valve to lengthen the pulse width for the initial enrichment especially in toys. If the PCM does not see it, it will kill injectors-just like the Ne and G signals no fuel. Also the CTS will affect fuel delivery.
Was this
answer
helpful?
Yes
No
+2
Sunday, June 10th, 2007 AT 5:32 PM
Tiny
PATHFINDERRS
  • MEMBER
  • 8 POSTS
I changed the distributor cap, rotor, and plug wires and it started with good idle, the four times I tried. The next night I tried starting the truck and it would crank but not fire! After about six to eight tries, I was able to start the truck. Took it for a ten minute drive, came back, turned off the engine and tried to start it and it would not. I took out spark plug number one and it was dry, checked it for spark and there was. Did the same for spark plug number three with the same results.

Does this sound like a fuel delivery problem now? What should I check? Senors? I have not "check engine light on" nor any codes coming up. What gives?
Was this
answer
helpful?
Yes
No
Wednesday, June 13th, 2007 AT 10:04 PM
Tiny
PATHFINDERRS
  • MEMBER
  • 8 POSTS
In frustration brought it to the dealer, replaced the distributor also, changed the fuel pump relays around and I still seem to have this intermittent start.

They checked everything no codes, fuel pressure was good, sensors were fine. They were not able to get the truck not to start so it was hard to pinpoint. Then I get it home and it does not start. Could any of the sensors, like coolant temperature, cranks position sensor, camshaft sensor work intermittently?

When it does not crank and I check the plugs, they are dry. So no fuel is getting to them, but why?

Thanks for any input. Boy I hope the next person can learn from my posts.
Was this
answer
helpful?
Yes
No
+3
Sunday, June 17th, 2007 AT 10:19 AM
Tiny
SERVICE WRITER
  • MECHANIC
  • 9,123 POSTS
Hey
Pathfinder,

Like Kin says, next time it does not start, you need to access the throttle body and spray some starting fluid or similar into it and crank it to verify the no fuel situation. We need to verify the lack of fuel or not. Intermittent are a bear.
Was this
answer
helpful?
Yes
No
Sunday, June 17th, 2007 AT 9:29 PM
Tiny
PATHFINDERRS
  • MEMBER
  • 8 POSTS
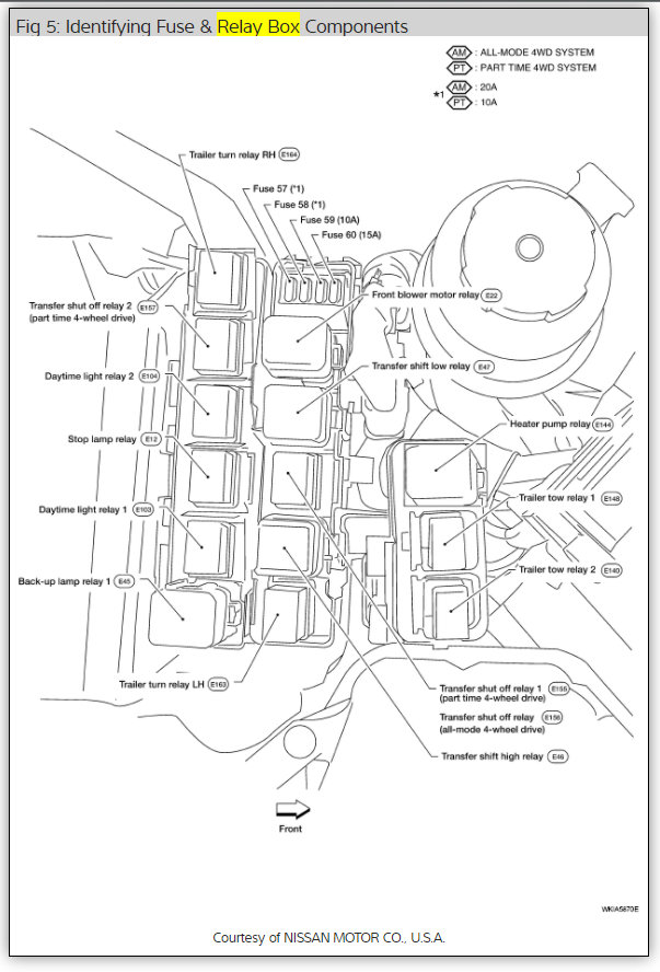
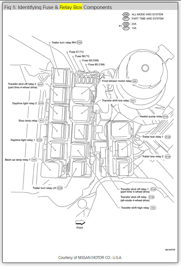
The problem was the relay for the fuel injectors was not working properly, so by changing the relay it solved everything. That is why no fuel was getting into the cylinders.

Thanks all for your help. Hope this helps someone else.

From Ken: The location of the relay in the post below
Was this
answer
helpful?
Yes
No
+34
Wednesday, June 27th, 2007 AT 1:51 PM
Tiny
DAMIEN SHRIMP
  • MEMBER
  • 1 POST
Hi pathfinderrs, I am having the some problem you were having when I read through this when I see how you fixed it. I went looking for that relay on my pathfinder but could not find it anywhere so could you please tell me where about is the fuel injectors relay? I have a 2001 pathfinder.
Was this
answer
helpful?
Yes
No
+3
Wednesday, August 31st, 2016 AT 8:14 AM
Tiny
KEN L
  • MASTER CERTIFIED MECHANIC
  • 55,297 POSTS
Hey Damien,

Yes, I got you covered and found this for you.

Please let us know what you find so it will help others.

Best, Ken
Was this
answer
helpful?
Yes
No
+3
Tuesday, November 29th, 2016 AT 12:00 PM
Tiny
PATHFINDER 2008
  • MEMBER
  • 3 POSTS
I have the same problem I have a Pathfinder 2008. I noticed that if I do not used the truck for more than twelve hours it cranks but will not turnover. Any idea what could be the problem?
Was this
answer
helpful?
Yes
No
Thursday, December 15th, 2016 AT 6:34 AM
Tiny
KEN L
  • MASTER CERTIFIED MECHANIC
  • 55,297 POSTS
Hey PATHFINDER 2008,

When the engine does not start do you hear the fuel pump running in the tank? Also, check for spark, this will help us narrow it problem down to a system.

Here is a guide to help:

https://www.2carpros.com/articles/car-cranks-but-wont-start

Please let us know happens so it will help others.

Best, Ken
Was this
answer
helpful?
Yes
No
-1
Thursday, December 15th, 2016 AT 8:44 AM
Tiny
SKALESPLITUR
  • MEMBER
  • 3 POSTS
My 1996 Pathy has the same problem. But each time I put in a new Fuel Pump Relay it starts right up, but it wont start after an hour or more. Just cranks and won't fire or even try to turn over. Could it be clogged catalytic converters?
Was this
answer
helpful?
Yes
No
Monday, October 2nd, 2017 AT 3:14 PM
Tiny
KEN L
  • MASTER CERTIFIED MECHANIC
  • 55,297 POSTS
It sounds more like the fuel pump is going out. When the engine does not start lets check the fuel pressure

Here is a guide to help you see what you are in for when doing the test.

https://www.2carpros.com/articles/how-to-check-fuel-system-pressure-and-regulator

and if weak here is a guide and some diagrams (below) to show you how to change the pump out.

https://www.2carpros.com/articles/how-to-replace-an-electric-fuel-pump

Please let us know what happens so it will help others.

Cheers, Ken
Was this
answer
helpful?
Yes
No
+1
Tuesday, October 3rd, 2017 AT 12:29 PM
Tiny
SAVANNAH WEST
  • MEMBER
  • 2 POSTS
I have the same problem. Intermittent no start. It seems like when the engine gets hot and you shut it off. Try and start it about 15 minutes later and it won't. Cranks but won't go. Wait 20 minutes. Fires right up. Always fires up on cold start. Replaced distributor, spark plugs, fuel filter. During no start, it is getting spark. Made sure it wasn't starting and then sprayed the starting fluid and it fires right up. So now we can confirm fuel. But what do we try next? We replaced the fuel pump relay. There is no fuel injector relay-it is a fuse.
Was this
answer
helpful?
Yes
No
Friday, October 6th, 2017 AT 4:38 PM
Tiny
KEN L
  • MASTER CERTIFIED MECHANIC
  • 55,297 POSTS
This sounds like a crankshaft angle sensor that has gone out what year is your car so I can get you diagrams?

Cheers, Ken
Was this
answer
helpful?
Yes
No
+1
Monday, October 9th, 2017 AT 10:06 AM
Tiny
SAVANNAH WEST
  • MEMBER
  • 2 POSTS
Hi Ken, it's a 1999
Was this
answer
helpful?
Yes
No
Wednesday, October 11th, 2017 AT 11:54 AM
Tiny
KEN L
  • MASTER CERTIFIED MECHANIC
  • 55,297 POSTS
Okay here is a guide that will show you what you are in for when doing the job.

https://www.2carpros.com/articles/crankshaft-angle-sensor-replacement

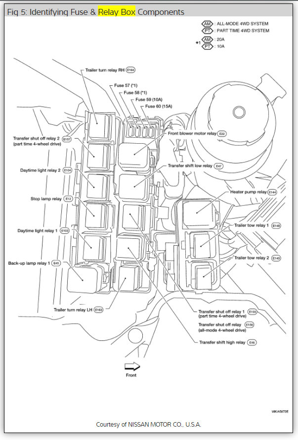
Here is the location for your car (below)

Please let us know what you find. I'm interested to see what it is.

Cheers, Ken
Was this
answer
helpful?
Yes
No
Thursday, October 12th, 2017 AT 10:35 AM

Please login or register to post a reply.