My engine turns over but will not start won't start with starting fluid either

Tiny
DRAFTER
  • MEMBER
  • 6 POSTS
I had a Ranger the same year as yours and had that exact same problem I would take a surefire guess that its your control module located on the backside of your Distributor it takes a 5/16 deep thin walled socket good luck finding one only place I located one is snap-on but you could make your own out of a deep socket just grind it down till fit's I believe it cost around 60.00 dollars for the part and about 45 min. To fix you will also want to put dielectrode grease on the shiny surface that contacts the distributor hope this helps you out.

Drafter
Was this
answer
helpful?
Yes
No
Tuesday, March 2nd, 2021 AT 7:07 PM (Merged)
Tiny
DAINSTER JUDD
  • MEMBER
  • 1 POST
  • 1988 FORD RANGER
  • 2.9L
  • 6 CYL
  • 4WD
  • AUTOMATIC
  • 150,000 MILES
My truck was running fine since I got it and although a lot of wires were not great looking and unconnected connectors still no issue. Well, I have now replaced my fuel pump relay, my eec relay both pumps and filter. Still no fuel coming up to the fuel rail. All fuses and inertia switch is okay. It turns over but that is it.
Was this
answer
helpful?
Yes
No
Tuesday, March 2nd, 2021 AT 7:07 PM (Merged)
Tiny
JACOBANDNICKOLAS
  • MECHANIC
  • 110,192 POSTS
Hi and thanks for using 2CarPros. Com.

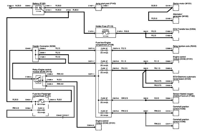
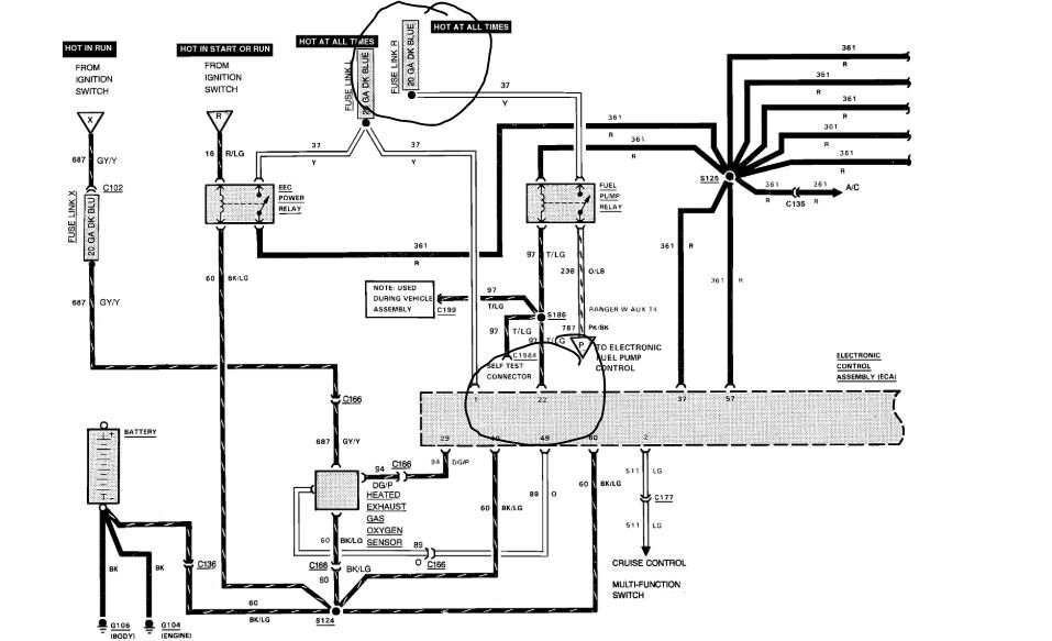
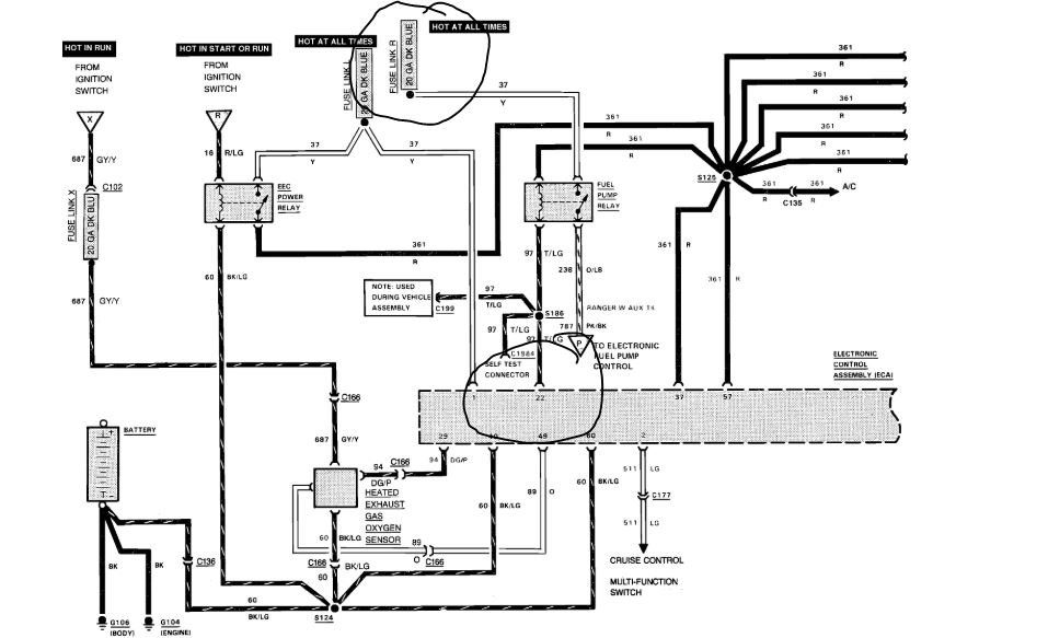
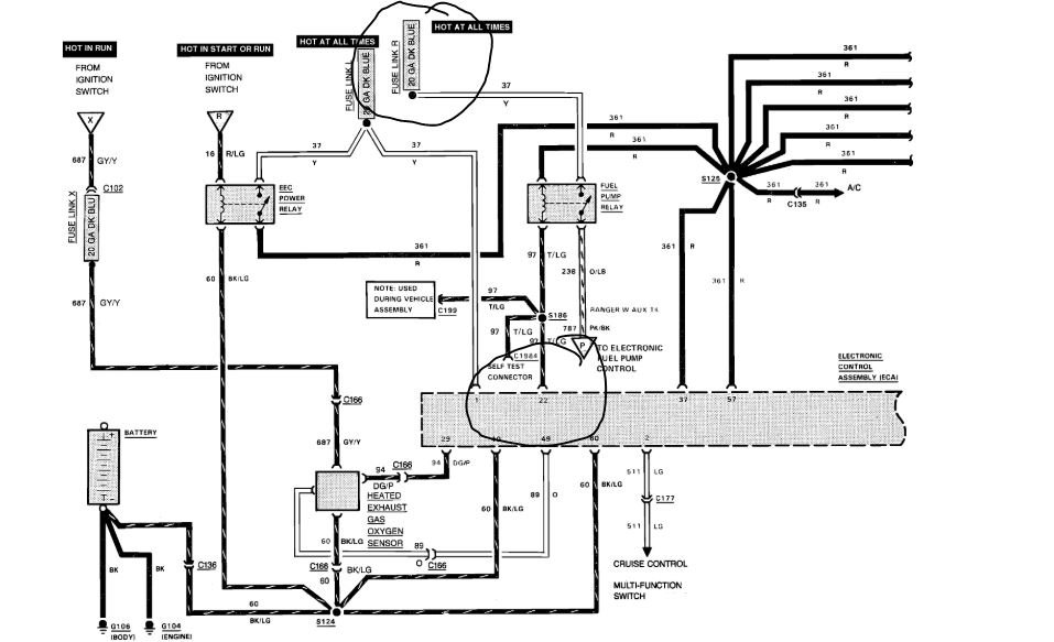
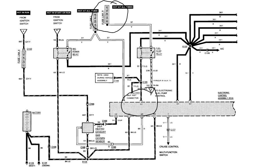
If you are sure everything you mentioned is good, then either we have a broken wire to the pump, a bad ground, or one of the two fusible links are bad. First, both the EEC and fuel pump relay get power via a 20ga fusible link. Each has its own.

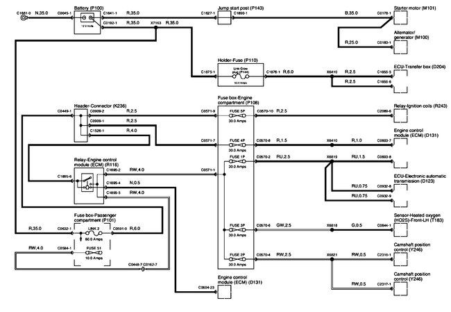
Check the links for continuity. They will be blue in color. I attached a wiring schematic to help identify them.

Note: If there is an issue with the EEC, that should be shutting down both fuel and spark. Confirm you have spark.

Let me know what you find or if you have other questions.

Take care,
Joe
Was this
answer
helpful?
Yes
No
Tuesday, March 2nd, 2021 AT 7:07 PM (Merged)
Tiny
HEATWAVETENOR
  • MEMBER
  • 1 POST
  • 1988 FORD RANGER
  • 4 CYL
  • 2WD
  • MANUAL
Cranks but wont start. I have changed the ignition coil, but still nothing.
Was this
answer
helpful?
Yes
No
Tuesday, March 2nd, 2021 AT 7:08 PM (Merged)
Tiny
WRENCHTECH
  • MECHANIC
  • 20,761 POSTS
All "crank, no start" conditions are approached in the same way. Every engine requires certain functions to be able to run. Some of these functions rely on specific components to work and some components are part of more than one function so it is important to see the whole picture to be able to conclude anything about what may have failed. Also, these functions can ONLY be tested during the failure. Any other time and they will simply test good because the problem isn't present at the moment.
If you approach this in any other way, you are merely guessing and that only serves to replace unnecessary parts and wastes money.

This guide will help

https://www.2carpros.com/articles/car-cranks-but-wont-start

These are the basics that need to be tested and will give us the info required to isolate a cause.

1) Test for spark at the plug end of the wire using a spark tester. If none found, check for power supply on the + terminal of the coil with the key on.

2) Test for injector pulse using a small bulb called a noid light. If none found, check for power supply at one side of the injector with the key on.

3) Use a fuel pressure gauge to test for correct fuel pressure, also noticing if the pressure holds when key is shut off.

4) If all of these things check good, then you would need to do a complete compression test.

Once you have determined which of these functions has dropped out,
you will know which system is having the problem.

Was this
answer
helpful?
Yes
No
+5
Tuesday, March 2nd, 2021 AT 7:08 PM (Merged)
Tiny
J. L. J.
  • MEMBER
  • 1 POST
  • 1988 FORD RANGER
  • 2.9L
  • V6
  • 4WD
  • MANUAL
  • 83,000 MILES
The engine quit while driving about 15 mph. It will crank but won't start. The inertia switch checks out okay, I changed the fuel pump relay. With ignition switch on fuel pumps run but when cranked will not start. With a probe on the inertia switch wire elect. Power will fall off when ignition switch is moved to start position. Same thing happens when probing fuel pump relay, EEC power relay, and fuel pump power lines. The dual tank sector valve and fuel pump wiring on the frame under the truck has been repaired numerous times and is in poor condition. I have only had the truck for a short time and don't know much of it's history, but it looks like the fuel tank selector valve has been replaced and I don't know if it is correct.
I would appreciate any help you can give me.
Thank you.
Was this
answer
helpful?
Yes
No
Tuesday, March 2nd, 2021 AT 7:08 PM (Merged)
Tiny
ASEMASTER6371
  • MECHANIC
  • 52,796 POSTS
Good morning,

Did you check for spark?

https://www.2carpros.com/articles/how-to-test-an-ignition-system

You need to test the fuel pressure as well. The pump may be running but may not be producing enough pressure. Try spraying some starter fluid in the air filter and see if the truck starts and stalls.

https://www.2carpros.com/articles/how-to-check-fuel-system-pressure-and-regulator

This could also be the ignition switch. Power needs to be confirmed not only to the fuel pump but the ignition module.

Roy
Was this
answer
helpful?
Yes
No
Tuesday, March 2nd, 2021 AT 7:08 PM (Merged)
Tiny
BKM97423
  • MEMBER
  • 51 POSTS
  • 1988 FORD RANGER
  • 2.3L
  • 4 CYL
  • 2WD
  • MANUAL
  • 100,000 MILES
I turned off hwy going 55 mph and ran my truck into high water. I went in to reverse and backed out and my truck quit running. I started it up and it kept shutting off but it finally kept running and it wouldn't go over 35 mph and home is nine miles away. The next day the truck wouldn't start. It turns over every time but still wont start. I got it started one time and it shut off after about ten minutes and I cannot get it started since. I have checked emergency fuel pump shut off and my opinion is that the switch is bad. Also I have bought everything for a tune up including; distributor cap, rotor, plugs, fuel filter etc. Please help as it has been eight days with no transportation. Thank you, Brenda M
Was this
answer
helpful?
Yes
No
Tuesday, March 2nd, 2021 AT 7:09 PM (Merged)
Tiny
ASEMASTER6371
  • MECHANIC
  • 52,796 POSTS
Good afternoon,

I would start by draining the fuel tank and replacing with fresh fuel. There may be water in the tank from the water.

Change the fuel filter as well.

Start there.

Roy
Was this
answer
helpful?
Yes
No
+1
Tuesday, March 2nd, 2021 AT 7:09 PM (Merged)
Tiny
BKM97423
  • MEMBER
  • 51 POSTS
Thank you Roy for the advice. It was a fuel pump relay. Well my mechanic bypassed the fuel pump relay and it fired right up. After plugging in the new relay the engine still just turned over like it was going to start but wouldn't. I asked mechanic if he could just bypass the fuel pump relay then to solve the problem. Would you advise this when having problems engine not starting or would you diagnose to find out why the new fuel pump relay didn't fix the no start until you found the real problem. I was thinking maybe it wasn't the relay itself but the part/wiring that the fuel pump relay plugs in to. Any feedback Roy? Advice? Solution? (Finally got the Ranger running bypassing the fuel pump relay, but after driving it and not very far either, I think the fuel pump went out on me/quit working.)
Was this
answer
helpful?
Yes
No
Tuesday, March 2nd, 2021 AT 7:09 PM (Merged)
Tiny
ASEMASTER6371
  • MECHANIC
  • 52,796 POSTS
Okay, so it was not the relay.

Bypassing it is not recommended. The relay is controlled by the ECM. He just connected 30 and 87 contacts on the relay to get it going.

It would be better to fix the problem not jerry rig it.

There is a fusible link that supplies power to the relay. That needs to be checked. It does sound like you need another technician who knows how to diagnose electrical systems instead of just bypassing protections.

As far as the stalling, did you change the fuel?

Roy
Was this
answer
helpful?
Yes
No
Tuesday, March 2nd, 2021 AT 7:09 PM (Merged)
Tiny
BKM97423
  • MEMBER
  • 51 POSTS
No didn't change the fuel. Once started it ran just great. So if i'm having a no start problem just like I did before the fuel pump relay was bypassed what can I do from here? It is doing the exact same thing as before. Turns over but wont start. Also what is up with the radiator drain plug? I bought a new one cause it had a slow drip from this "faucet" looking thing directly under drain plug on radiator. I tried putting in the new drain plug but it will not seal and is a steady stream out of the "faucet" (its a tiny metal tube curved just like a spicket and it is approximately 2cm in diameter) I can not get it to stop leaking and the drain plug seems to be in tight! So frustrating but i'm sure there has to be a way to fix this problem. It was leaking less before I put the new drain plug in? Thanks for all your help. You guys are great! You've helped me so much when otherwise I would have been stuck because I don't have money to pay a mechanic to fix things. I don't mind doing it myself if it is something that I am able to do without risking breaking or ruining my engine. I'm pretty resourceful but the things you have helped me with I was at a loss and couldn't find the answer so I thank you for offering me help at no charge. I cannot thank you enough, forever grateful, Brenda M (Southern Oregon Coast)
Was this
answer
helpful?
Yes
No
Tuesday, March 2nd, 2021 AT 7:09 PM (Merged)
Tiny
ASEMASTER6371
  • MECHANIC
  • 52,796 POSTS
Got it.

Can you post a picture of the drain plug for me to view?

As far as the starting, The electrical system needs to be checked to find out why it or the relay will not turn on the pump.

Do you have a test light and a voltmeter to do some testing?

Roy
Was this
answer
helpful?
Yes
No
Tuesday, March 2nd, 2021 AT 7:09 PM (Merged)
Tiny
BKM97423
  • MEMBER
  • 51 POSTS
No. But I will buy them. They aren't expensive. Thank you again. You're awesome!
Was this
answer
helpful?
Yes
No
Tuesday, March 2nd, 2021 AT 7:09 PM (Merged)
Tiny
ASEMASTER6371
  • MECHANIC
  • 52,796 POSTS
You are welcome.

Always glad to help.

Roy
Was this
answer
helpful?
Yes
No
Tuesday, March 2nd, 2021 AT 7:09 PM (Merged)

Please login or register to post a reply.