Saturday, July 20th, 2024 AT 4:43 PM
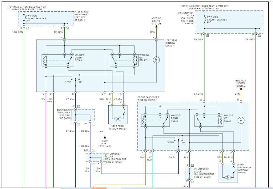
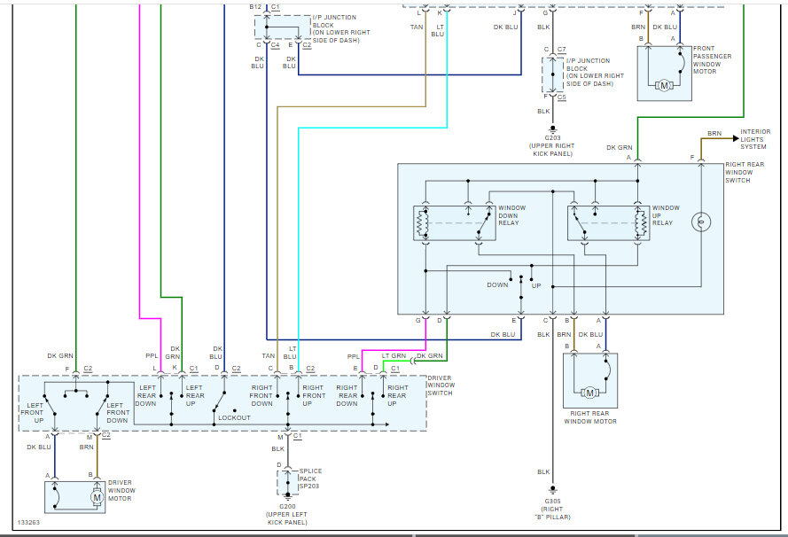
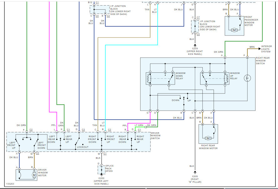
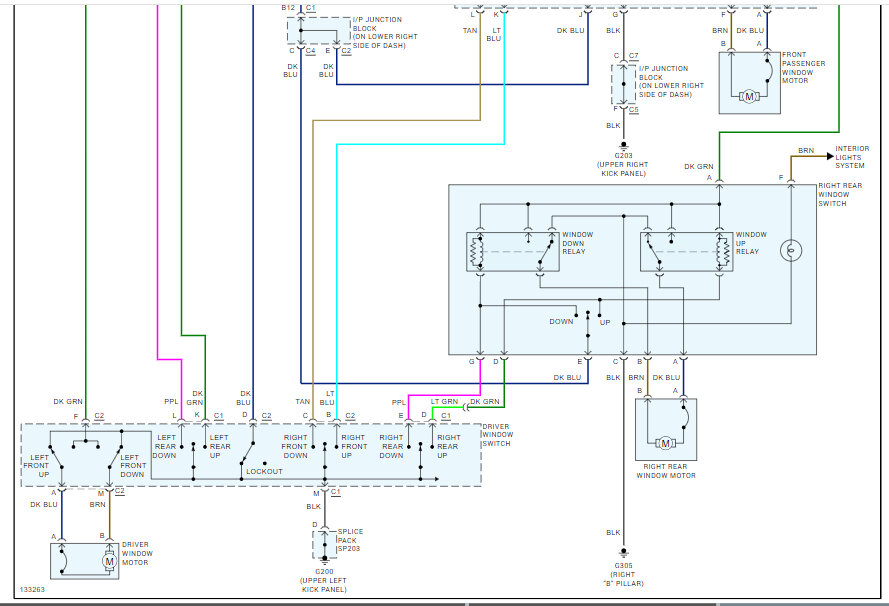
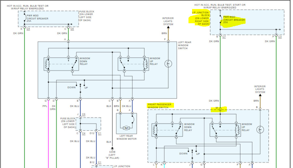
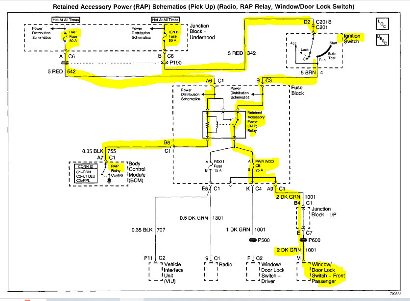
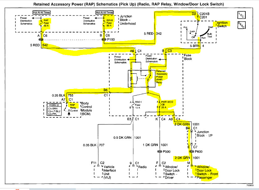
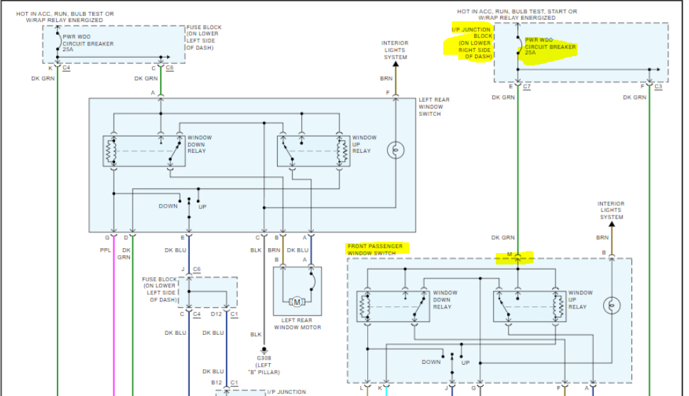
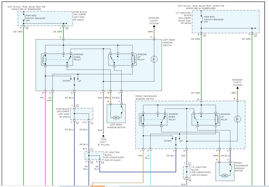
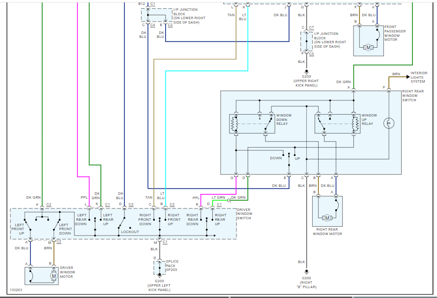
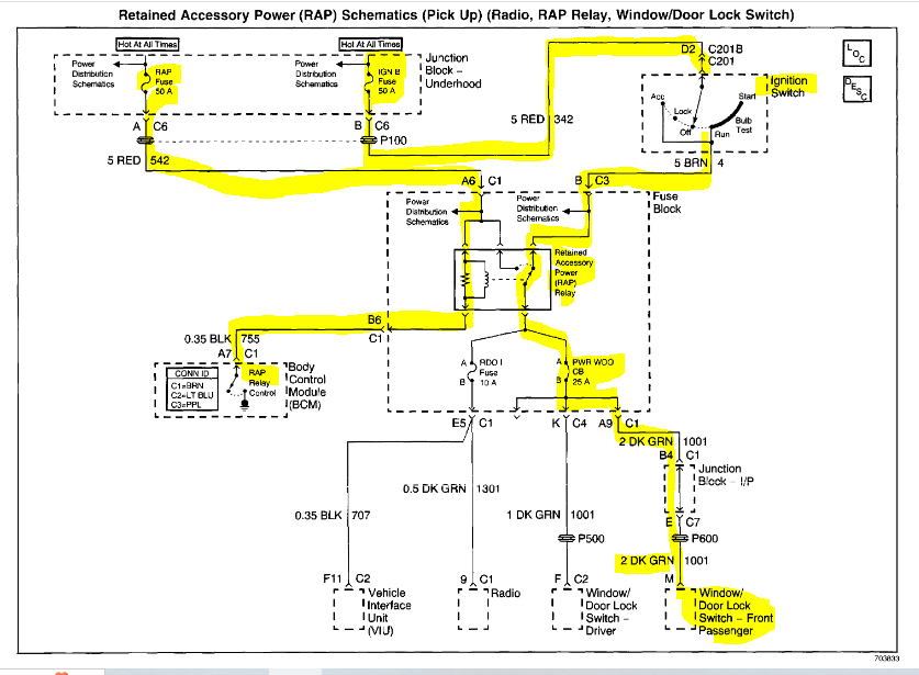
I had a leak in my A/C evaporator, so I had to take the whole dash off to get to the heater core and the A/C evaporator. I replaced both the heater core and A/C evaporator and put things back together. Now I can control the driver's side window from the driver's seat, but there is no power going to the passenger side. Can you please send me a wire diagram of the system so that I can track down the problem? Taking the dash off, I had to unhook some electrical connectors. I think that I got them all back together. I have the truck listed above Silverado 1500 HD.






