Drivers side electric window will not work

Tiny
JOHN SUITER
  • MEMBER
  • 2000 CHEVROLET SILVERADO
My truck is a V8, four wheel drive, automatic with 100,000 miles.
I installed a new switch and there is not any power going to the motor. I can take two wires from battery and put them to the window motor and that will make the window go up and down. I checked all fuses and they were all okay. There is no power going to the motor. I need the wiring diagram to the left window motor and fuse box. Thank you.
Monday, October 12th, 2009 AT 10:48 AM

9 Replies

Tiny
QUAGMIRE86
  • MECHANIC
  • 98 POSTS
There is a a 30 amp circuit breaker that runs the system. Here is a guide and some wiring and fuse diagrams (Below) that will help you get the job done.

https://www.2carpros.com/articles/how-to-check-a-car-fuse

and

https://www.2carpros.com/articles/how-to-use-a-test-light-circuit-tester

There could be a fault with the green wire (power to motor/switch) between the fuse box and switch/motor or the ground is bad.

Perform a continuity test (with no power in circuit) on both the power and ground wires.

Please let us know what happens.

Cheers
Was this
answer
helpful?
Yes
No
+15
Tuesday, October 13th, 2009 AT 7:53 AM
Tiny
IMPALASS
  • MECHANIC
  • 3,112 POSTS
Hello,

As you see, the members work together at times to assist the customers. After consultation with Quagmire86 we felt it better to provide a little more information.

This is for the 1500 model and I assume it is the driver's window.

Left front window inoperative:

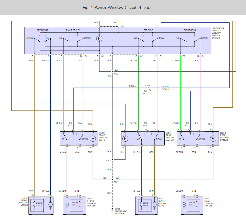
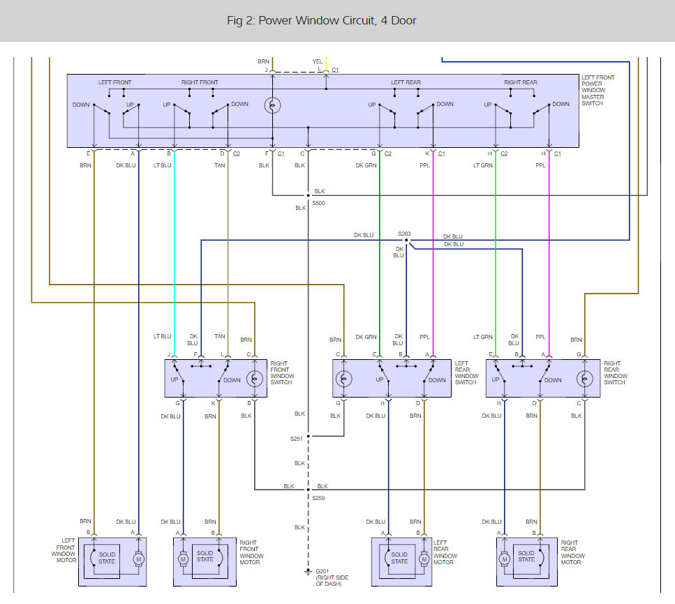
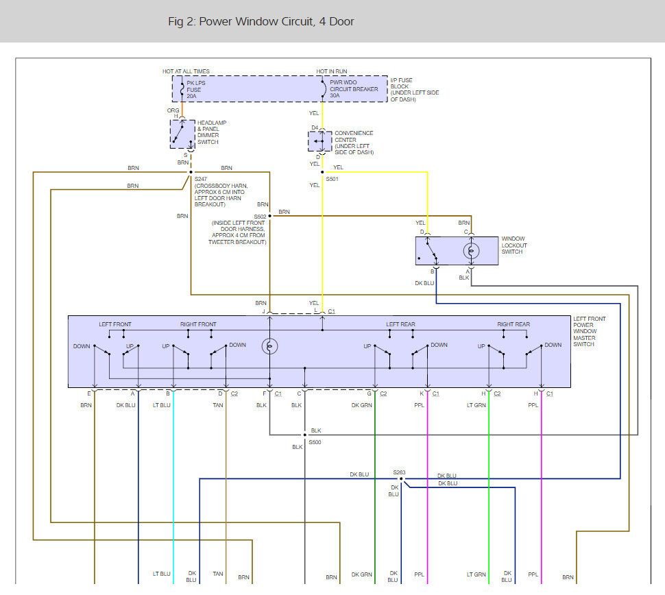
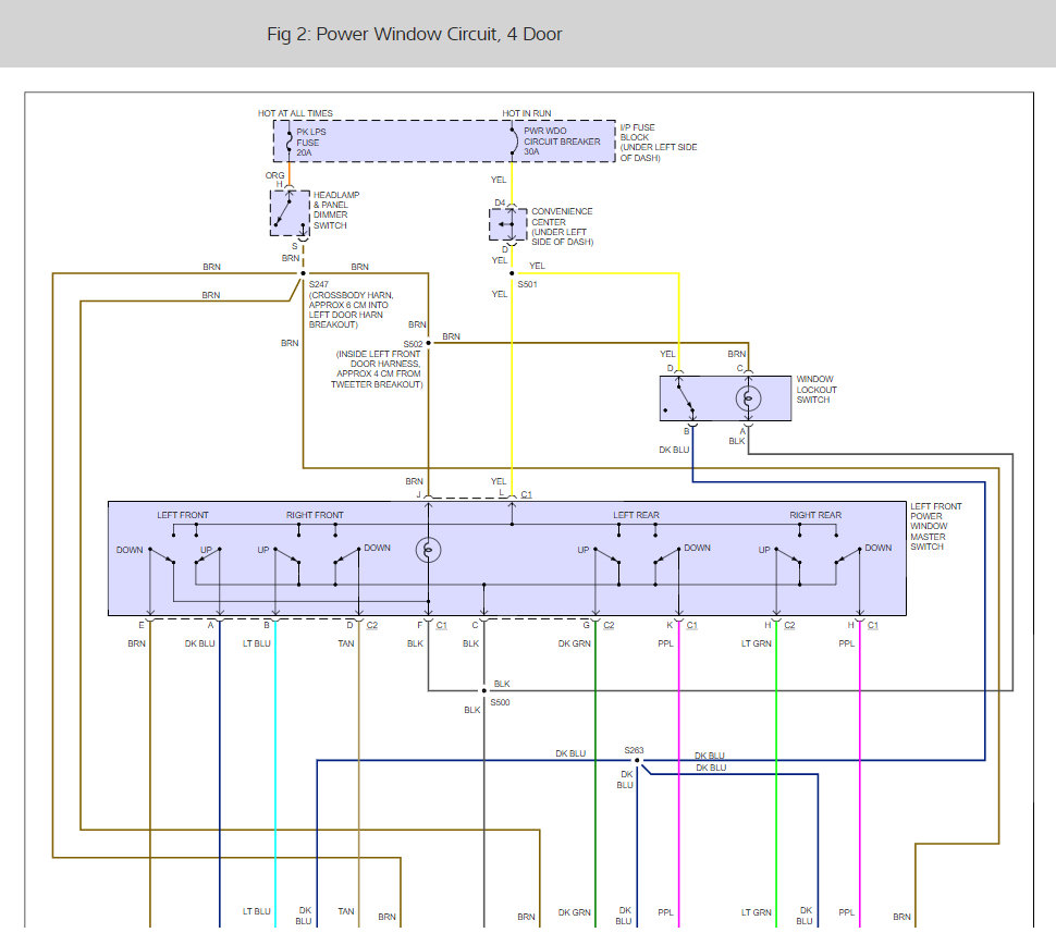
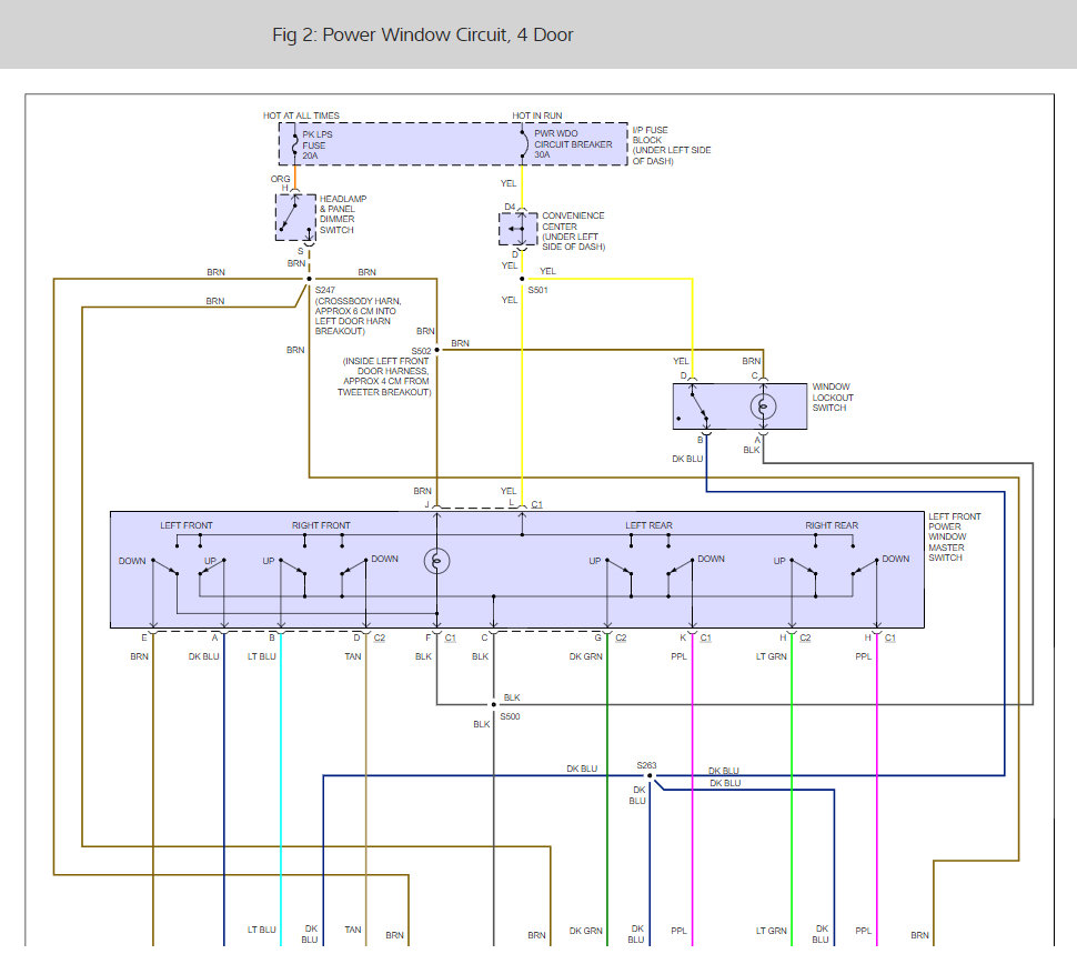
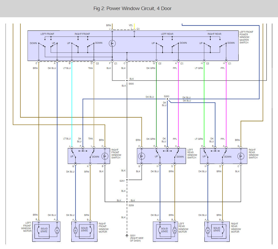
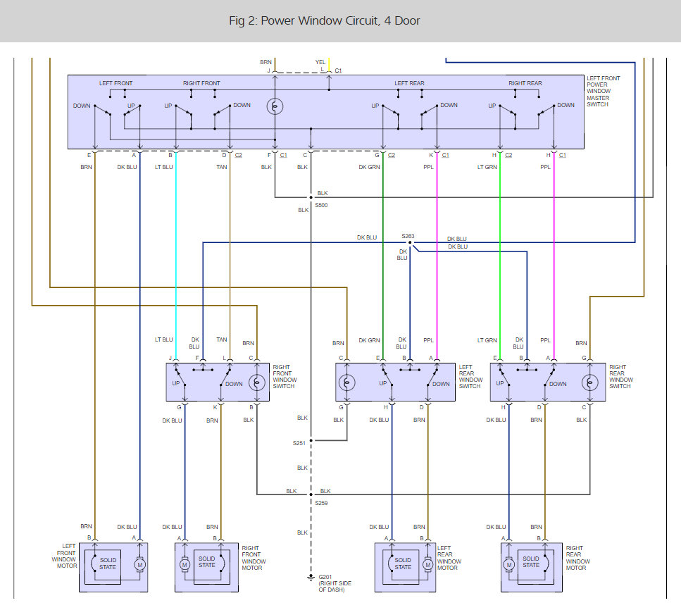
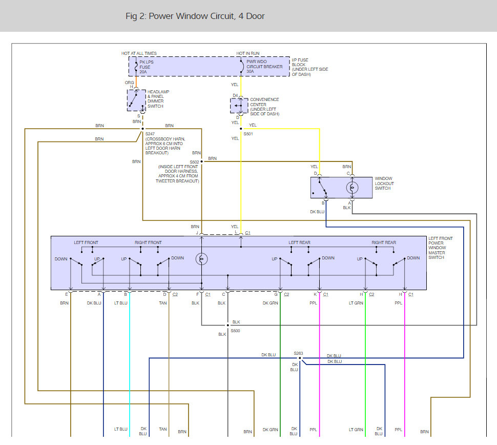
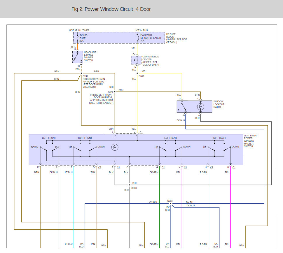
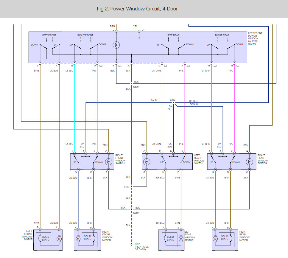
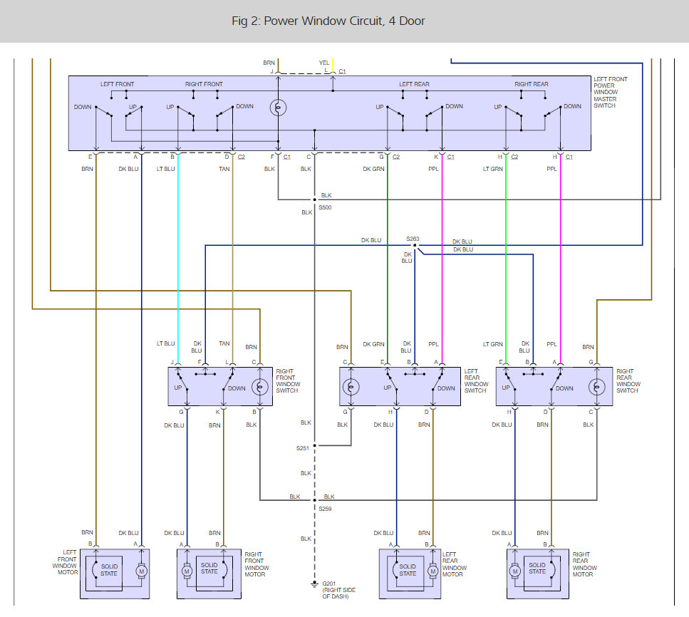
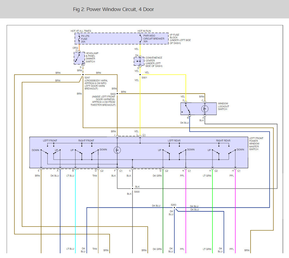
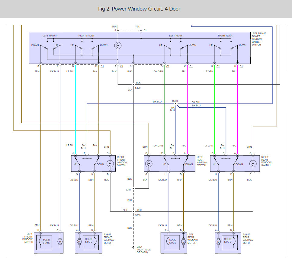
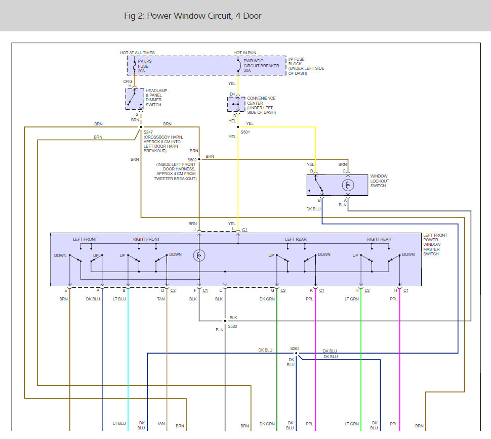
1. Disconnect master switch assembly connectors C1 and C2. Turn ignition switch to "run" position. Using a test light connected to ground, back-probe master switch assembly connector C2 terminal "F" (dark green wire). See Fig. 1. If test light illuminates, go to step 3. If test light does not illuminate, go to next step.

2. Repair open in dark green wire between master switch assembly connector C2 terminal "F" and Left Bussed Electrical Center (LBEC) connector C4 terminal "K". See WIRING DIAGRAMS.

3 Ensure left front window switch on master switch assembly is in neutral position. Connect a test light between battery voltage and master switch assembly connector C1 terminal "M" (Black wire). If test light illuminates, go to next step. If test light does not illuminate, go to step 6.

4. Connect master switch assembly connectors C1 and C2. Disconnect left power window motor connector. Ensure ignition switch is in "run" position. Connect a test light between left power window motor connector terminals "A" (dark blue wire) and "B" (brown wire). Observe test light while operating left front window switch on master switch assembly to UP and DOWN positions. If test light illuminates in both positions, go to next step. If test light does not illuminate in both positions, go to step 7.

5. Replace left power window motor. See window motor and regulator under removal and installation.

6. Repair open in Black wire between ground and master switch assembly connector C1 terminal "M". Wiring diagrams and component locations.

7. Using a test light, back-probe between master switch assembly connector C2 terminals "A" (dark blue wire) and "M" (brown wire). Observe test light while operating left front window switch on master switch assembly to up and down positions. If test light illuminates in both positions, go to next step. If test light does not illuminate in both positions, go to step 9.

8. Check for open in dark blue wire between master switch assembly connector C2 terminal "A" and left front window motor connector terminal "A". Check for open in brown wire between master switch assembly connector C2 terminal "M" and left front window motor connector terminal "B". See wiring diagrams. Repair as necessary and retest system.

9. Replace master switch assembly. See window switch under removal and installation.
Was this
answer
helpful?
Yes
No
+15
Tuesday, October 13th, 2009 AT 7:15 PM
Tiny
IMPALASS
  • MECHANIC
  • 3,112 POSTS
Hello,

Also, it looks like you may have some recalls on your vehicle. The dealer may fix these for free. Please contact the dealer service department, give them the VIN number of your truck and have them check on these to see if they apply to you.
Was this
answer
helpful?
Yes
No
+8
Tuesday, October 13th, 2009 AT 7:18 PM
Tiny
THUGOF72
  • MEMBER
  • 1 POST
  • 2000 CHEVROLET SILVERADO
2000 chevy sliveralo power window passenger side wont work went slow for a short time than just stopped
Was this
answer
helpful?
Yes
No
+2
Friday, October 13th, 2017 AT 10:04 AM (Merged)
Tiny
YOUNGMIKE
  • MEMBER
  • 2 POSTS
  • 2000 CHEVROLET SILVERADO
  • 5.3L
  • V8
  • 2WD
  • AUTOMATIC
  • 280,000 MILES
My passenger side window stopped working. It was working absolutely fine, went to roll it down and nothing. It stopped working mid trip, with no big bumps in the road or anything.
The eight digit of the VIN is T.
I replaced the switch in the door handle. It makes the little clicking sound, but that's it.
All fuses are checked and okay.
Any ideas / help would be great. Thanks in advance.

Someone told me it could maybe be the up / down limit switch? Any Ideas?
Was this
answer
helpful?
Yes
No
Friday, October 13th, 2017 AT 10:04 AM (Merged)
Tiny
CAR-MAN145
  • MECHANIC
  • 321 POSTS
Sound like the window motor went bad. Try hitting the door while holding the window switch on mite start to move.
Was this
answer
helpful?
Yes
No
+1
Friday, October 13th, 2017 AT 10:04 AM (Merged)
Tiny
YOUNGMIKE
  • MEMBER
  • 2 POSTS
Car-man145. LOL, I held the button down while slamming the door, and everything is now fine. Window works great! I thought I would try that before pulling off the panel and it worked! Thanks Car-Man145.
Was this
answer
helpful?
Yes
No
+1
Friday, October 13th, 2017 AT 10:04 AM (Merged)
Tiny
HMAC300
  • MECHANIC
  • 48,601 POSTS
If you can slam door and window works motor is on the way out.
Was this
answer
helpful?
Yes
No
+1
Friday, October 13th, 2017 AT 10:04 AM (Merged)
Tiny
CAR-MAN145
  • MECHANIC
  • 321 POSTS
You're welcome
Was this
answer
helpful?
Yes
No
+1
Friday, October 13th, 2017 AT 10:04 AM (Merged)

Please login or register to post a reply.