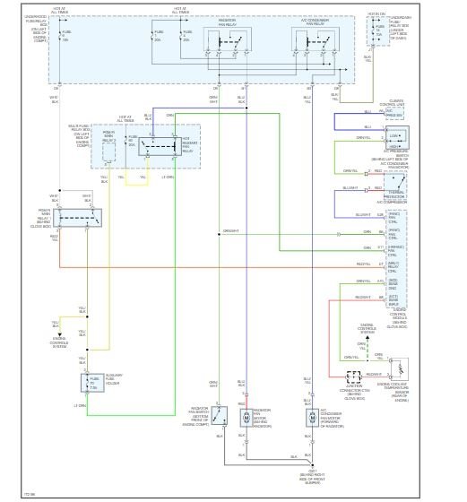
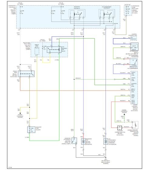
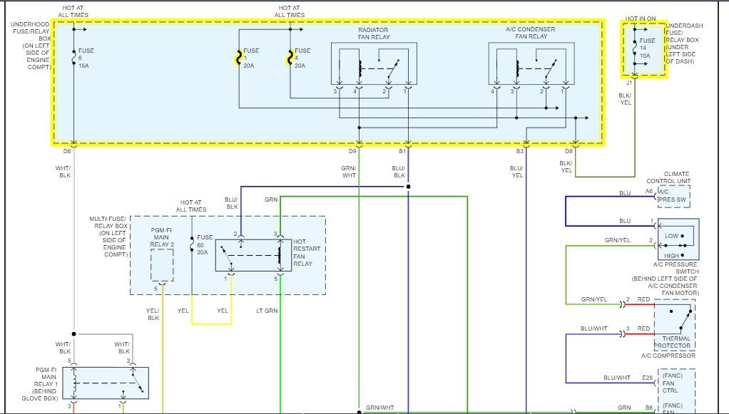
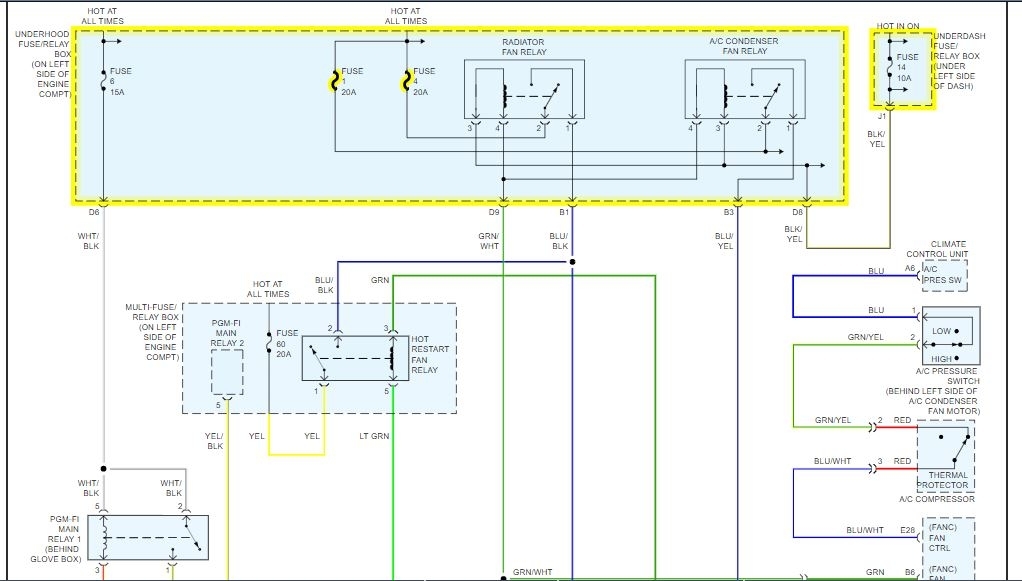
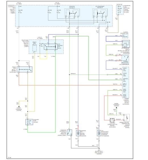
Saturday, April 25th, 2020 AT 4:59 AM
I changed the thermostat, the radiator cap and flushed the radiator. I don't hear fans come on. My heat comes out cool when it comes on. Sometimes it does not blow out.



