Engine cranks but will not start

Tiny
YASMIN RAMIREZ
  • MEMBER
  • 2001 MITSUBISHI ECLIPSE
  • 2.4L
  • 4 CYL
  • 2WD
  • MANUAL
  • 180,000 MILES
I have a no start issue. The car cranks but will not start. I have no spark ans no power to any of my sensors. I do have power to my coil pack and fuel pump, but my fuel pump will not kick on. I also have a no link when I connect the OBD reader. I have replaced the crankshaft sensor, the camshaft sensor, the fuel pump and one fuel pump relay's. I also replaced spark plugs wires, spark plugs, coil packs and three injectors.
also, when I test for a short using the method of a test light n the negative cable and pulling the fuses one by one the light turns of on the fuse with the picture of car door unlocking, meaning the anti-theft fuse. How can I fix my problem?
Sunday, January 7th, 2018 AT 3:13 PM

50 Replies

Tiny
KEN L
  • MASTER CERTIFIED MECHANIC
  • 55,258 POSTS
Hello,

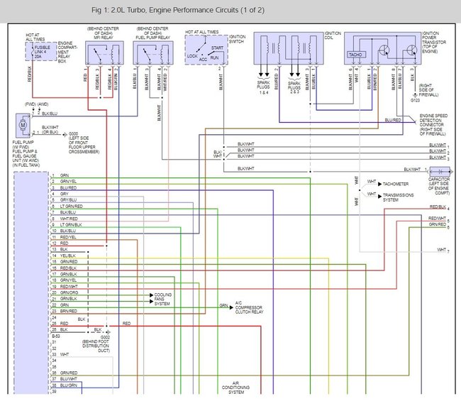
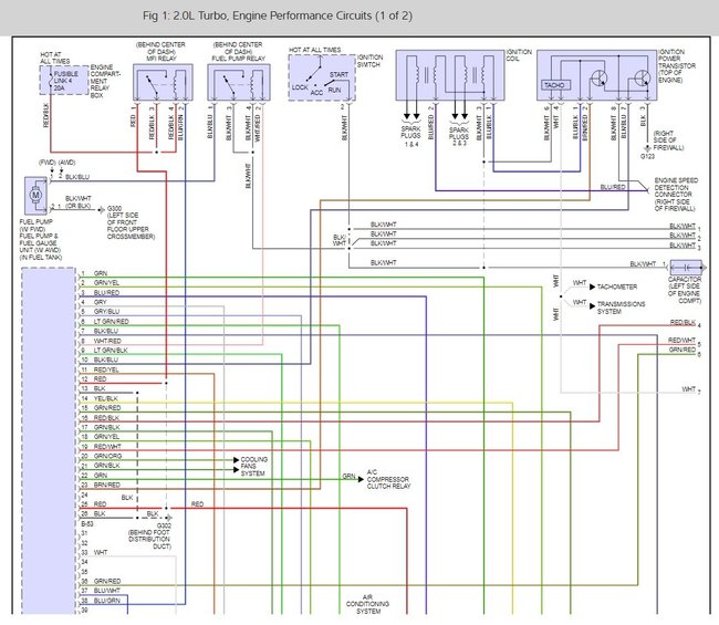
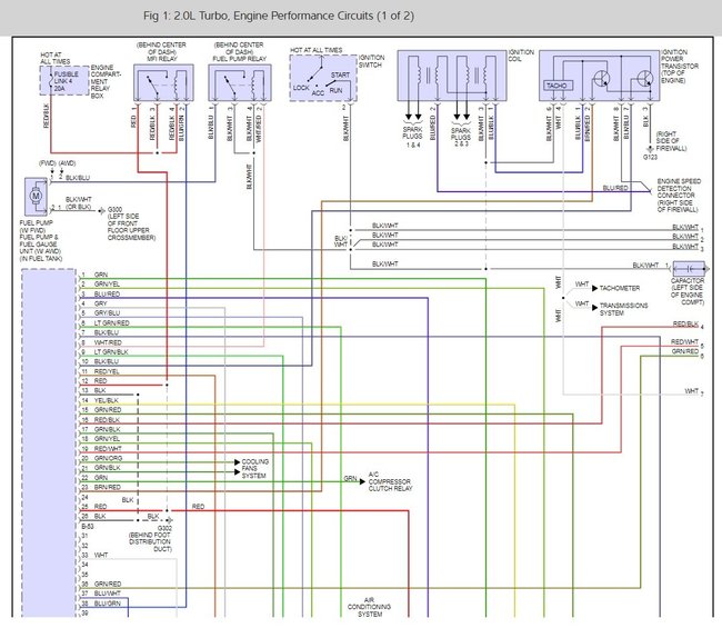
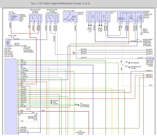
It sounds like you have an MFI relay that is out or a fuse that is blown here are guides to help you do some testing a long with the relay and fuse locations. Also, check the fusible links as well.

https://www.2carpros.com/articles/how-to-check-a-car-fuse

and

https://www.2carpros.com/articles/how-to-check-an-electrical-relay-and-wiring-control-circuit

Check out the diagrams (below).

Let us know what happens and please upload pictures or videos of the problem.

Cheers, Ken
Was this
answer
helpful?
Yes
No
+1
Tuesday, January 9th, 2018 AT 1:32 PM
Tiny
YASMIN RAMIREZ
  • MEMBER
  • 10 POSTS
Thank you so much for responding ive checked all the fuses all of them are good except when I first did the finding a short test by disconnecting the negative and clipping the test like from the connecter and the post of the negative battery the light was on then I pulled each fuse one by one until the light shut off which was the fuse that controls the lock and unlock the antitheft fuse 13 I believe the fuse was not blown tho I have no power going to my oxygen sensor camshaft crankshaft sensor I do have power to coil packs the car does crank and there is power going to my fuel pump even with starter fluid being used the car still wont turn on the timing is correct on the car the check engine light also does not turn on in the dash im guessing thats why the obd reader says no link so I will look at all the diagrams u sent me and work on it also the problem started on a cold morning I went out to warm up the car and all of a sudden it turned off n ever since then it hasnt turned back on
Was this
answer
helpful?
Yes
No
+2
Tuesday, January 9th, 2018 AT 10:43 PM
Tiny
KEN L
  • MASTER CERTIFIED MECHANIC
  • 55,258 POSTS
Yep it is sounding more like the MFI relay or the power source to the relay please use a test light and check when you can.
Was this
answer
helpful?
Yes
No
+2
Wednesday, January 10th, 2018 AT 11:39 AM
Tiny
YASMIN RAMIREZ
  • MEMBER
  • 10 POSTS
Thank you so after checking and replacing all the fuses and relays with the diagrams you gave me now I have power to my fuel pump and fuses I still have one issue so the car still wont start the o2 sensor if the front had been previously cut by the previous owner and I dont no how its suppose to wire it has a total of 5 wires 1 black 1 white 1 stripped just copper wire 1 red and 1 brown
Was this
answer
helpful?
Yes
No
Sunday, January 14th, 2018 AT 9:38 AM
Tiny
YASMIN RAMIREZ
  • MEMBER
  • 10 POSTS
I guessed on the wiring n connected the white the black n copper wite together and left the brown trigger wire alone n connected the red to the black and red ignition wire to get power to the sensor when I move the wiring I hear a poopping noisr from the fuse box meanig something is not connected correctly I cant find a wiring diagram anywhere for the front oxygen sensor
Was this
answer
helpful?
Yes
No
Sunday, January 14th, 2018 AT 9:42 AM
Tiny
KEN L
  • MASTER CERTIFIED MECHANIC
  • 55,258 POSTS
The wiring for the oxygen sensor are on the third wiring diagram over toward the top. Let me know if you need further instruction.
Was this
answer
helpful?
Yes
No
-1
Monday, January 15th, 2018 AT 11:04 AM
Tiny
YASMIN RAMIREZ
  • MEMBER
  • 10 POSTS
So I checked everything as you advised and replaced some relays and fuses and the car started but the obd reader gave me a po340 code I drove the car down the street and the car died on me now it wont start back up I checked all my sensor they all have power I also replaced the starter because the starter was bad
Was this
answer
helpful?
Yes
No
Friday, January 19th, 2018 AT 6:26 AM
Tiny
KEN L
  • MASTER CERTIFIED MECHANIC
  • 55,258 POSTS
That code is for the camshaft position sensor. I am wondering if you have a timing belt that is slipping or moved a tooth. Have you done a timing belt on it or can you confirm that it is correct?

Here is a guide

https://www.2carpros.com/diagrams/mitsubishi/eclipse/2001

let me know have a good weekend!
Was this
answer
helpful?
Yes
No
Friday, January 19th, 2018 AT 11:08 AM
Tiny
YASMIN RAMIREZ
  • MEMBER
  • 10 POSTS
Yes the timing is correct I have spark I have fuel and power to all my sensors what I dont have power to is to my starter relay and a small black relay in the engine compartment I have no idea why need a diagram for the starter relay
Was this
answer
helpful?
Yes
No
+2
Tuesday, January 23rd, 2018 AT 8:07 PM
Tiny
KEN L
  • MASTER CERTIFIED MECHANIC
  • 55,258 POSTS
Lets check for where you are losing power. Here is a guide and a wiring diagram to help you do some testing.

https://www.2carpros.com/articles/how-to-use-a-test-light-circuit-tester

It doesn't seem to have a starter relay.

Was this
answer
helpful?
Yes
No
+1
Wednesday, January 24th, 2018 AT 11:00 AM
Tiny
YASMIN RAMIREZ
  • MEMBER
  • 10 POSTS
So I am puzzled I dont no what else could be my issue the timing is right everything has power to it I have no codes it cranks and it has spark but it wont start back up I tried spraying starter fluid and it still did not start
Was this
answer
helpful?
Yes
No
Saturday, January 27th, 2018 AT 6:41 PM
Tiny
KEN L
  • MASTER CERTIFIED MECHANIC
  • 55,258 POSTS
Lets start from the beginning. Please check if you have compression. Here is a guide.

https://www.2carpros.com/articles/how-to-test-engine-compression

Was this
answer
helpful?
Yes
No
Sunday, January 28th, 2018 AT 1:14 PM
Tiny
YASMIN RAMIREZ
  • MEMBER
  • 10 POSTS
Ok thank you for your time and patience just checked the compression on the car and its good what I did notice is that the spark plugs r dry not wet would this have anything to do with my no start issue they all have spark
Was this
answer
helpful?
Yes
No
Monday, January 29th, 2018 AT 2:19 AM
Tiny
KEN L
  • MASTER CERTIFIED MECHANIC
  • 55,258 POSTS
Yep we are getting closer. Lets check for injector pulse to see if the injectors are getting a signal.

https://www.2carpros.com/articles/how-to-test-a-fuel-injector

Please let us know what happens.

Cheers, Ken
Was this
answer
helpful?
Yes
No
Monday, January 29th, 2018 AT 11:02 AM
Tiny
YASMIN RAMIREZ
  • MEMBER
  • 10 POSTS
Yes there is signal at the injectors im not smelling gas in the engine tho
Was this
answer
helpful?
Yes
No
Monday, January 29th, 2018 AT 11:41 AM
Tiny
KEN L
  • MASTER CERTIFIED MECHANIC
  • 55,258 POSTS
Can we plug all spark plugs and keep them in order then take a picture of the electrodes and upload them here so I can see what they look like.
Was this
answer
helpful?
Yes
No
Tuesday, January 30th, 2018 AT 10:19 AM
Tiny
YASMIN RAMIREZ
  • MEMBER
  • 10 POSTS
Yes, sorry it has taken me so long to respond still have the same issue. I will take a picture of the spark plugs. Each one has spark there is compression and fuel, but just cranks no start. Also, used starting fluid still nothing. Tried push starting it also nothing. Just keeps cranking. On the dash the battery and the oil light stays on. I believe the only light that turns off on the dash when cranking or on position is the check engine.
Was this
answer
helpful?
Yes
No
Thursday, July 19th, 2018 AT 12:39 AM
Tiny
KEN L
  • MASTER CERTIFIED MECHANIC
  • 55,258 POSTS
The fact that it has compression and spark and you use starting fluid but it still will not run is telling me you may have a plugged catalytic converter which will allow exhaust to exit the engine. Here is a guide to help confirm the issue:

https://www.2carpros.com/articles/how-to-test-a-catalytic-converter

Please run down this guide and report back.

Cheers, Ken
Was this
answer
helpful?
Yes
No
Thursday, July 19th, 2018 AT 11:14 AM
Tiny
LITTLE BOB
  • MEMBER
  • 1 POST
  • 1999 MITSUBISHI ECLIPSE
  • 2.0L
  • 189,000 MILES
Okay, water pump went out changed pump, timing belt all gaskets back together and no start. Started checking and double checking made sure everything was plugged in double checked timing checked fuel fuel pressure excellent no power to coil. Replaced crank, cam sensor, replace ECM still no fire. Started checking relays none found to be bad. Cam censor not putting out enough voltage only 4.6V. So replaced thinking maybe a defect, no start I have even chased wiring harness checking to see if I pinched a wire or maybe I broke one no problems found. I am at a loss. What do I do from here?
Was this
answer
helpful?
Yes
No
Monday, April 1st, 2019 AT 6:19 PM (Merged)
Tiny
KEN L
  • MASTER CERTIFIED MECHANIC
  • 55,258 POSTS
Hello,

It sounds like the MFI relay has gone bad which is located behind the dash. Here are some guides and diagrams (Below) to help you do some testing and get the problem fixed.

https://www.2carpros.com/articles/how-to-check-an-electrical-relay-and-wiring-control-circuit

and

https://www.2carpros.com/articles/how-to-use-a-test-light-circuit-tester

Please run some tests and get back to us we are interested to see what it is.

Cheers, Ken

Was this
answer
helpful?
Yes
No
Monday, April 1st, 2019 AT 6:19 PM (Merged)

Please login or register to post a reply.