Has fuel, has spark, why wont it start?

Tiny
FORDSUX26
  • MEMBER
  • 2001 MITSUBISHI ECLIPSE
  • 140,000 MILES
3.0 v6 automatic non turbo. Needed valve covers replaced. While changing valve covers we replaced upper plenum gasket, plugs, wires, cap and rotor. After all was complete car started and took a little bit to idle by itself but then was fine. Daughter got in and left with it (drove across town) and it died. Has spark, has fuel, and will not start. We pulled the front 3 plugs (2, 4, 6) and the plugs were soaked and looking down in cylinder to see a pool of fuel. My friend brought over a computer scanner and we got two codes p0116 and p0201. We replaced the water temp sensor and still will not start. He cleared codes and still nothing.

We have spark and fuel.

We took the timeing belt covers off and the cams line up with there designated marks along with the number one cylinder at TDC

Still no luck. Again I have spark, I have fuel and my timing is on and it still will not start.


Please help! God bless
Wednesday, October 5th, 2011 AT 2:56 AM

55 Replies

Tiny
KEN L
  • MASTER CERTIFIED MECHANIC
  • 55,266 POSTS
The hint is the p0201 injector circuit failure. You probably have a fuel injector that has shorted out which causes the computer to go full on. Unplug the fuel injectors one at a time to see you if can get it to start or remove the injector wires and test the windings by following this test.

https://www.2carpros.com/articles/how-to-test-a-fuel-injector

Please let us know what happens.
Was this
answer
helpful?
Yes
No
+1
Sunday, August 20th, 2017 AT 6:37 PM
Tiny
VSTROUD
  • MEMBER
  • 1 POST
  • 2001 MITSUBISHI ECLIPSE
I had this problem had to replace all the fuel injectors, one was shorted could not figure out which one.
Was this
answer
helpful?
Yes
No
+1
Sunday, August 20th, 2017 AT 6:38 PM (Merged)
Tiny
RASMATAZ
  • MECHANIC
  • 75,992 POSTS
I have checked the battery it is good. Car will not turn over-if its cranking over and will not start do below

https://www.2carpros.com/articles/car-cranks-but-wont-start

If its not cranking nothing at all: Could be the starter, starter relay, park/neutral switch, and ignition switch-battery and connection.
Was this
answer
helpful?
Yes
No
Sunday, August 20th, 2017 AT 6:38 PM (Merged)
Tiny
DJ1I
  • MEMBER
  • 1 POST
  • 2001 MITSUBISHI ECLIPSE
  • 4 CYL
  • FWD
  • AUTOMATIC
  • 74,000 MILES
Engine Performance problem
2001 Mitsubishi Eclipse 4 cyl Front Wheel Drive Automatic 74000 miles

My car will start, and if immediately shut off, it will not turn back on. If I leave it sit for 8 hours, will will start again. I have changed out the batter, throttle position sensor, the fuel pump, the spark plugs, and ignition wires and the problem still persists.
Was this
answer
helpful?
Yes
No
+1
Sunday, August 20th, 2017 AT 6:38 PM (Merged)
Tiny
LEGITIMATE007
  • MECHANIC
  • 5,121 POSTS
Check the crank/hall effect sensor, I suspect this is the problem, also check to see if you can hear the fuel pump turn on when, you get this no start situation, turn the key to the on position and listen for the fuel pump, if you cannot hear it then the fuel pump relay is bad.
Was this
answer
helpful?
Yes
No
Sunday, August 20th, 2017 AT 6:38 PM (Merged)
Tiny
883JESTER
  • MEMBER
  • 1 POST
  • 2001 MITSUBISHI ECLIPSE
  • 4 CYL
  • FWD
  • AUTOMATIC
Have a 2001 mit. Eclips an it makes a click when try to start replaced the starter altanator an bat
Was this
answer
helpful?
Yes
No
+2
Sunday, August 20th, 2017 AT 6:38 PM (Merged)
Tiny
RASMATAZ
  • MECHANIC
  • 75,992 POSTS
**No crank at all/nothing/nada when key is engage to starting position

Could be the starter relay, park and neutral switch/transmission position switch and ignition switch assuming the battery condition and connections are good. Note:If it doesn't apply disregard.
Was this
answer
helpful?
Yes
No
Sunday, August 20th, 2017 AT 6:38 PM (Merged)
Tiny
R.SMITH
  • MEMBER
  • 1 POST
  • 2001 MITSUBISHI ECLIPSE
  • 6 CYL
  • 2WD
  • AUTOMATIC
  • 68,000 MILES
Electrical problem
2001 Mitsubishi Eclipse 6 cyl Two Wheel Drive Automatic 68000 miles

Just bought this car for my daughter. It wouldn't start yeaterday in a parking lot and some men decided to help her out by jumping the car. It wouldn't stay running when they disconnected the cables, so they changed the way they were hooked up and tried again. My daughter says there were sparks and smoke and now there is nothing when we try to start the car. The PAL fuse was blown so we replaced that but still nothing. I don't even know where to start now. Any ideas?
Was this
answer
helpful?
Yes
No
Sunday, August 20th, 2017 AT 6:38 PM (Merged)
Tiny
KHLOW2008
  • MECHANIC
  • 41,814 POSTS
Hi r. Smith,

The reversed polarity of the cables has caused some fuses to blow so you need to check them. Check bot the battery terminal connections and ground cables.

Battery was also weak, you need to check its voltage. Car unable to stay running means alternator was not charging.
Was this
answer
helpful?
Yes
No
+1
Sunday, August 20th, 2017 AT 6:38 PM (Merged)
Tiny
KIPEY84
  • MEMBER
  • 7 POSTS
  • 2001 MITSUBISHI ECLIPSE
  • 4 CYL
  • FWD
  • MANUAL
  • 118,000 MILES
Engine Mechanical problem
2001 Mitsubishi Eclipse 4 cyl Front Wheel Drive Manual 118000 miles

ok so me and the wife are coming back from jacksonville last weekend in her 01 gs with approx 120000 miles on it. We are 4 hrs into the trip when the ac starts blowing warm air. As I notice that I notice a clunking noise under the hood at the same time I see the temp gage pegged out as high as it could go. So I start to pull of the road. As I pull of the road a large cloud of white smoke comes from under the hood shortly followed by a dead car.
So I get it back home via a tow truck and tear it apart. This is what I found

radiator overflow res-partially melted cap melted with whole in it
radiator cap- missing pieces (found them in the radiator)
spark plug tube seals- bad. Def bad see next
spark plugs-covered in oil
spark plug wires-2 melted 2 broken
oil in spark plug tubes
oil-as black as night
thermostat- why not had one for it anyway

thats all ive found and ive replaced all components, flushed radiator, and changed the oil tried starting it last night and it would crank (slower then normal) but would not fire. Im now kinda dumbfounded and need help fast. My subaru chunked up its crank pulley and its out of commission for a few days till the new one comes in and were outta cars.
Thanks for all and any help guys

also to note the white smoke was coolant coming out of the melted resevoir cap and covering the motor and burning off
Was this
answer
helpful?
Yes
No
+1
Sunday, August 20th, 2017 AT 6:38 PM (Merged)
Tiny
RACEFAN966
  • MECHANIC
  • 5,029 POSTS
Sound like it got hot enought to toast the engine and or heads. Did you find any coolant in the cylinders?
Was this
answer
helpful?
Yes
No
Sunday, August 20th, 2017 AT 6:38 PM (Merged)
Tiny
KIPEY84
  • MEMBER
  • 7 POSTS
Hoping not. No coolant in cylinders but there is oil.
Was this
answer
helpful?
Yes
No
-1
Sunday, August 20th, 2017 AT 6:38 PM (Merged)
Tiny
RACEFAN966
  • MECHANIC
  • 5,029 POSTS
If you can do a compression test this will answer a lot of questions. Let me know what you find
Was this
answer
helpful?
Yes
No
Sunday, August 20th, 2017 AT 6:38 PM (Merged)
Tiny
WONDERERCAO
  • MEMBER
  • 7 POSTS
  • 2001 MITSUBISHI ECLIPSE
  • 6 CYL
  • FWD
  • AUTOMATIC
  • 146,000 MILES
My car is Mitsubishi eclipse V6 2001. I have a code P0300. I just replaced, distributor cap, rotor, spark plug, wire, Oxygen sensors, fuel pressure regulator but problem not solved. Now it is hard to start, but when it does, I can not rev, if I do it will die right away. I can press gas pedal slowly it will come up maximum. Need help
Was this
answer
helpful?
Yes
No
Sunday, August 20th, 2017 AT 6:39 PM (Merged)
Tiny
RASMATAZ
  • MECHANIC
  • 75,992 POSTS
Hi wonderercao, Welcome to 2carpros and TY for the donation

P0300 Random Misfires normally caused by vacuum leaks and bad fuel

crank but no start: Do below to determine if its fuel or spark problem.

Get a helper disconnect a sparkplug wire or 2 and ground it to the engine atleast 3/16 away from ground-have helper crank engine over-do you have a snapping blue spark? If so-you have a fuel related problem, Do you hear the fuel pump come On when you turn key on? If not check fuel pump fuse and fuel pump relay if so, check the fuel pressure to rule out the fuel filter/fuel pump/pressure regulator and listen to the injector/s are they pulsing or hook up a noid light. No snapping blue spark continue to troubleshoot the ignition system-power input to the coil/coil packs, coil's resistances, cap and rotor, distributor pick-up coil, ignition control module, cam and crank sensors and computer Note: If it doesn't apply disregard it and keep testing
Was this
answer
helpful?
Yes
No
+1
Sunday, August 20th, 2017 AT 6:39 PM (Merged)
Tiny
ORIAX123
  • MEMBER
  • 7 POSTS
  • 2001 MITSUBISHI ECLIPSE
  • 4 CYL
  • FWD
  • AUTOMATIC
Hi im trying to install a Pivot Push Start Button I just got from a friend, I have a 2001 Mitsubishi Eclipse GS Automatic and Im not sure what wires I need to tap into for this to work.

I know it needs the 1. Ignition 2. Off and 3. Start wires but dont know which ones they are,
I have googled and have not found anything except stereo diagrams.

Any help welcomed
Was this
answer
helpful?
Yes
No
Sunday, August 20th, 2017 AT 6:39 PM (Merged)
Tiny
HMAC300
  • MECHANIC
  • 48,601 POSTS
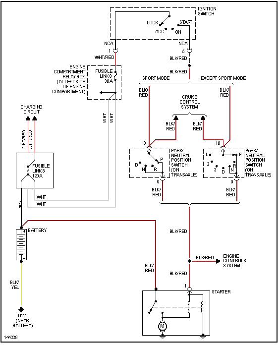
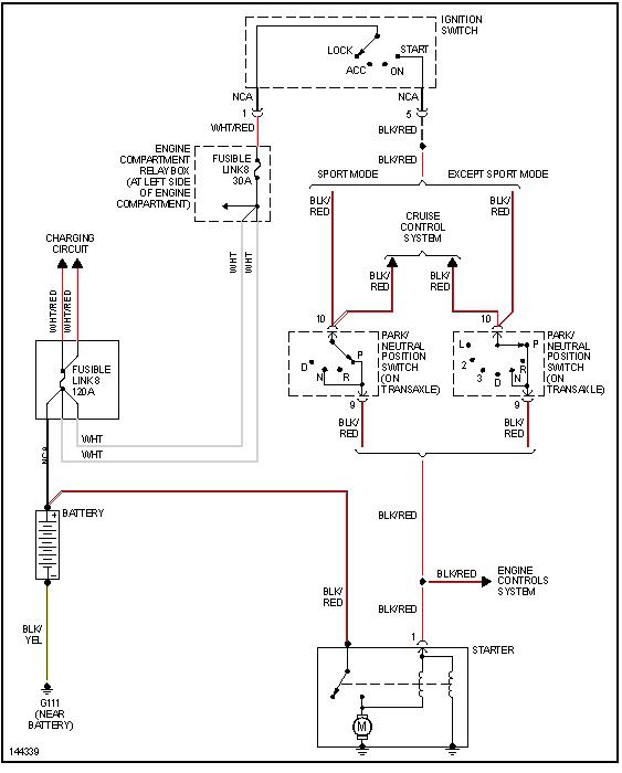
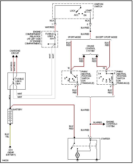
Don't know why you want to install it bu there is startingdiagram
Was this
answer
helpful?
Yes
No
Sunday, August 20th, 2017 AT 6:39 PM (Merged)
Tiny
ORIAX123
  • MEMBER
  • 7 POSTS
My ignition is flaky like sometimes it works and sometimes it doesnt unless I shake the key abit, I was told it was the key sensor or something not sure and dont have money to replace anything at the moment lol.

From the diagram so it would be

1. Off = White/Red
2. Start = Black/Red
3. On =?

?

This would be where I take off the housing from the steering wheel correct?
Was this
answer
helpful?
Yes
No
Sunday, August 20th, 2017 AT 6:39 PM (Merged)
Tiny
ORIAX123
  • MEMBER
  • 7 POSTS
I think this is correct.

1. ON (IGN) - Dark Green
2. Start - Black / Red
3. OFF -?

Not sure for off, maybe - White / Red
Was this
answer
helpful?
Yes
No
Sunday, August 20th, 2017 AT 6:39 PM (Merged)
Tiny
HMAC300
  • MECHANIC
  • 48,601 POSTS
Why don't you just put anew ignition switch in it. Save your self aggravation and time
besides with anti theft you are asking for trouble doing what you want to do. See pics
Was this
answer
helpful?
Yes
No
Sunday, August 20th, 2017 AT 6:39 PM (Merged)

Please login or register to post a reply.