Engine not cranking no starter operation?

Tiny
ORKI
  • MEMBER
  • 2 POSTS
Thanks for your help. I am not capable of doing the checks nor could I find free info on how to do it. I did re-visit my mechanic and once I told him the problem only occurs after the engine is fully warmed, he then said it was a bad starter. So he placed the starter and I haven't had the problem re-occur.
Was this
answer
helpful?
Yes
No
Monday, March 8th, 2021 AT 5:27 PM (Merged)
Tiny
2CARPRO JACK
  • MECHANIC
  • 11,533 POSTS
Glad to hear it
Was this
answer
helpful?
Yes
No
Monday, March 8th, 2021 AT 5:27 PM (Merged)
Tiny
RONALD A WINKLEBLACK
  • MEMBER
  • 1 POST
  • 1999 FORD RANGER
  • 2.5L
  • 4 CYL
  • 2WD
  • MANUAL
  • 273,000 MILES
Truck turns over in all power positions. With the clutch depressed, the engine turns over with the ignition in accessories, on as well as the start position. It will not actually start in accessories position but it will in the on position, but the starter is still spinning.
Was this
answer
helpful?
Yes
No
Monday, March 8th, 2021 AT 5:27 PM (Merged)
Tiny
KEN L
  • MASTER CERTIFIED MECHANIC
  • 54,998 POSTS
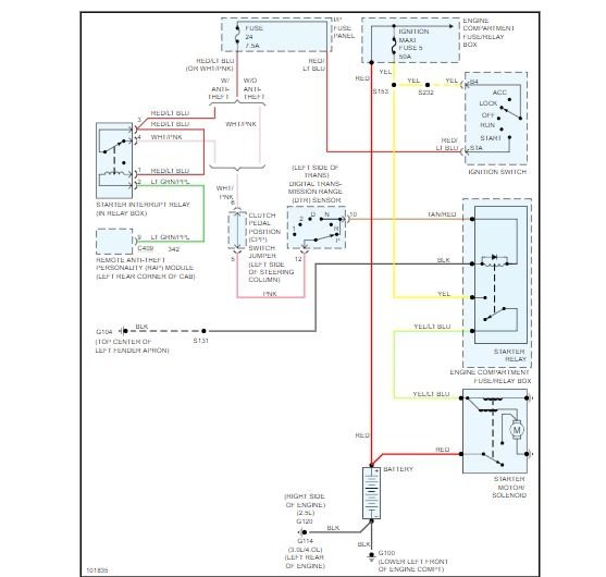
This sounds like you have a starter relay that is stuck. Here is the location of the relay (#6) guide to test it and the wiring diagrams so you can see how it works:

https://www.2carpros.com/articles/how-to-check-an-electrical-relay-and-wiring-control-circuit

Check out the diagrams (below). Let us know what happens and please upload pictures or videos of the problem.

Cheers, Ken
Was this
answer
helpful?
Yes
No
Monday, March 8th, 2021 AT 5:27 PM (Merged)
Tiny
4.7 GRAND
  • MEMBER
  • 11 POSTS
  • 1999 FORD RANGER
  • 215,000 MILES
So I replaced my starter it is brand new I know it is not this but when I turn my key all the lights come on on the cluster but when turn the key nothing the truck wont start I had to put a push button on the truck till I can fix it and the push button works every time no problem idk if it is the starter switch or the the key part it self
Was this
answer
helpful?
Yes
No
Monday, March 8th, 2021 AT 5:28 PM (Merged)
Tiny
FREEMBA
  • MECHANIC
  • 1,152 POSTS
Unplug the RED LT/BLU wire on the strter solenoid, connect a test light to that wire and try starting the engine with the ignition switch. The testlight should come on (if the ignition switch is working properly).

Secondly, you should quickly jumper the unplugged terminal on the solenoid (the one where the RED LT/BLU wire was connected) with the terminal where the battery cable connects to the solenoid (this simulates turning the ignition switch to the ON position); the starter should operate as long as the jumper is in place.

If the starter works when you lumer it, but not when you turn the key; replace the solenoid.
Was this
answer
helpful?
Yes
No
Monday, March 8th, 2021 AT 5:28 PM (Merged)
Tiny
NICKORFORD
  • MEMBER
  • 1 POST
  • 1998 FORD RANGER
  • 92,000 MILES
New battery 7 months ago but car left sitting. Tried to jump. After 15 minutes hooked up the radio and dashlights/headlights worked and ignition clicked (rather than nothing) but still wouldnt start. Help?
Was this
answer
helpful?
Yes
No
Monday, March 8th, 2021 AT 5:31 PM (Merged)
Tiny
CARADIODOC
  • MECHANIC
  • 34,428 POSTS
You need to charge the battery WAY more than 15 minutes. All vehicles from that time period can draw up to 35 milliamps, (.035 amps), to maintain the many computer memories. Chrysler says at that rate a good battery will still crank the engine enough to start after sitting for three weeks. That is the industry standard for a new battery, so we can assume nothing else is wrong with your truck.

After seven months the battery will be completely dead. It will take ten to fifteen minutes on a battery charger before the acid becomes conductive and the battery begins to take a charge. If your charger has an amp meter, you will see the current start out at nearly 0 amps, then it will slowly come up as the battery starts to take a charge. After about an hour, the current will go back down as the higher battery voltage opposes the charger's voltage. You can consider the battery fully charged when the current drops to around five amps.

This isn't so important with a newer battery, but when they get to be two to four years old you should never charge them at a high rate. Your generator puts out three-phase current which is very steady. Home battery chargers put out rectified single phase current which goes from 0 amps to maximum amps 120 times per second. That pulsing current vibrates the plates in the battery and will accelerate the natural flaking off of the lead. When enough has flaked off and collects in the bottom of the cell, it shorts the plates and the battery must be replaced. The simple solution is to always use battery chargers on low charge rates to prevent overheating them and to delay the inevitable shorted cell. Give it a good hour on the charger.
Was this
answer
helpful?
Yes
No
Monday, March 8th, 2021 AT 5:31 PM (Merged)
Tiny
GINNY KIMBALL
  • MEMBER
  • 1 POST
  • 1998 FORD RANGER
  • 2.5L
  • 4 CYL
  • 2WD
  • AUTOMATIC
  • 16,100 MILES
Started when cold run until I turn it off. When hot won't crank when I try to start until cool again.
Was this
answer
helpful?
Yes
No
Monday, March 8th, 2021 AT 5:31 PM (Merged)
Tiny
ASEMASTER6371
  • MECHANIC
  • 52,796 POSTS
Good morning,

I suggest you load test the battery when it is hot to determine is the battery is the issue. It may be a weak battery.

https://www.2carpros.com/articles/car-battery-load-test

https://www.2carpros.com/articles/everything-goes-dead-when-engine-is-cranked

I also attached a wiring diagram of the starting system. Verify power to the starter solenoid when cranking.

Roy
Was this
answer
helpful?
Yes
No
Monday, March 8th, 2021 AT 5:31 PM (Merged)
Tiny
STACY BAKER
  • MEMBER
  • 2 POSTS
  • 1998 FORD RANGER
  • 4.0L
  • V6
  • 4WD
  • AUTOMATIC
  • 240,000 MILES
I put in a new flex plate and torque converter and after I did that it wont turn over. No power inside the truck and a good battery.
Was this
answer
helpful?
Yes
No
Monday, March 8th, 2021 AT 5:32 PM (Merged)
Tiny
JACOBANDNICKOLAS
  • MECHANIC
  • 110,192 POSTS
Hi and thanks for using 2CarPros.

Since you did a major repair, I suspect that something was left disconnected. First, since there is now power to the vehicle, my first guess would be the main ground from the battery. Check to make sure you reattached it or if it was damaged.

I attached a portion of the wiring schematic for you to review. It indicates two grounds from battery. First, check the one that is lower left of the engine block.

Next, check the 50 amp maxi fuse (number 5) in the under hood power distribution box. See pictures 2 and 3. This guide can help us fix it

https://www.2carpros.com/articles/starter-not-working-repair

Check out the diagrams (Below). Please let us know what happens. Let me know what you find. Joe
Was this
answer
helpful?
Yes
No
+1
Monday, March 8th, 2021 AT 5:32 PM (Merged)
Tiny
STACY BAKER
  • MEMBER
  • 2 POSTS
Thanks for the tip. It turned out to be the ground wire the small one from the main ground that grounds to the front of the radiator support.
Was this
answer
helpful?
Yes
No
Monday, March 8th, 2021 AT 5:32 PM (Merged)
Tiny
JACOBANDNICKOLAS
  • MECHANIC
  • 110,192 POSTS
Glad to help. I had a feeling it had to do with a ground. When you do that big of a job, it's easy to overlook a single wire.

Let us know if you have questions in the future.

Take care,
Joe
Was this
answer
helpful?
Yes
No
+1
Monday, March 8th, 2021 AT 5:32 PM (Merged)

Please login or register to post a reply.