My air conditioner is not working?

Tiny
ALEX LOZANO
  • MEMBER
  • 2019 NISSAN ALTIMA
  • 2.0L
  • 4 CYL
  • 2WD
  • AUTOMATIC
  • 6,965 MILES
I recently bought this car from an auction. The only issue with car was that the bumper was sunk in a little bit, but no damage to the radiator or A/C compressor or any other A/C component, my question is were can I locate the fuse to the A/C or relays. My guess is that it could be something electrical.
Monday, July 15th, 2019 AT 7:26 PM

40 Replies

Tiny
STEVE W.
  • MECHANIC
  • 15,697 POSTS
This does sound like a fuse is blown here is a guide to help check them with the fuse location in the diagrams below. On the left side of the dash check fuse # 3, 19 and 26.

https://www.2carpros.com/articles/how-to-check-a-car-fuse

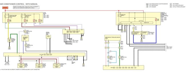
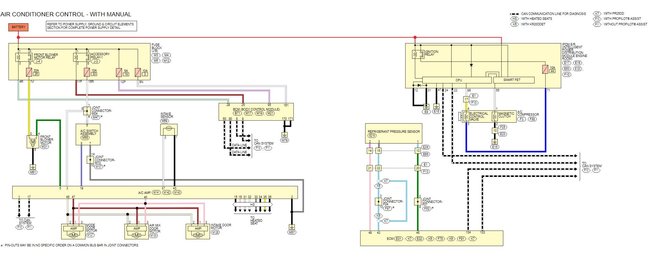
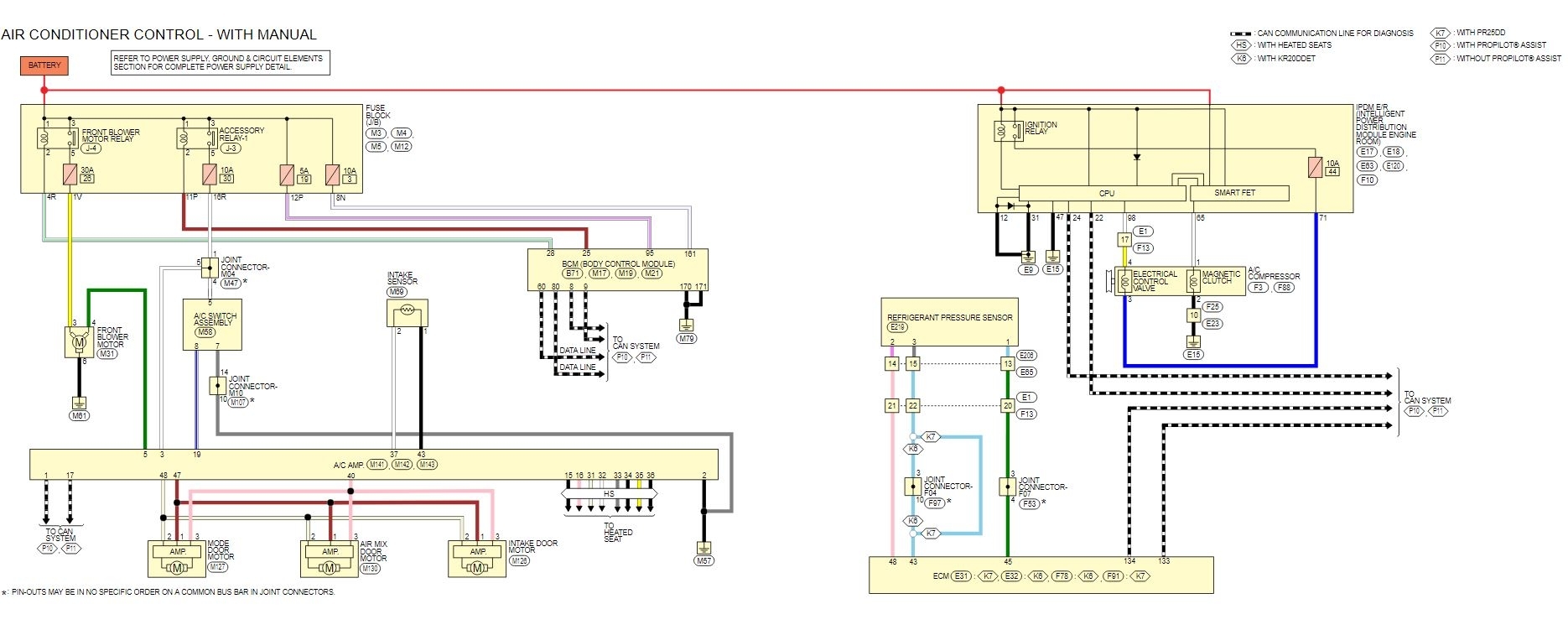
Here are the fuse location and I have also included the AC wiring diagrams so you can see how the system works. Check out the diagrams (Below). Let us know what happens and please upload pictures or videos of the problem.
Was this
answer
helpful?
Yes
No
Monday, July 15th, 2019 AT 7:57 PM
Tiny
ALEX LOZANO
  • MEMBER
  • 2 POSTS
I checked the A/C compressor radiator and all the lines that are connected to them no oil or any leaks are seen, My guess it could be an electrical issue, but I cant find the fuse in the fuse box or the Relay but I could be wrong I am learning as I go in Mechanics, Appreciate your time.
Was this
answer
helpful?
Yes
No
Tuesday, July 16th, 2019 AT 7:53 PM
Tiny
STEVE W.
  • MECHANIC
  • 15,697 POSTS
Well step one would be to actually put a gauge on the system to see if there is a charge in it. Could be that they evacuated the system, or that there was a leak in the system.

However, let's assume they didn't this system uses a throttling valve compressor with a magnetic clutch. Power wise there are two fuses fuse # 44 a 10 amp is in the fuse box under the hood. It only controls the valve in the compressor. Fuse # 30 sends power to the AC switch from the accessory relay, both of those are in the junction box in the dash. Other than the compressor and the pressure sensor (part of the condenser in the front of the car) the rest of the pieces are internal to the ECM and BCM. Does the rest of the heating system work? The doors all seem to be okay and you can select hot/cold and defrost, dash, floor? That would show that fuse 30 and the accessory relay are working.
To test the AC clutch you just need to disconnect the plug from the magnet coil and use two leads connected to the battery to apply voltage to the terminals. If the clutch activates it is OK.
The pressure sensor does both low and high pressure but there are no specs listed in how to test it. Every test they show requires a OEM level scan tool.
Was this
answer
helpful?
Yes
No
Wednesday, July 17th, 2019 AT 12:04 AM
Tiny
BLAINE1072
  • MEMBER
  • 1 POST
I found the blown fuse # 19 all fixed thank you.
Was this
answer
helpful?
Yes
No
Monday, May 24th, 2021 AT 12:13 PM
Tiny
BOSSIN281
  • MEMBER
  • 2 POSTS
  • 2016 NISSAN ALTIMA
  • 2.5L
  • 4 CYL
  • 2WD
  • AUTOMATIC
  • 60,000 MILES
Hi there,
We have replaced the compressor, expansion valve and dryer. But I’m still getting a high reading on my low side when we recharge the lines. Does any one have a clue what it could be that is causing the problem?
Was this
answer
helpful?
Yes
No
Tuesday, May 25th, 2021 AT 11:23 AM (Merged)
Tiny
KEN L
  • MASTER CERTIFIED MECHANIC
  • 55,488 POSTS
Hello

What brand compressor did you install? There is only one thing that can cause low high side pressures and high low side pressures, the compressor.

https://www.2carpros.com/articles/car-air-conditioner-not-working-or-is-weak

Please run down this guide and report back. Can you please shoot a quick video with your phone so we can see what's going on? that would be great. You can upload it here with your response.
Was this
answer
helpful?
Yes
No
Tuesday, May 25th, 2021 AT 11:23 AM (Merged)
Tiny
BOSSIN281
  • MEMBER
  • 2 POSTS
Yeah, I figured it out. Guy at the shop gave us the wrong compressor. Thanks
Was this
answer
helpful?
Yes
No
Tuesday, May 25th, 2021 AT 11:23 AM (Merged)
Tiny
KEN L
  • MASTER CERTIFIED MECHANIC
  • 55,488 POSTS
Nice work, we are here to help, please use 2CarPros anytime.
Was this
answer
helpful?
Yes
No
Tuesday, May 25th, 2021 AT 11:23 AM (Merged)
Tiny
SSUTTON
  • MEMBER
  • 1 POST
  • 2015 NISSAN ALTIMA
  • 4 CYL
  • 2WD
  • AUTOMATIC
  • 132,968 MILES
In the shade or driving at high speed for a good distance it gets cooler but never cold. I have taken it to two shops to be checked and they both say it is working fine. There has to be something happening for it to not blow cold. Right?
Was this
answer
helpful?
Yes
No
Tuesday, May 25th, 2021 AT 11:23 AM (Merged)
Tiny
ASEMASTER6371
  • MECHANIC
  • 52,796 POSTS
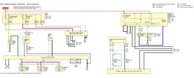
This sounds like the compressor has gone out or the system is low on charge or a fuse is bad, these videos and guides can help us fix the problem with diagrams below to show you how on your car. I have included (below) the air conditioner wiring diagrams as well so you can see how the system works.

https://youtu.be/4UjfQKvrB6Y not working

and

https://youtu.be/uZrQCGwXfek recharge

and

https://youtu.be/yrhWKlQEPWw leak detection

and

https://youtu.be/4EqdrBVb0sY vacuum and recharge

and

https://www.2carpros.com/articles/car-air-conditioner-not-working-or-is-weak

Let us know what happens and please upload pictures or videos of the problem.
Was this
answer
helpful?
Yes
No
Tuesday, May 25th, 2021 AT 11:23 AM (Merged)
Tiny
JURIS BERGS
  • MEMBER
  • 4 POSTS
  • 2014 NISSAN ALTIMA
  • 2.4L
  • 4 CYL
  • 2WD
  • AUTOMATIC
  • 20,000 MILES
The air conditioner in my wife's car cools the cabin only when set on manual and not auto. A local air conditioner shop wants to replace the compressor, which I'm hesitant to do because the same shop previously wanted to replace the compressor in my 2005 Mercedes-Benz E320 after the compressor had already been replaced by a European car specialist a few months earlier. Upon taking this car back to the European car specialist, it was determined that just a recharge was needed in spite of the fact that the air conditioner shop said that no recharge was needed. Thus, I no longer trust the opinion of the air conditioner shop.

The air conditioner control in the car listed above appears to be functioning normally except for the air blowing cold only when the system is set on manual.
Was this
answer
helpful?
Yes
No
Tuesday, May 25th, 2021 AT 11:24 AM (Merged)
Tiny
STEVE W.
  • MECHANIC
  • 15,697 POSTS
As it works on manual and not automatic makes me think it is related to one of the temperature sensors that tells the system how hot or cold the interior is. If it was the compressor it wouldn't work in either mode. The primary sensor is the one behind the panel under and to the right of the steering column. If it fails the controller thinks that it is cold in the vehicle and will not operate the A/C. There is also a sensor on the intake area of the HVAC case that performs a similar function but detects the air temperature inside the case to keep the system from freezing up if it's humid. In this case I would use a scan tool to verify the issue first and be sure that it isn't one of the other sensors, however if you just wanted to toss a sensor in they run about $20.00 or so which is cheaper than most places will do diagnostics for. That would be your call.

To access it you need to remove the lower panel. To start you remove the instrument side trim panel using a trim stick or plastic putty knife.
The panel is attached with clips and hooks, you use a trim tool to gently pry them loose
Broken square indicates: Metal clip Broken circle indicates: Pawl
Now tip the panel down enough that you can remove the sensor wiring and the sensor from the panel. Reverse the process to reinstall the sensor and panel.

Or have a shop run the diagnostic and see what it shows. As the system operates in manual mode it has to be an issue in the automatic controls, not the mechanical side of the system, something like a bad compressor or low charge would make it stop working completely.
Was this
answer
helpful?
Yes
No
+1
Tuesday, May 25th, 2021 AT 11:24 AM (Merged)
Tiny
JURIS BERGS
  • MEMBER
  • 4 POSTS
Thank you very much. That certainly makes sense to me. I figured that it is unlikely that the compressor is faulty, and thank you for confirming my suspicion.
Was this
answer
helpful?
Yes
No
Tuesday, May 25th, 2021 AT 11:24 AM (Merged)
Tiny
STEVE W.
  • MECHANIC
  • 15,697 POSTS
You are welcome.
Was this
answer
helpful?
Yes
No
+1
Tuesday, May 25th, 2021 AT 11:24 AM (Merged)
Tiny
JURIS BERGS
  • MEMBER
  • 4 POSTS
I've spent the past few days researching A/C sensors. You mentioned a primary sensor, but most references I've come across only mention an ambient temperature sensor, which is located in front of the radiator in the car listed above. Replacing it would be beyond my capability, considering the body panels that need to be removed to reach that sensor. If there's another sensor, generally known as a primary sensor, it must go by a different name and/or part number.
Was this
answer
helpful?
Yes
No
Tuesday, May 25th, 2021 AT 11:24 AM (Merged)
Tiny
STEVE W.
  • MECHANIC
  • 15,697 POSTS
The cabin temperature sensor is the one inside the car that I covered in that post. The ambient temperature sensor tells the system what the exterior temperature is. The cabin sensor is part 277203AA0A and is in the dash as I stated in the post above. It tells the system what the interior temperature is.
Was this
answer
helpful?
Yes
No
+1
Tuesday, May 25th, 2021 AT 11:24 AM (Merged)
Tiny
JURIS BERGS
  • MEMBER
  • 4 POSTS
Thank you so much for clarifying the part name and providing me the part number. This information will be most helpful in finding the correct sensor. I had checked RockAuto and they only have the ambient temperature sensor.
Was this
answer
helpful?
Yes
No
Tuesday, May 25th, 2021 AT 11:24 AM (Merged)
Tiny
STEVE W.
  • MECHANIC
  • 15,697 POSTS
You're welcome. Should have included the part number in the post.
Was this
answer
helpful?
Yes
No
+1
Tuesday, May 25th, 2021 AT 11:24 AM (Merged)
Tiny
SPN0913
  • MEMBER
  • 1 POST
  • 2014 NISSAN ALTIMA
  • 2WD
  • AUTOMATIC
  • 229,000 MILES
The A/C compressor is not engaging and air does blow, it is not warmer, does not make any noise nor is there a smell. I did take it to a local shop, they advised I take it to a dealer. They stated that the refrigerant is good, fuses are good. No power to the compressor, possible PCM issue. Could this be explained and possible fix I might be facing?
Was this
answer
helpful?
Yes
No
Tuesday, May 25th, 2021 AT 11:24 AM (Merged)
Tiny
KASEKENNY
  • MECHANIC
  • 18,907 POSTS
It is doubtful that this is a PCM on this vehicle. If the compressor is not getting power then the more likely cause is a relay so we need to test this and make sure they are checking this properly.

Here is a guide that will help with this:

https://www.2carpros.com/articles/how-to-check-an-electrical-relay-and-wiring-control-circuit

The PCM is responsible for grounding the control side of the relay which will close the relay and send power to the compressor through the light blue wire shown below on the wiring diagram.

So we need to go to the relay and check for power on the wire coming from the fuse (number 1). If you have it, jump power to the terminal of the relay that leads to the compressor (number 2).

This will apply power to the compressor and prove that it works.

Then we can test the control side by seeing if the PCM is grounding the relay. Put the red lead of your meter on battery positive, the black lead on number 3 terminal of the relay and then turn the AC on. If the PCM is grounding the relay properly you will have 12 volts on your meter.

If it is not, then we need to check pressures again because I doubt this shop actually checked them.

https://www.2carpros.com/articles/car-air-conditioner-not-working-or-is-weak

https://www.2carpros.com/articles/re-charge-an-air-conditioner-system

Once we know the pressures we will have a better idea if the PCM is the issue.

Thanks
Was this
answer
helpful?
Yes
No
Tuesday, May 25th, 2021 AT 11:24 AM (Merged)

Please login or register to post a reply.