Engine Misfire?

Tiny
TLARS182
  • MEMBER
  • 2010 DODGE CARAVAN
  • 3.3L
  • 6 CYL
  • 2WD
  • AUTOMATIC
  • 80,000 MILES
Misfire cylinder two. Pulled three codes p0339-p0302-p1128 installed new crankshaft sensor. Problem seems worse.
Tuesday, October 1st, 2019 AT 5:01 PM

50 Replies

Tiny
KEN L
  • MASTER CERTIFIED MECHANIC
  • 55,009 POSTS
Hello,

All of codes can stem from a low cylinder lets start with a compression test in cylinder # 2. here is a guide:

https://www.2carpros.com/articles/how-to-test-engine-compression

Can you please shoot a quick video with your phone so we can see what's going on? that would be great. You can upload it here with your response. Please run down this guide and report back.

Also this guide can help fix it as well

https://www.2carpros.com/articles/engine-misfires-or-runs-rough

Please run down these guides and report back.
Was this
answer
helpful?
Yes
No
Thursday, October 3rd, 2019 AT 1:42 PM
Tiny
VIPER7788
  • MEMBER
  • 1 POST
  • 2009 DODGE CARAVAN
  • 3.3L
  • V6
  • 2WD
  • AUTOMATIC
  • 103,000 MILES
The heads, throttle body, water pump, ignition coil, and transmission have been changed. I have bad gas mileage. Could it be the injectors?
Was this
answer
helpful?
Yes
No
Monday, July 27th, 2020 AT 9:36 AM (Merged)
Tiny
ASEMASTER6371
  • MECHANIC
  • 52,796 POSTS
Good morning,

I would start with a compression test to be sure the engine has no internal damage.

https://www.2carpros.com/articles/how-to-test-engine-compression

As far as the injectors, yes, they should be professionally cleaned. Additives have no effect on cleaning.

https://www.2carpros.com/articles/how-fuel-injection-systems-work

Roy
Was this
answer
helpful?
Yes
No
Monday, July 27th, 2020 AT 9:36 AM (Merged)
Tiny
SNOREY
  • MEMBER
  • 1 POST
  • 2008 DODGE CARAVAN
  • 6 CYL
  • FWD
  • AUTOMATIC
2008 grand caravan, engine chugging at idle speed And during take off. Ck engine light is on after getting fuel. Fuel cap is tight.
Was this
answer
helpful?
Yes
No
+1
Monday, July 27th, 2020 AT 9:38 AM (Merged)
Tiny
CARADIODOC
  • MECHANIC
  • 34,428 POSTS
There will be at least one diagnostic fault code stored in the Engine Computer. Many auto parts stores will read those codes for you for free. Those codes will get you into the circuit or system with the problem, not necessarily the defective part.
Was this
answer
helpful?
Yes
No
Monday, July 27th, 2020 AT 9:38 AM (Merged)
Tiny
ADAM SALZ
  • MEMBER
  • 1 POST
  • 2007 DODGE CARAVAN
  • 3.8L
  • 6 CYL
  • 2WD
  • AUTOMATIC
  • 130,000 MILES
The engine is only running on the left bank. Changed plugs and wires and discovered it runs the same with right bank wires disconnected. The coil is still sparking on the right bank though.
Was this
answer
helpful?
Yes
No
+1
Monday, July 27th, 2020 AT 9:38 AM (Merged)
Tiny
STEVE W.
  • MECHANIC
  • 15,603 POSTS
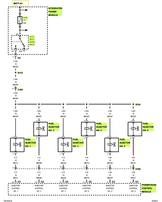
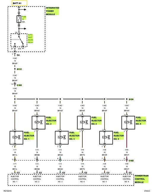
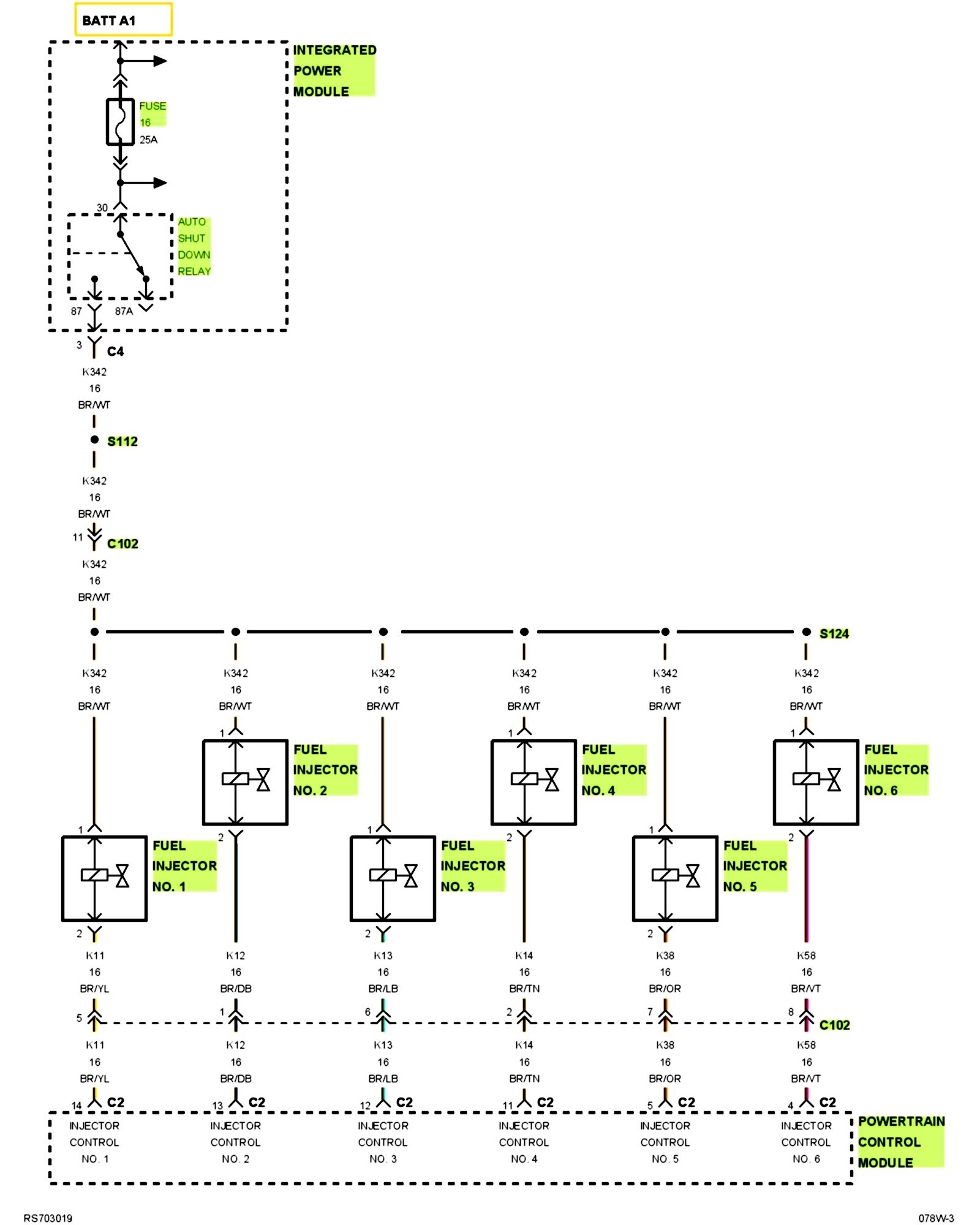
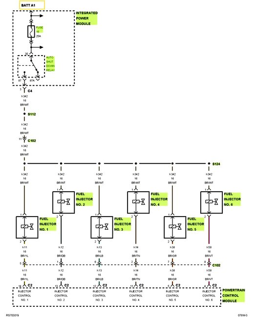
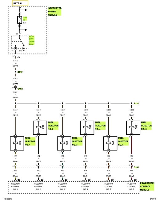
That must be a rough running V3! About the only thing I can think of off hand that would cause that would be if that side lost the 12 volt feed to the injectors. To see if that is the case you can pick any of the "bad" cylinders and check the brown/white wire for battery power. The same color is used to feed all six cylinders from the ASD relay. As they are all connected it is not the relay, but it could be a broken/cut wire that feeds one side.
If you do not have power just trace the wire back to the broken area. If it does have power to the injectors then you could get a set of NOID lights (parts stores usually have them as loaner/rentals). Then select the correct one and plug it in. If it flashes the computer is controlling the circuit, you will want to test all three injector plugs. It is possible the injectors themselves failed but for three to fail all at once and only on one side would be extremely rare.
Was this
answer
helpful?
Yes
No
Monday, July 27th, 2020 AT 9:38 AM (Merged)
Tiny
CANNON1349
  • MECHANIC
  • 866 POSTS
  • 2006 DODGE CARAVAN
  • 3.8L
  • V6
  • 2WD
  • AUTOMATIC
  • 203,000 MILES
So this customer towed their Caravan in due to a ruptured coolant hose, and they decided to get a few things done while they were in. Here's what was done:

-Lower and Upper radiator hose replaced
- Transmission filter and gasket replaced
- Tune-up (new plugs, new wires, no coil)
- New catalytic converter (bolt on)
- New O2 sensor for catalytic converter
- oil change plus oil pan gasket replacement
- Blower motor replacement

After all of this and the fluids have been verified that they are full and not leaking, I have been driving the van for a week do make sure the engine light didn't come on. Before driving it I filled up with gas and added some Lucas fuel injector cleaner in the tank before filling up.

Well, the light came on, and apparently cylinder number three has misfired at some point at normal highway speeds. I wouldn't think that it's the coil because there are no drive-ability problems. Everything seems fine to me?
Was this
answer
helpful?
Yes
No
Monday, July 27th, 2020 AT 9:38 AM (Merged)
Tiny
JACOBANDNICKOLAS
  • MECHANIC
  • 110,192 POSTS
Welcome to 2CarPros.

It may have just been a fluke that it happened. Have you cleared the code to see if it comes back?

Let me know. Also, let me know the mileage on the vehicle.

Take care,
Joe
Was this
answer
helpful?
Yes
No
Monday, July 27th, 2020 AT 9:38 AM (Merged)
Tiny
CANNON1349
  • MECHANIC
  • 866 POSTS
Yes, I cleared it. I just got back from driving 26 miles on the interstate and no light came on. Drove great. The mileage is 202,535.
Was this
answer
helpful?
Yes
No
Monday, July 27th, 2020 AT 9:38 AM (Merged)
Tiny
CANNON1349
  • MECHANIC
  • 866 POSTS
Well it came back on this morning after starting it up. Cylinder three again. Really confused on this.
Was this
answer
helpful?
Yes
No
Monday, July 27th, 2020 AT 9:38 AM (Merged)
Tiny
JACOBANDNICKOLAS
  • MECHANIC
  • 110,192 POSTS
Welcome back:

Sorry to hear that. At this point, I'm questioning compression and a possible issue with the mileage. Also, have you confirmed fuel pressure and are you certain there are no exhaust leaks that can cause an O2 sensor to act up?

I realize you most likely have done that 10 times, but I am wondering.

Let me know.

Joe
Was this
answer
helpful?
Yes
No
Monday, July 27th, 2020 AT 9:38 AM (Merged)
Tiny
CANNON1349
  • MECHANIC
  • 866 POSTS
Right now I can only tell you that the fuel trim was at -3.12%.

Also this motor was apparently rebuilt a couple of years ago.
Was this
answer
helpful?
Yes
No
Monday, July 27th, 2020 AT 9:39 AM (Merged)
Tiny
JACOBANDNICKOLAS
  • MECHANIC
  • 110,192 POSTS
Welcome back:

Okay, you are getting too rich of a fuel mixture. Does the fuel trim get closer to 0 when you rev the engine? If it does, check the mass air flow sensor. If that is good, suspect fuel pressure issues. Either a bad injector or the regulator isn't doing its job. If the negative fuel trim is only related to one bank (cylinder 3 side), suspect a leaking or stuck injector. If it is both, suspect either the MAF or the overall fuel pressure to the engine.

Let me know.

Joe
Was this
answer
helpful?
Yes
No
Monday, July 27th, 2020 AT 9:39 AM (Merged)
Tiny
MIRVANA
  • MEMBER
  • 1 POST
  • 2006 DODGE CARAVAN
  • 6 CYL
  • FWD
  • AUTOMATIC
  • 154,000 MILES
While going down the road feels as if engine is jumping hard every so often mechenic cannot figure itout
Was this
answer
helpful?
Yes
No
-1
Monday, July 27th, 2020 AT 9:39 AM (Merged)
Tiny
JACOBANDNICKOLAS
  • MECHANIC
  • 110,192 POSTS
Have they checked engine and trans mounts?
Was this
answer
helpful?
Yes
No
Monday, July 27th, 2020 AT 9:39 AM (Merged)
Tiny
CANNON1349
  • MECHANIC
  • 866 POSTS
How exactly would I check the MAF sensor? If you mean electrically, what values am I looking for? And every time the light comes on, it's always cylinder 3. Didn't come on today though. Seems to be a bit temperamental!
Was this
answer
helpful?
Yes
No
Monday, July 27th, 2020 AT 9:39 AM (Merged)
Tiny
CANNON1349
  • MECHANIC
  • 866 POSTS
Light came on this morning again soon after starting up. The fuel trim jumps to 0% and +0.78% to +4.16% when I rev it in park. After it jumps to those values it goes back to -3.46% and down to -4.26%. When driving, the trim is jumping everywhere.
Was this
answer
helpful?
Yes
No
Monday, July 27th, 2020 AT 9:39 AM (Merged)
Tiny
JACOBANDNICKOLAS
  • MECHANIC
  • 110,192 POSTS
Welcome back:

Since it is always cylinder 3, I have a feeling you have a bad injector in that cylinder. And I'm sorry, I misspoke. On this vehicle, mass air flow is calculated using the speed density method using engine speed, manifold absolute pressure, and air temperature change.

If you can, switch the number 3 cylinder injector with a different one and see if the misfire moves.

Let me know.
Joe
Was this
answer
helpful?
Yes
No
Monday, July 27th, 2020 AT 9:39 AM (Merged)
Tiny
CANNON1349
  • MECHANIC
  • 866 POSTS
Switching out the injector would mean removing/installing the intake manifold twice right? Is there another way to test, like having the key to the "on" position like priming fuel pressure?
Was this
answer
helpful?
Yes
No
Monday, July 27th, 2020 AT 9:39 AM (Merged)

Please login or register to post a reply.