My blower motor is not working why?

Tiny
JORYPEYTON
  • MEMBER
  • 2014 CHEVROLET SILVERADO
  • 5.3L
  • V8
  • 4WD
  • AUTOMATIC
  • 114,000 MILES
Dealership said the blower motor is bad but I installed a new blower motor but it doesn't work either?
Saturday, August 1st, 2020 AT 4:39 PM

44 Replies

Tiny
KASEKENNY
  • MECHANIC
  • 18,907 POSTS
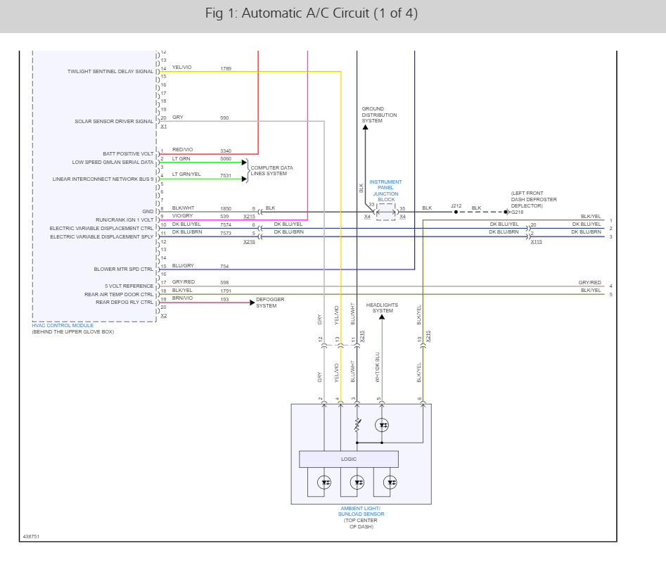
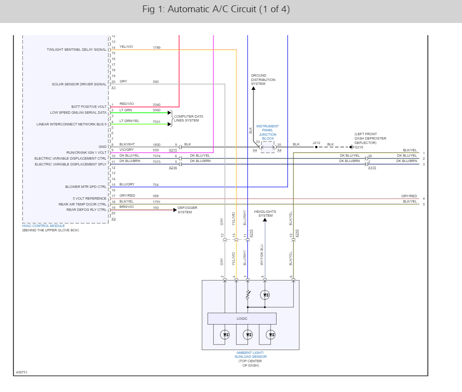
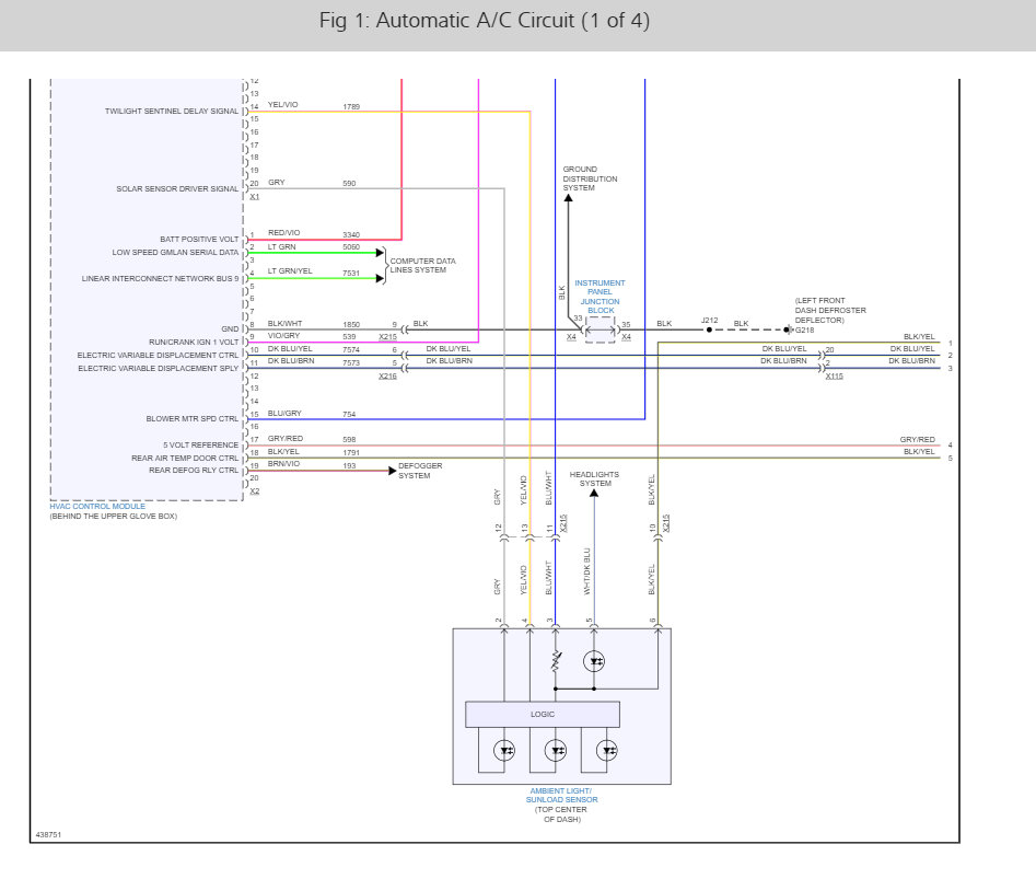
It sounds like the main blower fuse ( frt blwr fuse #40) is out but to be sure lets run down this guide which shows how to check for power and ground at the motor. I have included the fuse location and a guide on how to check it in the diagrams below.

https://www.2carpros.com/articles/blower-fan-motor-works-on-high-speed-only

and

https://www.2carpros.com/articles/how-to-check-a-car-fuse

Here is a wiring diagrams so you can see how the system works as well. Check out the diagrams (Below). Let us know what happens and please upload pictures or videos of the problem.

Was this
answer
helpful?
Yes
No
-1
Monday, August 3rd, 2020 AT 7:14 AM
Tiny
RANDY RED RARIDON
  • MEMBER
  • 1 POST
  • 2011 CHEVROLET SILVERADO
  • 5.8L
  • V8
  • 2WD
  • AUTOMATIC
  • 120,000 MILES
I noticed my heater fan making a squeaking screeching noise on high then it stops working? Also my defrost doesn’t work on passenger side.
Was this
answer
helpful?
Yes
No
-1
Friday, April 30th, 2021 AT 2:19 PM (Merged)
Tiny
KEN L
  • MASTER CERTIFIED MECHANIC
  • 55,499 POSTS
Hello,

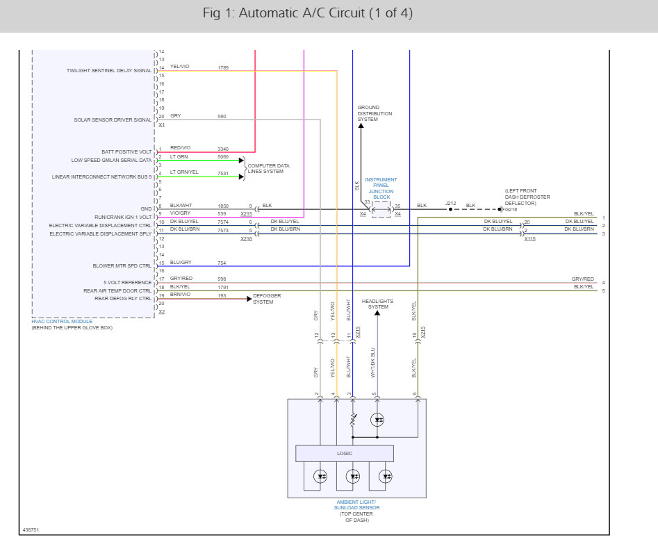
You have to problem the first is the noise and blower motor operation which you will need to replace the blower motor for and the passengers side blend door actuator for the air flow issue. Here are two guides to help walk you you through the repair with diagrams below to show you how on your car:

https://www.2carpros.com/articles/blower-fan-motor-works-on-high-speed-only

and

https://www.2carpros.com/articles/replace-blend-door-motor

Check out the diagrams (below). Please let us know if you need anything else to get the problem fixed.
Was this
answer
helpful?
Yes
No
Friday, April 30th, 2021 AT 2:20 PM (Merged)
Tiny
OSWALD_ZRT
  • MEMBER
  • 4 POSTS
  • 2006 CHEVROLET SILVERADO
  • 4.3L
  • V6
  • 2WD
  • AUTOMATIC
  • 201,000 MILES
I replaced the blower motor, blower motor resistor, and A/C climate controls. I checked the power and ground wire and I have power in both wires so there is no ground.
Was this
answer
helpful?
Yes
No
-2
Friday, April 30th, 2021 AT 2:20 PM (Merged)
Tiny
JACOBANDNICKOLAS
  • MECHANIC
  • 110,194 POSTS
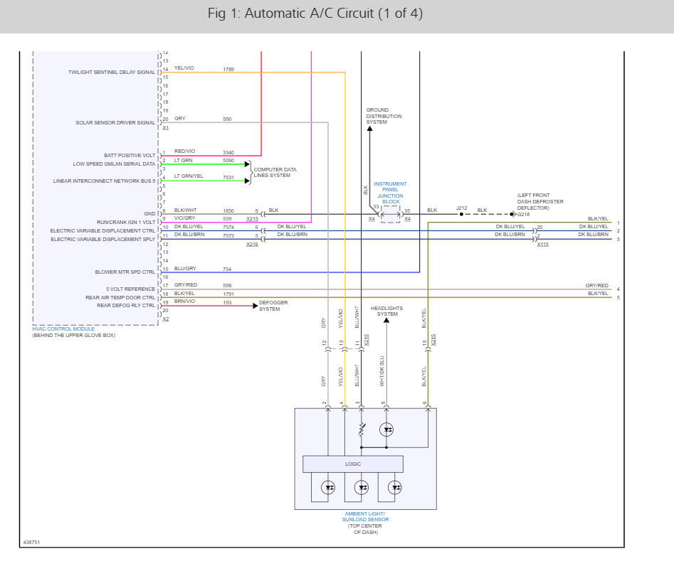
From the blower motor resister, there are two black wires. They are grounds. One will go to the blower motor and the other goes near the right side A pillar.

This guide will help with diagrams below

https://www.2carpros.com/articles/blower-fan-motor-works-on-high-speed-only

I attached a pic of the wiring schematic below. Let me know if this helps or if you have other questions.

Joe
Was this
answer
helpful?
Yes
No
-1
Friday, April 30th, 2021 AT 2:20 PM (Merged)
Tiny
OSWALD_ZRT
  • MEMBER
  • 4 POSTS
The connection looks good what should I do?
Was this
answer
helpful?
Yes
No
Friday, April 30th, 2021 AT 2:20 PM (Merged)
Tiny
JACOBANDNICKOLAS
  • MECHANIC
  • 110,194 POSTS
I need you to check for continuity to ground between the black wires at the connector and a known good ground on the vehicle. You will need a multi meter. Basically, set it to ohms and check to see if continuity exists. What you are doing is basically making sure the wire has no breaks in it and that power flows through it and is grounded to the vehicle body.

Check the black wire that goes to the A pillar first. If that ground isn't good, then the other one won't be either. The one that goes to the A pillar and is bolted to the body is the actual grounding point.

Let me know.

Joe
Was this
answer
helpful?
Yes
No
Friday, April 30th, 2021 AT 2:20 PM (Merged)
Tiny
OSWALD_ZRT
  • MEMBER
  • 4 POSTS
Can that cut be causing it?
Was this
answer
helpful?
Yes
No
Friday, April 30th, 2021 AT 2:20 PM (Merged)
Tiny
JACOBANDNICKOLAS
  • MECHANIC
  • 110,194 POSTS
Hi,

Are you referring to the connector itself or is there a cut in the wiring? If it is the connector, chances are the color difference isn't causing a problem.

Was there continuity to ground?

Joe
Was this
answer
helpful?
Yes
No
Friday, April 30th, 2021 AT 2:20 PM (Merged)
Tiny
OSWALD_ZRT
  • MEMBER
  • 4 POSTS
The connector is broken for one of the grounds which i'm thinking its the HVAC ground wire because it's the only one that is not working. I grounded it separate from the other ground, now it is working thank you.
Was this
answer
helpful?
Yes
No
-1
Friday, April 30th, 2021 AT 2:20 PM (Merged)
Tiny
REPAIRER
  • MEMBER
  • 1 POST
  • 2006 CHEVROLET SILVERADO
  • 6 CYL
  • 2WD
  • AUTOMATIC
  • 59,000 MILES
My blower was working on 1, 2, 3 and 4, not 5, now it's not working at all. What could be the problem?
Was this
answer
helpful?
Yes
No
Friday, April 30th, 2021 AT 2:21 PM (Merged)
Tiny
OBXAUTOMEDIC
  • MECHANIC
  • 3,711 POSTS
Hello,

The most likely cause is the Blower Motor Control Processor...


https://www.2carpros.com/forum/automotive_pictures/188069_06silvrblowmotrresis_1.jpg



.
Was this
answer
helpful?
Yes
No
+1
Friday, April 30th, 2021 AT 2:21 PM (Merged)
Tiny
ROY BOONE
  • MEMBER
  • 1 POST
  • 2006 CHEVROLET SILVERADO
  • 6.0L
  • V8
  • 2WD
  • AUTOMATIC
  • 206,000 MILES
The blower motor does not come on by switch. Hot wire motor runs fine. Replaced resistor module. Replaced heater/air conditioner control module. Air conditioner works fine with bower motor hot-wired. Checked two fuses at panel on end of dash plus two fuses in under hood panel. What am I missing?
Was this
answer
helpful?
Yes
No
Friday, April 30th, 2021 AT 2:21 PM (Merged)
Tiny
KEN L
  • MASTER CERTIFIED MECHANIC
  • 55,499 POSTS
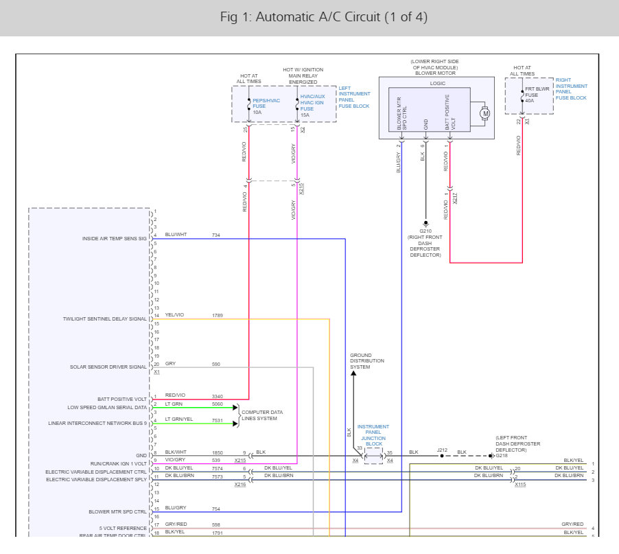
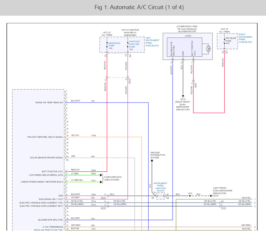
Its sounds like it could be the blower motor module here is wiring diagram, check the power feeds through the system and get back to me on what you find.

Best, Ken
Was this
answer
helpful?
Yes
No
+1
Friday, April 30th, 2021 AT 2:21 PM (Merged)
Tiny
TRIVIUM68
  • MEMBER
  • 2 POSTS
  • 2006 CHEVROLET SILVERADO
  • 6 CYL
  • 2WD
  • AUTOMATIC
  • 62,000 MILES
At first the blower would get stuck in the full on position but not it does not blow at all
Was this
answer
helpful?
Yes
No
Friday, April 30th, 2021 AT 2:21 PM (Merged)
Tiny
LEGITIMATE007
  • MECHANIC
  • 5,121 POSTS
Its behind the instrument panel inside the blower motor housing, you'll need a test light and check each of the slots in the resistor(heres a pic) with the ignition key in the on position and the test light on a good ground, you'll test each slot as you are putting the switch on each speed.


https://www.2carpros.com/forum/automotive_pictures/88091_ScreenHunter_02_Nov_10_2321_1.jpg

Was this
answer
helpful?
Yes
No
+6
Friday, April 30th, 2021 AT 2:21 PM (Merged)
Tiny
LEGITIMATE007
  • MECHANIC
  • 5,121 POSTS
This is the instrument panel insulator that you will have to remove first


https://www.2carpros.com/forum/automotive_pictures/88091_ScreenHunter_03_Nov_10_2347_1.jpg

Was this
answer
helpful?
Yes
No
+2
Friday, April 30th, 2021 AT 2:21 PM (Merged)
Tiny
LEGITIMATE007
  • MECHANIC
  • 5,121 POSTS
Blower motor resistor retaining screws


https://www.2carpros.com/forum/automotive_pictures/88091_ScreenHunter_04_Nov_10_2351_1.jpg

Was this
answer
helpful?
Yes
No
+1
Friday, April 30th, 2021 AT 2:21 PM (Merged)
Tiny
LEGITIMATE007
  • MECHANIC
  • 5,121 POSTS
Removing blower motor resistor


https://www.2carpros.com/forum/automotive_pictures/88091_ScreenHunter_05_Nov_10_2353_1.jpg

Was this
answer
helpful?
Yes
No
+3
Friday, April 30th, 2021 AT 2:21 PM (Merged)
Tiny
ITSMECHAP0426
  • MEMBER
  • 1 POST
  • 2006 CHEVROLET SILVERADO
  • 5.3L
  • V8
  • 4WD
  • AUTOMATIC
  • 130,250 MILES
I'm having issues with my heat control. I've recently lost all speeds for my heat. I've changed blower motor and the resistor and still doesn't work. I've checked all fuses that I know to check. Any help would be appreciated.
Was this
answer
helpful?
Yes
No
Friday, April 30th, 2021 AT 2:21 PM (Merged)

Please login or register to post a reply.