My blower motor is not working why?

Tiny
KASEKENNY
  • MECHANIC
  • 18,907 POSTS
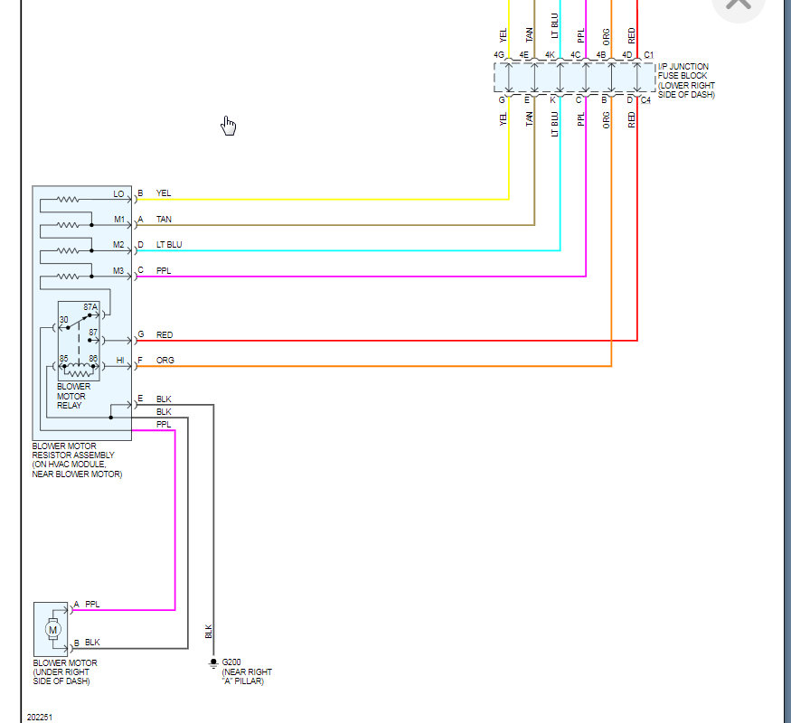
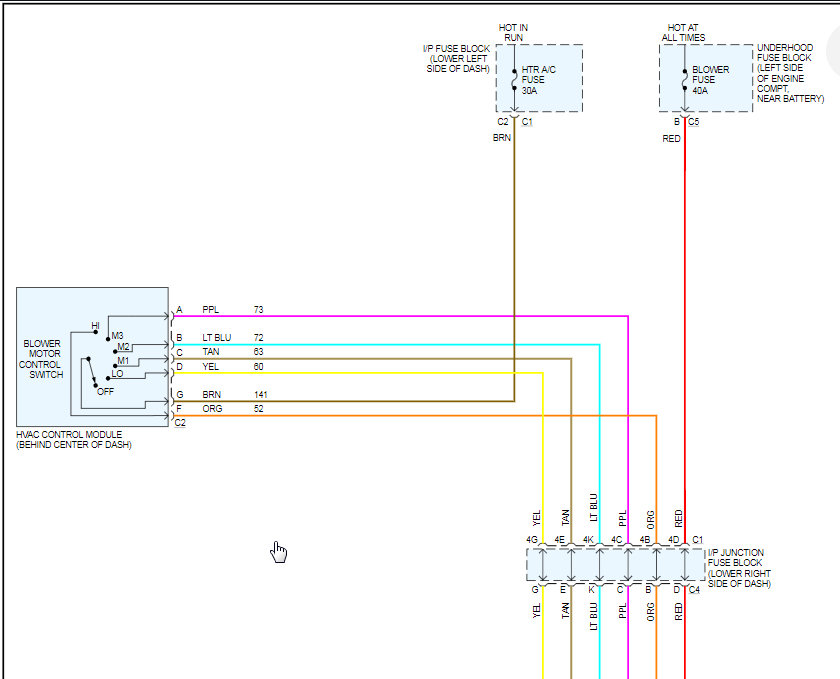
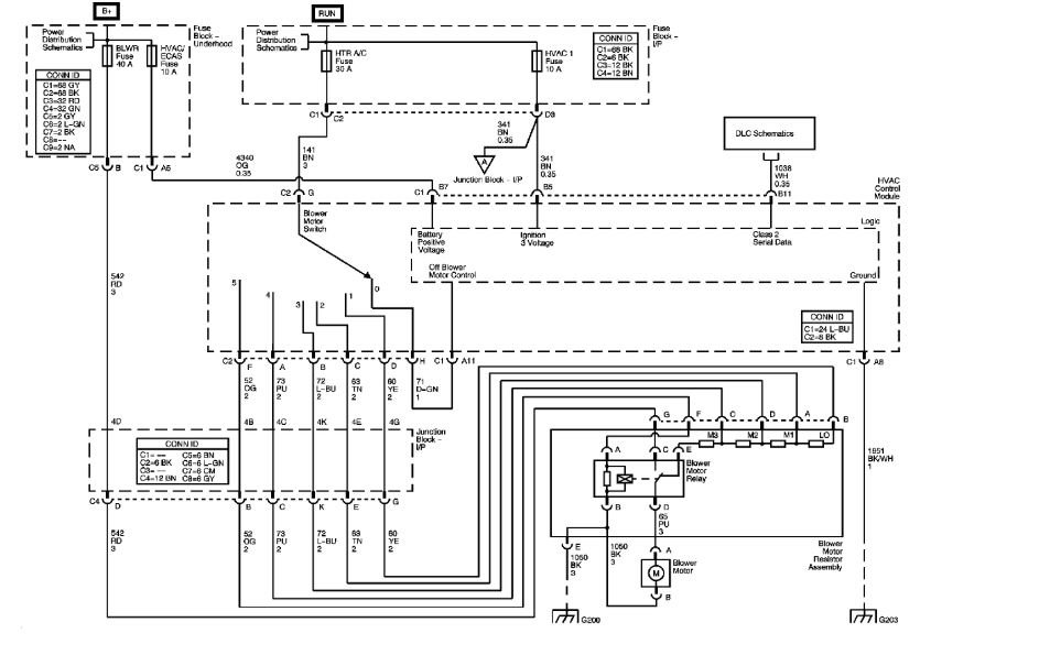
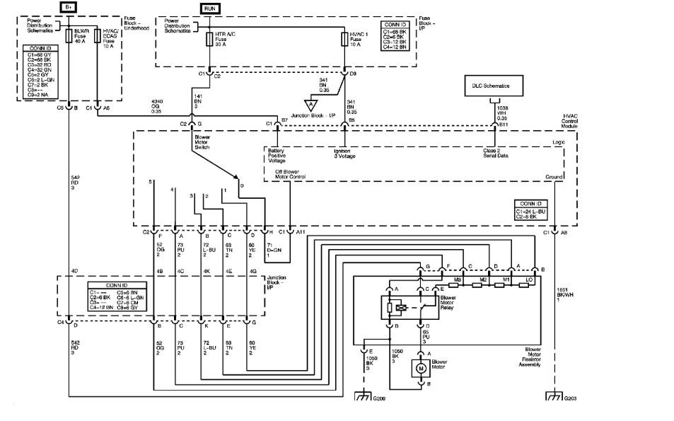
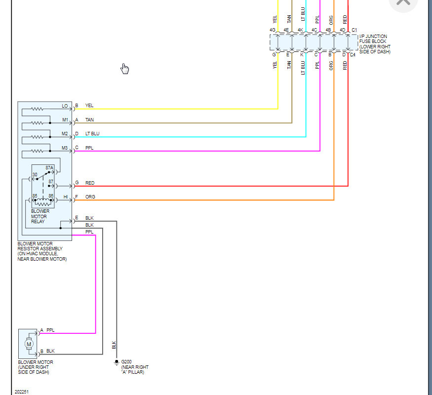
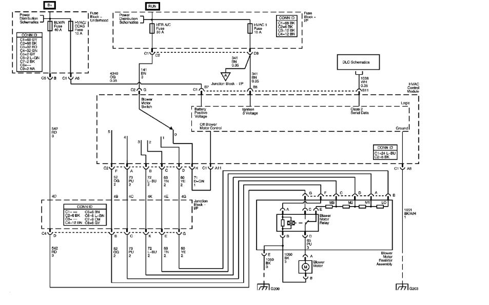
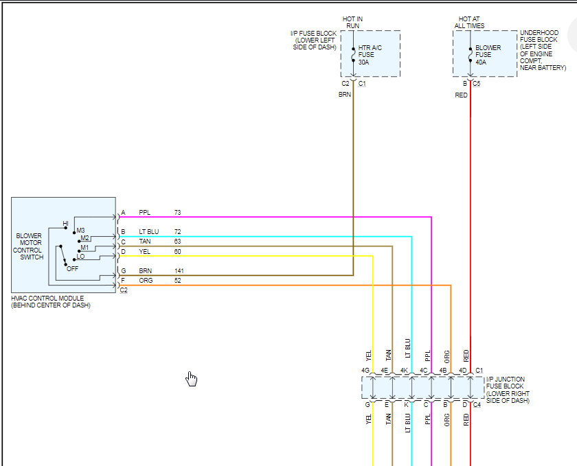
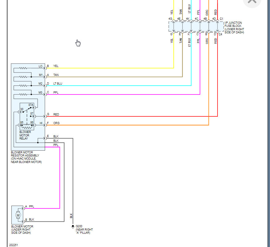
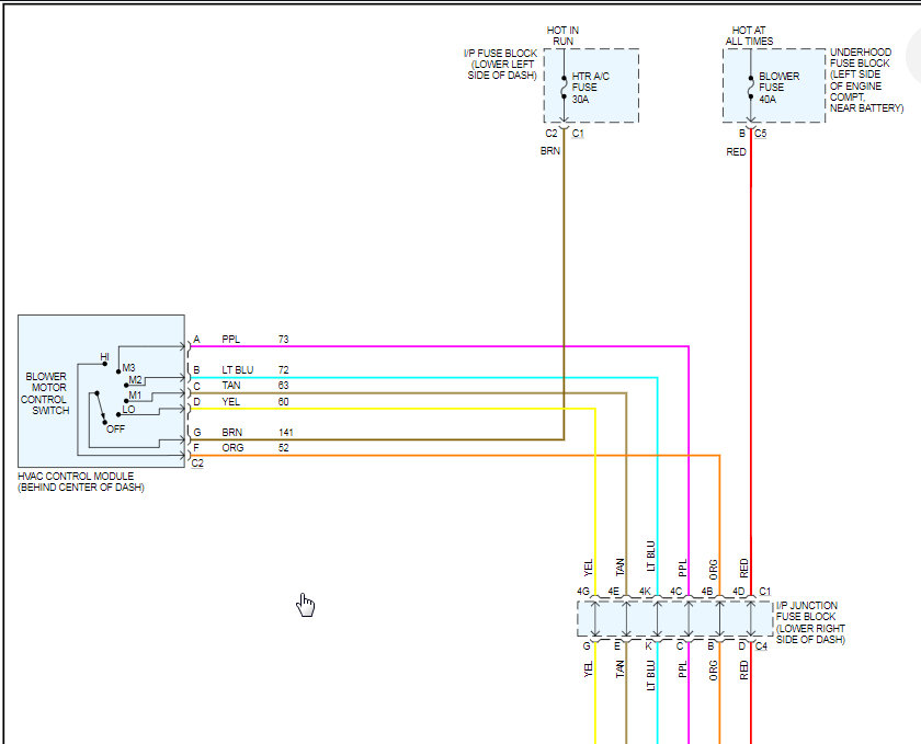
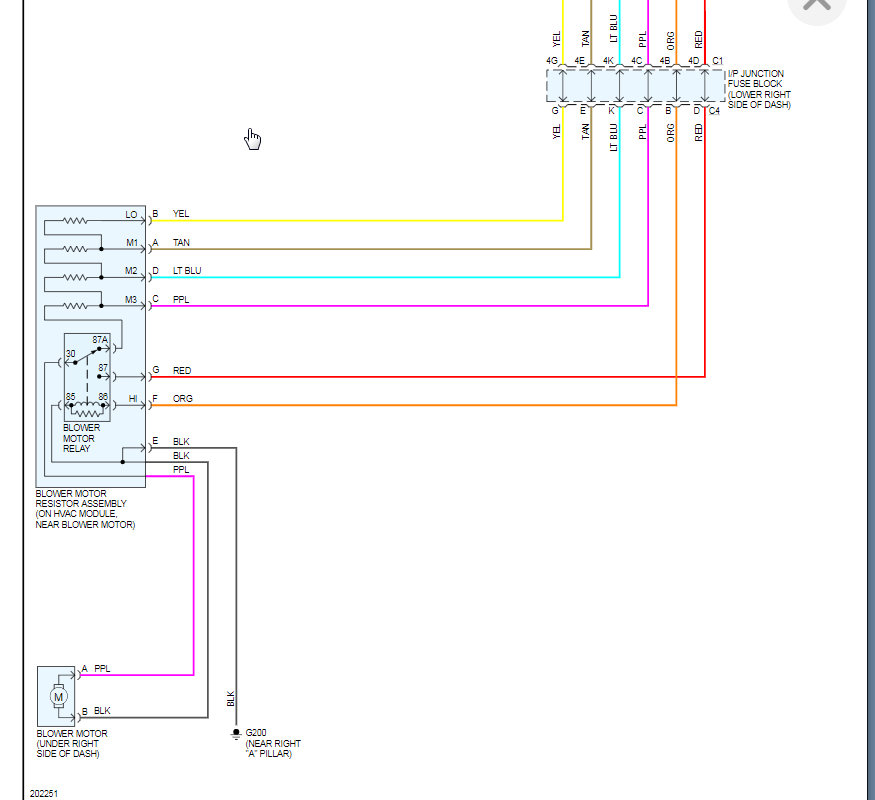
So we need to go to the blower motor and see what we have for voltage. I included the wiring diagrams where we need to check. Basically trace the power back to the two fuses and see where you don't have power and that will tell us what the issue is.
Was this
answer
helpful?
Yes
No
+2
Friday, April 30th, 2021 AT 2:21 PM (Merged)
Tiny
MIKEH
  • MEMBER
  • 4 POSTS
  • 2006 CHEVROLET SILVERADO
  • V8
  • 4WD
  • AUTOMATIC
  • 250,000 MILES
I have a 2006 chevy truck dual control auto temp I have tested the wires at the fan and i'm getting power on the purple wire that plugs into the fan one thing I noticed there is a small purple wire coming into resestor and it has no power to it. Can you help me please
Was this
answer
helpful?
Yes
No
Friday, April 30th, 2021 AT 2:21 PM (Merged)
Tiny
KHLOW2008
  • MECHANIC
  • 41,814 POSTS
Does fan works when the Black wire of fan motor is grounded?

Disconnect the blower motor connector. Turn ignition switch ON with engine OFF. Install a test lamp between the terminals of wireharness. Turn blower speed to maximum. Place air temperature switch to warmest position. Does test lamp illuminate?

Do you mean the Purple/White wire (Purple with a fine White line on it)?

Does blower motor works in any speed?
Was this
answer
helpful?
Yes
No
Friday, April 30th, 2021 AT 2:21 PM (Merged)
Tiny
MIKEH
  • MEMBER
  • 4 POSTS
I did that test and I have no power, yes the purple/white wire that comes into the resistor it says input on the resistor. I took fan out and hooked power and ground to fan and it worked like that. The doesn't work on any speed when it stopped it was like some1 had turned the speed down slowly. The it stopped. Thanks for the help
Was this
answer
helpful?
Yes
No
Friday, April 30th, 2021 AT 2:21 PM (Merged)
Tiny
KHLOW2008
  • MECHANIC
  • 41,814 POSTS
Here are the cmplete diagnostics for the blower motor. Go through and let me know what you find.
Was this
answer
helpful?
Yes
No
Friday, April 30th, 2021 AT 2:21 PM (Merged)
Tiny
MIKEH
  • MEMBER
  • 4 POSTS
Ok thanks I think we have it its the heater control panel in the dash.
Was this
answer
helpful?
Yes
No
Friday, April 30th, 2021 AT 2:21 PM (Merged)
Tiny
DROCK11C
  • MEMBER
  • 3 POSTS
  • 2005 CHEVROLET SILVERADO
  • V8
  • 4WD
  • AUTOMATIC
  • 40,000 MILES
The fan speed knob in my truck started malfunctioning a short while ago. It started with only the number 3 and 5 setting not working and eventually ended in none of the settings working. Is this a blower motor malfunction or something like a wiring harness? I'm stuck.
Was this
answer
helpful?
Yes
No
Friday, April 30th, 2021 AT 2:21 PM (Merged)
Tiny
RHALL77
  • MECHANIC
  • 3,361 POSTS
It sounds like you have a fuse, relay or blower motor that has failed but to be sure lets run down theses guides which will show us how to fix it. This video shows the job being done on a similar car but the process is the same with diagrams below to show you how on your car.

https://youtu.be/1eau7hCuuJ8

and

https://www.2carpros.com/articles/blower-fan-motor-works-on-high-speed-only

and

https://www.2carpros.com/articles/how-to-check-a-car-fuse

and

https://www.2carpros.com/articles/how-to-check-an-electrical-relay-and-wiring-control-circuit

The fuse and relay location are in the diagrams below. Check out the diagrams (Below). Let us know what happens and please upload pictures or videos of the problem.
Was this
answer
helpful?
Yes
No
Friday, April 30th, 2021 AT 2:21 PM (Merged)
Tiny
DROCK11C
  • MEMBER
  • 3 POSTS
I replaced the blower motor resistor and the problem is gone thank you for your help.
Was this
answer
helpful?
Yes
No
Friday, April 30th, 2021 AT 2:21 PM (Merged)
Tiny
POHLMANJ
  • MEMBER
  • 3 POSTS
  • 2005 CHEVROLET SILVERADO
  • V8
  • 4WD
  • AUTOMATIC
  • 80,000 MILES
I don't know for sure what it is but the blower motor doesn't work anymore. Last weekend I unhooked the battery and then hooked it back up. I didn't notice it until Monday morning on my way to work that the blower motor quit working. It doesn't work in any speed at all. My question is How can I tell if it's the motor, the resistor, or just a simple fuse. I did check the blower fuse and all of the A/C fuses under the hood and on the inside but nothing around the blower motor assembly. Please help.
Was this
answer
helpful?
Yes
No
Friday, April 30th, 2021 AT 2:22 PM (Merged)
Tiny
RASMATAZ
  • MECHANIC
  • 75,992 POSTS
Test the blower motor relay-if okay Apply direct power from the battery to the blower motor-don't come On-test the blower motor resistor-if okay the last stop will be the HVAC control module/blower control switch
Was this
answer
helpful?
Yes
No
+1
Friday, April 30th, 2021 AT 2:22 PM (Merged)
Tiny
POHLMANJ
  • MEMBER
  • 3 POSTS
I had a mechanic look at and we found that the wiring harness going into the Blower fan resistor had burned out. He told me to get a new resistor and wiring harness and how to hook it all up. I then asked him if I needed to replace the blower fan and his response was get everything else fixed and then with the fan running hold my fingers on the wiring connector see if becomes hot. If it does then the blower fan needs to be replaced. My question to you is Do I really need to replace the fan even if it gets warm or hot?
Was this
answer
helpful?
Yes
No
+2
Friday, April 30th, 2021 AT 2:22 PM (Merged)
Tiny
RASMATAZ
  • MECHANIC
  • 75,992 POSTS
Power the fan direct from the battery did it come On?
Was this
answer
helpful?
Yes
No
+2
Friday, April 30th, 2021 AT 2:22 PM (Merged)
Tiny
POHLMANJ
  • MEMBER
  • 3 POSTS
The fan come on when he touched the wiring harness but when he put his fingers on the wire it started getting hot. That's when he told me I'll probably need a new blower fan. So I got a new one and its fixed thank you
Was this
answer
helpful?
Yes
No
Friday, April 30th, 2021 AT 2:22 PM (Merged)
Tiny
VICTOR1438
  • MEMBER
  • 1 POST
  • 2005 CHEVROLET SILVERADO
  • 6 CYL
  • 2WD
  • AUTOMATIC
  • 65,000 MILES
Please where is the fuse for the blower motor I dont finned in the fuse box
Was this
answer
helpful?
Yes
No
Friday, April 30th, 2021 AT 2:22 PM (Merged)
Tiny
RASMATAZ
  • MECHANIC
  • 75,992 POSTS
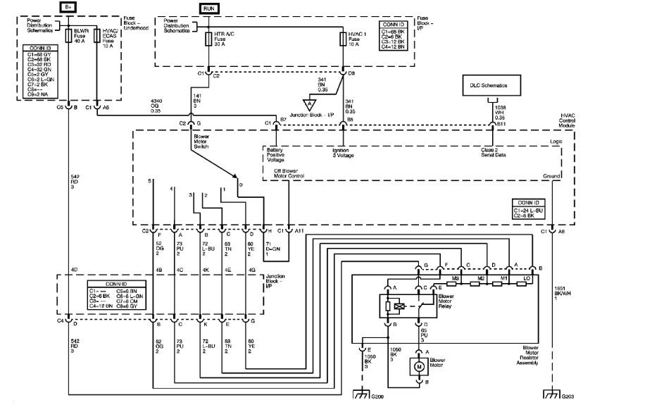
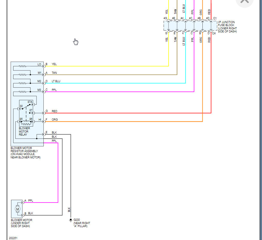
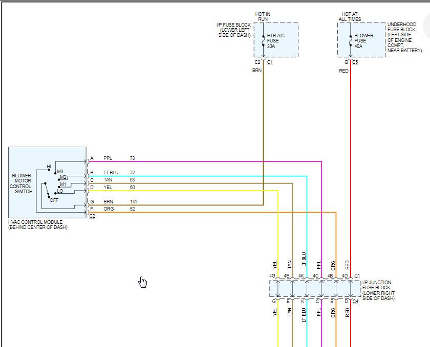
Check and test all these fuses: Blower fuse 40amp and HVAC/ECAS fuse 10amp in the unde rhood fuse block, also the Htr/AC fuse 30amp and HVAC 1 fuse 10amp in the instrument panel fuse block to include the blower motor relay.
Was this
answer
helpful?
Yes
No
+2
Friday, April 30th, 2021 AT 2:22 PM (Merged)
Tiny
GEORGE KAISER
  • MEMBER
  • 1 POST
  • 2006 CHEVROLET SILVERADO
  • 2WD
  • MANUAL
  • 105,100 MILES
The AC seems to have stopped working with no lead up until it simply stopped blowing cool air. I am not sure if it is simply a fan blower issue or if the whole unit stopped working. When the heat is turned on it still produces heat but nothing is blown out. Has anyone dealt with this issue or have an idea of what may be wrong with it? Thanks in advance for the help.
Was this
answer
helpful?
Yes
No
Friday, April 30th, 2021 AT 4:18 PM (Merged)
Tiny
ASEMASTER6371
  • MECHANIC
  • 52,796 POSTS
Good morning.

The blow fan may have stopped working or the blower resistor may have failed. both common failures for this issue.

I will attach a diagram for you to view. Check for voltage to the blower motor with the key on and the fan set on high.

Roy

https://www.2carpros.com/articles/low-or-no-air-flow-from-vents
Was this
answer
helpful?
Yes
No
Friday, April 30th, 2021 AT 4:18 PM (Merged)
Tiny
BILL TROUTT
  • MEMBER
  • 6 POSTS
  • 2006 CHEVROLET SILVERADO
  • V8
  • 2WD
  • AUTOMATIC
  • 74,000 MILES
After having a ignition switch replaced at the local dealership my fan motor quit working a few weeks later. Last week I took it back to the dealership and was told there is a resisitor bad causing the problem. In order to replace I would need to purchase a new pigtail which the resistor was built into at a cost of over $250. I feel the dealership was pulling my chain. Any advise? If so are there any wiring diagrams aviable?
Was this
answer
helpful?
Yes
No
Tuesday, May 25th, 2021 AT 11:45 AM (Merged)
Tiny
SATURNTECH9
  • MECHANIC
  • 30,869 POSTS


https://www.2carpros.com/forum/automotive_pictures/416332_2006_1500LTac_part1_1.jpg



https://www.2carpros.com/forum/automotive_pictures/416332_2006_1500_LT_blower_motor_resistor_1.jpg



https://www.2carpros.com/forum/automotive_pictures/416332_2006_1500LT_blower_motor_bulletin_part1_1.jpg



https://www.2carpros.com/forum/automotive_pictures/416332_2006_1500LT_blower_motor_bulletin_part2_1.jpg



https://www.2carpros.com/forum/automotive_pictures/416332_2006_1500LT_blower_motor_bulletin_part3_1.jpg



https://www.2carpros.com/forum/automotive_pictures/416332_2006_1500LT_blower_motor_bulletin_part4_1.jpg


I solved the wire harness for the blower motor resistor card i posted the bullitin so you could read why you have to get the harness too.I also posted the wire diagram for it as well.If you have anymore questions let me know.
Was this
answer
helpful?
Yes
No
Tuesday, May 25th, 2021 AT 11:45 AM (Merged)

Please login or register to post a reply.