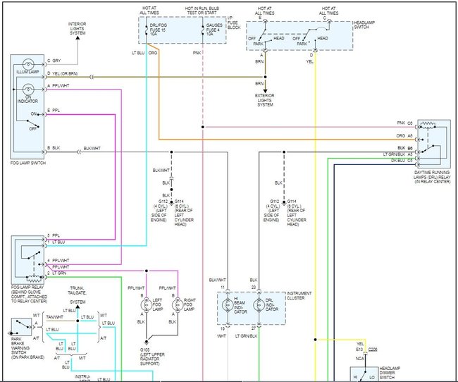
If there is power at the light sockets, then either you have a bad ground or the light sockets are bad. How did you check ground? Did you check the headlamp ground relay?
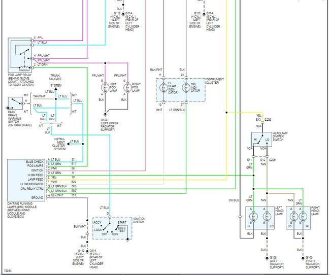
I attached a pic below showing ground and the relay. Check both. There is a splice in the ground wire, so confirm there is continuity at the sockets.
Here are a few links you may find helpful:
https://www.2carpros.com/articles/how-to-check-an-electrical-relay-and-wiring-control-circuit
https://www.2carpros.com/articles/how-to-use-a-test-light-circuit-tester
https://www.2carpros.com/articles/how-to-use-a-voltmeter
https://www.2carpros.com/articles/how-to-check-wiring
Let me know what you find.
Joe.
Was this helpful?
Yes
No
Saturday, March 13th, 2021 AT 12:40 PM
(Merged)





