Looking for a headlight wiring diagram

Tiny
RCMCD
  • MEMBER
  • 2003 CHEVROLET S-10
  • 4.3L
  • V6
  • 2WD
  • AUTOMATIC
  • 150,000 MILES
Looking for a headlight wiring diagram from the under hood fuse box to the headlights
Tuesday, May 27th, 2014 AT 7:37 PM

13 Replies

Tiny
TY ANDERSON
  • MECHANIC
  • 719 POSTS
Hello,

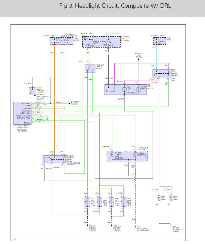
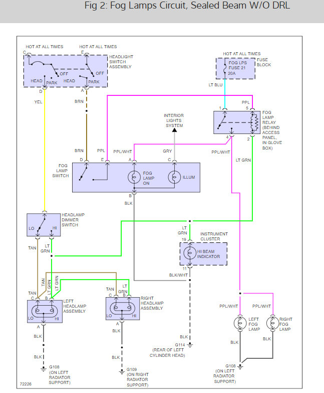
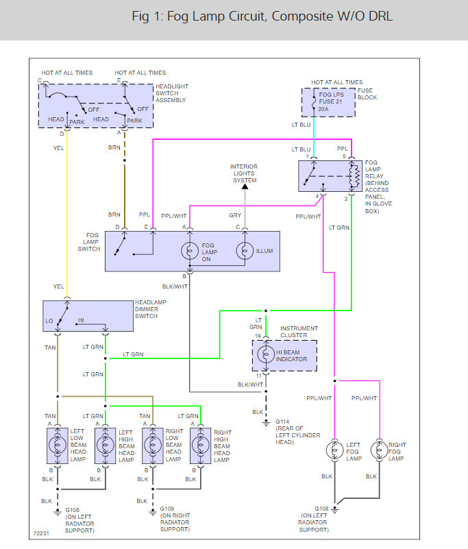
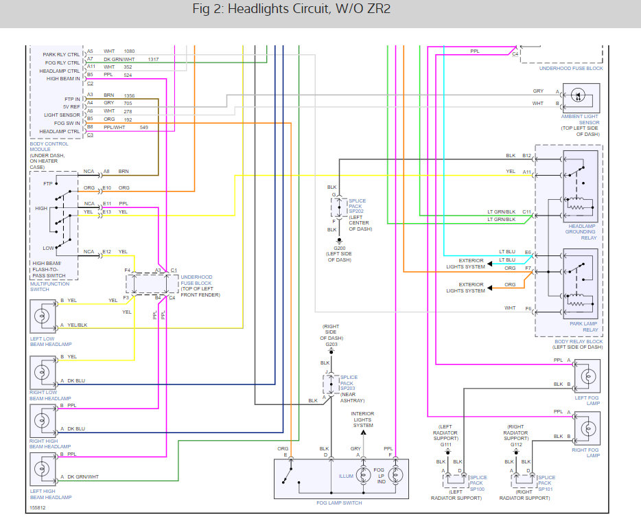
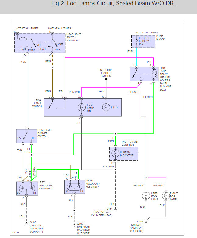
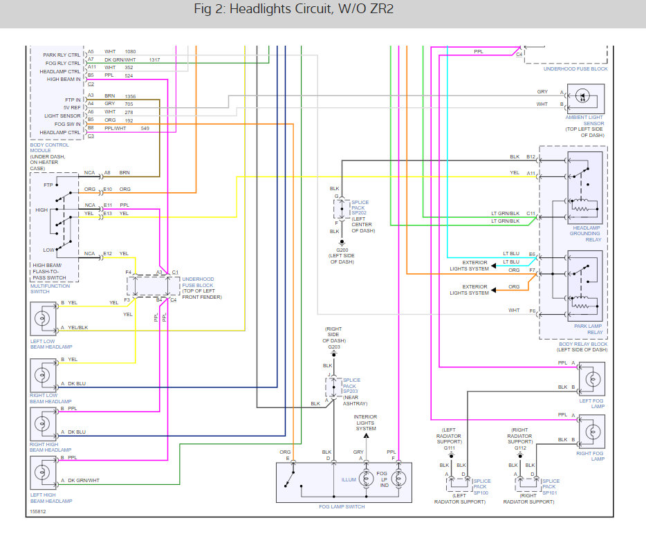
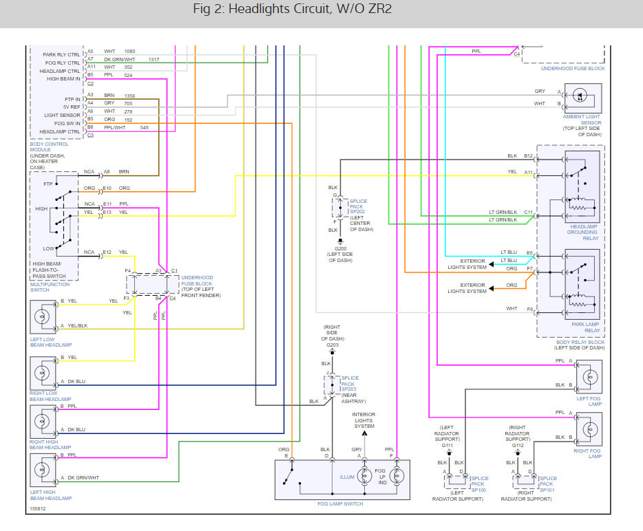
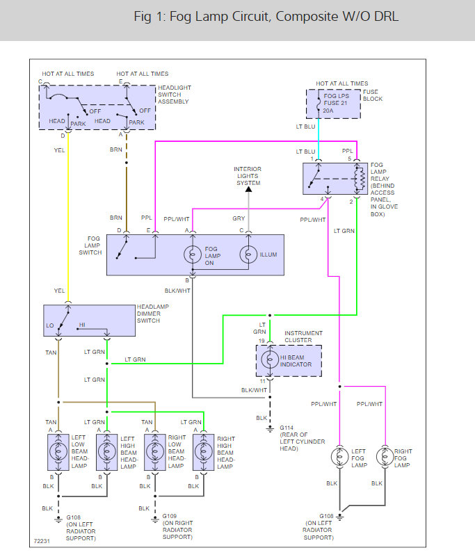
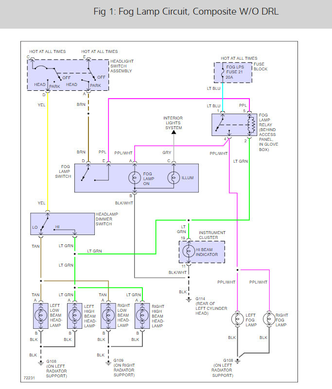
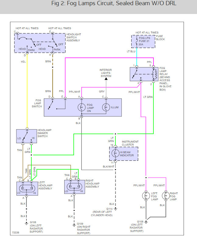
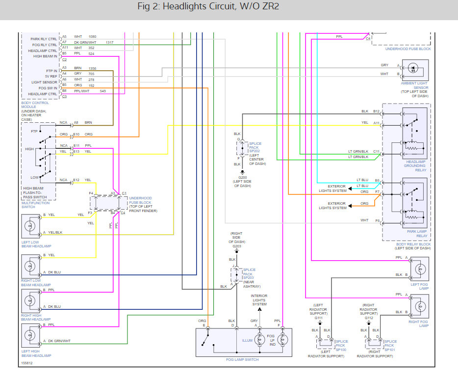
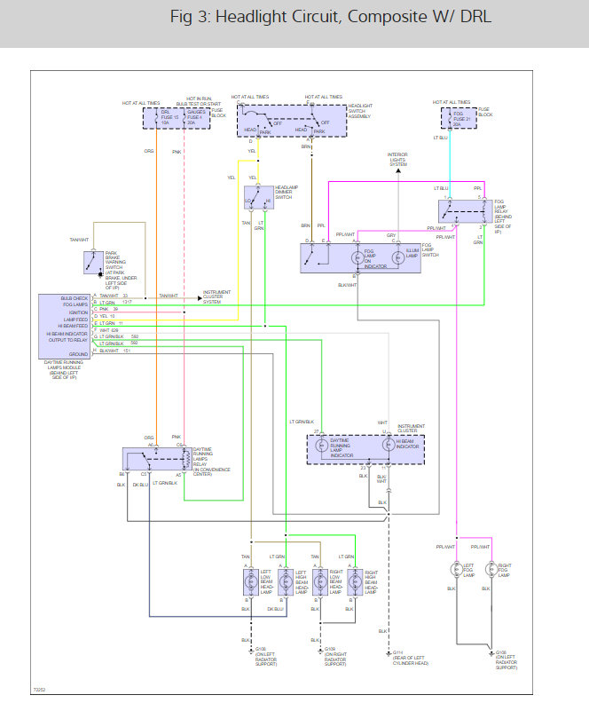
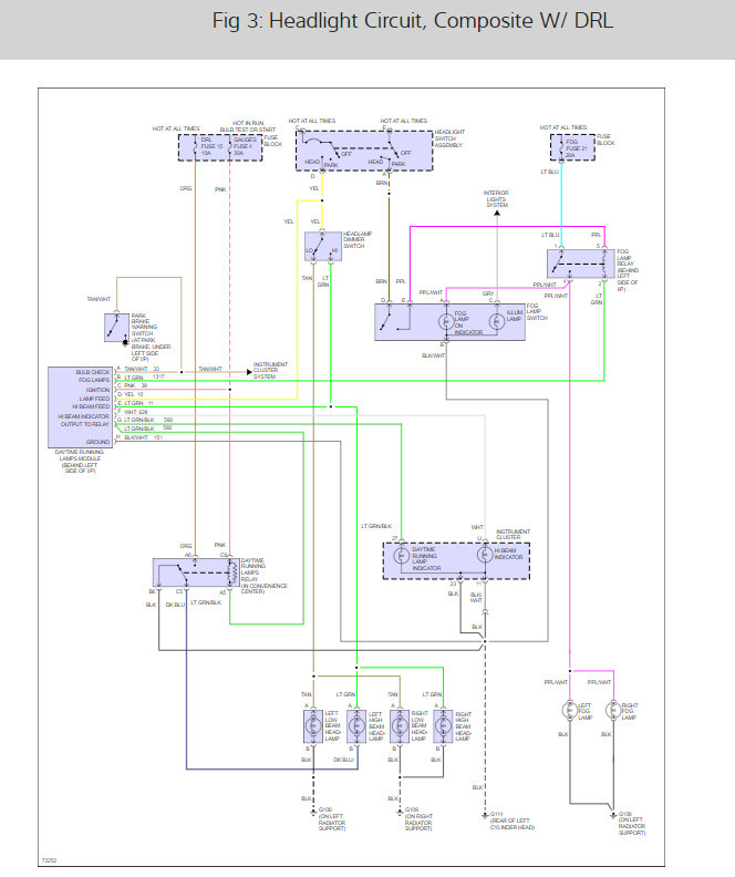
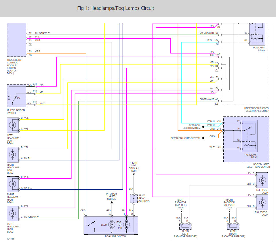
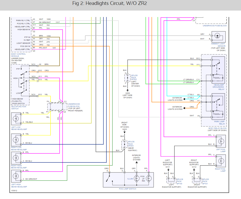
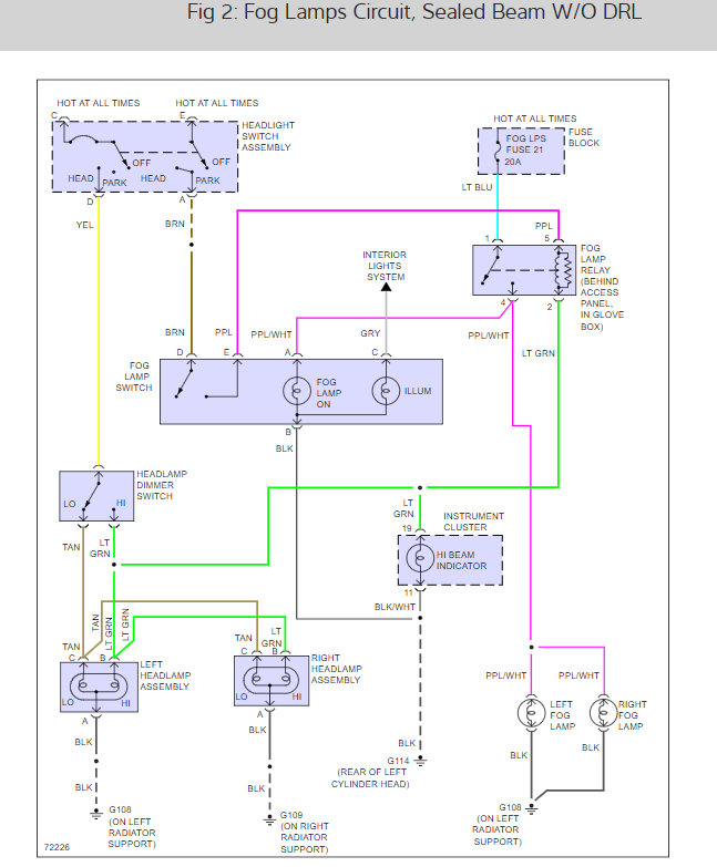
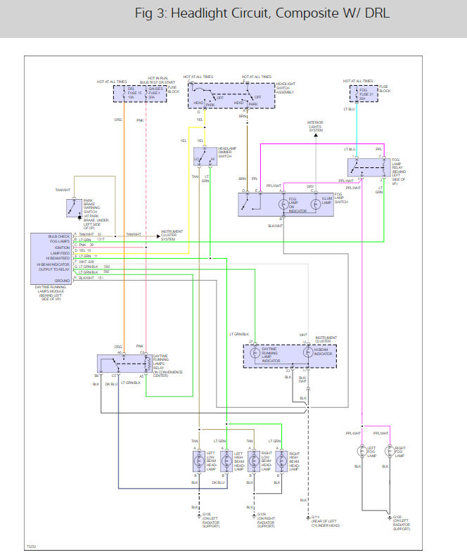
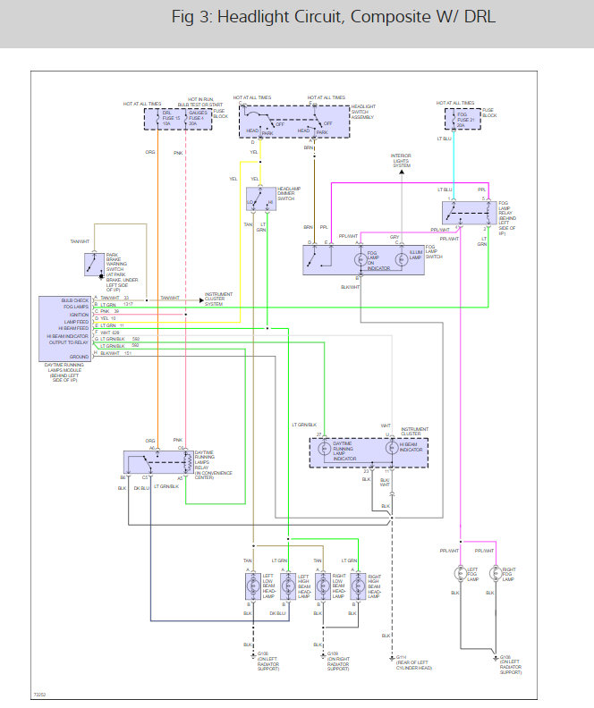
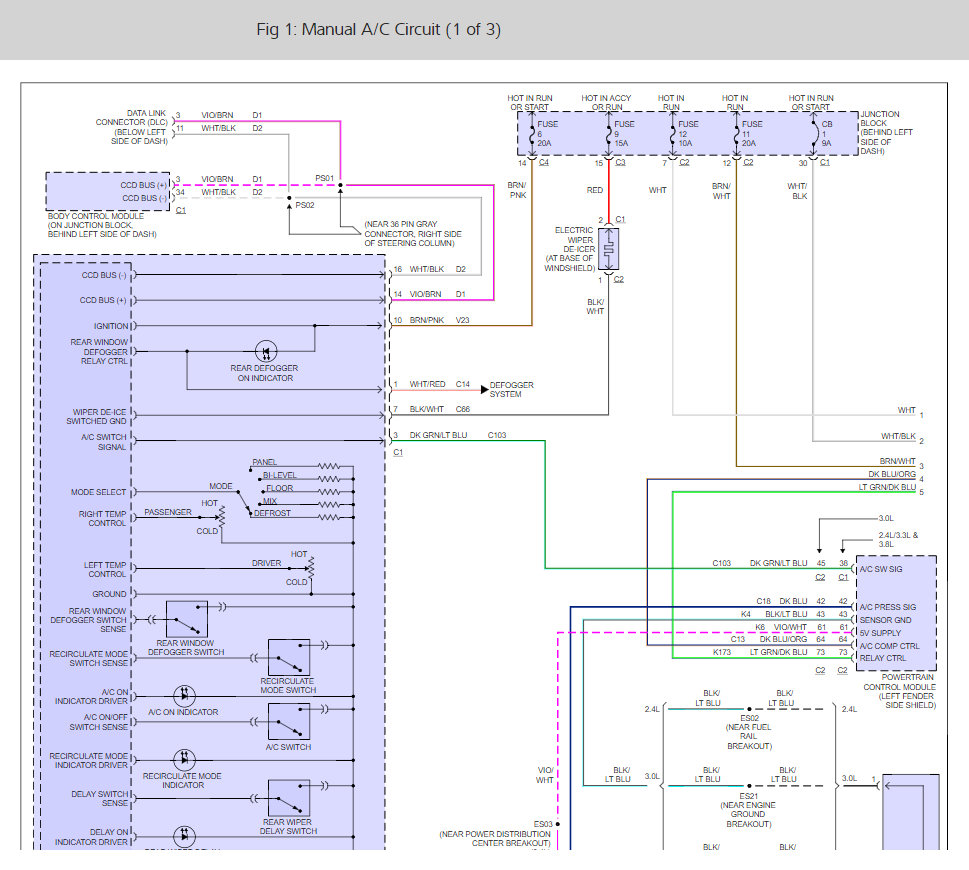
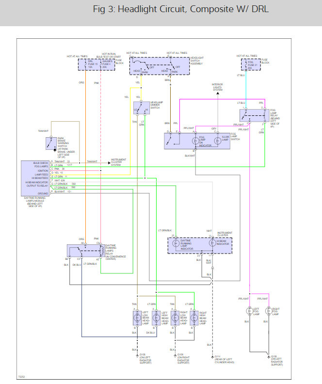
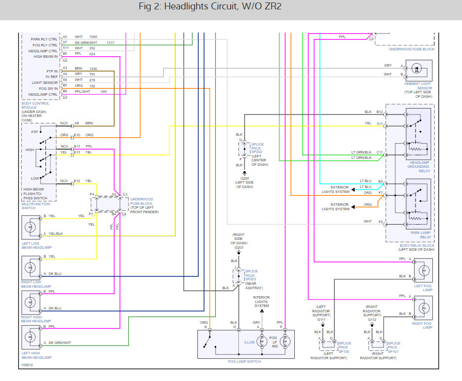
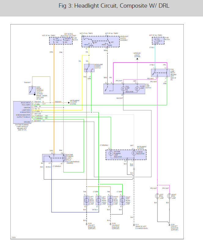
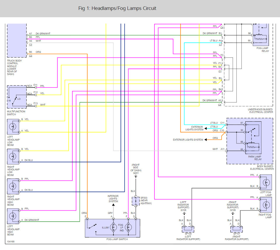
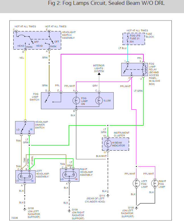
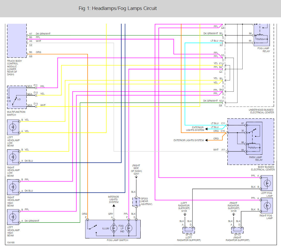
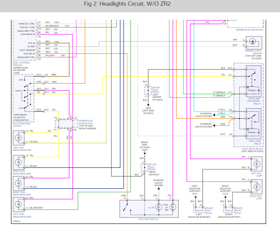
Here are the headlight wiring diagrams with a guide to help you test it connections.

https://www.2carpros.com/articles/how-to-check-wiring

Check out the diagrams (Below). Please let us know if you need anything else to get the problem fixed.
Was this
answer
helpful?
Yes
No
-2
Saturday, November 24th, 2018 AT 11:18 AM
Tiny
TERRANCE124
  • MEMBER
  • 1 POST
  • 1995 CHEVROLET S-10
  • 4 CYL
  • 2WD
  • MANUAL
  • 115,575 MILES
Where are the headlight grounds on my 95 chevy s-10 and also where is the headlight relay located? The lights continually go on and off and there is a clicking and sort of a static noise coming from the glovebox
Was this
answer
helpful?
Yes
No
-1
Friday, June 19th, 2020 AT 12:39 PM (Merged)
Tiny
JDL
  • MECHANIC
  • 16,098 POSTS
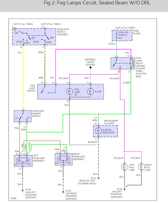
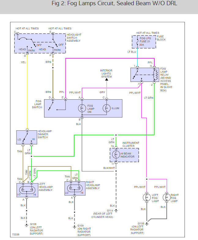
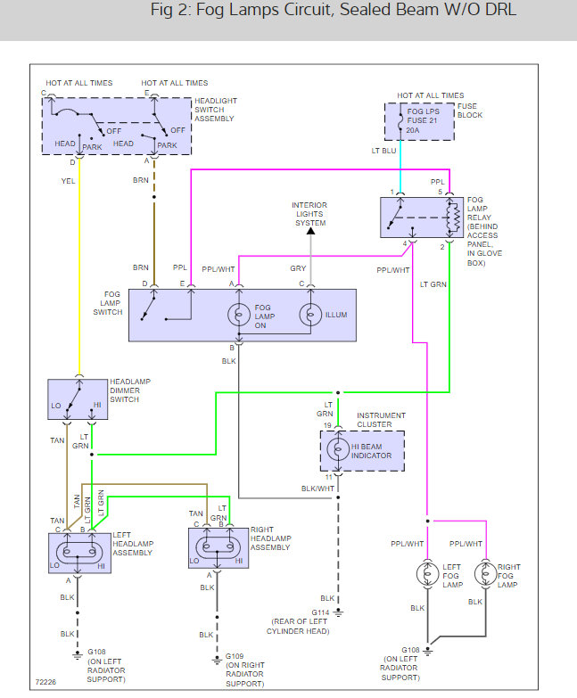
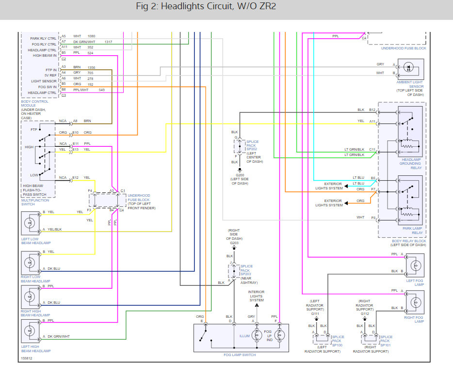
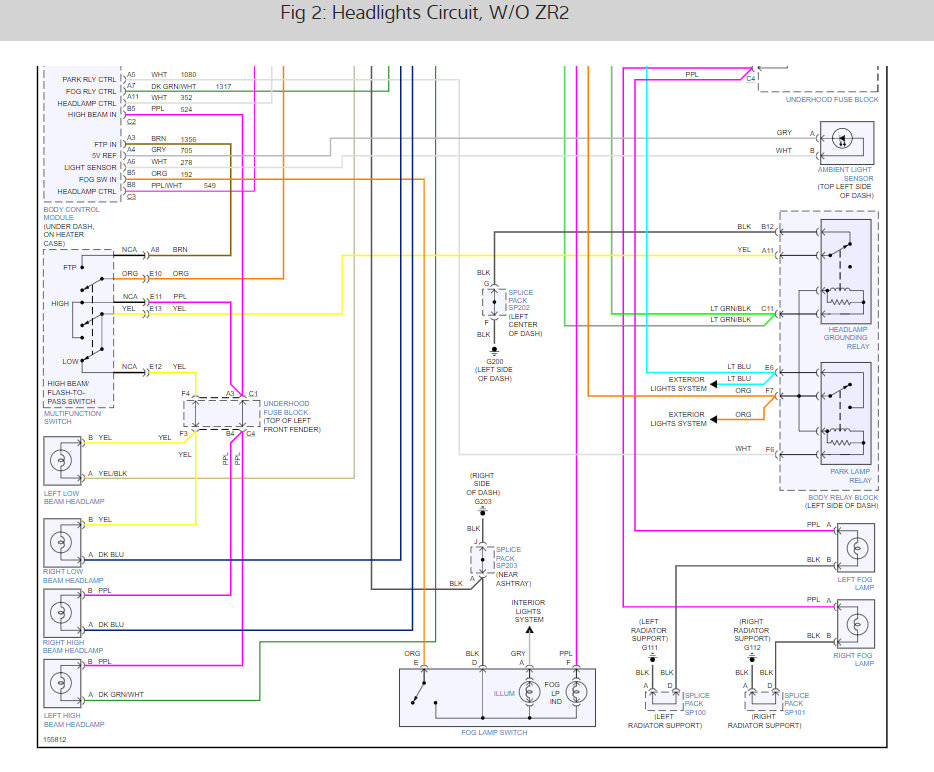
Hello, the headlight grounds are on the core support for the radiator just follow the wiring harnesses back until you find them. Here are the headlight wiring diagrams so help you see how the system works. There is no headlight relay for this car. Check out the diagrams (Below). Please let us know if you need anything else to get the problem fixed.
Was this
answer
helpful?
Yes
No
-2
Friday, June 19th, 2020 AT 12:39 PM (Merged)
Tiny
AVERY KELLY
  • MEMBER
  • 2 POSTS
  • 2003 CHEVROLET S-10
  • 90,000 MILES
The daytime running lights work fine but the night time lights won't come on and I'm unable to turn them on manually so I have no lights at night. How can I fix this? The daytime running lights are working but I am unable to turn on the night lights and they do not come on automatically so I am left without lights at night and am unable to drive because of that.
Was this
answer
helpful?
Yes
No
Wednesday, March 10th, 2021 AT 6:31 PM (Merged)
Tiny
RIVERMIKERAT
  • MECHANIC
  • 6,110 POSTS
Check the relay and the switch. Make sure it is getting power and switching that power. Here is the headlight wiring diagrams so You can see how the system works and guide to help you test it.

https://www.2carpros.com/articles/how-to-check-wiring

Check out the diagrams (Below). Please let us know what you find. We are interested to see what it is.
Was this
answer
helpful?
Yes
No
+3
Wednesday, March 10th, 2021 AT 6:31 PM (Merged)
Tiny
AVERY KELLY
  • MEMBER
  • 2 POSTS
Where can I find the relay and switch?
Was this
answer
helpful?
Yes
No
-1
Wednesday, March 10th, 2021 AT 6:31 PM (Merged)
Tiny
RIVERMIKERAT
  • MECHANIC
  • 6,110 POSTS
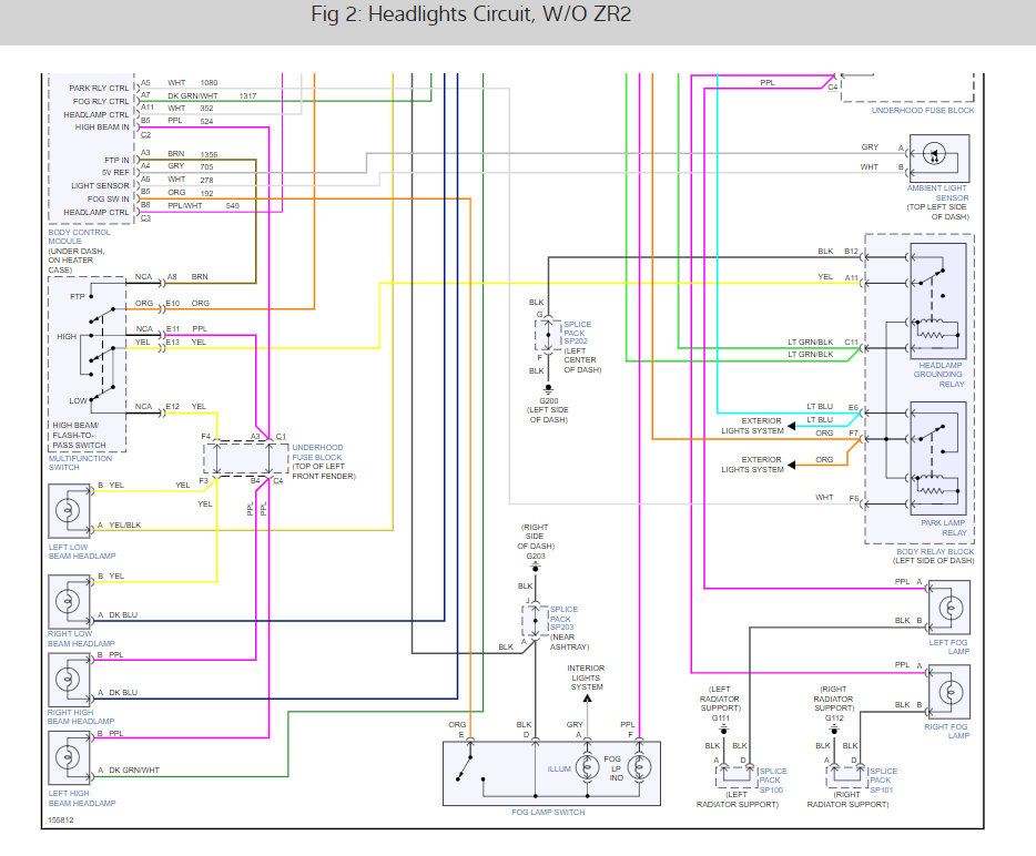
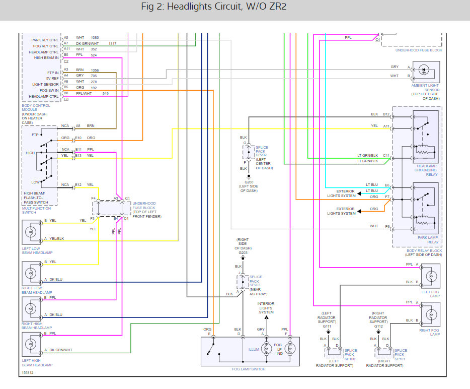
The switch is what you use to turn the lights on and off. I have attached the wiring schematic for the headlight circuit.

The headlamp power relay is located in the under hood relay block near the battery. It's labelled. The headlamp ground relay is located in the body relay block behind the left side of the dash.
Was this
answer
helpful?
Yes
No
+6
Wednesday, March 10th, 2021 AT 6:31 PM (Merged)
Tiny
MIKE H R
  • MECHANIC
  • 3,094 POSTS
You can also try removing the number 15 fuse and see what happens that fuse is for the drl and may cancel out the daylight driving lights so the night time lights work.
Was this
answer
helpful?
Yes
No
+1
Wednesday, March 10th, 2021 AT 6:31 PM (Merged)
Tiny
NETDUMMY
  • MEMBER
  • 2 POSTS
  • 2003 CHEVROLET S-10
  • 4.3L
  • V6
  • 4WD
  • AUTOMATIC
  • 37,000 MILES
How do get low on when hi beam are on? I need diagrams please?
Was this
answer
helpful?
Yes
No
Saturday, March 13th, 2021 AT 12:44 PM (Merged)
Tiny
JACOBANDNICKOLAS
  • MECHANIC
  • 110,194 POSTS
Hi,

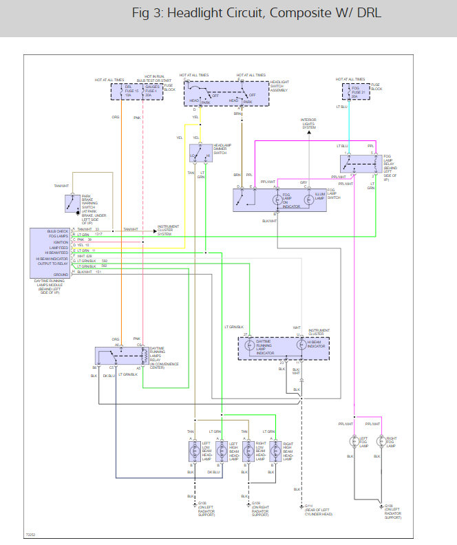
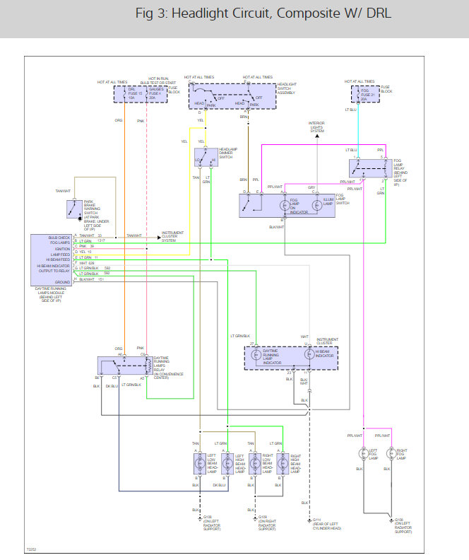
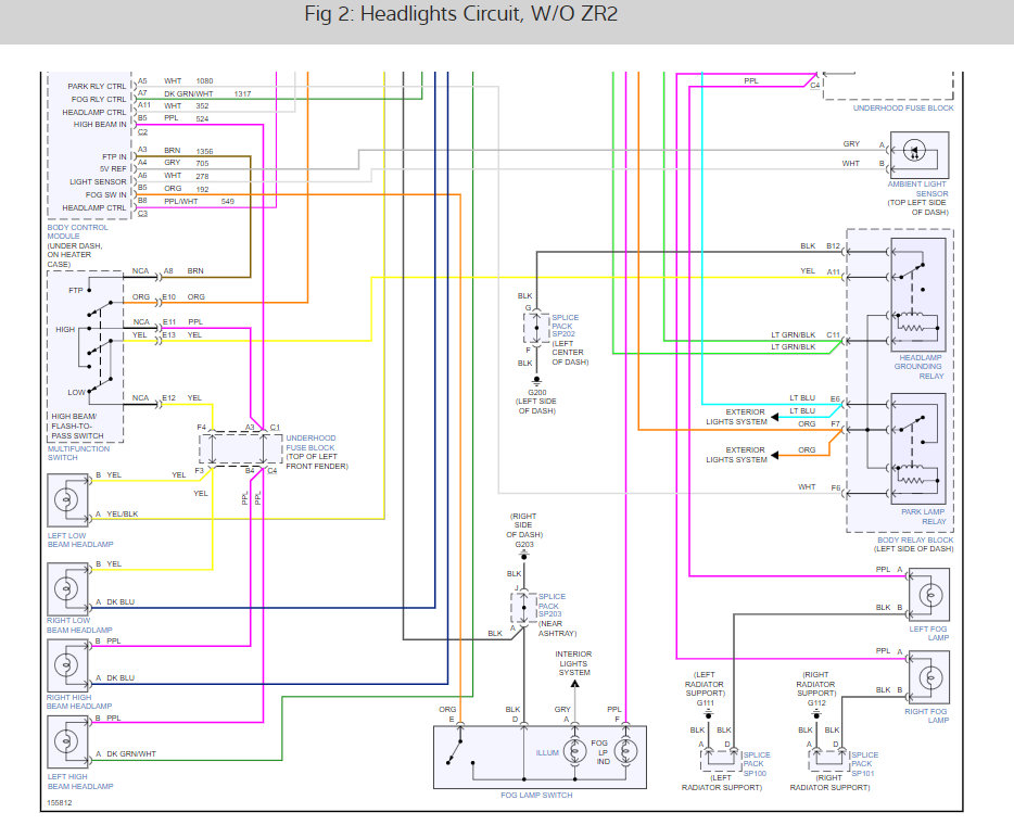
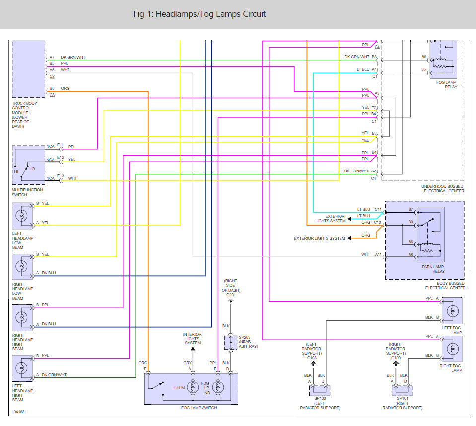
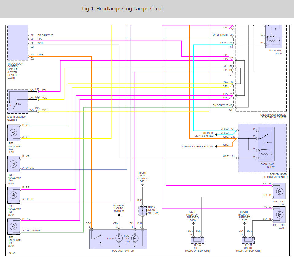
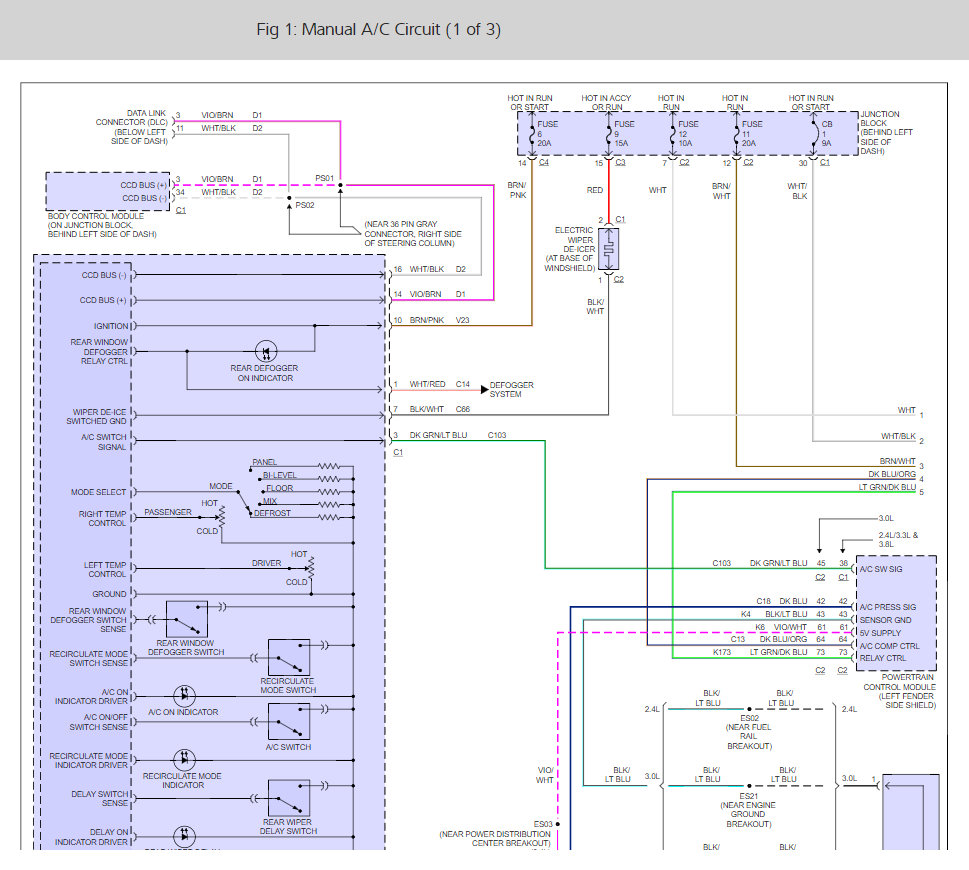
I'm not completed sure I understand what you are doing, so I attached the entire wiring schematic for the headlight system. I had to cut the one pic in two parts so it was readable, but I did overlap them so they were readable.

Here are a few links you may find helpful:

https://www.2carpros.com/articles/how-to-use-a-test-light-circuit-tester

https://www.2carpros.com/articles/how-to-use-a-voltmeter

https://www.2carpros.com/articles/how-to-check-wiring

Let me know if this helps.

Joe
Was this
answer
helpful?
Yes
No
-1
Saturday, March 13th, 2021 AT 12:44 PM (Merged)
Tiny
DENVER R ADKINS
  • MEMBER
  • 1 POST
  • 1998 CHEVROLET S-10
  • 4.3L
  • 6 CYL
  • 4WD
  • AUTOMATIC
  • 200,000 MILES
Have power to headlight per relay and deleted relay under hood. Power to switch bright light indicator or delay indicator on cluster is on, but no power to headlights or marker lights etc. First off I had high beams but no low beams on either side all other lights worked. I had a dimmer switch from another s10 thought I would try it and it was junk, I put original dimmer switch back on it and that is where I am at now. No high beams or low beams and no marker lights. Checked all fuses and relays that I know of.
Was this
answer
helpful?
Yes
No
Saturday, March 13th, 2021 AT 12:44 PM (Merged)
Tiny
KEN L
  • MASTER CERTIFIED MECHANIC
  • 55,499 POSTS
It looks like there are two relays that run the system. I would check for power at the relay and then test the relays.

Below are some guides and some diagrams to help us get started and get the problem fixed.

https://www.2carpros.com/articles/how-to-check-a-car-fuse

and

https://www.2carpros.com/articles/how-to-check-an-electrical-relay-and-wiring-control-circuit

Please let us know what happens so we can keep helping you.

Cheers, Ken
Was this
answer
helpful?
Yes
No
Saturday, March 13th, 2021 AT 12:44 PM (Merged)
Tiny
DENVER R ADKINS
  • MEMBER
  • 1 POST
We have did all the suggested above. Still no headlights
Was this
answer
helpful?
Yes
No
-1
Saturday, March 13th, 2021 AT 12:44 PM (Merged)

Please login or register to post a reply.