Fuel relay power

Tiny
TRP2XTC
  • MEMBER
  • 1998 GMC SIERRA
  • 5.7L
  • V8
  • 4WD
  • AUTOMATIC
  • 289,000 MILES
New motor installed/all grounds are on but no 12v to fuel pump relay/no start

Relay test good/pump runs when 12v jumped from battery to pin 30/have nothing on pin 30, 85, 87, or 87a.

Guessing ECM not sending power?
Thursday, May 20th, 2021 AT 10:57 PM

3 Replies

Tiny
JACOBANDNICKOLAS
  • MECHANIC
  • 110,192 POSTS
Hi,

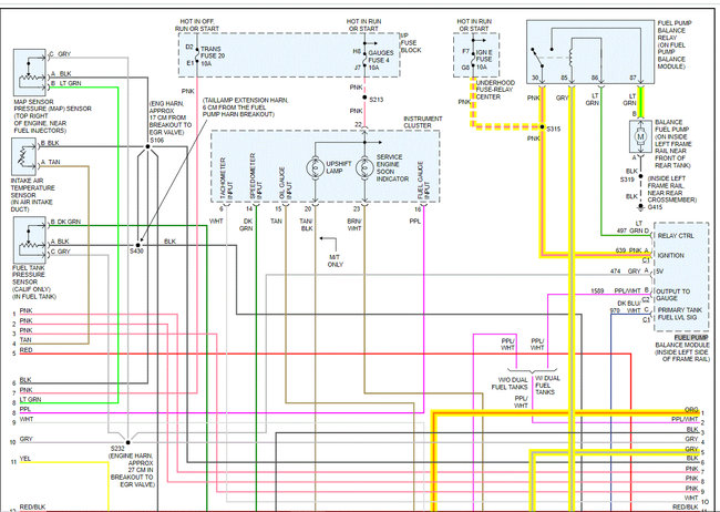
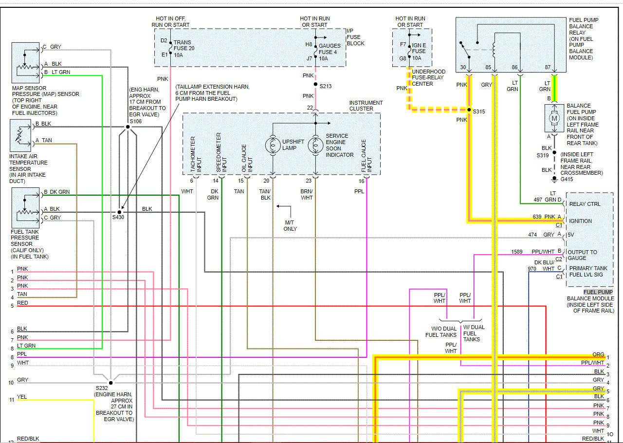
Based on the pins you mentioned, you are working with the fuel pump balance relay. So, I assume the vehicle has dual tanks, correct?

I have attached the entire powertrain management wiring schematics for you. I highlighted everything related to the fuel pump.

Pin 30 should receive power from the ignition fuse E / balance module, so check both for power. I highlighted the fuse in the last pic below. The module is on the frame rail (driver's side). Note that the fuse should only get power when the key is in the start or run position.

When you check the fuse, make sure it is good and also, make sure power is present.

https://www.2carpros.com/articles/how-to-check-a-car-fuse

Also, here is a link you may find helpful when testing wiring.

https://www.2carpros.com/articles/how-to-check-wiring

Let me know what you find or if you have other questions.

Take care,

Joe

See pics below.
Was this
answer
helpful?
Yes
No
Friday, May 21st, 2021 AT 8:45 PM
Tiny
TRP2XTC
  • MEMBER
  • 1 POST
Thank you for your response, I'll let you know.
Was this
answer
helpful?
Yes
No
Monday, May 24th, 2021 AT 9:35 AM
Tiny
JACOBANDNICKOLAS
  • MECHANIC
  • 110,192 POSTS
Hi,

You are very welcome. If possible, let me know what you find. I'm interested in knowing.

Take care and let me know if I can help.

Joe
Was this
answer
helpful?
Yes
No
Monday, May 24th, 2021 AT 7:55 PM

Please login or register to post a reply.