Engine low power

Tiny
MAUDE HUFF
  • MEMBER
  • 1999 BUICK PARK AVENUE
  • 3.8L
  • V6
  • TURBO
  • 178,371 MILES
Car sputters and stops running when gas pedal is pressed. Can hear fuel moving around when driving.
Tuesday, June 27th, 2017 AT 5:57 PM

24 Replies

Tiny
KEN L
  • MASTER CERTIFIED MECHANIC
  • 55,488 POSTS
Hello,

It sounds like you have a fuel pump that is going out. Here is a test you can do to confirm.

https://www.2carpros.com/articles/how-to-check-fuel-system-pressure-and-regulator

and can rent a fuel gauge from the auto parts store for free if you don't have one.

https://www.2carpros.com/articles/how-to-replace-an-electric-fuel-pump

Please run this test and get back to us we are interested to see what it is.

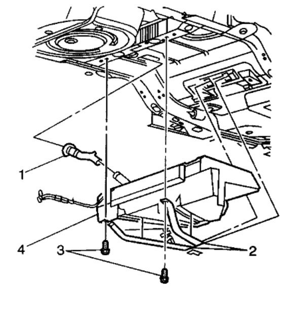
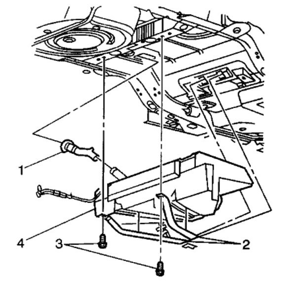
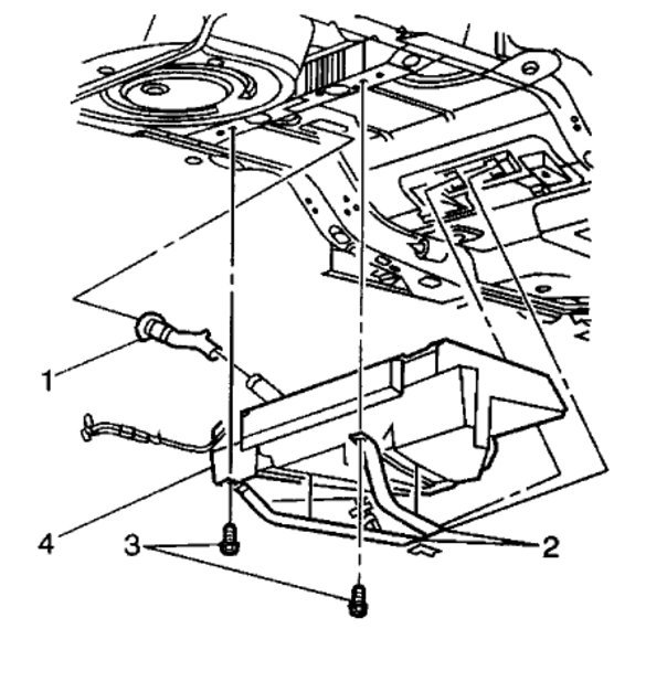
Here is what its like to change the pump on your car (below)

Cheers, Ken
Was this
answer
helpful?
Yes
No
Friday, June 30th, 2017 AT 11:56 AM
Tiny
TKAR708
  • MEMBER
  • 3 POSTS
  • 1999 BUICK PARK AVENUE
  • 3.8L
  • V6
  • 2WD
  • AUTOMATIC
  • 30 MILES
I fixed a misfire in the car and had no codes. On my way to work during a snowstorm the car when it shifted started losing power and throwing a misfire code a long shift code a ebtcm internal fault code and battery low voltage code all came on at the same time.
The miss isn't constant its intermittent.
The codes are:
B1327
C1255
P0300
P1811
Was this
answer
helpful?
Yes
No
Wednesday, December 9th, 2020 AT 3:31 PM (Merged)
Tiny
STEVE W.
  • MECHANIC
  • 15,697 POSTS
I would check the battery cables and ground cables from engine to chassis and body at both ends for loose or corroded connections. All of the other systems rely on stable voltage to read the sensors and power the various modules. If the battery or alternator suddenly start dropping out it can cause a lot of odd issues and codes. Have seen it more than once with a bad cable or battery.
Was this
answer
helpful?
Yes
No
Wednesday, December 9th, 2020 AT 3:31 PM (Merged)
Tiny
TKAR708
  • MEMBER
  • 3 POSTS
That could cause a misfire and have the car do all the other weird things and throw the codes?
Was this
answer
helpful?
Yes
No
Wednesday, December 9th, 2020 AT 3:31 PM (Merged)
Tiny
STEVE W.
  • MECHANIC
  • 15,697 POSTS
Yes, it could as all of the systems need a stable and correct battery voltage to work properly. A lower voltage can cause the crankshaft and camshaft sensors to react in strange ways, the fuel pump can act up due to low voltage as well. The ABS reads signals from the wheel speed sensors and depends on having the proper voltages as well.
Voltage drop from a bad connection or corrosion can cause a lot of issues.
Was this
answer
helpful?
Yes
No
Wednesday, December 9th, 2020 AT 3:31 PM (Merged)
Tiny
TKAR708
  • MEMBER
  • 3 POSTS
Okay, thank you very much!
Was this
answer
helpful?
Yes
No
Wednesday, December 9th, 2020 AT 3:31 PM (Merged)
Tiny
STEVE W.
  • MECHANIC
  • 15,697 POSTS
It's also an easier first step when it has a bunch of codes with one being low battery. As it started during a snowstorm it could easily be moisture intrusion into a connection as well. But checking the common issues first is a start.
Was this
answer
helpful?
Yes
No
Wednesday, December 9th, 2020 AT 3:31 PM (Merged)
Tiny
2CP-ARCHIVES
  • MEMBER
  • 4,540 POSTS
  • 1997 BUICK PARK AVENUE
  • 140,000 MILES
The engine stalls, idles irradically, loses power in first gear, what causes this
Was this
answer
helpful?
Yes
No
-1
Wednesday, December 9th, 2020 AT 3:31 PM (Merged)
Tiny
RASMATAZ
  • MECHANIC
  • 75,992 POSTS
Do you have a check engine light and when was the last tune-up? Also what liter engine?

Go to these links and review it then let me know:

https://www.2carpros.com/articles/engine-stalls

and

https://www.2carpros.com/articles/engine-misfires-or-runs-rough
Was this
answer
helpful?
Yes
No
Wednesday, December 9th, 2020 AT 3:31 PM (Merged)
Tiny
SHANI69
  • MEMBER
  • 3 POSTS
Throttle position sensor. It tells the fuel system how much fuel to push through the engine. When it goes bad, it just runs like crap. Replace it, and it fixes a lot.
Was this
answer
helpful?
Yes
No
Wednesday, December 9th, 2020 AT 3:31 PM (Merged)
Tiny
WESBROOK KENNY
  • MEMBER
  • 1 POST
  • 1997 BUICK PARK AVENUE
  • 3.2L
  • V6
  • TURBO
  • 2WD
  • AUTOMATIC
  • 211,000 MILES
Idles rough an when I step on accelerator it rpm's drop below 600. I've replaced ICM, coil packs, plugs an plug wires, camshaft position sensor. It will randomly run okay.
Was this
answer
helpful?
Yes
No
-1
Wednesday, December 9th, 2020 AT 3:31 PM (Merged)
Tiny
KEN L
  • MASTER CERTIFIED MECHANIC
  • 55,488 POSTS
Hello,

It sounds like you may have a broken valve spring or a dirty throttle body. Can you please shoot a quick video with your phone so we can see what's going on? that would be great. You can upload it here with your response. This guides can help:

https://www.2carpros.com/articles/throttle-actuator-service

and

https://www.2carpros.com/articles/engine-misfires-or-runs-rough

Please run down these guides and report back.
Was this
answer
helpful?
Yes
No
Wednesday, December 9th, 2020 AT 3:31 PM (Merged)
Tiny
DIANA COOL
  • MEMBER
  • 1 POST
  • 1992 BUICK PARK AVENUE
  • 3.8L
  • 6 CYL
  • TURBO
  • 2WD
  • AUTOMATIC
  • 215,000 MILES
Runs good on flat ground, but on a hill has no power, misses and has a whining sound.
Was this
answer
helpful?
Yes
No
Wednesday, December 9th, 2020 AT 3:32 PM (Merged)
Tiny
ASEMASTER6371
  • MECHANIC
  • 52,796 POSTS
Good morning,

Sounds like you have a clogged exhaust from a clogged catalytic converter.

https://www.2carpros.com/articles/how-to-test-a-catalytic-converter

I would have a back pressure test done to confirm.

https://www.2carpros.com/articles/engine-has-low-power-output

Installed in the exhaust pipe between the exhaust manifold and muffler, under the vehicle.

Roy
Was this
answer
helpful?
Yes
No
Wednesday, December 9th, 2020 AT 3:32 PM (Merged)
Tiny
2CP-ARCHIVES
  • MEMBER
  • 4,540 POSTS
  • 1992 BUICK PARK AVENUE
  • 6 CYL
  • 2WD
  • AUTOMATIC
  • 143,000 MILES
1992 Buick Park Ave ultra 3.8l super charged mileage: 143,000. Easy highway miles, car drives like new except: Only when engine fully warm, at highway speeds, motor bogs down when I step on the gas. Instead of a downshift and power surge, the tachometer indicates slower rpm, and the engine decelerates the car. If I keep my foot on the gas, I hear a clanking from the engine. The only way to resume acceleration (or just maintain speed) is to let off the gas and or downshift manually. Just put in new plugs, fuel filter, air filter (all were in bad shape). But problem persists. When problem is really bad, it will even happen if I rev the engine in neutral (while rolling down the highway at 60 mph). No mechanics can identify the problem (supercharger?), And this car is too good to let go of. Please help. Thanks.
Was this
answer
helpful?
Yes
No
Wednesday, December 9th, 2020 AT 3:32 PM (Merged)
Tiny
2CP-ARCHIVES
  • MEMBER
  • 4,540 POSTS
Check the catalytic converter to make sure it is not “plugged” or restricted. Your car is equipped with a computer controlled engine management system. An independent auto service center can scan your computer for fault or error codes. The information should pinpoint the mal functioning components.
Was this
answer
helpful?
Yes
No
Wednesday, December 9th, 2020 AT 3:32 PM (Merged)
Tiny
JOHN KEFALAS
  • MEMBER
  • 1 POST
  • 1991 BUICK PARK AVENUE
Engine Performance problem
1991 Buick Park Avenue 6 cyl Automatic

Driving normal on a three lane street when all of a sudden the car began to accelerate, without my doing it. It got so bad I almost burned out my brakes trying to stop before running into back of another car. I pulled into a station, stopped the car, lifted the hood, moved the accelerator link a few times, got back in the car and had no problem since. What could have happened, could it happen again?
Was this
answer
helpful?
Yes
No
Wednesday, December 9th, 2020 AT 3:32 PM (Merged)
Tiny
LEGITIMATE007
  • MECHANIC
  • 5,121 POSTS
You have to check/replace throttle position sensor. But first you must clean your throttle plate and linkage, it could be sticking. The throttle position sensor is last resort. Your throttle plate and linkage just may be sticking
Was this
answer
helpful?
Yes
No
Wednesday, December 9th, 2020 AT 3:32 PM (Merged)
Tiny
ASHELY
  • MEMBER
  • 1 POST
  • 1991 BUICK PARK AVENUE
  • 3.8L
  • 6 CYL
  • 2WD
  • AUTOMATIC
  • 89,899 MILES
After changing the coil, the battery, and the alternator my car does a little better, but it still has this problem of random stalling, slow acceleration no matter how hard I push the gas, and loss of engine power. And it idles high with putting until it finally shuts off.
Was this
answer
helpful?
Yes
No
Wednesday, December 9th, 2020 AT 3:32 PM (Merged)
Tiny
ASEMASTER6371
  • MECHANIC
  • 52,796 POSTS
Good morning.

The first thing I would do is check the fuel pressure to be sure sufficient pressure is delivered to the injectors. You can rent a tester at a parts store to verify.

The other thing is a clogged catalytic converter. It would restrict the exhaust flow and you would experience low power and erratic running.

Roy
Was this
answer
helpful?
Yes
No
Wednesday, December 9th, 2020 AT 3:32 PM (Merged)

Please login or register to post a reply.