Fuel pump relay location?

Tiny
BLACKOP555
  • MECHANIC
  • 10,386 POSTS
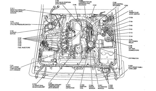
Your fuel pump relay should be located on the air cleaner box on the side up near the mess of wires on driver side of the engine this guide will help test it with the location of the relay in the diagrams below.

https://www.2carpros.com/articles/how-to-check-an-electrical-relay-and-wiring-control-circuit

Check out the diagrams (Below). Please let us know what happens.

Was this
answer
helpful?
Yes
No
Saturday, May 29th, 2021 AT 11:04 AM (Merged)
Tiny
KISER32
  • MEMBER
  • 1 POST
  • 1992 FORD F-150
  • 6 CYL
  • 4WD
  • MANUAL
I need the location for the fuel pump relay
Was this
answer
helpful?
Yes
No
+3
Saturday, May 29th, 2021 AT 11:04 AM (Merged)
Tiny
JDL
  • MECHANIC
  • 16,098 POSTS
Hello,

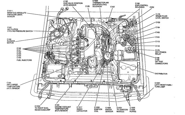
The fuel pump relay is in the engine compartment fuse panel. Here is a guide to help test it and the location of the relay below.

https://www.2carpros.com/articles/how-to-check-an-electrical-relay-and-wiring-control-circuit

Check out the diagrams (Below). Please let us know if you need anything else to get the problem fixed.
Was this
answer
helpful?
Yes
No
+5
Saturday, May 29th, 2021 AT 11:04 AM (Merged)
Tiny
SEVENOF7
  • MEMBER
  • 8 POSTS
  • 1990 FORD F-150
  • V8
  • 4WD
  • MANUAL
  • 140,215 MILES
Fuel was staying on, changed relay now it will not run at all?
Was this
answer
helpful?
Yes
No
Saturday, May 29th, 2021 AT 11:04 AM (Merged)
Tiny
JACOBANDNICKOLAS
  • MECHANIC
  • 110,192 POSTS
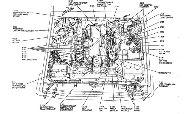
Have you tried replacing the relay again? The pump may be going bad and burning up the relay. This guide can help with the fuel pump relay in the diagrams below.

https://www.2carpros.com/articles/how-to-check-an-electrical-relay-and-wiring-control-circuit

LH Side Of Engine Compartment, On Relay Bracket. Fuel pump relay is next to the EEC Relay. Check out the diagrams (Below). Please let us know what happens.
Was this
answer
helpful?
Yes
No
Saturday, May 29th, 2021 AT 11:04 AM (Merged)
Tiny
KEVIN HAMMOND
  • MEMBER
  • 1 POST
  • 1989 FORD F-150
  • 4.9L
  • 6 CYL
  • 2WD
  • MANUAL
Hello I have an 89 f150 with a 4.9 it quite on me yesterday so fare I have found that the fuel pump is not coming on so I checked the fuel pump relay by jumping it with a wire and can hear the pump come on but the truck will not start but with the relay in place I don't hear the pump come on. I checked to see if the truck is getting spark and its not so can some one please give me some other ideas as to what it might be I'm all out of ideas myself. Thanks
Was this
answer
helpful?
Yes
No
Saturday, May 29th, 2021 AT 11:04 AM (Merged)
Tiny
CARADIODOC
  • MECHANIC
  • 34,449 POSTS
LH Side Of Engine Compartment, On Relay Bracket. Fuel pump relay is next to the EEC Relay. Check out the diagrams (Below). Please let us know what happens.

Excellent. Too many people get hung up on the first thing they find missing, but you thought to check further for spark.

The Engine Computer turns on the fuel pump relay when it receives sensor signals that also tell it when to fire injectors and ignition coils. The common suspect is the pickup coil inside the distributor but also consider the ignition module on the side of the distributor.
Was this
answer
helpful?
Yes
No
Saturday, May 29th, 2021 AT 11:04 AM (Merged)
Tiny
88FORD
  • MEMBER
  • 1 POST
  • 1988 FORD F-150
  • 6 CYL
  • 4WD
  • MANUAL
  • 110,000 MILES
Hi, on my 88 ford I am looking for resons why the fuel pump was not working and I was going to go ahead and change my fuel pump relay and there are two relays right buy the eec relay. One I belive should be the fuel pump relay but im am not sure. So are there two relays (only 1 tank)
Was this
answer
helpful?
Yes
No
Saturday, May 29th, 2021 AT 11:04 AM (Merged)
Tiny
RASMATAZ
  • MECHANIC
  • 75,992 POSTS


https://www.2carpros.com/forum/automotive_pictures/12900_fp_relay_7.jpg

Was this
answer
helpful?
Yes
No
+6
Saturday, May 29th, 2021 AT 11:04 AM (Merged)
Tiny
CAHUGHS
  • MEMBER
  • 1 POST
  • 1988 FORD F-150
Can you give me the location of the fuel pump relay for a 1988 Ford F150 with a 302 v8 w/ manual transmission? All other posts I've found for this type of vehicle and the repair guide I have, which covers many model years, indicate that it's in the main fuse block under the hood (left fender). Mine has no such fuse block under the hood. Any suggestions?
Was this
answer
helpful?
Yes
No
Saturday, May 29th, 2021 AT 11:04 AM (Merged)
Tiny
INDYUKE
  • MECHANIC
  • 416 POSTS
Right next to the intake airbox. It just looks like a plastic bar. You need to reach under and grab the relay and pull it down and out, then unplug it. Sometimes they're labeled.
Was this
answer
helpful?
Yes
No
+12
Saturday, May 29th, 2021 AT 11:04 AM (Merged)
Tiny
RUSHOOK
  • MEMBER
  • 1 POST
Is it labeled EEC
Was this
answer
helpful?
Yes
No
+4
Saturday, May 29th, 2021 AT 11:04 AM (Merged)

Please login or register to post a reply.