Transmission shifting problems?

Tiny
CONCEPT81
  • MEMBER
  • 1999 FORD F-150
  • V8
  • 2WD
  • AUTOMATIC
  • 115,000 MILES
Two issues with my truck which may or may not be related. There's a hesitation while accelerating, especially when accelerating from stop at around 1100 rpm. Rpm will drop down a couple hundred and then go back up quickly, down, up, down, up, etc. Is much less noticeable at higher speeds. I'm also noticing a delay in shifting up and down, especially shifting from 3rd to 4th. It will stay in 3rd too long and then lunge into 4th gear.

Tranny fluid has been checked numerous times and is at proper level and good looking/smelling.
Monday, October 5th, 2009 AT 8:02 PM

60 Replies

Tiny
JACOBANDNICKOLAS
  • MECHANIC
  • 110,194 POSTS
Has the check engine light come on? Also, as far as the trans, it may be a shift solenoid. Let me know about the light. These guides can help

https://www.2carpros.com/articles/automatic-transmission-problems

and

https://www.2carpros.com/articles/checking-a-service-engine-soon-or-check-engine-light-on-or-flashing

Please run down these guides and report back.
Was this
answer
helpful?
Yes
No
-1
Wednesday, March 24th, 2021 AT 10:45 AM
Tiny
CONCEPT81
  • MEMBER
  • 3 POSTS
The check engine light has come on a few times but it always goes off within a day, usually within an hour or two. I took it to an auto parts store to get it read one time but it had cleared itself by the time I got there and they couldn't get any readings.
Was this
answer
helpful?
Yes
No
Wednesday, March 24th, 2021 AT 10:45 AM
Tiny
JACOBANDNICKOLAS
  • MECHANIC
  • 110,194 POSTS
Anything I say without a code is a guess. You need to get it scanned before the light goes out. However, I'm surprised the code wasn's stored in the computer.
Was this
answer
helpful?
Yes
No
-1
Wednesday, March 24th, 2021 AT 10:45 AM
Tiny
CONCEPT81
  • MEMBER
  • 3 POSTS
Guesses are welcome since the CEL rarely comes on (this problem has been ongoing for quite a few months).

Personally I've been leaning towards a faulty TPS and am considering replacing my whole throttle body.
Was this
answer
helpful?
Yes
No
-1
Wednesday, March 24th, 2021 AT 10:45 AM
Tiny
JACOBANDNICKOLAS
  • MECHANIC
  • 110,194 POSTS
I would say the TPS. But I hate to see you spend money and not be right.
Was this
answer
helpful?
Yes
No
Wednesday, March 24th, 2021 AT 10:45 AM
Tiny
LONEWOLF9885
  • MEMBER
  • 1 POST
  • 1999 FORD F-150
  • 4.2L
  • 6 CYL
  • 2WD
  • AUTOMATIC
  • 30,000 MILES
It wont shift into overdrive I can push the button on the gearshift to take it out of overdrive and it will go but at a high rpm and if I don't push the button and leave it to normally shift it quits pulling
Was this
answer
helpful?
Yes
No
Wednesday, March 24th, 2021 AT 1:44 PM (Merged)
Tiny
KNOWLEDGE IS POWER
  • MECHANIC
  • 1,136 POSTS
It sounds like you have a computer control issue. If you can manually make it downshift and upshift by operating the button on the lever then the computer is not seeing a need to downshift from overdrive into drive. Check your fluid for darkness or a burnt smell and if it is have the transmission serviced first
Was this
answer
helpful?
Yes
No
+1
Wednesday, March 24th, 2021 AT 1:45 PM (Merged)
Tiny
FORDNASCAR98
  • MEMBER
  • 1 POST
  • 1998 FORD F-150
  • 4.6L
  • V8
  • 2WD
  • AUTOMATIC
  • 80,000 MILES
I have had the automatic transmission solenoids all replaced because of a P1747 code now I’m getting a P0755 code. And won’t shift into 3rd or 4th. Could it be a bad shift solenoid or wire harness? The truck was in Oklahoma and now it’s in Arizona. Could wires be bad from the road salt?
Was this
answer
helpful?
Yes
No
Wednesday, March 24th, 2021 AT 1:45 PM (Merged)
Tiny
KASEKENNY
  • MECHANIC
  • 18,907 POSTS
Yes. This could either so the only way to know is to run through this testing. It is unlikely that you got a faulty part but the fact that you have a new code after you replaced it, I would just go ahead and see if they would warranty the solenoid. As long as you bought it from a parts store they should take it back with no issues.

Otherwise we need to go through this testing and find out what the issue is.
Was this
answer
helpful?
Yes
No
+1
Wednesday, March 24th, 2021 AT 1:45 PM (Merged)
Tiny
ASEMASTER6371
  • MECHANIC
  • 52,796 POSTS
Good evening,

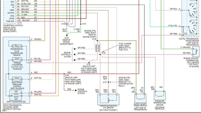
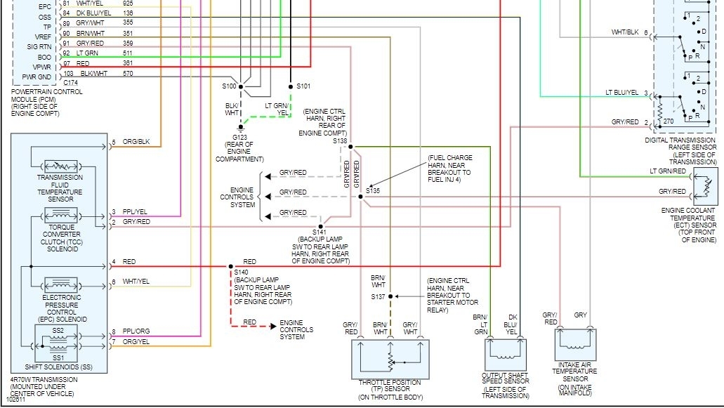
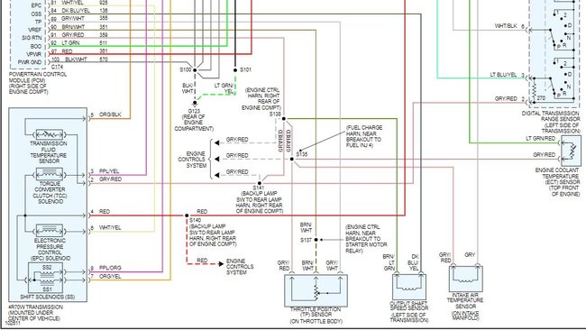
I attached a wiring diagram for you to view.

https://www.2carpros.com/articles/how-to-check-wiring

Verify power to the solenoid in the flow chart that was posted to be sure there is power for it to work.

https://www.2carpros.com/articles/automatic-transmission-problems

Roy
Was this
answer
helpful?
Yes
No
+1
Wednesday, March 24th, 2021 AT 1:45 PM (Merged)
Tiny
JADEN MCFADDEN
  • MEMBER
  • 3 POSTS
  • 1998 FORD F-150
  • 4.6L
  • V8
  • RWD
  • AUTOMATIC
  • 156,000 MILES
Originally I thought the transmission was slipping but have added a re-conditioner to my fluid and it certainly is not slipping, Peels rubber and never misses a beat. I am unsure if the torque converter is bad or if it could be a modulator valve. When the transmission fluid is cold it does not like to shift out of first gear, I can manually shift it out and it will cycle through all the other gears just fine. Kind of sounds low when in fifth but it is okay. If I take off fast without giving the transmission time to "think" something squeals/ screeches behind the dash, or at least it sounds like it is behind the dash. All in all it seems like it just shifts high coming out of first gear. Oh and sometimes the transmission shudders which I have heard is the torque converter. Any expert advice?
Was this
answer
helpful?
Yes
No
-1
Wednesday, March 24th, 2021 AT 1:45 PM (Merged)
Tiny
CARADIODOC
  • MECHANIC
  • 34,489 POSTS
A shuddering torque converter is usually caused by using the wrong transmission fluid that does not have enough of a specific additive. To verify that, first be aware the shudder usually only occurs during initial lockup, although my daily driver does it continually, once warmed up, at around 35 mph. You will not feel the shudder below about 30 mph, not unless the transmission is in the highest gears, and not until the engine is warmed up. You should also not feel it at speeds higher than about 50 mph.

When you feel the shudder, hold the accelerator pedal perfectly steady, then lightly tap the brake pedal with your left foot. Doing that initiates an unlock and the shudder will stop for two or three seconds.

A failing torque converter can cause the same symptom, but it is very much less common than using the wrong fluid. A failing torque converter will typically cause shuddering at higher speeds too.
Was this
answer
helpful?
Yes
No
-1
Wednesday, March 24th, 2021 AT 1:45 PM (Merged)
Tiny
JADEN MCFADDEN
  • MEMBER
  • 3 POSTS
As for the rest of the symptoms?
Was this
answer
helpful?
Yes
No
Wednesday, March 24th, 2021 AT 1:45 PM (Merged)
Tiny
JADEN MCFADDEN
  • MEMBER
  • 3 POSTS
It shudders whenever there is a load. Like going up hills and such, sometimes while going through the gears.
Was this
answer
helpful?
Yes
No
Wednesday, March 24th, 2021 AT 1:45 PM (Merged)
Tiny
CARADIODOC
  • MECHANIC
  • 34,489 POSTS
I have never heard of the wrong fluid type causing the shift timing problem, or failure to shift. Your transmission doesn't use a modulator valve. It is computer-controlled. There is really very little you can do unless you have access to a scanner. The place to start is by reading and recording any diagnostic fault codes. If you find any that are related to the range sensor, (formerly the neutral safety switch), those must be addressed first. Incorrect readings from that sensor will cause the computer to be confused and will likely prevent proper operation. Once the range sensor is verified to be working properly, if the shifting problem is still there, you need the scanner to perform tests on the shift solenoids. That can tell you right away if there is an electrical problem, as in a cut wire or corroded connector terminal. That will also tell you during a test drive if there is a mechanical problem associated with one of the solenoids. That would be seen by the a change in which solenoids are being commanded on but no gear change occurs.

Given the intermittent nature of the problem, you might want to inspect the connector terminals for the range switch first. It is located by the shift lever on the side of the transmission.
Was this
answer
helpful?
Yes
No
+3
Wednesday, March 24th, 2021 AT 1:45 PM (Merged)
Tiny
BOSSHOG9999
  • MEMBER
  • 2 POSTS
  • 1997 FORD F-150
I noticed it takes longer to shift into 3rd when its warm and now my OD light flashes at times.
Was this
answer
helpful?
Yes
No
Wednesday, March 24th, 2021 AT 1:45 PM (Merged)
Tiny
JACOBANDNICKOLAS
  • MECHANIC
  • 110,194 POSTS
It could be just a shift solenoid, but if the OD light is flashing, you need to have the computer scanned. There will be a code that identifies where the problem is coming from.

Let me know what you find.
Joe
Was this
answer
helpful?
Yes
No
Wednesday, March 24th, 2021 AT 1:45 PM (Merged)
Tiny
BOSSHOG9999
  • MEMBER
  • 2 POSTS
Thanks for the reply back as I stated, I took it to amco and they said its internal and they would have to pull the Tran and that would require them to replace parts along the way. They gave me a quote of around 2100.00 to 2500.00 to start and were not sure what the problem is.
Was this
answer
helpful?
Yes
No
Wednesday, March 24th, 2021 AT 1:45 PM (Merged)
Tiny
JACOBANDNICKOLAS
  • MECHANIC
  • 110,194 POSTS
Isn't that interesting how they can quote a price and not know what is wrong with it. Let me know what you find.
Was this
answer
helpful?
Yes
No
+1
Wednesday, March 24th, 2021 AT 1:45 PM (Merged)
Tiny
LAURASCHALLER
  • MEMBER
  • 1 POST
  • 1997 FORD F-150
  • 6 CYL
  • 4WD
  • AUTOMATIC
  • 72,000 MILES
I just had to replace the heater core in this truck (wow what a job). But at the end of job I wound up with an extra part. The "Transmission Shift Relay". I cannot find where it hooks up. Could you please help? Thanks so much.
Was this
answer
helpful?
Yes
No
Wednesday, March 24th, 2021 AT 1:45 PM (Merged)

Please login or register to post a reply.