Headlights not working and dash lights go dim

Tiny
KEWL KUSTOMZ
  • MEMBER
  • 2005 CHEVROLET MONTE CARLO
  • 159,308 MILES
Dash lights fade after ignition is turned on and headlights will not work. What should I check and what relay or fuse?
Tuesday, April 23rd, 2013 AT 4:47 PM

31 Replies

Tiny
CADIEMAN
  • MECHANIC
  • 3,544 POSTS
Take it to the parts store and have the alternator checked for maximum output. The
Was this
answer
helpful?
Yes
No
Tuesday, April 23rd, 2013 AT 5:33 PM
Tiny
JACOBANDNICKOLAS
  • MECHANIC
  • 110,192 POSTS
Hi,

The idea that the lights fade is likely the result of a weak battery. That is the first thing I would check.

First, make sure the battery terminals are clean and tight. Here is a link to help:

https://www.2carpros.com/articles/everything-goes-dead-when-engine-is-cranked

Next, I would recommend doing a simple load test on the battery. Here is a link that explains how that is done:

https://www.2carpros.com/articles/car-battery-load-test

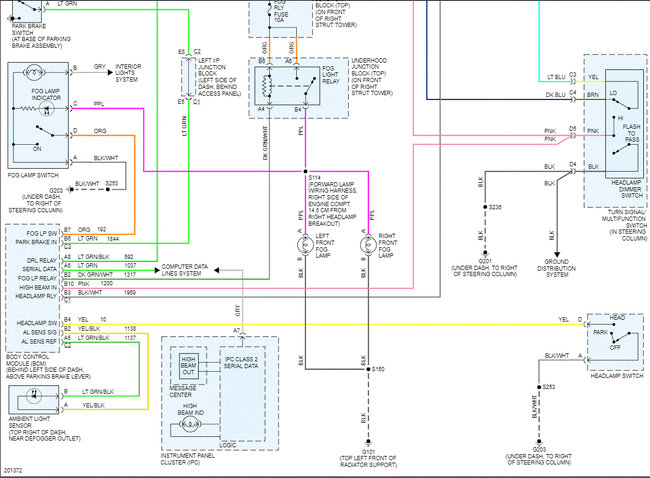
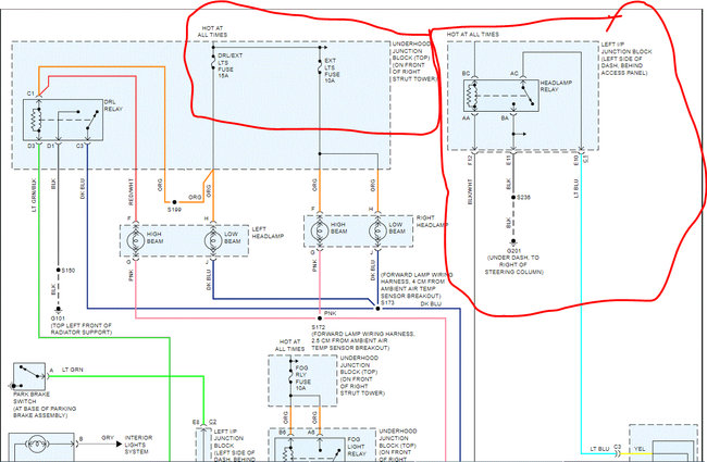
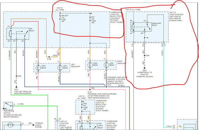
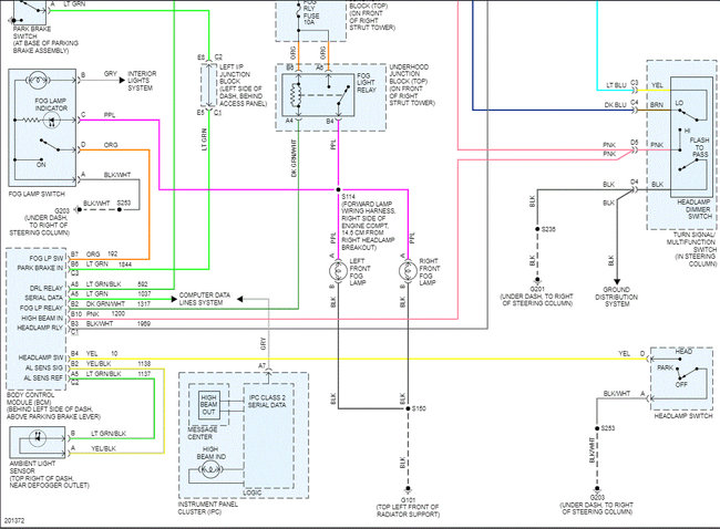
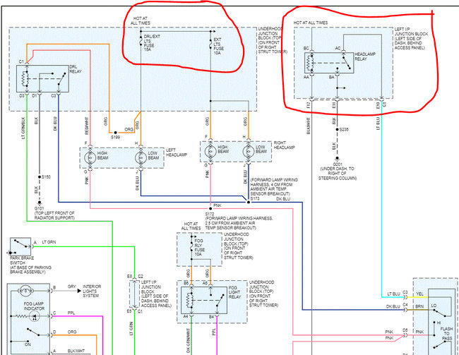
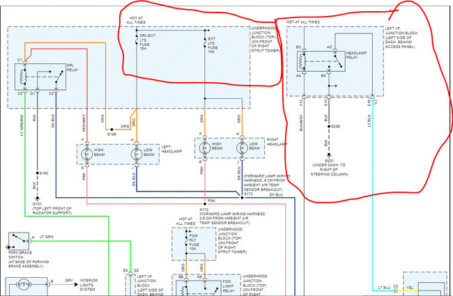
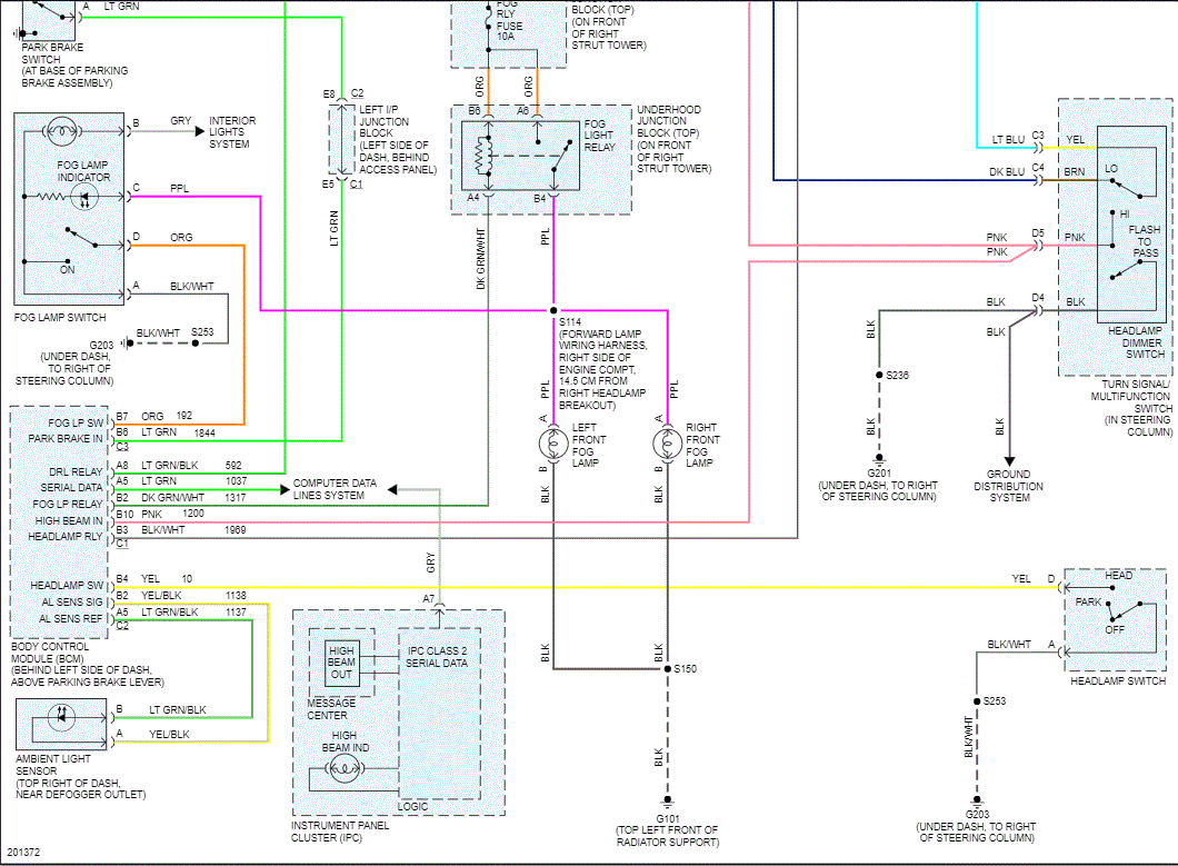
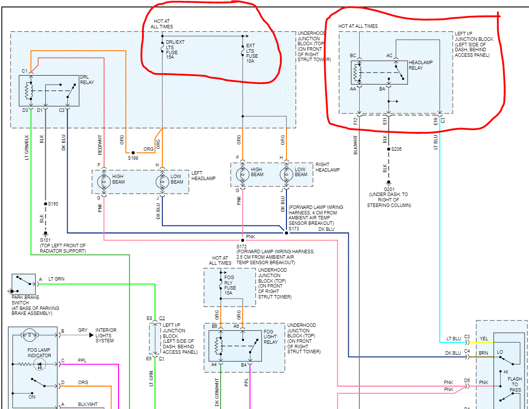
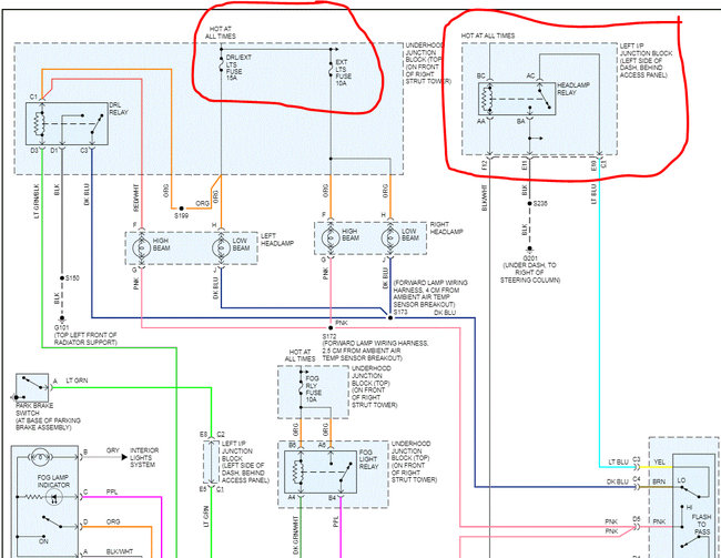
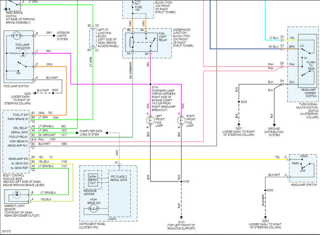
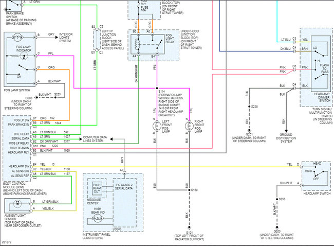
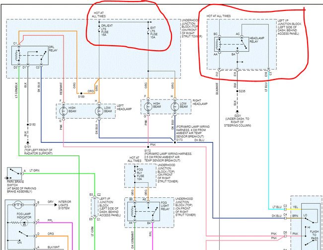
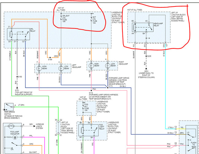
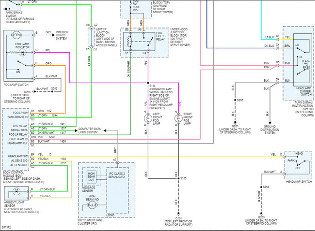
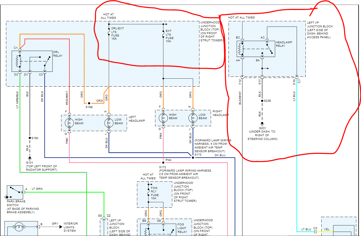
I also attached two pics below that show the electrical schematic related to the headlamps. I circled two fuses and a headlamp relay that should be checked as well. When checking the fuses, make sure there is power to them as well as just checking the fuse. Note that the two pics are from one page. I cut them in half to make it easy to follow. I did overlap them so you can see where they come together.

Here are two links you may find helpful when testing the relay and fuses:

https://www.2carpros.com/articles/how-to-check-a-car-fuse

https://www.2carpros.com/articles/how-to-check-an-electrical-relay-and-wiring-control-circuit

Let me know if you have other questions or need help.

Take care,
Joe
Was this
answer
helpful?
Yes
No
Friday, April 24th, 2020 AT 7:56 PM
Tiny
SOOKIEJ08
  • MEMBER
  • 1 POST
  • 2005 CHEVROLET MONTE CARLO
  • 0.6L
  • V6
  • 2WD
  • 100,395 MILES
The car listed above is a six cylinder, front wheel drive, automatic.

I am having problems with my headlights. The other night they were working perfectly. I parked the car and shut it off. When I went to start it up the lights didn't turn on as they usually do. When I manually attempted to pull the switch so that the lights would come on, nothing happened. The only way for the headlamps to come on is the pull the lever on the steering column in which the high beams came on, however would not stay on. All other light work, fog, interior, turn signals, brakes, etc. Just not the high/low beams. And this vehicle does have a day/night sensor that automatically turns on the lights.

I've checked my fuses, relays, bulbs, connections, and other common problems. The last thing I think it could be would be the light switch on the steering column. Any feedback/troubleshooting would be a great help.
Was this
answer
helpful?
Yes
No
Thursday, June 18th, 2020 AT 1:27 PM (Merged)
Tiny
JACOBANDNICKOLAS
  • MECHANIC
  • 110,192 POSTS
Most likely the switch itself is bad.
Was this
answer
helpful?
Yes
No
-1
Thursday, June 18th, 2020 AT 1:27 PM (Merged)
Tiny
CADIEMAN
  • MECHANIC
  • 3,544 POSTS
Make sure you are getting voltage to the high and low beams at the headlamp bulbs. Use a test light or meter before u replace anything! You may have 2 bad bulbs only!
Was this
answer
helpful?
Yes
No
+1
Thursday, June 18th, 2020 AT 1:27 PM (Merged)
Tiny
JACOBANDNICKOLAS
  • MECHANIC
  • 110,192 POSTS
Hi,

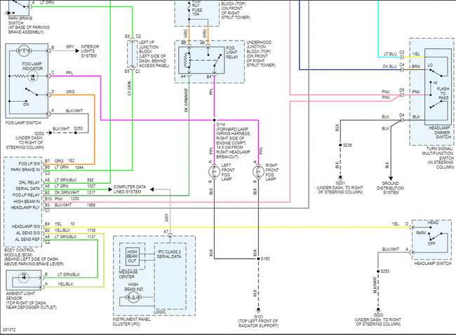
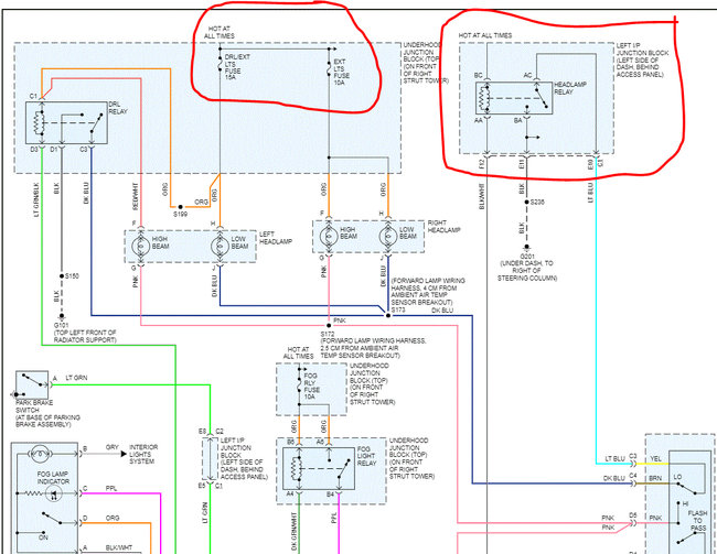
If they aren't working at all, we need to start by checking fuses and the headlight relay. I attached a portion of the wiring schematic. I suggest checking the fuses indicated and the relay. In addition to checking the fuses, confirm there is power to them.

Here are a few links you may find helpful:

https://www.2carpros.com/articles/how-a-car-fuse-works

https://www.2carpros.com/articles/how-to-check-a-car-fuse

https://www.2carpros.com/articles/how-to-use-a-test-light-circuit-tester

https://www.2carpros.com/articles/how-to-use-a-voltmeter

https://www.2carpros.com/articles/how-to-check-wiring

Here is a link that explains how to test a relay as well:

https://www.2carpros.com/articles/how-to-check-an-electrical-relay-and-wiring-control-circuit

Let me know what you find. If you have other questions, let me know as well.

Take care,
Joe
Was this
answer
helpful?
Yes
No
+1
Thursday, June 18th, 2020 AT 1:27 PM (Merged)
Tiny
PRECIOUS DOUGLAS
  • MEMBER
  • 3 POSTS
  • 2004 CHEVROLET MONTE CARLO
  • 3.8L
  • V6
  • TURBO
  • FWD
  • AUTOMATIC
  • 129,766 MILES
My headlights wont come on all others do turn signals won't work pull the hi beam lever they come on but go off as soon as you let go of lever. Used my scanner and there was no codes.
Was this
answer
helpful?
Yes
No
Thursday, June 18th, 2020 AT 1:27 PM (Merged)
Tiny
CAR-MAN145
  • MECHANIC
  • 321 POSTS
Replace one of the bulbs to see if they are bad. Maybe both headlight bulb are bad.
Was this
answer
helpful?
Yes
No
Thursday, June 18th, 2020 AT 1:27 PM (Merged)
Tiny
PRECIOUS DOUGLAS
  • MEMBER
  • 3 POSTS
I have checked both and there good any other ideals
Was this
answer
helpful?
Yes
No
+1
Thursday, June 18th, 2020 AT 1:27 PM (Merged)
Tiny
MIKE H R
  • MECHANIC
  • 3,094 POSTS
There should be two relays one for each headlight in the fuse box under the hood. Check to make sure they work. You can try another one in the fuse box as long as it mthe same number. Most chevy's use the same relay. Also check the wiring connection on each headlight to make sure it is getting good contact.
Was this
answer
helpful?
Yes
No
+1
Thursday, June 18th, 2020 AT 1:27 PM (Merged)
Tiny
PRECIOUS DOUGLAS
  • MEMBER
  • 3 POSTS
I checked all of connections they good but however I was able to run a ( (GROUND) not a (HOT WIRE) and the lights came on but only the (L/BEAMS)not the(H/BEAMS) and the (turn signals) STILL don't work but the (HAZARD LIGHTS) work. I was told it could be the (B.C.M) body control module.
I WILL WAIT for your response now thank you
Was this
answer
helpful?
Yes
No
Thursday, June 18th, 2020 AT 1:27 PM (Merged)
Tiny
MIKE H R
  • MECHANIC
  • 3,094 POSTS
The headlights work on a system of there own, that way you don't go down the road and the headlights don't go off unexpectially. You say you hooked up a ground. There is one that grounds to the engine and one that goes from the engine to the frame. Check them both out. You can just run a piece of wire from the ground on the body or head light to the body and one to the engine. Check the fuses under the hood to see if they all are in good shape.
Was this
answer
helpful?
Yes
No
-1
Thursday, June 18th, 2020 AT 1:27 PM (Merged)
Tiny
SONGMAN8
  • MEMBER
  • 1 POST
  • 2003 CHEVROLET MONTE CARLO
  • 6 CYL
  • FWD
  • AUTOMATIC
  • 70,000 MILES
The turn signals work part of the time now the headlights don't work now.
Was this
answer
helpful?
Yes
No
Thursday, June 18th, 2020 AT 1:28 PM (Merged)
Tiny
RENAUDTN
  • MECHANIC
  • 636 POSTS
Hello,

Turn signal: possibly a bad flasher unit (hazard switch with the big red triangle).
Headlights: possibly a bad relay/fuse, or a bad headlight switch (do your dash lights come on when you turn on your headlight?).
Was this
answer
helpful?
Yes
No
Thursday, June 18th, 2020 AT 1:28 PM (Merged)
Tiny
GUMBYGIRL
  • MEMBER
  • 2 POSTS
  • 2001 CHEVROLET MONTE CARLO
  • 6 CYL
  • FWD
  • AUTOMATIC
  • 17,000 MILES
My headlights do not come on when I pull the switch out. I have parking lights and fog lights but no headlights. If I put the high beams on they work. What could this be?
Was this
answer
helpful?
Yes
No
Thursday, June 18th, 2020 AT 1:28 PM (Merged)
Tiny
BLUELIGHTNIN6
  • MECHANIC
  • 16,542 POSTS
Check for faulty headlamp relay, on top side of left instrument panel fuse block. Also make sure the bulbs and fuses are good.
Was this
answer
helpful?
Yes
No
Thursday, June 18th, 2020 AT 1:28 PM (Merged)
Tiny
HILLRE
  • MEMBER
  • 12 POSTS
  • 2000 CHEVROLET MONTE CARLO
Electrical problem
2000 Chevy Monte Carlo 6 cyl Front Wheel Drive Automatic

My high beams lamps aren't working properly when I pull the lever to turn them on. I can see the high beam icon in the instrument panel and I can see the high beam lamps come on, but they do not remain on after I release the lever. Do this mean the lever is bad or what? Are these difficult to replace? Are they expensive? This vehicle only has 78,000 miles on it.

Thanks
Was this
answer
helpful?
Yes
No
Thursday, June 18th, 2020 AT 1:28 PM (Merged)
Tiny
RHALL77
  • MECHANIC
  • 3,361 POSTS
Sounds like you need a dimmer switch. Have a professional do it, there is a possibility that you may blow the air bag when you replace unless you know what your doing
Was this
answer
helpful?
Yes
No
-1
Thursday, June 18th, 2020 AT 1:28 PM (Merged)
Tiny
JODIKILCREASE
  • MEMBER
  • 2 POSTS
  • 1999 CHEVROLET MONTE CARLO
  • 3.8L
  • 6 CYL
  • FWD
  • AUTOMATIC
  • 130,000 MILES
Replaced heads and get in to start. Starts up many many times no problem. Get in a few days later to finish up and tie up loose ends and try to start. No power anywhere except check engine light and information center with mpg. Info on roof is the only thing that is working in whole car. No headlights no dash lights no power anywhere except cell and info center. Any ideas? I am going to get a netspend card so I can give some money for your help.
Was this
answer
helpful?
Yes
No
Thursday, June 18th, 2020 AT 1:28 PM (Merged)
Tiny
KNOWLEDGE IS POWER
  • MECHANIC
  • 1,136 POSTS
Interesting problem. Id start with battery voltage. Then if that's ok, look at the side terminal battery cables. Take the black and red rubber boots back off the cable ends as they can be multi layered and build up corrosion between the layers. Also check for wire damage in the air box behind the air filter. Rodents LOVE to get in there and chew on all the little wires. If that's all good turn the key on and start wiggling wires watching for signs of life as you go.
Was this
answer
helpful?
Yes
No
Thursday, June 18th, 2020 AT 1:28 PM (Merged)

Please login or register to post a reply.