Intermittent crank, no start

Tiny
DOUG_IRE
  • MEMBER
  • 1998 OLDSMOBILE INTRIGUE
  • 3.8L
  • V6
  • 2WD
  • AUTOMATIC
  • 130,000 MILES
This seems to happen intermittently, and makes my wife uneasy every time she leaves the driveway. Car listed above is a GLS model. Bought December 2014 with 110,000 miles, November 2020, 130,000 miles. I have recently replaced:
TPS, ACDelco Iridium spark plugs and wires, ignition switch (electrical half), water pump, new new gas cap, new gas tank, new pump, and strainer, fuel filter (was extremely dirty), brake lines, front control arms, sway bar end links, new tires.

Two things it does since about a month after we bought the car is the yellow passenger driving light in the headlight continuously blows the bulb after 5 minutes. Second the windshield wiper will jump into the ready position only when sitting in park at idle, then it will return to the off position without touching anything.

Present condition

There was no indication of a problem the last time it started about a week ago. My wife went to go get provisions and it cranked over normal, sounded like it wanted to start (cough) but wouldn't fire.
I checked the wires with my old-school timing light they all showed spark, checked and cleaned plugs (they did look lightly blackened) depressed the valve under the fuel pressure regulator to make sure there was gas (shot out about 10 feet) made sure battery connections were tight. Checked for blown fuses. It has done this a few times where it would crank with no start then the next day it seemed fine and started right up. We are stranded out in the country until I can fix this. The open driveway is no place to do auto repair with a mobility issue.
Any help would be so much appreciated. Thank you in advance as I know we will fix this problem together.
Sunday, November 1st, 2020 AT 8:24 AM

44 Replies

Tiny
ASEMASTER6371
  • MECHANIC
  • 52,796 POSTS
Good morning,

Do you have a scan tool to check for any codes?

https://www.2carpros.com/articles/checking-a-service-engine-soon-or-check-engine-light-on-or-flashing

https://www.2carpros.com/articles/car-cranks-but-wont-start

I would try some starting fluid in the air filter and see if it starts and stalls. That will tell me if it is a fuel delivery issue.

https://www.2carpros.com/articles/how-to-check-fuel-system-pressure-and-regulator

https://www.2carpros.com/articles/how-to-test-a-fuel-injector

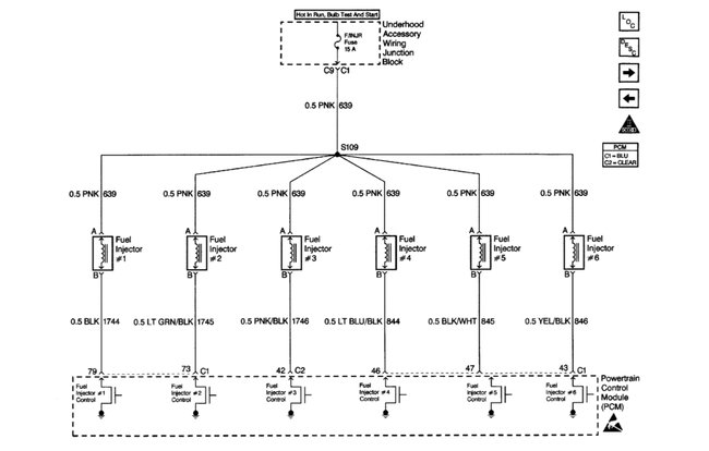
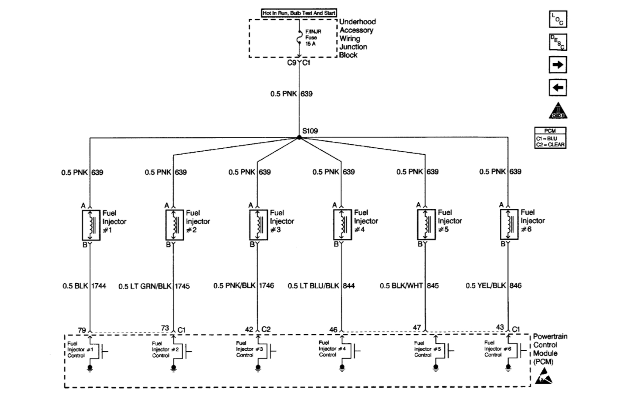
You can remove the connector for a fuel injector and out a test light in series and crank the engine. See if the light flashes. If it does, the ECM is commanding the injectors on. If it is not, then the ECM quad drivers may be no good.

I would also check the compression.

https://www.2carpros.com/articles/how-to-test-engine-compression

Roy

Service of the PCM should normally consist of either replacement of the PCM or EEPROM programming. If the diagnostic procedures call for PCM Replacement, check the PCM first to see if it is the correct part. If the PCM is faulty, remove it and install the new service PCM.
The new service PCM will not be programmed. You must program the new PCM. DTC P0602 indicates the EEPROM is not programmed or has malfunctioned.

Notice: In order to prevent possible electrostatic discharge damage to the PCM, do not touch the connector pins or soldered components on the circuit board.

Notice: Turn the ignition OFF when installing or removing the PCM connectors and disconnecting or reconnecting the power to the PCM (battery cable, PCM pigtail, PCM fuse, jumper cables, etc.) in order to prevent internal PCM damage.

Important: When replacing the production PCM with a service PCM (controller), it is important to transfer the broadcast code and production PCM number to the service PCM label. Do not record on PCM cover. This will allow positive identification of PCM parts throughout the service life of the vehicle.

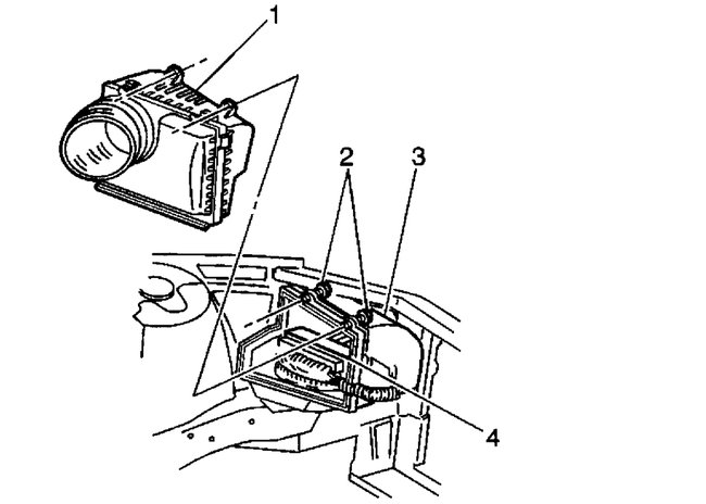
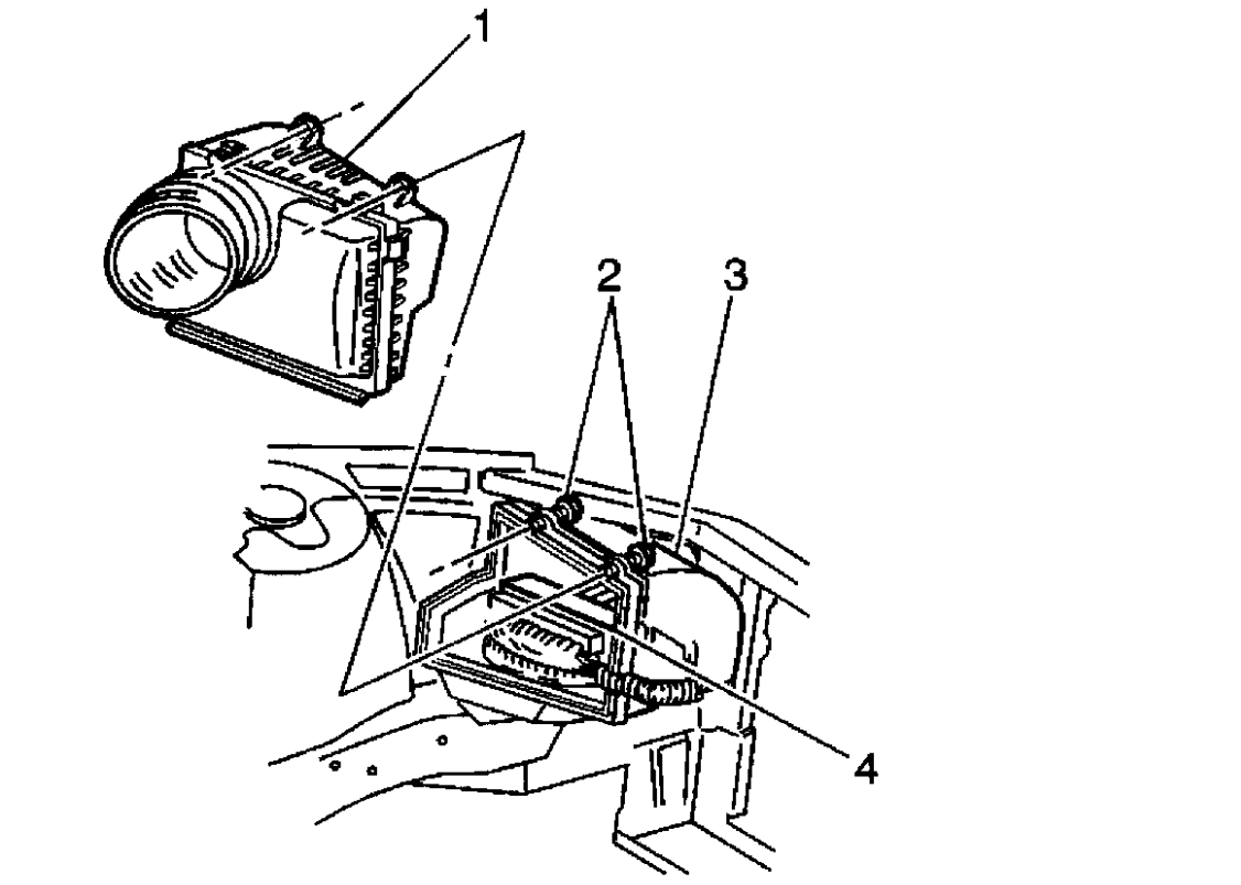
Removal Procedure
1. Disconnect the negative battery.
2. Disconnect the IAT sensor electrical connector.
3. Remove the 3 bolts from the inner fender brace and remove the brace.
4. Loosen the clamp securing the air intake duct to the air cleaner housing.
5. Carefully remove the air intake duct from the throttle body and air cleaner housing (1).
6. Remove the 2 screws (2) from the 2 air cleaner housing sections.
7. Remove the air cleaner housing cover assembly (1).
8. Without disconnecting the PCM connectors, remove the PCM and harness from the PCM housing.
9. Disconnect the PCM connectors.

Installation Procedure
1. Reconnect the PCM connectors.
2. Carefully reinstall the PCM and harness into the PCM housing (3).
3. Reinstall the air cleaner housing cover assembly (1).
4. Reinstall the 2 screws (2) from the 2 air cleaner housing sections.
5. Carefully reinstall the air intake duct to the throttle body and air cleaner housing (1).
6. Tighten the clamp securing the air intake duct to the air cleaner housing.
7. Position the inner fender brace and reinstall the 3 bolts.
Was this
answer
helpful?
Yes
No
Sunday, November 1st, 2020 AT 8:54 AM
Tiny
DOUG_IRE
  • MEMBER
  • 38 POSTS
The one thing I failed to mention was there were no codes, because I cleared it after taking care of a code (DTC) P0442 with a new gas cap. I don't think it's been driven enough to relearn.
Was this
answer
helpful?
Yes
No
Sunday, November 1st, 2020 AT 1:35 PM
Tiny
ASEMASTER6371
  • MECHANIC
  • 52,796 POSTS
Okay, there is no relearn. What is happening is the car will test the evap system and if it passes, the light will stay out.

https://www.2carpros.com/articles/how-emission-control-systems-work

If the repair was not successful, the light will return.

https://www.2carpros.com/articles/smog-test-inspection-information

I attached the flow chart for the code for you to review.

Let me know if you have any questions.

Roy

442

Circuit Description
The evaporative system includes the following components:
The fuel tank.
The Evaporative Emissions (EVAP) canister vent valve.
The fuel tank pressure sensor.
The fuel pipes and hoses.
The fuel cap.
The EVAP vapor lines.
The EVAP purge lines.
The evaporative emission canister.
The EVAP purge valve.
The evaporative leak detection diagnostic strategy is based on applying vacuum to the EVAP system and monitoring vacuum decay. The Powertrain Control Module (PCM) monitors vacuum level via the Fuel Tank Pressure sensor input. At an appropriate time, the EVAP purge valve and the EVAP canister vent valve are turned ON, allowing engine vacuum to draw a small vacuum on the entire evaporative emission system. After the desired vacuum level has been achieved, the EVAP purge valve is turned OFF, sealing the system. A leak is detected by monitoring for a decrease in vacuum level over a given time period, all other variables remaining constant. A small leak in the system will cause DTC P0442 to be set.

Conditions for Running the DTC
1. No Vehicle Speed Sensor (VSS), Throttle Position (TP), HO2S, Misfire, Intake Air Temperature (IAT), MAP, Fuel Trim, Injector circuit, Exhaust Gas Recirculation (EGR) Pintle Position, Engine Coolant Temperature (ECT), or Mass Air Flow (MAF) sensor DTC(s) set.
2. The DTC P0440 diagnostic test has passed.

Conditions for Setting the DTC
A vacuum decay condition indicating a small leak is detected during the diagnostic test.

Action Taken When the DTC Sets
The PCM will illuminate the Malfunction Indicator Lamp (MIL) during the first trip in which the diagnostic test has been run and failed.
The PCM will store conditions which were present when the DTC set as Freeze Frame and Fail Records data.

Important: Although these diagnostics are considered type A, they act like type B diagnostics under certain conditions. Whenever the EVAP diagnostics report that the system has passed, or if the battery has been disconnected, the diagnostic must fail during two consecutive cold start trips before setting a DTC. The initial failure is not reported to the diagnostic executive or displayed on a scan tool. A passing system always reports to the diagnostic executive immediately.

Conditions for Clearing the MIL/DTC
The PCM will turn the MIL OFF during the third consecutive trip in which the diagnostic has been run and passed.
The history DTC will clear after 40 consecutive warm-up cycles have occurred without a malfunction.
The DTC can be cleared by using the scan tool Clear Info function or by disconnecting the PCM battery feed.

Diagnostic Aids
Check for the following conditions:
Cracked or punctured EVAP canister.
Damaged source vacuum line, EVAP purge line, EVAP vent hose or fuel tank vapor line.
Poor connection at PCM.
Inspect harness connectors for backed out terminals, improper mating, broken locks, improperly formed or damaged terminals, and poor terminal to wire connection.
Damaged harness.
Inspect the wiring harness to the EVAP canister vent valve EVAP purge valve and the fuel tank pressure sensor for an intermittent open or short circuit.
Reviewing the Fail Records vehicle mileage since the diagnostic test last failed may help determine how often the condition that caused the DTC to be set occurs. This may assist in diagnosing the condition.

Test Description
Number(s) below refer to the step number(s) on the Diagnostic Table.
2. If a EVAP canister vent valve or EVAP purge valve electrical malfunction is present, the purge system will not operate correctly. Repairing the electrical malfunction will very likely correct the condition that set DTC P0442.
3. Checks the fuel tank pressure sensor at ambient pressure.
4. Verifies that the fuel tank pressure sensor accurately reflects EVAP system pressure changes.
Was this
answer
helpful?
Yes
No
Sunday, November 1st, 2020 AT 1:58 PM
Tiny
DOUG_IRE
  • MEMBER
  • 38 POSTS
The evap code would not make the car not start. I'm planning to do more work on it today and hopefully have some kind of result. I really don't have the funds to take it to a shop right now but it may be my only choice.
Was this
answer
helpful?
Yes
No
Sunday, November 1st, 2020 AT 11:28 PM
Tiny
ASEMASTER6371
  • MECHANIC
  • 52,796 POSTS
Okay, keep us updated.

Roy
Was this
answer
helpful?
Yes
No
Monday, November 2nd, 2020 AT 3:10 AM
Tiny
DOUG_IRE
  • MEMBER
  • 38 POSTS
Okay, now here's the kick in the head: Went out election day and the car started, very chuggy and I thought it was going to stall. Feathered the gas pedal and it cleared after a minute. After that it seemed like it had no problem at all. It does this about once every 3-4 months. Went out wed and today started and ran like nothing was wrong. Nice smooth idle. It does crank over what I think is a bit much before starting. Any thought on seafoam? Maybe something is sticking?
Was this
answer
helpful?
Yes
No
Thursday, November 5th, 2020 AT 4:36 PM
Tiny
DOUG_IRE
  • MEMBER
  • 38 POSTS
Again no codes.
Was this
answer
helpful?
Yes
No
Thursday, November 5th, 2020 AT 4:39 PM
Tiny
ASEMASTER6371
  • MECHANIC
  • 52,796 POSTS
Disconnect the EGR valve and see if it stumbles when starting. If it is partially open, it will give you a vacuum leak and it will run rough.

Roy
Was this
answer
helpful?
Yes
No
Thursday, November 5th, 2020 AT 4:46 PM
Tiny
DOUG_IRE
  • MEMBER
  • 38 POSTS
Update: I did an intake fog with seafoam then checked vacuum hoses. Yes Roy, I disconnected the EGR. It cranked and didn't start. Removed and cleaned EGR, then it started and ran beautiful. No stumbling. 2 days later (today) went to start it (reached in with the key), it barely started after winding over 5 or 6 times. Coughed, stumbled. I revved it up a few times and it cleared out ran fine.
Was this
answer
helpful?
Yes
No
Monday, November 30th, 2020 AT 12:29 PM
Tiny
ASEMASTER6371
  • MECHANIC
  • 52,796 POSTS
Okay, when you removed the EGR, was there carbon on the bottom holding the valve open?

Roy
Was this
answer
helpful?
Yes
No
Monday, November 30th, 2020 AT 12:40 PM
Tiny
DOUG_IRE
  • MEMBER
  • 38 POSTS
There was a carbon buildup and would stick when depressed.
Was this
answer
helpful?
Yes
No
Monday, November 30th, 2020 AT 1:20 PM
Tiny
ASEMASTER6371
  • MECHANIC
  • 52,796 POSTS
If that sticks open, it creates a massive vacuum leak which will cause the delayed start and the engine running rough.

Roy
Was this
answer
helpful?
Yes
No
Monday, November 30th, 2020 AT 1:23 PM
Tiny
DOUG_IRE
  • MEMBER
  • 38 POSTS
I cleaned and freed up the EGR. It does not stick now.
Was this
answer
helpful?
Yes
No
Monday, November 30th, 2020 AT 1:27 PM
Tiny
ASEMASTER6371
  • MECHANIC
  • 52,796 POSTS
Okay, do you still have the issue?

Roy
Was this
answer
helpful?
Yes
No
Monday, November 30th, 2020 AT 1:32 PM
Tiny
DOUG_IRE
  • MEMBER
  • 38 POSTS
Today I went to start it (reached in with the key), it barely started after winding over 5 or 6 times. Coughed, stumbled. I revved it up a few times and it cleared out ran fine. It did have a random misfire and is still having issues.
Was this
answer
helpful?
Yes
No
Monday, November 30th, 2020 AT 2:58 PM
Tiny
ASEMASTER6371
  • MECHANIC
  • 52,796 POSTS
Can you tell me the fuel pressure as I suggested?

Roy
Was this
answer
helpful?
Yes
No
Monday, November 30th, 2020 AT 3:01 PM
Tiny
DOUG_IRE
  • MEMBER
  • 38 POSTS
I rented the tool the last time it was doing this. I do not have the fuel pressure test gauge.
Was this
answer
helpful?
Yes
No
Monday, November 30th, 2020 AT 4:06 PM
Tiny
ASEMASTER6371
  • MECHANIC
  • 52,796 POSTS
Okay, let me know the results.

Roy
Was this
answer
helpful?
Yes
No
Monday, November 30th, 2020 AT 4:26 PM
Tiny
DOUG_IRE
  • MEMBER
  • 38 POSTS
Might be a while for that the other vehicle is down too.
Was this
answer
helpful?
Yes
No
Monday, November 30th, 2020 AT 6:18 PM
Tiny
ASEMASTER6371
  • MECHANIC
  • 52,796 POSTS
No problem. We will be here.

Roy
Was this
answer
helpful?
Yes
No
Tuesday, December 1st, 2020 AT 2:03 AM

Please login or register to post a reply.