Engine will not turn over? Bad starter?

Tiny
LUKELSL
  • MEMBER
  • 2001 HONDA CIVIC
  • 4 CYL
  • 200,000 MILES
Drove in to class today and when I came out it would not start. When I turned the switch nothing happened, lights came on including dash. When I turn the key there is one faint click but no attempt for the starter to turn over.

Battery terminals look good. Was wondering if this is a loose wire or if it is the coil?
Thursday, September 27th, 2018 AT 1:09 PM

50 Replies

Tiny
HARRY P
  • MECHANIC
  • 2,296 POSTS
Is this car a manual transmission? If so, I have seen where the clutch safety switch (located at the end of the clutch pedal) goes bad on Civics. When that switch goes, the car will not start. You can unplug it and use a piece of wire to jump the two terminals down there and the car will start. That is the first thing that I would check because it is really easy to do.

If it is an automatic, then try putting it in neutral and cranking it. If it starts then, then the problem is either that the shifter was not perfectly seated in 'P' or the range switch (aka: park/neutral switch) is out of adjustment or failing. Its job is to only let the car start in P or N.

If that does not solve the problem, then we get into checking to see that power is getting to the starter and so forth. Let us know.

These guides can help us fix it

https://www.2carpros.com/articles/starter-not-working-repair

and

https://www.2carpros.com/articles/car-battery-load-test

Please run down these guides and report back.

Also, it could just be a weak battery. Try getting a jump start:

https://www.2carpros.com/articles/how-to-jump-start-car-battery-using-jumper-cables
Was this
answer
helpful?
Yes
No
Thursday, September 27th, 2018 AT 2:51 PM
Tiny
TONYALLISON42
  • MEMBER
  • 1 POST
  • 2001 HONDA CIVIC
  • 4 CYL
  • FWD
  • AUTOMATIC
  • 200,000 MILES
When I get up in the morning to go to work the car cranks fine. After I get to work if I try to crank the car after I have turned it off it will not crank. It will turn over but will not crank. After I have worked my shift and leave to go home it will crank again but once I get home its the same it will not crank. I have checked the coolant levels and oil and they are fine. One other thing as I mm driving the temperature gauge goes up like normal but after like five minutes it drops back down to the cold notch.
Was this
answer
helpful?
Yes
No
Monday, January 4th, 2021 AT 11:33 AM (Merged)
Tiny
KEN L
  • MASTER CERTIFIED MECHANIC
  • 55,512 POSTS
It sounds like you have a starter motor that is going out when it gets hot which is a sign the starter is going bad. But to be sure please follow this guide which will show you how to use a test light and check the trigger signal at the starter to confirm the failure.

https://www.2carpros.com/articles/how-to-replace-a-starter-motor

and

https://www.2carpros.com/articles/how-a-starter-and-solenoid-works

Here is how to change the starter on your car (below):

Please let us know what happens.

Cheers, Ken
Was this
answer
helpful?
Yes
No
Monday, January 4th, 2021 AT 11:33 AM (Merged)
Tiny
DEWITT THORNTON
  • MEMBER
  • 1 POST
  • 2001 HONDA CIVIC
  • 80,000 MILES
I changed keys cause I lost my old ones. Now it won't crank. How to get it running again?
Was this
answer
helpful?
Yes
No
Monday, January 4th, 2021 AT 11:33 AM (Merged)
Tiny
STEVE W.
  • MECHANIC
  • 15,700 POSTS
Welcome to 2CarPros. Which parts did you change? Just had a locksmith cut new ones or did you replace the key cylinder or the entire ignition switch with a new or used one?
For all of these the repair is the same, you need a dealer level scan tool that can test the anti-theft modules to be sure they are working and then use the scan tool to erase the old keys and program in the new keys. Honda doesn't allow any DIY type of programming on their cars without the proper scan tool to access the security system.
Was this
answer
helpful?
Yes
No
Monday, January 4th, 2021 AT 11:33 AM (Merged)
Tiny
DKROMM
  • MEMBER
  • 2 POSTS
  • 2000 HONDA CIVIC
  • 4 CYL
  • 2WD
  • AUTOMATIC
  • 195,000 MILES
I have noticed in the last couple days my civic has started to have a strange issue starting. It doesn't seem to matter if it is cold or not since it does it after I just drove it to work. It doesnt do it all the time but it is starting to become more and more common.

What is happening is when I turn the key sometimes I get nothing like it would from a dead battery battery is only 1 year old. I turn the key off turn it back on it might start just fine no issue or it might immediatly grind like it would if you tried to start it after it was already running.

Or sometimes it starts just fine without issue.

Is this a starter motor or somthing else?
If so how easy is it to replace? And where can I get a decent but cheap one since the car does have 200,000Km on it.
Was this
answer
helpful?
Yes
No
Monday, January 4th, 2021 AT 11:33 AM (Merged)
Tiny
KHLOW2008
  • MECHANIC
  • 41,814 POSTS
Hi dkromm,

I would suspec the ignition switch to be the cause.

When problem occurs, check if the dash lights are on steady, flickering or missing whenignition switch is slowly turned to ON. Continue to turn to START and note if the dashlights flickers or goes off. If the flicker or goes off during both above situation, the ignition switch iis bad.

There was a safety recall for the item and you can check with your local dealer if the recall applies to your vehicle.
Was this
answer
helpful?
Yes
No
Monday, January 4th, 2021 AT 11:33 AM (Merged)
Tiny
DKROMM
  • MEMBER
  • 2 POSTS
By dashlights I assume you mean like the abs light and check engine light and all that?
Can I ask why you think that is the issue just for my own knowledge? How can the switch cause the grinding and all that?

Thanks
Was this
answer
helpful?
Yes
No
Monday, January 4th, 2021 AT 11:33 AM (Merged)
Tiny
KHLOW2008
  • MECHANIC
  • 41,814 POSTS
When the switch is faulty, it could be providing insufficient power to the starter and when that happens, you get nothing at the starter.

When starter grinds, it could be due to a bad flywheel/drive plate ring gear or starter gear.
Was this
answer
helpful?
Yes
No
Monday, January 4th, 2021 AT 11:33 AM (Merged)
Tiny
YONEXWOODS
  • MEMBER
  • 4 POSTS
  • 2000 HONDA CIVIC
  • 1.6L
  • 4 CYL
  • 2WD
  • MANUAL
  • 175,000 MILES
Battery good, turn key, nothing. Shorted out the solenoid and held the key to start and the car started. When turned off the car it would not start again until shorted solenoid.
Any ideas where I should diagnosis next?
Was this
answer
helpful?
Yes
No
Monday, January 4th, 2021 AT 11:33 AM (Merged)
Tiny
KASEKENNY
  • MECHANIC
  • 18,907 POSTS
Hi Yonex,

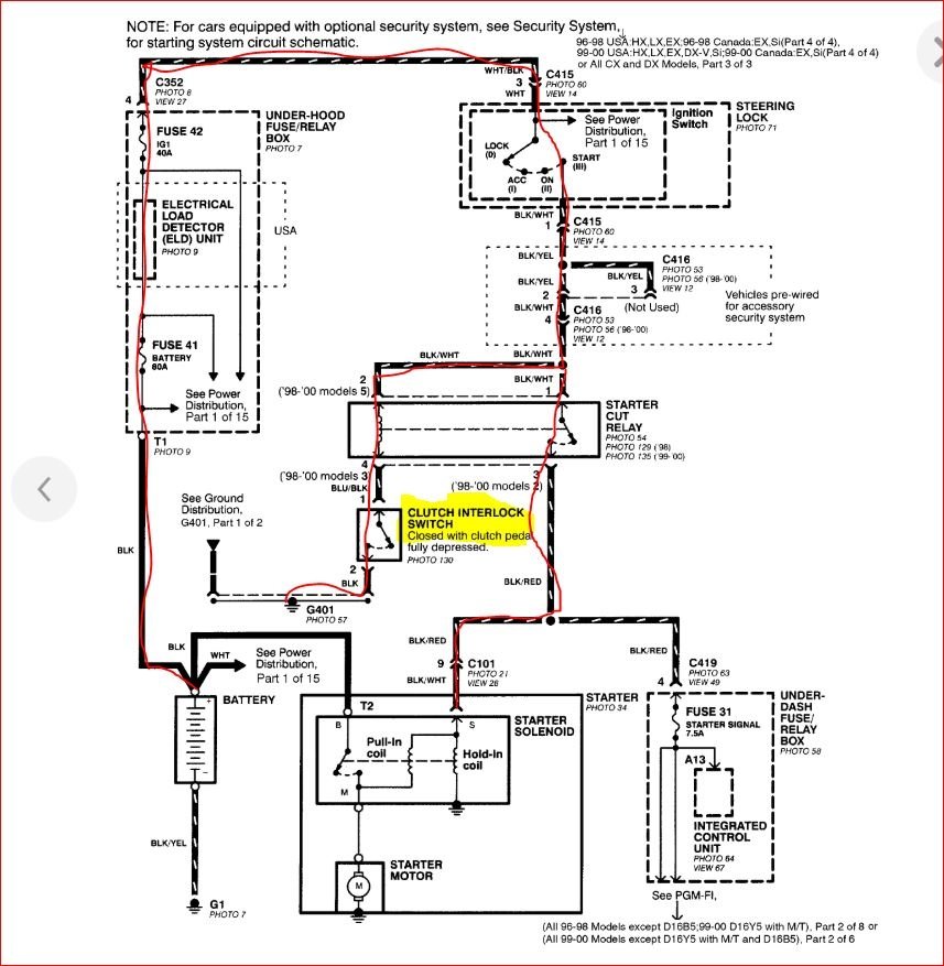
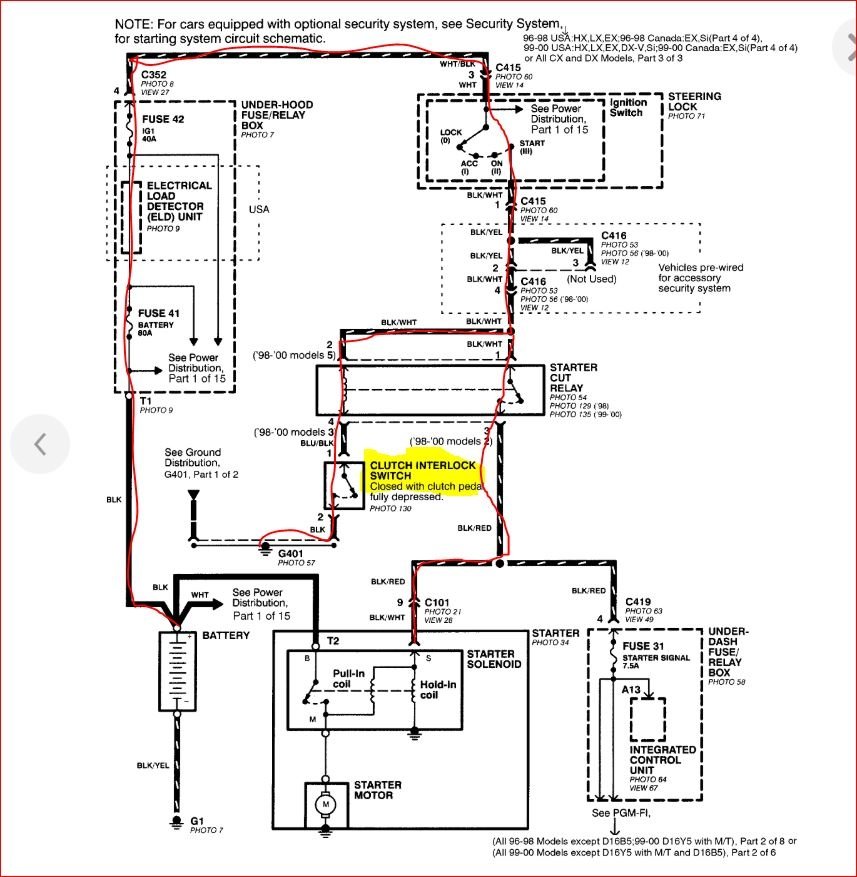
I suspect you park/neutral position switch is the issue. Basically you are applying power to the solenoid and it bypasses all the wiring and fuses including the P/N switch. I attached a wiring diagram that I traced in red the normal flow of power. In blue is what you are doing when you jump to the solenoid.

If the vehicle doesn't think it is in park or neutral then it will not allow the start. Try shifting to Neutral and see if it starts. Sometimes it is just the park position on the switch itself that gets worn out and so the PCM doesn't see park but it does see Neutral.

Let me know if this makes sense or if you have any other questions.
Was this
answer
helpful?
Yes
No
+1
Monday, January 4th, 2021 AT 11:33 AM (Merged)
Tiny
YONEXWOODS
  • MEMBER
  • 4 POSTS
I'm so sorry, the car is a manual transmission. I can't believe I forgot this.
Was this
answer
helpful?
Yes
No
Monday, January 4th, 2021 AT 11:33 AM (Merged)
Tiny
KASEKENNY
  • MECHANIC
  • 18,907 POSTS
No problem at all. It is basically the same principal except the switch is called the clutch interlock. This tells the PCM that the clutch is depressed which says it is okay to start the vehicle. If you look under the dash on the driver side on the clutch pedal arm, you will see the switch. There is a chance that it is just out of adjustment so I included that procedure. It is worth trying before replacing the sensor.
Was this
answer
helpful?
Yes
No
+1
Monday, January 4th, 2021 AT 11:33 AM (Merged)
Tiny
TREVOR LOCATI
  • MEMBER
  • 1 POST
  • 2000 HONDA CIVIC
  • 1.6L
  • 4 CYL
  • 2WD
  • MANUAL
  • 70,000 MILES
My car started having trouble starting in the mornings. I turn the ignition and it cranks but will not fire up. The first time it happened it started after the third try or so. The second time it took about fifteen minutes for it to fire up. The third time it took over thirty minutes. The first two times I continued to use my car throughout the day no issues starting up the vehicle after the store, office, customers homes. The third time it happened though I decided not to drive because I did not want to get stranded. I use my car for work so it is dire that I get it working again. I was thinking about just replacing the fuel pump, fuel filter, spark plugs, distributor, mass flow sensor, and starter.

I already checked all of the fuses..

Where would you start? Do you have any tips or feedback for me?

Kind regards,

Trevor Locati
Was this
answer
helpful?
Yes
No
Monday, January 4th, 2021 AT 11:34 AM (Merged)
Tiny
HMAC300
  • MECHANIC
  • 48,601 POSTS
Try resetting security system it may be the culprit. a lot of times it happens like this. if you have a key type system try another key as yours may be worn out. See link.
https://www.2carpros.com/articles/how-to-reset-a-security-system
Was this
answer
helpful?
Yes
No
Monday, January 4th, 2021 AT 11:34 AM (Merged)
Tiny
C-LOS109
  • MEMBER
  • 1 POST
  • 2000 HONDA CIVIC
Engine Mechanical problem
2000 Honda Civic 4 cyl Two Wheel Drive Manual 122k miles

i have a 2000 civic ex. It threw a code telling me that my o2 sensor its going bad. I took it off to so I could go replace it after I got out of work. When I got in the car to go to work my car wouldnt start. It just had this loud clicking noice when I turned the ignition. People told me that clicking meant alternator so I checked and it passed, I checked the battery and it was fine also. Now the interesting thing is that it cranks when jumped but when I drive it shuts off. So its not the starter, right?
Was this
answer
helpful?
Yes
No
Monday, January 4th, 2021 AT 11:34 AM (Merged)
Tiny
F4I_GUY
  • MECHANIC
  • 3,302 POSTS
If it cranks when it is jumped then you have canceled out the starter being the cause. How did you test the battery? Load test? What is the sitting voltage of the battery? How are your connections? Those ground terminals like to corrode where they bolt up to the frame.

I would recommend getting your battery load tested and cleaning and re-torquing the battery and cable connections!
Was this
answer
helpful?
Yes
No
Monday, January 4th, 2021 AT 11:34 AM (Merged)
Tiny
2CP-ARCHIVES
  • MEMBER
  • 4,540 POSTS
  • 2000 HONDA CIVIC
  • 4 CYL
  • FWD
  • AUTOMATIC
  • 135,000 MILES
2000 Honda Civic mileage: 135,000. This morning the car's starter was reluctant to turn over. This has happened once or twice before. The thing is, in every case, the starter has finally turned over at which point the engine promptly fires. What might cause the starter to occasionally fail to turn over? I doubt that the starter motor itself is bad because when it finally goes after he gives the ignition switch a rest, it really goes and gives the engine plenty of revs with which to fire. Thanks for the help.
Was this
answer
helpful?
Yes
No
Monday, January 4th, 2021 AT 11:35 AM (Merged)
Tiny
2CP-ARCHIVES
  • MEMBER
  • 4,540 POSTS
Here are some things to check. Load test the battery. Check that the battery cable connections are clean. Check for 12 volts to starter solenoid with the key in the start position. These things should be checked first then the ignition switch, starter and starter solenoid. One of these may be faulty.
Was this
answer
helpful?
Yes
No
Monday, January 4th, 2021 AT 11:35 AM (Merged)
Tiny
8 LIMBS
  • MEMBER
  • 2 POSTS
  • 2000 HONDA CIVIC
  • 4 CYL
  • 2WD
  • AUTOMATIC
  • 20,000 MILES
The car was a gift to my son it was not working when we got it. All signs pointed to a bad starter so I pulled the old one and replaced it with a brand new one it worked for about a week (he wasnt driving this everyday, just started it sporadically). Now, it doesnt start at all again and you hear the click, click, click, when I attempt to start it.I pulled the new starter had it bench tested and it tests fine, tested battery and it is fine, battery cables were recently replaced as well as the altenator. Turned on the lights while he cranked it and the lights didnt dim so no power is getting to the starter, I've tapped the starter. Been to numerous websites but nothing I try works. Not starter, battery, altenator, battery cables, I checked fuses what am I missing anything will help!
Was this
answer
helpful?
Yes
No
Monday, January 4th, 2021 AT 11:40 AM (Merged)

Please login or register to post a reply.