Brake lights and signal lights not working at all

Tiny
SMCGHEE01
  • MEMBER
  • 1997 GMC SONOMA
  • 4.2L
  • 6 CYL
  • 2WD
  • MANUAL
  • 202,112 MILES
They were working 2 days ago and they just quit working. I have checked all the fuses in the fuse box inside the truck. They are the only ones that I seen and I don't have the cover for it so I didn't know what fuse was to them so I had to check all of them.
Wednesday, January 1st, 2020 AT 9:44 AM

1 Reply

Tiny
JACOBANDNICKOLAS
  • MECHANIC
  • 110,194 POSTS
Hi,

I need to get some general information from you. First, do any of the rear lights work? For example, the parking lights, license plate light and so on. Next, does the center high mounted brake light work?

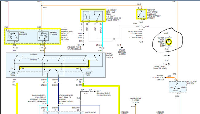
I have attached three pics below. The first one shows where the fuses are located as well as the signal relays. Take a look and check those fuses and relays.

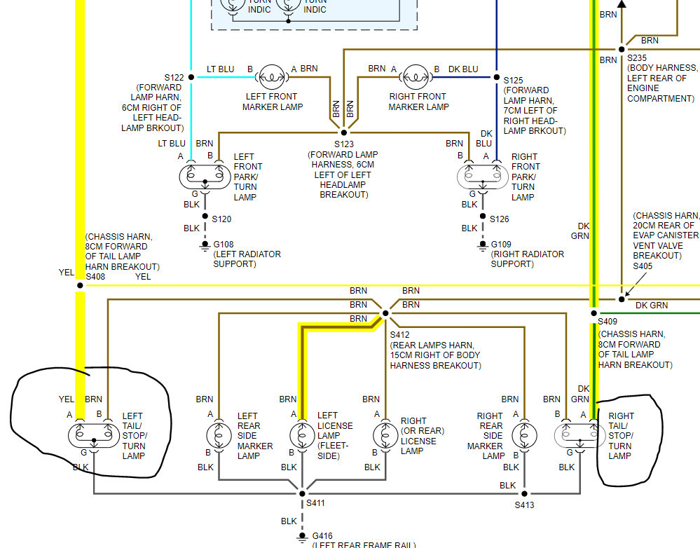
The second and third pics are where the wiring goes to make everything work. I attached them so you can see that once power leaves the signal switch (including brakes) it is directed to the rear lights and front signal lights.

Since you lost everything at once, I doubt it is a ground issue. At first, I suspected a fuse or relay. However, there are two power supplies, one for the signals and one for the hazard. It would be unlikely that both would fail at the same time. So, that leads me to the switch itself.

Let me know what you find with fuses and relays first. After that, we may need to start tracing the wiring.

______________________________

Here are a few links you may find helpful:

https://www.2carpros.com/articles/how-a-car-fuse-works

https://www.2carpros.com/articles/how-to-check-a-car-fuse

https://www.2carpros.com/articles/how-to-check-an-electrical-relay-and-wiring-control-circuit

https://www.2carpros.com/articles/how-to-use-a-test-light-circuit-tester

https://www.2carpros.com/articles/how-to-use-a-voltmeter

https://www.2carpros.com/articles/how-to-check-wiring

________________________________

Let me know what you find.

Joe
Was this
answer
helpful?
Yes
No
Wednesday, January 1st, 2020 AT 6:08 PM

Please login or register to post a reply.