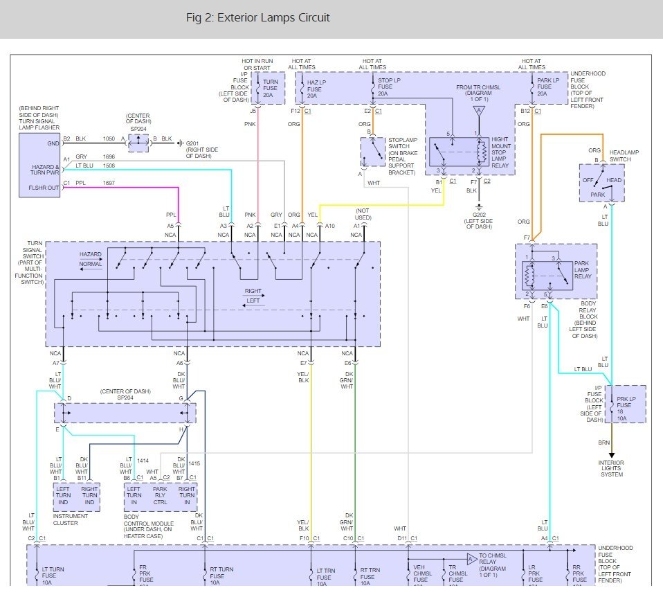
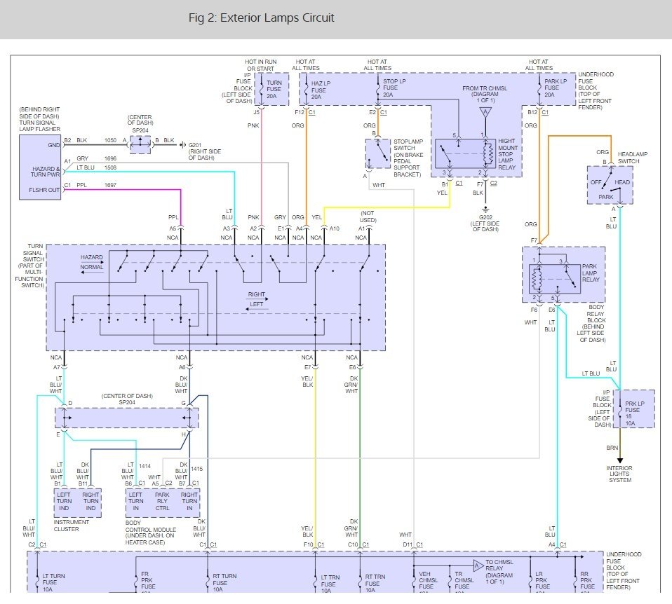
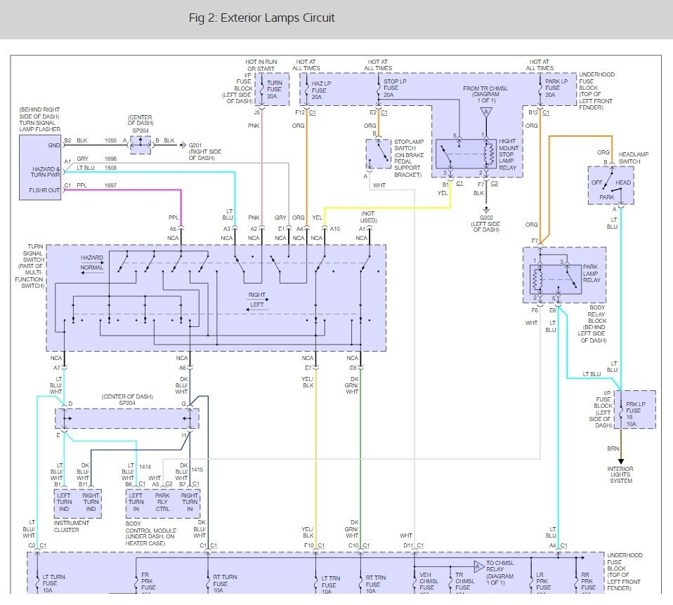
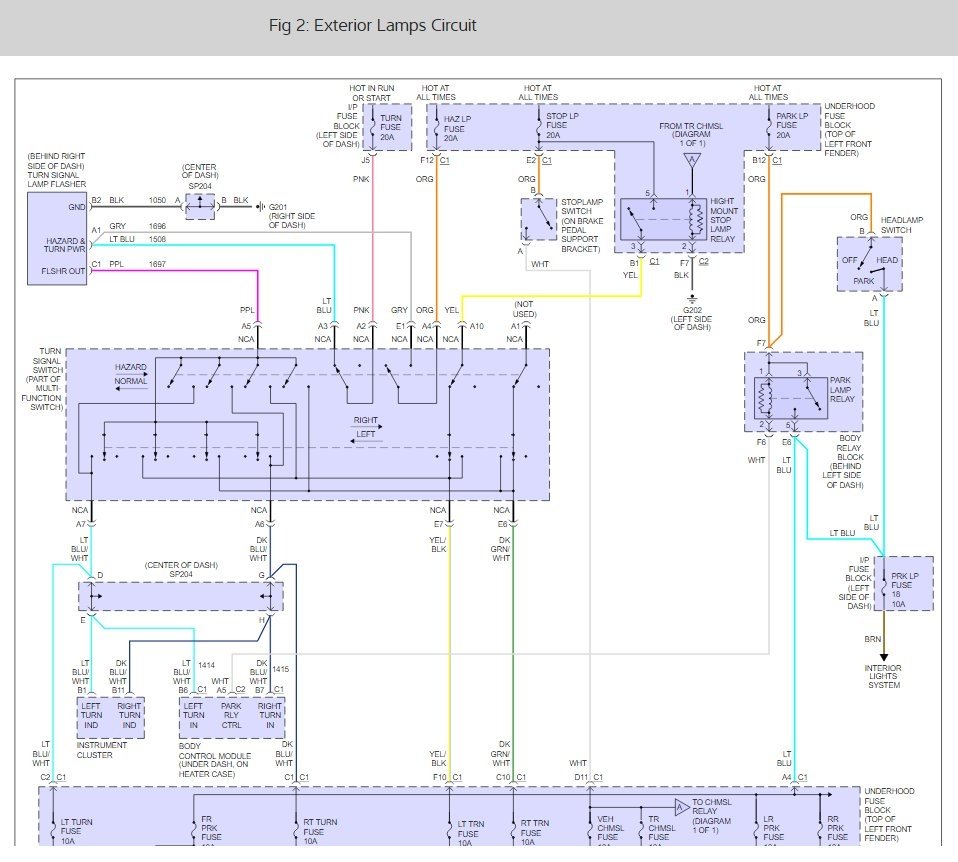
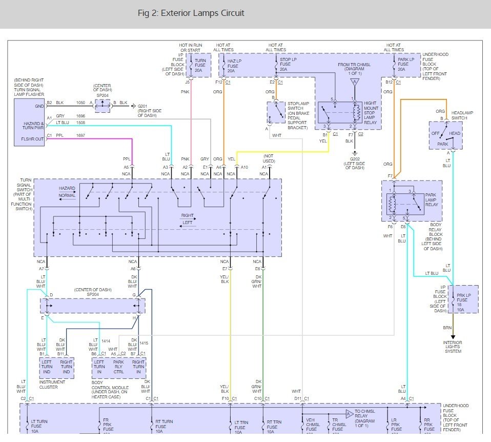
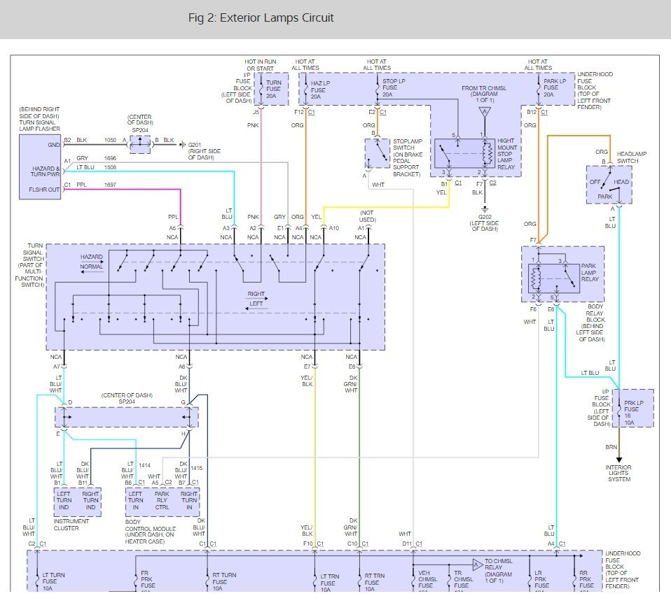
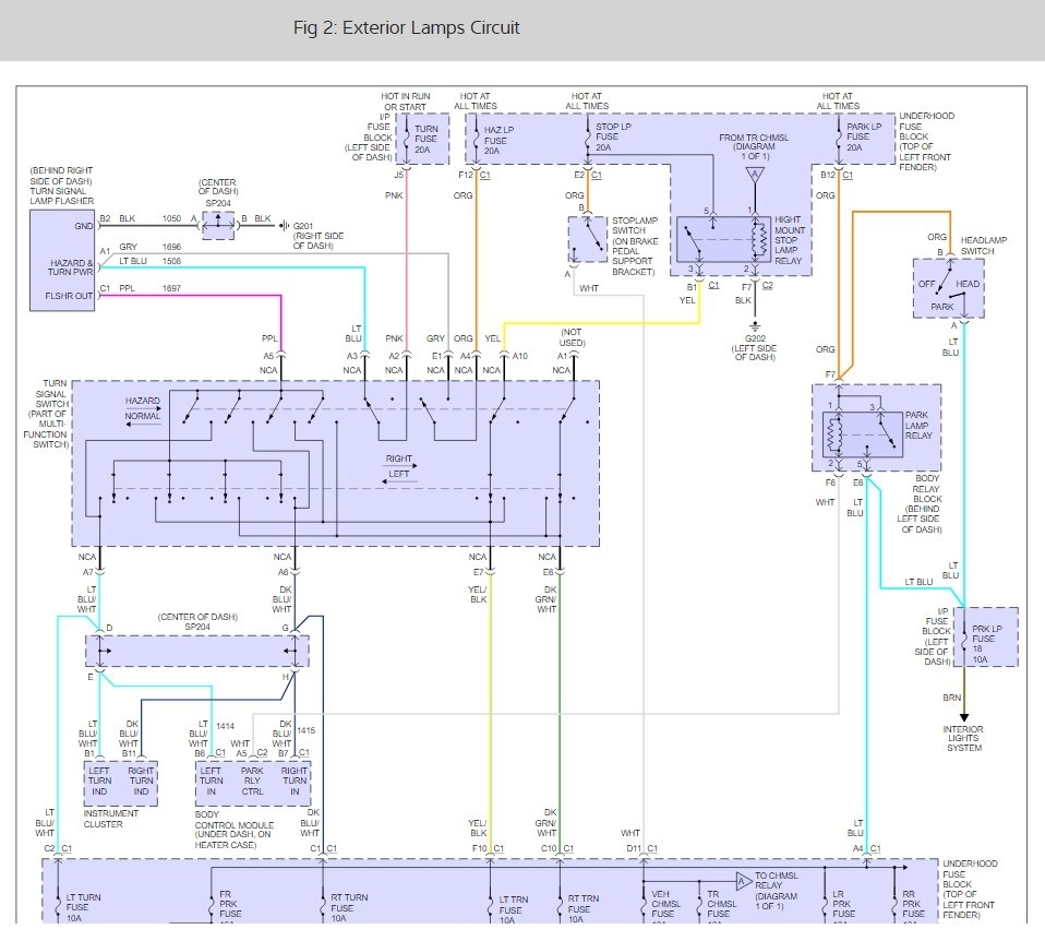
Tuesday, July 18th, 2017 AT 3:18 PM
During the day my left blinker works, but at night it does not. It flashes once the stays on dim. That causes the left brake light not to work. The brake light works during the day but not at night. I have changed the socket too. Please help tired of getting pulled over!



